Vítejte na Elektro Bastlírn?
Nuke - Elektro Bastlirna
  Vytvořit účet Hlavní · Fórum · DDump · Profil · Zprávy · Hledat na fóru · Příspěvky na provoz EB

Vlákno na téma KORONAVIRUS - nutná registrace


Nuke - Elektro Bastlirna: Diskuzní fórum

 FAQFAQ   HledatHledat   Uživatelské skupinyUživatelské skupiny   ProfilProfil   Soukromé zprávySoukromé zprávy   PřihlášeníPřihlášení 

Ochrana proti přepětí na DC obvodech
Jdi na stránku Předchozí  1, 2, 3, 4  Další
 
Přidat nové téma   Zaslat odpověď       Obsah fóra Diskuzní fórum Elektro Bastlírny -> Poradna
Zobrazit předchozí téma :: Zobrazit následující téma  
Autor Zpráva
lesana87



Založen: Sep 20, 2014
Příspěvky: 4028

PříspěvekZaslal: čt duben 10 2025, 12:20    Předmět: Citovat

Crowbar je prasárna a transil, který při tom přepětí chcípne, prasárna není? Crowbar je velmi robustní způsob ochrany, používal se dřív například na ochranu drahé číslicové techniky. Také býval v lepších PC zdrojích, při přepětí na některé větvi šlusnul tyristor sekundár trafa. A tyristor se "naprogramuje" TL431kou.
https://en.wikipedia.org/wiki/Crowbar_(circuit)
Návrat nahoru
Zobrazit informace o autorovi Odeslat soukromou zprávu
Lukas-Peca



Založen: May 06, 2007
Příspěvky: 4411
Bydliště: Zlín

PříspěvekZaslal: čt duben 10 2025, 12:34    Předmět: Citovat

Nevýhodou crowbaru s tyristorem je, že pokud není správně udělaný nebo je provozován v režimu, na který nebyl zkoušen, tak se dá i při běžném provozu shodit špičkou od nějaké indukčnosti apod. Mně přijde sympatický ten napětím ovládaný odpínač.
Návrat nahoru
Zobrazit informace o autorovi Odeslat soukromou zprávu Zobrazit autorovy WWW stránky
lesana87



Založen: Sep 20, 2014
Příspěvky: 4028

PříspěvekZaslal: čt duben 10 2025, 12:38    Předmět: Citovat

Nevýhodou čehokoliv je, že když se to špatně udělá, tak to nefunguje. Špičky od indukčností mají pochytat filtrační kondenzátory.
Návrat nahoru
Zobrazit informace o autorovi Odeslat soukromou zprávu
Lukas-Peca



Založen: May 06, 2007
Příspěvky: 4411
Bydliště: Zlín

PříspěvekZaslal: čt duben 10 2025, 12:50    Předmět: Citovat

Mám laboratorní zdroj Statron s touto ochranou a ten má na výstupu elyt 220u. A stejně stačí připojit (nebo spíše odpojit, to funguje na 100 %) komutátorový motorek a ochrana sepne. Výborné je, že zdroj nemá v sérii s výstupem diodu, takže pokud je na výstup připojeno něco s velkým elytem, tak se elyt do zdroje vybije a vše po cestě shoří.
Návrat nahoru
Zobrazit informace o autorovi Odeslat soukromou zprávu Zobrazit autorovy WWW stránky
masar



Založen: Dec 03, 2005
Příspěvky: 13885

PříspěvekZaslal: čt duben 10 2025, 13:33    Předmět: Citovat

No vidíš...neber to Very Happy
Návrat nahoru
Zobrazit informace o autorovi Odeslat soukromou zprávu Odeslat e-mail
martinkopp



Založen: Oct 12, 2023
Příspěvky: 1113

PříspěvekZaslal: čt duben 10 2025, 17:46    Předmět: Citovat

doga napsal(a):

martinkopp: to by bylo super ale v jiném provedení, ani nevím jak bych to pájel Wink


Obvodů s obdobnou funkcí se vyrábí mnoho stovek typů, najdi si typ který se ti bude pájet líp. Ale QFN není žádný problém zapájet, podívej se na youtube. Tak jako tak se to budeš muset naučit, časem nejspíš všechno bude v podobných pouzdrech.

Ale na odpojení můžeš celkem dobře použít třeba i obyčejný komparátor s hysterzí a mosfet, který vydrží napětí za transilem. Jen ty specializované obvody budou vždy lépe přizpůsobeny danému účelu a budeš mít jistotu že to bude správně fungovat až bude potřeba (není tam co zkazit, narozdíl od vlastního návrhu ochrany).

Princip dvoustupňové ochrany ale bude vždy podobný - transil udělá hrubou řezničinu a odpovojač přesnou chirurgickou práci.
Návrat nahoru
Zobrazit informace o autorovi Odeslat soukromou zprávu
Cust



Založen: Jan 17, 2007
Příspěvky: 7137
Bydliště: Milotice u Kyjova

PříspěvekZaslal: čt duben 10 2025, 19:36    Předmět: Citovat

lesana87 napsal(a):
Crowbar je prasárna a transil, který při tom přepětí chcípne, prasárna není? Crowbar je velmi robustní způsob ochrany, používal se dřív například na ochranu drahé číslicové techniky. Také býval v lepších PC zdrojích, při přepětí na některé větvi šlusnul tyristor sekundár trafa. A tyristor se "naprogramuje" TL431kou.
https://en.wikipedia.org/wiki/Crowbar_(circuit)
Transil je 100x rychlejší, špičky pohltí a zařízení nevypne!!!! Ano, když to má shořet, shoří obě řešení. Když je něco lepšího a snazšího na výměnu, proč používat něco co je horší a složitější???

Naposledy upravil Cust dne čt duben 10 2025, 19:56, celkově upraveno 1 krát.
Návrat nahoru
Zobrazit informace o autorovi Odeslat soukromou zprávu Odeslat e-mail
rnbw



Založen: Mar 21, 2006
Příspěvky: 36889
Bydliště: Bratislava

PříspěvekZaslal: čt duben 10 2025, 19:56    Předmět: Citovat

Pred skratovacou ochranou musi byt nejaka poistka alebo aspon odpor. Mozno vratna poistka.

Opravoval som kedysi modemy na 5V. Ked to niekto pripojil na 12V, tak vzdy okrem 6V2 transilu zhorel aj menic za nim. Ani raz to menic neprezil. Pred transilom nebolo nic, takze to po pripojeni horelo pokym to clovek neodpojil.
Návrat nahoru
Zobrazit informace o autorovi Odeslat soukromou zprávu
Cust



Založen: Jan 17, 2007
Příspěvky: 7137
Bydliště: Milotice u Kyjova

PříspěvekZaslal: čt duben 10 2025, 19:58    Předmět: Citovat

jezevec napsal(a):
Transil.
Jo, první příspěvek, a hned správná odpověď. Jen to nesmí dělat obrazek_cenzura...
Návrat nahoru
Zobrazit informace o autorovi Odeslat soukromou zprávu Odeslat e-mail
doga



Založen: Mar 26, 2018
Příspěvky: 247
Bydliště: okr. Bruntál

PříspěvekZaslal: čt duben 17 2025, 21:16    Předmět: Citovat

Tak jsem se podíval na modul ideální diody.
https://www.laskakit.cz/ochrana-s-vlastnostmi-idealni-diody-8a/.
Žádnou deklarovanou přepěťovou ochranu neobsahuje, ta zenerka asi jen chrání base, nebo se pletu?
Dík



ideal_dioda.png
 Komentář:
 Velikost:  12.7 kB
 Zobrazeno:  23 krát

ideal_dioda.png


Návrat nahoru
Zobrazit informace o autorovi Odeslat soukromou zprávu
doga



Založen: Mar 26, 2018
Příspěvky: 247
Bydliště: okr. Bruntál

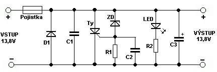
PříspěvekZaslal: po květen 19 2025, 14:09    Předmět: Citovat

Ahoj, pro které řešení by jste se rozhodli vy, jako doplněk k transilu?


ochrana_12V.gif
 Komentář:
 Velikost:  18.54 kB
 Zobrazeno:  15 krát

ochrana_12V.gif



ochr_tyr.jpg
 Komentář:
 Velikost:  9.2 kB
 Zobrazeno:  21 krát

ochr_tyr.jpg


Návrat nahoru
Zobrazit informace o autorovi Odeslat soukromou zprávu
Olchor



Založen: Nov 18, 2009
Příspěvky: 1769
Bydliště: Blansko

PříspěvekZaslal: po květen 19 2025, 17:46    Předmět: Citovat

Ta tyristorová ochrana se běžně používá.
Zapojení s FETy a PVI bude dost pomalé, vypínací čas několik msec.
Ale IMO samotný transil + pojistka musí stačit. Leda že bys počítal s častým přepětím.
Návrat nahoru
Zobrazit informace o autorovi Odeslat soukromou zprávu
doga



Založen: Mar 26, 2018
Příspěvky: 247
Bydliště: okr. Bruntál

PříspěvekZaslal: út červen 10 2025, 11:42    Předmět: Citovat

Ahoj, nemám s TVS diodami žádné zkušenosti. Dá 12V větev chránit TVS 11, která se začne otevírat až 12.4V 1mA?
Návrat nahoru
Zobrazit informace o autorovi Odeslat soukromou zprávu
martinkopp



Založen: Oct 12, 2023
Příspěvky: 1113

PříspěvekZaslal: út červen 10 2025, 14:32    Předmět: Citovat

doga napsal(a):
Ahoj, nemám s TVS diodami žádné zkušenosti. Dá 12V větev chránit TVS 11, která se začne otevírat až 12.4V 1mA?

napiš typ diody a kolik to zařízení vydrží bez destrukce.
Návrat nahoru
Zobrazit informace o autorovi Odeslat soukromou zprávu
doga



Založen: Mar 26, 2018
Příspěvky: 247
Bydliště: okr. Bruntál

PříspěvekZaslal: út červen 10 2025, 16:46    Předmět: Citovat

BZW06-11-DIO, 12V větev v počítači, nevím jaká je tam tolerance.
Návrat nahoru
Zobrazit informace o autorovi Odeslat soukromou zprávu
Zobrazit příspěvky z předchozích:   
Přidat nové téma   Zaslat odpověď       Obsah fóra Diskuzní fórum Elektro Bastlírny -> Poradna Časy uváděny v GMT + 1 hodina
Jdi na stránku Předchozí  1, 2, 3, 4  Další
Strana 2 z 4

 
Přejdi na:  
Nemůžete odesílat nové téma do tohoto fóra.
Nemůžete odpovídat na témata v tomto fóru.
Nemůžete upravovat své příspěvky v tomto fóru.
Nemůžete mazat své příspěvky v tomto fóru.
Nemůžete hlasovat v tomto fóru.
Nemůžete připojovat soubory k příspěvkům
Můžete stahovat a prohlížet přiložené soubory

Powered by phpBB © 2001, 2005 phpBB Group
Forums ©
Nuke - Elektro Bastlirna

Informace na portálu Elektro bastlírny jsou prezentovány za účelem vzdělání čtenářů a rozšíření zájmu o elektroniku. Autoři článků na serveru neberou žádnou zodpovědnost za škody vzniklé těmito zapojeními. Rovněž neberou žádnou odpovědnost za případnou újmu na zdraví vzniklou úrazem elektrickým proudem. Autoři a správci těchto stránek nepřejímají záruku za správnost zveřejněných materiálů. Předkládané informace a zapojení jsou zveřejněny bez ohledu na případné patenty třetích osob. Nároky na odškodnění na základě změn, chyb nebo vynechání jsou zásadně vyloučeny. Všechny registrované nebo jiné obchodní známky zde použité jsou majetkem jejich vlastníků. Uvedením nejsou zpochybněna z toho vyplývající vlastnická práva. Použití konstrukcí v rozporu se zákonem je přísně zakázáno. Vzhledem k tomu, že původ předkládaných materiálů nelze žádným způsobem dohledat, nelze je použít pro komerční účely! Tento nekomerční server nemá z uvedených zapojení či konstrukcí žádný zisk. Nezodpovídáme za pravost předkládaných materiálů třetími osobami a jejich původ. V případě, že zjistíte porušení autorského práva či jiné nesrovnalosti, kontaktujte administrátory na diskuzním fóru EB.


PHP-Nuke Copyright © 2005 by Francisco Burzi. This is free software, and you may redistribute it under the GPL. PHP-Nuke comes with absolutely no warranty, for details, see the license.
Čas potřebný ke zpracování stránky 0.46 sekund