Vítejte na Elektro Bastlírn?
Nuke - Elektro Bastlirna
  Vytvořit účet Hlavní · Fórum · DDump · Profil · Zprávy · Hledat na fóru · Příspěvky na provoz EB

Vlákno na téma KORONAVIRUS - nutná registrace


Nuke - Elektro Bastlirna: Diskuzní fórum

 FAQFAQ   HledatHledat   Uživatelské skupinyUživatelské skupiny   ProfilProfil   Soukromé zprávySoukromé zprávy   PřihlášeníPřihlášení 

Generace tónů oktávy s MH74188 a 3x MH74193 - dotaz na AR

 
Přidat nové téma   Zaslat odpověď       Obsah fóra Diskuzní fórum Elektro Bastlírny -> Poradna
Zobrazit předchozí téma :: Zobrazit následující téma  
Autor Zpráva
JiriTom



Založen: Apr 26, 2017
Příspěvky: 1418

PříspěvekZaslal: čt březen 20 2025, 16:34    Předmět: Generace tónů oktávy s MH74188 a 3x MH74193 - dotaz na AR Citovat

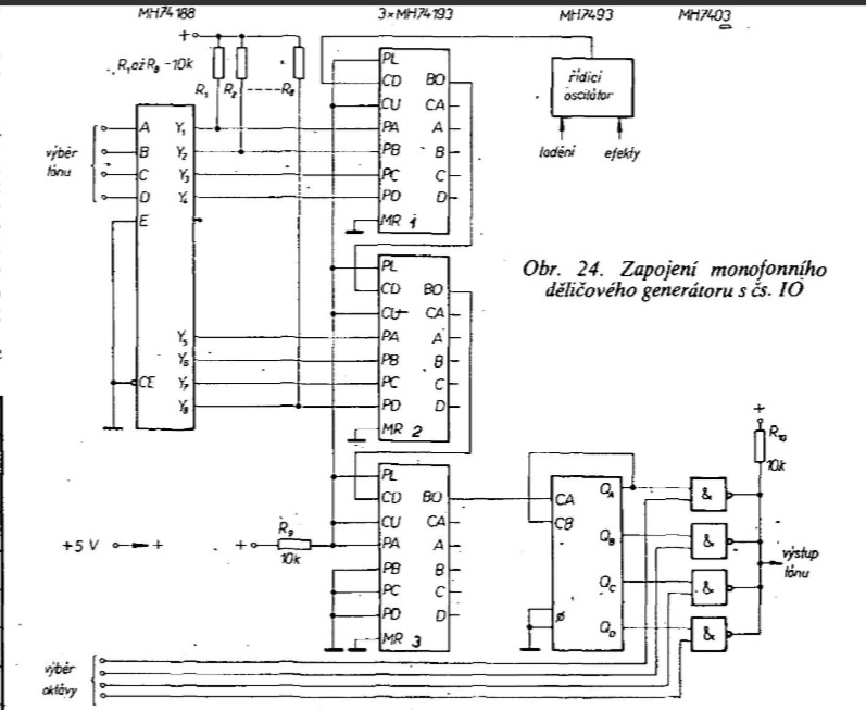
Narazil jsem na svůj před léty dělaný pokus: na universální desce zadrátovanou děličku s PROM MH74188 a 3 čítači MH74193. Funguje to, akorát nemůžu najít AR, v kterém bylo schema a obsah PROM.
V mých "databázích" a na netu jsem našel jen něco podobného v ARA 12/86, ale to není ono.
Stavěl to někdo, nebo ví někdo kde to bylo? Díky za pomoc.

_________________
Význam slova dezolát: Člověk náchylný k podlehnutí konspiračním teoriím, šířící dezinformace, nepátrající po pravdě a souvislostech, následující stádo
Návrat nahoru
Zobrazit informace o autorovi Odeslat soukromou zprávu
EKKAR



Založen: Mar 16, 2005
Příspěvky: 34815
Bydliště: Česká Třebová, JN89FW21

PříspěvekZaslal: čt březen 20 2025, 17:37    Předmět: Citovat

Vyhledávač článků na Jirkywebu mi vyhodil jeden výsledek - Electus (ročenka) 1987 str. 41 "Optimalizace generátoru temperované oktávy".
_________________
Nasliněný prst na svorkovnici domovního rozvaděče: Jó, paninko, máte tam ty Voltíky všecky...
A kutilmile - nelituju tě Mr. Green Mr. Green !!!
Návrat nahoru
Zobrazit informace o autorovi Odeslat soukromou zprávu Odeslat e-mail
JiriTom



Založen: Apr 26, 2017
Příspěvky: 1418

PříspěvekZaslal: čt březen 20 2025, 18:36    Předmět: Citovat

EKKAR: Moc díky, na té straně 41 je odkaz na literaturu AR B 1/79 a tam na str.12 to je - a je to ono... Smile
_________________
Význam slova dezolát: Člověk náchylný k podlehnutí konspiračním teoriím, šířící dezinformace, nepátrající po pravdě a souvislostech, následující stádo
Návrat nahoru
Zobrazit informace o autorovi Odeslat soukromou zprávu
EKKAR



Založen: Mar 16, 2005
Příspěvky: 34815
Bydliště: Česká Třebová, JN89FW21

PříspěvekZaslal: čt březen 20 2025, 18:55    Předmět: Citovat

No vidíš, nakonec se to v dobrou stranu obrátilo. Hlavně že to pomohlo.
_________________
Nasliněný prst na svorkovnici domovního rozvaděče: Jó, paninko, máte tam ty Voltíky všecky...
A kutilmile - nelituju tě Mr. Green Mr. Green !!!
Návrat nahoru
Zobrazit informace o autorovi Odeslat soukromou zprávu Odeslat e-mail
JiriTom



Založen: Apr 26, 2017
Příspěvky: 1418

PříspěvekZaslal: pá březen 21 2025, 9:27    Předmět: Citovat

EKKARe ještě jednou díky.
Pro úplnost schema a obsah PROM...



Dělič.jpg
 Komentář:
 Velikost:  95.74 kB
 Zobrazeno:  60 krát

Dělič.jpg



PROM.jpg
 Komentář:
 Velikost:  203.24 kB
 Zobrazeno:  48 krát

PROM.jpg



_________________
Význam slova dezolát: Člověk náchylný k podlehnutí konspiračním teoriím, šířící dezinformace, nepátrající po pravdě a souvislostech, následující stádo
Návrat nahoru
Zobrazit informace o autorovi Odeslat soukromou zprávu
Zobrazit příspěvky z předchozích:   
Přidat nové téma   Zaslat odpověď       Obsah fóra Diskuzní fórum Elektro Bastlírny -> Poradna Časy uváděny v GMT + 1 hodina
Strana 1 z 1

 
Přejdi na:  
Nemůžete odesílat nové téma do tohoto fóra.
Nemůžete odpovídat na témata v tomto fóru.
Nemůžete upravovat své příspěvky v tomto fóru.
Nemůžete mazat své příspěvky v tomto fóru.
Nemůžete hlasovat v tomto fóru.
Nemůžete připojovat soubory k příspěvkům
Můžete stahovat a prohlížet přiložené soubory

Powered by phpBB © 2001, 2005 phpBB Group
Forums ©
Nuke - Elektro Bastlirna

Informace na portálu Elektro bastlírny jsou prezentovány za účelem vzdělání čtenářů a rozšíření zájmu o elektroniku. Autoři článků na serveru neberou žádnou zodpovědnost za škody vzniklé těmito zapojeními. Rovněž neberou žádnou odpovědnost za případnou újmu na zdraví vzniklou úrazem elektrickým proudem. Autoři a správci těchto stránek nepřejímají záruku za správnost zveřejněných materiálů. Předkládané informace a zapojení jsou zveřejněny bez ohledu na případné patenty třetích osob. Nároky na odškodnění na základě změn, chyb nebo vynechání jsou zásadně vyloučeny. Všechny registrované nebo jiné obchodní známky zde použité jsou majetkem jejich vlastníků. Uvedením nejsou zpochybněna z toho vyplývající vlastnická práva. Použití konstrukcí v rozporu se zákonem je přísně zakázáno. Vzhledem k tomu, že původ předkládaných materiálů nelze žádným způsobem dohledat, nelze je použít pro komerční účely! Tento nekomerční server nemá z uvedených zapojení či konstrukcí žádný zisk. Nezodpovídáme za pravost předkládaných materiálů třetími osobami a jejich původ. V případě, že zjistíte porušení autorského práva či jiné nesrovnalosti, kontaktujte administrátory na diskuzním fóru EB.


PHP-Nuke Copyright © 2005 by Francisco Burzi. This is free software, and you may redistribute it under the GPL. PHP-Nuke comes with absolutely no warranty, for details, see the license.
Čas potřebný ke zpracování stránky 0.25 sekund