Vítejte na Elektro Bastlírn?
Nuke - Elektro Bastlirna
  Vytvořit účet Hlavní · Fórum · DDump · Profil · Zprávy · Hledat na fóru · Příspěvky na provoz EB

Vlákno na téma KORONAVIRUS - nutná registrace


Nuke - Elektro Bastlirna: Diskuzní fórum

 FAQFAQ   HledatHledat   Uživatelské skupinyUživatelské skupiny   ProfilProfil   Soukromé zprávySoukromé zprávy   PřihlášeníPřihlášení 

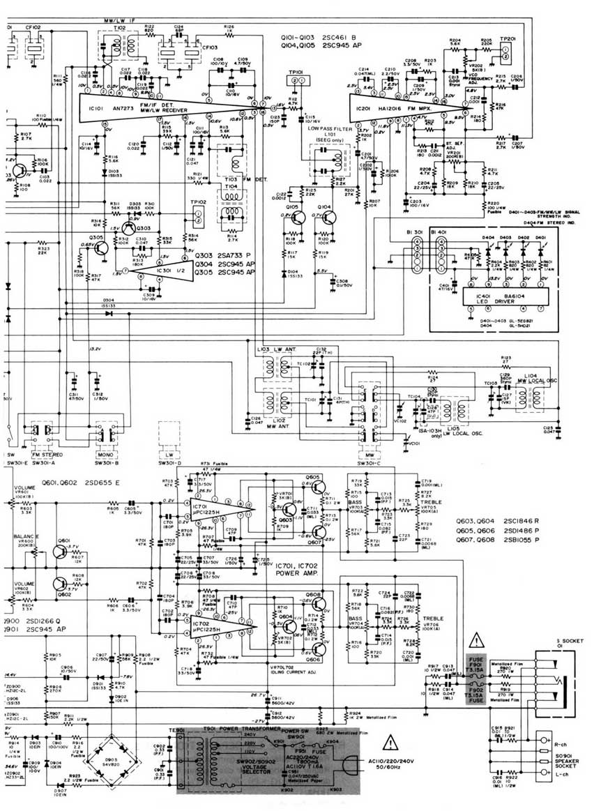
Receiver sharp sa-103h, oprava

 
Přidat nové téma   Zaslat odpověď       Obsah fóra Diskuzní fórum Elektro Bastlírny -> Audiotechnika
Zobrazit předchozí téma :: Zobrazit následující téma  
Autor Zpráva
DukeNuke



Založen: Apr 02, 2018
Příspěvky: 1812

PříspěvekZaslal: po březen 17 2025, 9:29    Předmět: Receiver sharp sa-103h, oprava Citovat

Ahoj, známý má ve mě asi velkou důvěru a nechal mi doma tento model. Závada - nejede levé repro, resp při plné hlasitosti je tam slyšet slabý hodně zkreslený signál. Pravý kanál je ok.
"Propísknu" to generem a půjdu po signálu osciloskopem až po repro. Tam, kde se to zmrší bude chyba. Předpokládám, že asi v konci. Ale kdyby někdo věděl hned po čem jít, bylo by to fajn. Servisák jsem stáhnul z tanji.



sharp_SA103H.jpg
 Komentář:
 Velikost:  156.2 kB
 Zobrazeno:  112 krát

sharp_SA103H.jpg


Návrat nahoru
Zobrazit informace o autorovi Odeslat soukromou zprávu
masar



Založen: Dec 03, 2005
Příspěvky: 13885

PříspěvekZaslal: po březen 17 2025, 11:12    Předmět: Citovat

Generátor ti toho moc neprozradí, akorát, že je to polámaný. Postupuj standartním způsobem - měřením napětí na levém konci:
-----
Jest-li je závada jinde než v konci, zjistíš propojením vstupů (- vývody C605/C606) obou konců.
Wink



Levý konec.png
 Komentář:
 Velikost:  42.88 kB
 Zobrazeno:  106 krát

Levý konec.png




Naposledy upravil masar dne po březen 17 2025, 11:18, celkově upraveno 1 krát.
Návrat nahoru
Zobrazit informace o autorovi Odeslat soukromou zprávu Odeslat e-mail
rnbw



Založen: Mar 21, 2006
Příspěvky: 36889
Bydliště: Bratislava

PříspěvekZaslal: po březen 17 2025, 11:17    Předmět: Citovat

Preverit aj sluchadlovy jack.
Návrat nahoru
Zobrazit informace o autorovi Odeslat soukromou zprávu
DukeNuke



Založen: Apr 02, 2018
Příspěvky: 1812

PříspěvekZaslal: po březen 17 2025, 11:40    Předmět: Citovat

OK. Díky.
Návrat nahoru
Zobrazit informace o autorovi Odeslat soukromou zprávu
BOBOBO
Doporučuje se dohled moderátorů


Založen: Feb 25, 2008
Příspěvky: 20541
Bydliště: Rychnovsko

PříspěvekZaslal: po březen 17 2025, 23:27    Předmět: Citovat

Hlupý NF ??
Návrat nahoru
Zobrazit informace o autorovi Odeslat soukromou zprávu
Zobrazit příspěvky z předchozích:   
Přidat nové téma   Zaslat odpověď       Obsah fóra Diskuzní fórum Elektro Bastlírny -> Audiotechnika Časy uváděny v GMT + 1 hodina
Strana 1 z 1

 
Přejdi na:  
Nemůžete odesílat nové téma do tohoto fóra.
Nemůžete odpovídat na témata v tomto fóru.
Nemůžete upravovat své příspěvky v tomto fóru.
Nemůžete mazat své příspěvky v tomto fóru.
Nemůžete hlasovat v tomto fóru.
Nemůžete připojovat soubory k příspěvkům
Můžete stahovat a prohlížet přiložené soubory

Powered by phpBB © 2001, 2005 phpBB Group
Forums ©
Nuke - Elektro Bastlirna

Informace na portálu Elektro bastlírny jsou prezentovány za účelem vzdělání čtenářů a rozšíření zájmu o elektroniku. Autoři článků na serveru neberou žádnou zodpovědnost za škody vzniklé těmito zapojeními. Rovněž neberou žádnou odpovědnost za případnou újmu na zdraví vzniklou úrazem elektrickým proudem. Autoři a správci těchto stránek nepřejímají záruku za správnost zveřejněných materiálů. Předkládané informace a zapojení jsou zveřejněny bez ohledu na případné patenty třetích osob. Nároky na odškodnění na základě změn, chyb nebo vynechání jsou zásadně vyloučeny. Všechny registrované nebo jiné obchodní známky zde použité jsou majetkem jejich vlastníků. Uvedením nejsou zpochybněna z toho vyplývající vlastnická práva. Použití konstrukcí v rozporu se zákonem je přísně zakázáno. Vzhledem k tomu, že původ předkládaných materiálů nelze žádným způsobem dohledat, nelze je použít pro komerční účely! Tento nekomerční server nemá z uvedených zapojení či konstrukcí žádný zisk. Nezodpovídáme za pravost předkládaných materiálů třetími osobami a jejich původ. V případě, že zjistíte porušení autorského práva či jiné nesrovnalosti, kontaktujte administrátory na diskuzním fóru EB.


PHP-Nuke Copyright © 2005 by Francisco Burzi. This is free software, and you may redistribute it under the GPL. PHP-Nuke comes with absolutely no warranty, for details, see the license.
Čas potřebný ke zpracování stránky 0.23 sekund