Vítejte na Elektro Bastlírn?
Nuke - Elektro Bastlirna
  Vytvořit účet Hlavní · Fórum · DDump · Profil · Zprávy · Hledat na fóru · Příspěvky na provoz EB

Vlákno na téma KORONAVIRUS - nutná registrace


Nuke - Elektro Bastlirna: Diskuzní fórum

 FAQFAQ   HledatHledat   Uživatelské skupinyUživatelské skupiny   ProfilProfil   Soukromé zprávySoukromé zprávy   PřihlášeníPřihlášení 

ARS 840 (844) výškáč - ???

 
Přidat nové téma   Zaslat odpověď       Obsah fóra Diskuzní fórum Elektro Bastlírny -> Audiotechnika
Zobrazit předchozí téma :: Zobrazit následující téma  
Autor Zpráva
jardafiala



Založen: Jun 20, 2010
Příspěvky: 2441
Bydliště: Česká Lípa

PříspěvekZaslal: so březen 08 2025, 9:05    Předmět: ARS 840 (844) výškáč - ??? Citovat

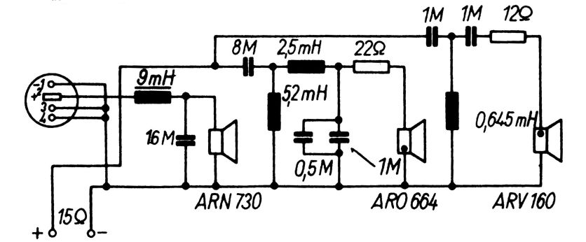
Koukám na to o nějak pořád nevím, proč nelze nahradit ARV 160 dostupnější ARV 167, to je takový problém přepočítat výhybku? Nebo to někdo dělal? Prošel jsem i diskuse jinde třeba repromania, ale nějak nikdo pořádně nezdůvodnil, proč by to nemohlo jít. Ptám se protože jsme je někde za něco dostal a oba ARV 160 chybí.


ARS 840.jpg
 Komentář:
 Velikost:  45.16 kB
 Zobrazeno:  38 krát

ARS 840.jpg



ARS 844.jpg
 Komentář:
 Velikost:  116.79 kB
 Zobrazeno:  48 krát

ARS 844.jpg



ARS 840 a.jpg
 Komentář:
 Velikost:  29.05 kB
 Zobrazeno:  35 krát

ARS 840 a.jpg



ARS 840 b.jpg
 Komentář:
 Velikost:  25.57 kB
 Zobrazeno:  37 krát

ARS 840 b.jpg


Návrat nahoru
Zobrazit informace o autorovi Odeslat soukromou zprávu Odeslat e-mail
ransom



Založen: Jul 19, 2020
Příspěvky: 3629
Bydliště: Náchod

PříspěvekZaslal: so březen 08 2025, 9:19    Předmět: Citovat

Prostě proto, že pouhé přepočítání nestačí. Ta výhybka byla (s ohledem na dobu vzniku) docela pečlivě dolaďovaná na výsledek. A při tom opravdu nevystačíš jenom se vzorečkama. Pro dobré navázání jiné výšky bude nejspíš potřeba sáhnout i do středové větve.
Takže by bylo potřeba to odladit nanovo. To znamená odměřit repráky (akusticky plus jejich skutečné impedanční průběhy), odsimulovat výhybku, zapojit prototyp, měřením ověřit že souhlasí simulace, pak svolat poslechové konsilium k připomínkování a nakonec možná nějaké úpravy.
Většina zdatných ladičů, které znám osobně, tě s tím pošle do do řiti, bo pracovat s těma reprákama a v týhle konfiguraci je práce za trest. Začátečník si na tom vyláme zuby.

Jestli chceš, tak si to klidně přepočítej a pak si s tím hraj na ucho. Dostaneš řadu různě špatných výsledků, ale třeba ti některý z nich vyhoví.

_________________
Nepoužívám smajlíky. Pobavený nebo ironický tón si laskavě domyslete sami.
Návrat nahoru
Zobrazit informace o autorovi Odeslat soukromou zprávu
jardafiala



Založen: Jun 20, 2010
Příspěvky: 2441
Bydliště: Česká Lípa

PříspěvekZaslal: so březen 08 2025, 9:51    Předmět: Citovat

No v debatách třeba na repromanii se o nich někteří zmiňují docela pohrdavě tak jsem si myslel, že na nich už není co pokazit....O svých uších bych se tady už vůbec nezmiňoval.
Návrat nahoru
Zobrazit informace o autorovi Odeslat soukromou zprávu Odeslat e-mail
ransom



Založen: Jul 19, 2020
Příspěvky: 3629
Bydliště: Náchod

PříspěvekZaslal: so březen 08 2025, 11:03    Předmět: Citovat

Tak pohrdavě... Prostě je to Tesla se vším dobrým i špatným. Mezi bednami z Tesly patří k tomu nejlepšímu. Akorát to nesmíš porovnávat s nějakým opravdovým HiFi. Je to zvukově takový podivně ježatý.
Když už by tam někdo cpal papírovou Teslu, tak ARV165. Je jich všude dost. Byla před časem snaha vrazit místo ARV nějakou malou kalotu s krytem přes magnet. Jenomže to zase naráží na další problémy. Kalota buď potřebuje zvukovod, což se nedá použít koaxiálně, nebo by se musela dělit na moc vysoké frekvenci, což zase nedává ten 8" ARO.

Já sám bych se na to vykvák. Dokud to funguje, tak uchovat jako posvátnou relikvii. Když repráky umřou, tak oplakat a zapomenout.

_________________
Nepoužívám smajlíky. Pobavený nebo ironický tón si laskavě domyslete sami.
Návrat nahoru
Zobrazit informace o autorovi Odeslat soukromou zprávu
samec



Založen: Dec 19, 2017
Příspěvky: 5952

PříspěvekZaslal: so březen 08 2025, 14:50    Předmět: Citovat

Tak snáď sa môžeme baviť aj trochu technicky bez zbytočných povier a pranostik. Jedna vec je deliaca frekvencia, ďalšia je impedancia v príslušnom rozsahu a nakoniec citlivosť. Ak k 8Ω vyškaču pridáš sériový odpor, ako je to u 15Ω reprosústavy, aby si dosiahol požadovanú impedanciu sústavy, tak ti klesne citlivosť na výškách natoľko, že budeš musieť ubrať aj stredy a hlbky. Simulácia v nejakom lepšom programe dá isto lepšie výsledky, než čo kedysi inžinieri spočítali na logaritmických pravitkách.
Návrat nahoru
Zobrazit informace o autorovi Odeslat soukromou zprávu
ransom



Založen: Jul 19, 2020
Příspěvky: 3629
Bydliště: Náchod

PříspěvekZaslal: so březen 08 2025, 15:38    Předmět: Citovat

Ona ta simulace v principu dělá ty samé výpočty jako dávní inženýři s logárem. Jenom jich dělá víc naráz. Na akustice repráků není nic nového, vše potřebné bylo popsáno už někdy v padesátých letech. Rozdíl je jen v současných možnostech. Můžeme dnes úplně jednoduše získat mnohem přesnější vstupní údaje, a výsledek zobrazuje simulační program v reálném čase.
Když to dělali tenkrát, muselo se měření dělat s rozmítačem a zapisovačem v bezdozvukové komoře, grafy skládali ručně s pravítkem a tužkou. Dnes to odměříš za půl hodiny počítačem se zvukovkou ve větším obýváku, odrazy a dozvuky prostoru si program sám odignoruje. Stejně rychle dostaneš impedanční křivky. Simulace díky těm přesným vstupním údajům přesně předpoví výsledné chování konkrétních repráků s libovolným zapojením výhybky, ať je sebesložitější. Tenkrát byla jediná možnost zkusmo modifikovat zapojení a kontrolně měřit, pořád dokola zas a znova. Tuhle péči tomu nejspíš ve Valmezu opravdu věnovali, protože ta výhybka nemá typické znaky tabulkových propustí.

Ten rezistor předřazený před výškou nemusí nezbytně být velký. Je možné , že by se vystačilo s nějakým 5R6. Za jedno je na vyšších frekvencích přípustný pokles impedance pod jmenovitou hodnotu. Za druhé impedance výškového repráku nad rezonancí docela strmě roste. Bez měření bych to ale rozhodně nepodnikal. Nedělal bych to ani s mnohem poslušnějšími repráky, natož s touhle divočinou.

_________________
Nepoužívám smajlíky. Pobavený nebo ironický tón si laskavě domyslete sami.
Návrat nahoru
Zobrazit informace o autorovi Odeslat soukromou zprávu
ok1hga



Založen: Nov 28, 2006
Příspěvky: 12583
Bydliště: Česká Třebová

PříspěvekZaslal: so březen 08 2025, 18:36    Předmět: Citovat

klidně tam ty ARV167 dej a uvidíš, spíš uslyšíš . . .
pokud nemáš přesné měření, myslím že nic nepoznáš . . .
výšky nejspíš budou o 3db jinak, ale poznáš to uchem ?
. . . záleží aby se ti ten přednes líbil.

když se podíváš na průběh kmitočtové charakteristiky ARS840 tak uvidíš že "zvlnění" je cca 5dB, takže jestli tam budeš mít na výškách 3dB chybu patrně vůbec nepostřehneš.
a jak bylo výše napsáno, tesly jsou tesly, takové "chlupaté", nebo střapaté . . .
pokud jinou možnost nemáš, zkus to !
potom se tady můžeš podělit o výsledek.
Návrat nahoru
Zobrazit informace o autorovi Odeslat soukromou zprávu
jardafiala



Založen: Jun 20, 2010
Příspěvky: 2441
Bydliště: Česká Lípa

PříspěvekZaslal: so březen 08 2025, 19:28    Předmět: Citovat

Tady se vším souhlas, ale co uslyším když je mi 70---
Návrat nahoru
Zobrazit informace o autorovi Odeslat soukromou zprávu Odeslat e-mail
TheLastUnicorn



Založen: Jan 17, 2018
Příspěvky: 515
Bydliště: Trenčín

PříspěvekZaslal: so březen 08 2025, 20:11    Předmět: Citovat

Ten graf z odkazu je hodně milosrdný. Realita vypadá mnohem hůř. U ARS844 se lze s výškou ARV165 dobrat použitelného výsledku (s přihlédnutím na impedanci a celkové zatížení zesilovače) s kondenzátory 4M7 a cívkou 0,15mH.
Návrat nahoru
Zobrazit informace o autorovi Odeslat soukromou zprávu
ransom



Založen: Jul 19, 2020
Příspěvky: 3629
Bydliště: Náchod

PříspěvekZaslal: po březen 10 2025, 7:29    Předmět: Citovat

jardafiala napsal(a):
Tady se vším souhlas, ale co uslyším když je mi 70---

Uslyšíš. Tohle se tu už probíralo. Na to stačí slyšet do 8kHz.

_________________
Nepoužívám smajlíky. Pobavený nebo ironický tón si laskavě domyslete sami.
Návrat nahoru
Zobrazit informace o autorovi Odeslat soukromou zprávu
samec



Založen: Dec 19, 2017
Příspěvky: 5952

PříspěvekZaslal: po březen 10 2025, 9:09    Předmět: Citovat

To by si musel mať kalibrované uši. Ani 12dB rozdiel nespoznáš, pokiaľ to nemáš s čím porovnať.
Návrat nahoru
Zobrazit informace o autorovi Odeslat soukromou zprávu
TheLastUnicorn



Založen: Jan 17, 2018
Příspěvky: 515
Bydliště: Trenčín

PříspěvekZaslal: po březen 10 2025, 15:34    Předmět: Citovat

Že niečo nemá výšky by som nespoznal len v prípade, že som dovtedy nepočul nič, čo ich má. Na to netreba kalibrované uši.
ARV165 nebude vo výhybke ARS840 len o nejakých troch decibeloch. Tá vyžarovacia charakteristika bude od 3kHz kompletne iná a nepoužiteľná. Kto s tým nepracuje, ten nemá predstavu. 1M-0,65mH-1M nie je pre ARV165 použiteľný filter.
Návrat nahoru
Zobrazit informace o autorovi Odeslat soukromou zprávu
ransom



Založen: Jul 19, 2020
Příspěvky: 3629
Bydliště: Náchod

PříspěvekZaslal: po březen 10 2025, 20:16    Předmět: Citovat

Samec:
Nesmysl.

_________________
Nepoužívám smajlíky. Pobavený nebo ironický tón si laskavě domyslete sami.
Návrat nahoru
Zobrazit informace o autorovi Odeslat soukromou zprávu
Zobrazit příspěvky z předchozích:   
Přidat nové téma   Zaslat odpověď       Obsah fóra Diskuzní fórum Elektro Bastlírny -> Audiotechnika Časy uváděny v GMT + 1 hodina
Strana 1 z 1

 
Přejdi na:  
Nemůžete odesílat nové téma do tohoto fóra.
Nemůžete odpovídat na témata v tomto fóru.
Nemůžete upravovat své příspěvky v tomto fóru.
Nemůžete mazat své příspěvky v tomto fóru.
Nemůžete hlasovat v tomto fóru.
Nemůžete připojovat soubory k příspěvkům
Můžete stahovat a prohlížet přiložené soubory

Powered by phpBB © 2001, 2005 phpBB Group
Forums ©
Nuke - Elektro Bastlirna

Informace na portálu Elektro bastlírny jsou prezentovány za účelem vzdělání čtenářů a rozšíření zájmu o elektroniku. Autoři článků na serveru neberou žádnou zodpovědnost za škody vzniklé těmito zapojeními. Rovněž neberou žádnou odpovědnost za případnou újmu na zdraví vzniklou úrazem elektrickým proudem. Autoři a správci těchto stránek nepřejímají záruku za správnost zveřejněných materiálů. Předkládané informace a zapojení jsou zveřejněny bez ohledu na případné patenty třetích osob. Nároky na odškodnění na základě změn, chyb nebo vynechání jsou zásadně vyloučeny. Všechny registrované nebo jiné obchodní známky zde použité jsou majetkem jejich vlastníků. Uvedením nejsou zpochybněna z toho vyplývající vlastnická práva. Použití konstrukcí v rozporu se zákonem je přísně zakázáno. Vzhledem k tomu, že původ předkládaných materiálů nelze žádným způsobem dohledat, nelze je použít pro komerční účely! Tento nekomerční server nemá z uvedených zapojení či konstrukcí žádný zisk. Nezodpovídáme za pravost předkládaných materiálů třetími osobami a jejich původ. V případě, že zjistíte porušení autorského práva či jiné nesrovnalosti, kontaktujte administrátory na diskuzním fóru EB.


PHP-Nuke Copyright © 2005 by Francisco Burzi. This is free software, and you may redistribute it under the GPL. PHP-Nuke comes with absolutely no warranty, for details, see the license.
Čas potřebný ke zpracování stránky 0.49 sekund