Vítejte na Elektro Bastlírn?
Nuke - Elektro Bastlirna
  Vytvořit účet Hlavní · Fórum · DDump · Profil · Zprávy · Hledat na fóru · Příspěvky na provoz EB

Vlákno na téma KORONAVIRUS - nutná registrace


Nuke - Elektro Bastlirna: Diskuzní fórum

 FAQFAQ   HledatHledat   Uživatelské skupinyUživatelské skupiny   ProfilProfil   Soukromé zprávySoukromé zprávy   PřihlášeníPřihlášení 

snížení-odečtení síťového napětí trafem
Jdi na stránku Předchozí  1, 2, 3, 4
 
Přidat nové téma   Zaslat odpověď       Obsah fóra Diskuzní fórum Elektro Bastlírny -> Poradna
Zobrazit předchozí téma :: Zobrazit následující téma  
Autor Zpráva
danhard



Založen: Mar 05, 2007
Příspěvky: 6465
Bydliště: Jesenice u Prahy

PříspěvekZaslal: út březen 04 2025, 15:27    Předmět: Citovat

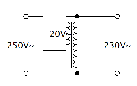
Protože je tam na vstupu více, než je nominální napětí primáru, tak se zapojí sekundár do serie tak, aby se to chovalo jako autotransformátor, vstup je na to přičtené vinutí a snížený výstup je z odbočky.
Návrat nahoru
Zobrazit informace o autorovi Odeslat soukromou zprávu Odeslat e-mail
masar



Založen: Dec 03, 2005
Příspěvky: 13885

PříspěvekZaslal: út březen 04 2025, 16:03    Předmět: Citovat

To je správná připomínka. Jinak by přepětím trpělo i trafo.
Wink



snížení přepětí.png
 Komentář:
 Velikost:  5.42 kB
 Zobrazeno:  22 krát

snížení přepětí.png


Návrat nahoru
Zobrazit informace o autorovi Odeslat soukromou zprávu Odeslat e-mail
hajeklubos



Založen: May 01, 2008
Příspěvky: 878
Bydliště: Praha 5

PříspěvekZaslal: út březen 04 2025, 16:04    Předmět: Citovat

Můžeš upřesnit v čem je výchozí problém? Co vlastně řešíš. Jaký je důvod pro snížení průtoku?
Luboš
Návrat nahoru
Zobrazit informace o autorovi Odeslat soukromou zprávu
Mahoney



Založen: Oct 26, 2019
Příspěvky: 671

PříspěvekZaslal: út březen 04 2025, 17:53    Předmět: Citovat

Životnost řeší. Ty Grundfosy musí jet na nominálu.
Návrat nahoru
Zobrazit informace o autorovi Odeslat soukromou zprávu
danhard



Založen: Mar 05, 2007
Příspěvky: 6465
Bydliště: Jesenice u Prahy

PříspěvekZaslal: út březen 04 2025, 17:58    Předmět: Citovat

Stačí to přepnout na nižší otáčky a je to stejný Very Happy
Návrat nahoru
Zobrazit informace o autorovi Odeslat soukromou zprávu Odeslat e-mail
mi-ro



Založen: Feb 08, 2005
Příspěvky: 8626
Bydliště: rovina u Kolína

PříspěvekZaslal: út březen 04 2025, 19:18    Předmět: Citovat

Taky si myslím že přepnutím na nižší výkon jen připojuješ další vinutí statoru.
_________________
..to bude jen ňákej odpůrek
Návrat nahoru
Zobrazit informace o autorovi Odeslat soukromou zprávu Odeslat e-mail
masar



Založen: Dec 03, 2005
Příspěvky: 13885

PříspěvekZaslal: út březen 04 2025, 20:16    Předmět: Citovat

Ne tak docela.
Žádná část vinutí nezůstává "v luftě", takže přepětím jsou namáhána všechna vinutí i když se výkon/otáčky snižují.
Tohle je schema obdobného čerpadla Wilo:

Záleží na uživateli, zda se s takovým řešením spokojí.
Wink
Návrat nahoru
Zobrazit informace o autorovi Odeslat soukromou zprávu Odeslat e-mail
danhard



Založen: Mar 05, 2007
Příspěvky: 6465
Bydliště: Jesenice u Prahy

PříspěvekZaslal: st březen 05 2025, 14:41    Předmět: Citovat

U různejch čínskejch větráků to bývá tak, že je to asynchronní motor se závitem nakrátko a otáčky se řídí odbočkami "délkou" vinutí statoru.
Co se týče životnosti, tak závit nakrátko je na tom trochu lépe, než kondenzátor pomocné fáze Very Happy
Návrat nahoru
Zobrazit informace o autorovi Odeslat soukromou zprávu Odeslat e-mail
Zobrazit příspěvky z předchozích:   
Přidat nové téma   Zaslat odpověď       Obsah fóra Diskuzní fórum Elektro Bastlírny -> Poradna Časy uváděny v GMT + 1 hodina
Jdi na stránku Předchozí  1, 2, 3, 4
Strana 4 z 4

 
Přejdi na:  
Nemůžete odesílat nové téma do tohoto fóra.
Nemůžete odpovídat na témata v tomto fóru.
Nemůžete upravovat své příspěvky v tomto fóru.
Nemůžete mazat své příspěvky v tomto fóru.
Nemůžete hlasovat v tomto fóru.
Nemůžete připojovat soubory k příspěvkům
Můžete stahovat a prohlížet přiložené soubory

Powered by phpBB © 2001, 2005 phpBB Group
Forums ©
Nuke - Elektro Bastlirna

Informace na portálu Elektro bastlírny jsou prezentovány za účelem vzdělání čtenářů a rozšíření zájmu o elektroniku. Autoři článků na serveru neberou žádnou zodpovědnost za škody vzniklé těmito zapojeními. Rovněž neberou žádnou odpovědnost za případnou újmu na zdraví vzniklou úrazem elektrickým proudem. Autoři a správci těchto stránek nepřejímají záruku za správnost zveřejněných materiálů. Předkládané informace a zapojení jsou zveřejněny bez ohledu na případné patenty třetích osob. Nároky na odškodnění na základě změn, chyb nebo vynechání jsou zásadně vyloučeny. Všechny registrované nebo jiné obchodní známky zde použité jsou majetkem jejich vlastníků. Uvedením nejsou zpochybněna z toho vyplývající vlastnická práva. Použití konstrukcí v rozporu se zákonem je přísně zakázáno. Vzhledem k tomu, že původ předkládaných materiálů nelze žádným způsobem dohledat, nelze je použít pro komerční účely! Tento nekomerční server nemá z uvedených zapojení či konstrukcí žádný zisk. Nezodpovídáme za pravost předkládaných materiálů třetími osobami a jejich původ. V případě, že zjistíte porušení autorského práva či jiné nesrovnalosti, kontaktujte administrátory na diskuzním fóru EB.


PHP-Nuke Copyright © 2005 by Francisco Burzi. This is free software, and you may redistribute it under the GPL. PHP-Nuke comes with absolutely no warranty, for details, see the license.
Čas potřebný ke zpracování stránky 0.59 sekund