Vítejte na Elektro Bastlírn?
Nuke - Elektro Bastlirna
  Vytvořit účet Hlavní · Fórum · DDump · Profil · Zprávy · Hledat na fóru · Příspěvky na provoz EB

Vlákno na téma KORONAVIRUS - nutná registrace


Nuke - Elektro Bastlirna: Diskuzní fórum

 FAQFAQ   HledatHledat   Uživatelské skupinyUživatelské skupiny   ProfilProfil   Soukromé zprávySoukromé zprávy   PřihlášeníPřihlášení 

snížení-odečtení síťového napětí trafem
Jdi na stránku 1, 2, 3, 4  Další
 
Přidat nové téma   Zaslat odpověď       Obsah fóra Diskuzní fórum Elektro Bastlírny -> Poradna
Zobrazit předchozí téma :: Zobrazit následující téma  
Autor Zpráva
bc546



Založen: Jun 25, 2021
Příspěvky: 94

PříspěvekZaslal: po březen 03 2025, 6:50    Předmět: snížení-odečtení síťového napětí trafem Citovat

Ahoj všem,
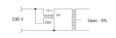
na chatě mám trvalé síťové napětí na horní hranici kolem 250V. Potřeboval bych ho trochu snížit pro oběhové čerpadlo vody (grundfos s rozběhovým kondenzátorem, cca 90W). Dá se to udělat pomocí druhého trafa a odečtením napětí viz obrázek?

Cílem by mělo být snížení příkonu a průtoku.



trafoodecist.png
 Komentář:
 Velikost:  4.88 kB
 Zobrazeno:  46 krát

trafoodecist.png



trafoodecist2.png
 Komentář:
 Velikost:  7.89 kB
 Zobrazeno:  44 krát

trafoodecist2.png


Návrat nahoru
Zobrazit informace o autorovi Odeslat soukromou zprávu
samec



Založen: Dec 19, 2017
Příspěvky: 5915

PříspěvekZaslal: po březen 03 2025, 7:30    Předmět: Citovat

Znížiť takto napätie sa dá. Ale výkon ani prietok tak neznížiš. Nedávno sa to tu riešilo.
http://www.ebastlirna.cz/modules.php?name=Forums&file=viewtopic&t=107540
Návrat nahoru
Zobrazit informace o autorovi Odeslat soukromou zprávu
EKKAR



Založen: Mar 16, 2005
Příspěvky: 34790
Bydliště: Česká Třebová, JN89FW21

PříspěvekZaslal: po březen 03 2025, 7:42    Předmět: Citovat

samec napsal(a):
Znížiť takto napätie sa dá. Ale výkon ani prietok tak neznížiš. ....
Samečku samečku, kdybys aspoň nekecal. Tady nejde o nějakou regulaci na 50% průtoku, tady se jedná o případ snížení síťovýho přepětí na jeho NOMINÁLNÍ HODNOTU, aby motor čerpadla nebyl přetěžovanej - protože při trvalým přepětí ten motor skutečně odebírá vyšší příkon. Takže ano, odečtením sekundárního napětí toho malýho tráfka od nechtěně zvýšenýho síťovýho se sníží i odebíranej příkon čerpadlem PROTI STÁVAJÍCÍMU STAVU - na nominální hodnotu odpovídající napájení nominálním napětím.
_________________
Nasliněný prst na svorkovnici domovního rozvaděče: Jó, paninko, máte tam ty Voltíky všecky...
A kutilmile - nelituju tě Mr. Green Mr. Green !!!
Návrat nahoru
Zobrazit informace o autorovi Odeslat soukromou zprávu Odeslat e-mail
bc546



Založen: Jun 25, 2021
Příspěvky: 94

PříspěvekZaslal: po březen 03 2025, 7:45    Předmět: Citovat

a jak dimenzovat takové trafo? Jak spočítat?
Návrat nahoru
Zobrazit informace o autorovi Odeslat soukromou zprávu
Lukas-Peca



Založen: May 06, 2007
Příspěvky: 4408
Bydliště: Zlín

PříspěvekZaslal: po březen 03 2025, 8:21    Předmět: Citovat

Dovolený proud sekundárního vinutí nesmí být menší než proudový odběr spotřebiče, to je vše.
Návrat nahoru
Zobrazit informace o autorovi Odeslat soukromou zprávu Zobrazit autorovy WWW stránky
samec



Založen: Dec 19, 2017
Příspěvky: 5915

PříspěvekZaslal: po březen 03 2025, 8:36    Předmět: Citovat

EKKAR, zle si sa vyspal, či si ešte nemal kávu? Skús si to všetko prečítať ešte raz a s porozumením. Wink
Návrat nahoru
Zobrazit informace o autorovi Odeslat soukromou zprávu
p32



Založen: Jan 13, 2007
Příspěvky: 16527
Bydliště: Olomouc

PříspěvekZaslal: po březen 03 2025, 8:57    Předmět: Citovat

samec napsal(a):
Znížiť takto napätie sa dá. Ale výkon ani prietok tak neznížiš. Nedávno sa to tu riešilo.
http://www.ebastlirna.cz/modules.php?name=Forums&file=viewtopic&t=107540
Ale ty přirovnáváš k sobě dvě naprosto neslučitelné věci.

Zjednodušeně: P = U x I
starý výkon = staré napětí (250 V) x starý proud (např. 2 A) = 500 W
nový výkon = nové napětí (230 V) x starý proud (např. 2 A) = 460 W

Menší výkon = menší průtok
Nebo to mám taky špatně? Laughing
Návrat nahoru
Zobrazit informace o autorovi Odeslat soukromou zprávu
hajeklubos



Založen: May 01, 2008
Příspěvky: 878
Bydliště: Praha 5

PříspěvekZaslal: po březen 03 2025, 8:58    Předmět: Citovat

Šel bych na problém trochu jinak. Změřil bych napětí sítě v různou dobu a měřákem který tutově nekecá. Dále bych změřil proud čerpadla a porovnal jestli nepřesahuje parametry výrobce a motor není přetěžován nadproudem.
Nemyslím si že o 12V vyšší napětí na motoru vadí. Je to jenom motor. Přešli jsme z 220V na 230V a všechny motory chodí. Třeba je ve finále slabé čerpadlo, to nedokážu posoudit. Trafo je další hejble další pojistky a vůbec vopruz s instalací. Co tazatel vlastně řeší. Čerpadlo moc hřeje nebo blbě tlačí neuvedl.
Luboš
Návrat nahoru
Zobrazit informace o autorovi Odeslat soukromou zprávu
Lukas-Peca



Založen: May 06, 2007
Příspěvky: 4408
Bydliště: Zlín

PříspěvekZaslal: po březen 03 2025, 9:18    Předmět: Citovat

Tazatel píše, že cílem je snížení průtoku. Toho s trafem nedosáhne, protože v čerpadle je střídavý motor, jehož otáčky jsou úměrné frekvenci sítě. S menším napětím možná motor bude pracovat s větším skluzem, takže otáčky budou nižší, ale nejspíš jen nepatrně.
Návrat nahoru
Zobrazit informace o autorovi Odeslat soukromou zprávu Zobrazit autorovy WWW stránky
Hill
Administrátor


Založen: Sep 10, 2004
Příspěvky: 20893
Bydliště: Jičín, Český ráj

PříspěvekZaslal: po březen 03 2025, 9:57    Předmět: Citovat

Je to tak.
Ještě to můžu upřesnit s tím, že podle MEZu se chová asynchronní motor tak, že při zvýšení napětí o 10 % stoupne jeho příkon o 3,5 % a výkon o 2 %, otáčky stoupnou o asi 1,5 %, protože se zvyšováním otáček stoupne i potřebný moment na čerpadle.
Tedy nějaké snížení napájecího napětí o 5 % se prakticky nepozná, protože v rozsahu napětí ±5 % kolem jmenovitého napájecího napětí jsou charakteristiky motoru téměř ploché.
Naproti tomu dlouhodobé snížení napětí o 20 % už se může motoru nelíbit, protože při stejném momentu i otáčkách mu vzroste proudový odběr o 40 - 45 %, takový proud už může ohřívat vinutí (na jeho ohmickém odporu) poněkud víc. Otáčky přitom klesnou jen asi o 2,5 %.
To platí pro motor s běhovým kondenzátorem.
Motory s rozběhovým kondenzátorem a motory s posuvem fáze stíněnými póly se chovají podobně, i když zrovna při rozběhu jsou rozdíly větší, za chodu už ne.

Na příkonu čerpadla se daleko víc projeví jeho mechanické zatížení, jaký rozdíl tlaků musí čerpadlo překonávat (například přiškrcené ventily radiátorů, regulace třícestným ventilem do obtoku a podobně).
Přesněji to můžeš zjistit jen měřením chování čerpadla v konkrétních podmínkách.
Jestli vadí přílišný průtok, bude třeba seřídit bypass čerpadla (nebo ho udělat), případně napájet čerpadlo přes frekvenční měnič. Konečně Grundfoss nabízí čerpadla i s měničem, dokonce i s funkcí Autoadapt, že si průběžně umí upravit otáčky podle poměrů v topné soustavě. Ale to už je jiná cenová kategorie.


Naposledy upravil Hill dne po březen 03 2025, 10:04, celkově upraveno 1 krát.
Návrat nahoru
Zobrazit informace o autorovi Odeslat soukromou zprávu
samec



Založen: Dec 19, 2017
Příspěvky: 5915

PříspěvekZaslal: po březen 03 2025, 9:58    Předmět: Citovat

p32 napsal(a):
Nebo to mám taky špatně? Laughing
Áno, máš to špatně. Odpoveď máš v tom druhom vlákne, čo som sem nalinkoval. A schválne som napísal výkon, nie príkon.
Návrat nahoru
Zobrazit informace o autorovi Odeslat soukromou zprávu
bc546



Založen: Jun 25, 2021
Příspěvky: 94

PříspěvekZaslal: po březen 03 2025, 10:27    Předmět: Citovat

Hill: díky, tak to je vyčerpávající vysvětlení, takže řešení s trafem je slepá ulička.
Návrat nahoru
Zobrazit informace o autorovi Odeslat soukromou zprávu
p32



Založen: Jan 13, 2007
Příspěvky: 16527
Bydliště: Olomouc

PříspěvekZaslal: po březen 03 2025, 10:48    Předmět: Citovat

samec napsal(a):
p32 napsal(a):
Nebo to mám taky špatně? Laughing
Áno, máš to špatně. Odpoveď máš v tom druhom vlákne, čo som sem nalinkoval. A schválne som napísal výkon, nie príkon.
Ale jdi. Laughing
Opravdu se to sníží, ale jestli to má vůbec smysl, tak to popsal Hill. A přiznám se, že jsem nezaregistroval, že jde jen o 90W. Tam je to ještě víc vidět, že to nemá smysl.
Návrat nahoru
Zobrazit informace o autorovi Odeslat soukromou zprávu
ransom



Založen: Jul 19, 2020
Příspěvky: 3614
Bydliště: Náchod

PříspěvekZaslal: po březen 03 2025, 10:53    Předmět: Citovat

Pokud by šlo jenom o snížení průtoku, není problém přiškrtit výstup čerpadla.
(Ne, u odstředivého čerpadla se opravdu nezvýší zátěž.)

_________________
Nepoužívám smajlíky. Pobavený nebo ironický tón si laskavě domyslete sami.
Návrat nahoru
Zobrazit informace o autorovi Odeslat soukromou zprávu
bc546



Založen: Jun 25, 2021
Příspěvky: 94

PříspěvekZaslal: po březen 03 2025, 11:11    Předmět: Citovat

ransom: ten grundfos oběhový je tedy typ odstředivý? Řeším takovou záhadu, připisoval jsem to tomu zvýšenému síťovému napětí, že příkon naprázdno odpovídá štítku (65W) ale reálný příkon (s vodou v systému) je 93W.
Návrat nahoru
Zobrazit informace o autorovi Odeslat soukromou zprávu
Zobrazit příspěvky z předchozích:   
Přidat nové téma   Zaslat odpověď       Obsah fóra Diskuzní fórum Elektro Bastlírny -> Poradna Časy uváděny v GMT + 1 hodina
Jdi na stránku 1, 2, 3, 4  Další
Strana 1 z 4

 
Přejdi na:  
Nemůžete odesílat nové téma do tohoto fóra.
Nemůžete odpovídat na témata v tomto fóru.
Nemůžete upravovat své příspěvky v tomto fóru.
Nemůžete mazat své příspěvky v tomto fóru.
Nemůžete hlasovat v tomto fóru.
Nemůžete připojovat soubory k příspěvkům
Můžete stahovat a prohlížet přiložené soubory

Powered by phpBB © 2001, 2005 phpBB Group
Forums ©
Nuke - Elektro Bastlirna

Informace na portálu Elektro bastlírny jsou prezentovány za účelem vzdělání čtenářů a rozšíření zájmu o elektroniku. Autoři článků na serveru neberou žádnou zodpovědnost za škody vzniklé těmito zapojeními. Rovněž neberou žádnou odpovědnost za případnou újmu na zdraví vzniklou úrazem elektrickým proudem. Autoři a správci těchto stránek nepřejímají záruku za správnost zveřejněných materiálů. Předkládané informace a zapojení jsou zveřejněny bez ohledu na případné patenty třetích osob. Nároky na odškodnění na základě změn, chyb nebo vynechání jsou zásadně vyloučeny. Všechny registrované nebo jiné obchodní známky zde použité jsou majetkem jejich vlastníků. Uvedením nejsou zpochybněna z toho vyplývající vlastnická práva. Použití konstrukcí v rozporu se zákonem je přísně zakázáno. Vzhledem k tomu, že původ předkládaných materiálů nelze žádným způsobem dohledat, nelze je použít pro komerční účely! Tento nekomerční server nemá z uvedených zapojení či konstrukcí žádný zisk. Nezodpovídáme za pravost předkládaných materiálů třetími osobami a jejich původ. V případě, že zjistíte porušení autorského práva či jiné nesrovnalosti, kontaktujte administrátory na diskuzním fóru EB.


PHP-Nuke Copyright © 2005 by Francisco Burzi. This is free software, and you may redistribute it under the GPL. PHP-Nuke comes with absolutely no warranty, for details, see the license.
Čas potřebný ke zpracování stránky 0.32 sekund