Vítejte na Elektro Bastlírn?
Nuke - Elektro Bastlirna
  Vytvořit účet Hlavní · Fórum · DDump · Profil · Zprávy · Hledat na fóru · Příspěvky na provoz EB

Vlákno na téma KORONAVIRUS - nutná registrace


Nuke - Elektro Bastlirna: Diskuzní fórum

 FAQFAQ   HledatHledat   Uživatelské skupinyUživatelské skupiny   ProfilProfil   Soukromé zprávySoukromé zprávy   PřihlášeníPřihlášení 

Tuner SONY ST-S170 a jiné, paměť ?

 
Přidat nové téma   Zaslat odpověď       Obsah fóra Diskuzní fórum Elektro Bastlírny -> Audiotechnika
Zobrazit předchozí téma :: Zobrazit následující téma  
Autor Zpráva
jardafiala



Založen: Jun 20, 2010
Příspěvky: 2441
Bydliště: Česká Lípa

PříspěvekZaslal: pá únor 28 2025, 9:30    Předmět: Tuner SONY ST-S170 a jiné, paměť ? Citovat

Jak funguje u takovýchto tunerů paměť po vypnutí? Starší mívaly supercap nebo baterku. Tady je procesor s vnitřní pamětí a nepotřebuje k zapamatování napájení ?
Návrat nahoru
Zobrazit informace o autorovi Odeslat soukromou zprávu Odeslat e-mail
Ivan_01



Založen: Sep 15, 2018
Příspěvky: 1404
Bydliště: BB SK

PříspěvekZaslal: pá únor 28 2025, 9:46    Předmět: Citovat

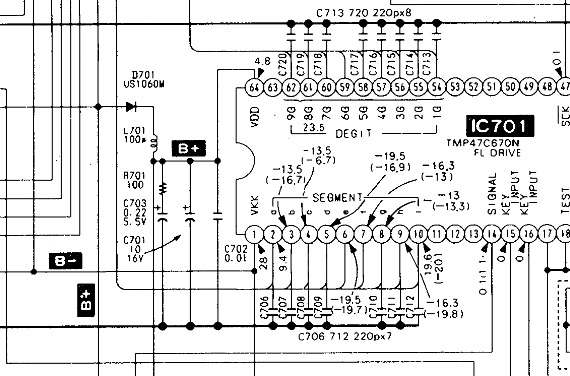
podľa SM je tam Supercap C703, 0,22F 5,5V


Sony.jpg
 Komentář:
 Velikost:  95.94 kB
 Zobrazeno:  94 krát

Sony.jpg


Návrat nahoru
Zobrazit informace o autorovi Odeslat soukromou zprávu
rnbw



Založen: Mar 21, 2006
Příspěvky: 36889
Bydliště: Bratislava

PříspěvekZaslal: pá únor 28 2025, 10:14    Předmět: Citovat

Ano, procesor TMP47C670 nema EEPROM. Len RAM, zalohovanu tym C703.
Návrat nahoru
Zobrazit informace o autorovi Odeslat soukromou zprávu
Ivan_01



Založen: Sep 15, 2018
Příspěvky: 1404
Bydliště: BB SK

PříspěvekZaslal: pá únor 28 2025, 10:18    Předmět: Citovat

čo som sa stretol, tak Sony tunery to nedokázali držať dlhodobo ani s novovymeneným supercapom, max 10 - 20 minút. Namiesto kondu daj do držiačiku CR2032 a diódu a máš naveky pokoj
Návrat nahoru
Zobrazit informace o autorovi Odeslat soukromou zprávu
jardafiala



Založen: Jun 20, 2010
Příspěvky: 2441
Bydliště: Česká Lípa

PříspěvekZaslal: pá únor 28 2025, 11:40    Předmět: Citovat

Dík, tuhle část jsem prohlížel, hledal tu velkou kapacitu a uniklo mi to...
Návrat nahoru
Zobrazit informace o autorovi Odeslat soukromou zprávu Odeslat e-mail
jardafiala



Založen: Jun 20, 2010
Příspěvky: 2441
Bydliště: Česká Lípa

PříspěvekZaslal: po březen 03 2025, 11:51    Předmět: Citovat

Nebudu zakládat nové vlákno tak se zeptá tady - jak je tomu u věží PANASOVIC třeba SA AK 17 SA AK 230, tam je taky velký kondenzátor?
Návrat nahoru
Zobrazit informace o autorovi Odeslat soukromou zprávu Odeslat e-mail
JirkaZ



Založen: Feb 26, 2021
Příspěvky: 3730

PříspěvekZaslal: po březen 03 2025, 12:39    Předmět: Citovat

Do schématu ses nedíval?
_________________
Kdo chce, hledá způsob;
kdo ne - hledá důvod.

Ze dvou možností často volím tu třetí.
Návrat nahoru
Zobrazit informace o autorovi Odeslat soukromou zprávu
Ivan_01



Založen: Sep 15, 2018
Příspěvky: 1404
Bydliště: BB SK

PříspěvekZaslal: po březen 03 2025, 13:13    Předmět: Citovat

konkrétne v SA-AK17 je použitý M38198MCA824 a ten má vnútornú EPROM, takže tam zálohovanie nieje nutné
Návrat nahoru
Zobrazit informace o autorovi Odeslat soukromou zprávu
rnbw



Založen: Mar 21, 2006
Příspěvky: 36889
Bydliště: Bratislava

PříspěvekZaslal: po březen 03 2025, 13:19    Předmět: Citovat

Nema.
Návrat nahoru
Zobrazit informace o autorovi Odeslat soukromou zprávu
Zobrazit příspěvky z předchozích:   
Přidat nové téma   Zaslat odpověď       Obsah fóra Diskuzní fórum Elektro Bastlírny -> Audiotechnika Časy uváděny v GMT + 1 hodina
Strana 1 z 1

 
Přejdi na:  
Nemůžete odesílat nové téma do tohoto fóra.
Nemůžete odpovídat na témata v tomto fóru.
Nemůžete upravovat své příspěvky v tomto fóru.
Nemůžete mazat své příspěvky v tomto fóru.
Nemůžete hlasovat v tomto fóru.
Nemůžete připojovat soubory k příspěvkům
Můžete stahovat a prohlížet přiložené soubory

Powered by phpBB © 2001, 2005 phpBB Group
Forums ©
Nuke - Elektro Bastlirna

Informace na portálu Elektro bastlírny jsou prezentovány za účelem vzdělání čtenářů a rozšíření zájmu o elektroniku. Autoři článků na serveru neberou žádnou zodpovědnost za škody vzniklé těmito zapojeními. Rovněž neberou žádnou odpovědnost za případnou újmu na zdraví vzniklou úrazem elektrickým proudem. Autoři a správci těchto stránek nepřejímají záruku za správnost zveřejněných materiálů. Předkládané informace a zapojení jsou zveřejněny bez ohledu na případné patenty třetích osob. Nároky na odškodnění na základě změn, chyb nebo vynechání jsou zásadně vyloučeny. Všechny registrované nebo jiné obchodní známky zde použité jsou majetkem jejich vlastníků. Uvedením nejsou zpochybněna z toho vyplývající vlastnická práva. Použití konstrukcí v rozporu se zákonem je přísně zakázáno. Vzhledem k tomu, že původ předkládaných materiálů nelze žádným způsobem dohledat, nelze je použít pro komerční účely! Tento nekomerční server nemá z uvedených zapojení či konstrukcí žádný zisk. Nezodpovídáme za pravost předkládaných materiálů třetími osobami a jejich původ. V případě, že zjistíte porušení autorského práva či jiné nesrovnalosti, kontaktujte administrátory na diskuzním fóru EB.


PHP-Nuke Copyright © 2005 by Francisco Burzi. This is free software, and you may redistribute it under the GPL. PHP-Nuke comes with absolutely no warranty, for details, see the license.
Čas potřebný ke zpracování stránky 0.43 sekund