Vítejte na Elektro Bastlírn?
Nuke - Elektro Bastlirna
  Vytvořit účet Hlavní · Fórum · DDump · Profil · Zprávy · Hledat na fóru · Příspěvky na provoz EB

Vlákno na téma KORONAVIRUS - nutná registrace


Nuke - Elektro Bastlirna: Diskuzní fórum

 FAQFAQ   HledatHledat   Uživatelské skupinyUživatelské skupiny   ProfilProfil   Soukromé zprávySoukromé zprávy   PřihlášeníPřihlášení 

NJM 13600 k čemu se používá?
Jdi na stránku 1, 2  Další
 
Přidat nové téma   Zaslat odpověď       Obsah fóra Diskuzní fórum Elektro Bastlírny -> Součástky
Zobrazit předchozí téma :: Zobrazit následující téma  
Autor Zpráva
mi-ro



Založen: Feb 08, 2005
Příspěvky: 8624
Bydliště: rovina u Kolína

PříspěvekZaslal: st únor 19 2025, 17:14    Předmět: NJM 13600 k čemu se používá? Citovat

V jednom zařízení jsem našel osazení typem NJM 13600, údajně operační transcondukter? Přiznám se že jsem nic takového nepotkal. K čemu je to dobré?
_________________
..to bude jen ňákej odpůrek
Návrat nahoru
Zobrazit informace o autorovi Odeslat soukromou zprávu Odeslat e-mail
EKKAR



Založen: Mar 16, 2005
Příspěvky: 34827
Bydliště: Česká Třebová, JN89FW21

PříspěvekZaslal: st únor 19 2025, 17:23    Předmět: Citovat

Operační zešilovač řízenej ne napětím, ale velikostí vstupního proudu. Vím, že existuje ještě typ 13700, viděl jsem s ním jeden jedinej plánek - digitální měřič L a C, kde se uvedenej transkonduktanční zešilovač využívá v roli analogový čtyřkvadrantový násobičky. Vyšlo to někdy v "osmdesátkách" v tehdejším Amáru.
_________________
Nasliněný prst na svorkovnici domovního rozvaděče: Jó, paninko, máte tam ty Voltíky všecky...
A kutilmile - nelituju tě Mr. Green Mr. Green !!!
Návrat nahoru
Zobrazit informace o autorovi Odeslat soukromou zprávu Odeslat e-mail
ferdislav



Založen: Aug 15, 2011
Příspěvky: 1249
Bydliště: Mostecko

PříspěvekZaslal: st únor 19 2025, 18:03    Předmět: Citovat

Třeba napětím řízené filtry,zesilovače... se s tím dělají...
Návrat nahoru
Zobrazit informace o autorovi Odeslat soukromou zprávu
Sendyx



Založen: Jun 05, 2005
Příspěvky: 12487
Bydliště: Ostrava

PříspěvekZaslal: čt únor 20 2025, 20:09    Předmět: Citovat

.. a taky limitéry, kompresory a spol. Podobně jako CA3094.
_________________
Curvetraceristé všech zemí spojte se!
Návrat nahoru
Zobrazit informace o autorovi Odeslat soukromou zprávu
mi-ro



Založen: Feb 08, 2005
Příspěvky: 8624
Bydliště: rovina u Kolína

PříspěvekZaslal: čt únor 20 2025, 20:37    Předmět: Citovat

Limitér? To bude možná zrovna tady. Je na vstupu jednoho ze čtyř kanálů NF koncáku 4x100W/240W. Bylo to v racku jako požární rozhlas. Schema KS mám (JEDIA/Mnacor 4240) ale to jsou verze s klasickými XLR. Ale tady je na vstupech nějaká "požární" logika a mezi operáky i 13600. A já stále nvm co tam zastává.
_________________
..to bude jen ňákej odpůrek
Návrat nahoru
Zobrazit informace o autorovi Odeslat soukromou zprávu Odeslat e-mail
EKKAR



Založen: Mar 16, 2005
Příspěvky: 34827
Bydliště: Česká Třebová, JN89FW21

PříspěvekZaslal: čt únor 20 2025, 22:42    Předmět: Citovat

No právě zrovna jako limitér může u těch vstupů vyrovnávat různý signálový úrovně z vícero vstupů na stejnou budicí úroveň výkonovýho stupně - aby prostě všecky hlášení zněly stejně hlasitě ...
_________________
Nasliněný prst na svorkovnici domovního rozvaděče: Jó, paninko, máte tam ty Voltíky všecky...
A kutilmile - nelituju tě Mr. Green Mr. Green !!!
Návrat nahoru
Zobrazit informace o autorovi Odeslat soukromou zprávu Odeslat e-mail
ZVUK2000



Založen: Apr 22, 2012
Příspěvky: 4402
Bydliště: Karvinsko

PříspěvekZaslal: pá únor 21 2025, 7:13    Předmět: Citovat

mi-ro napsal(a):
Je na vstupu jednoho ze čtyř kanálů NF koncáku 4x100W/240W. Bylo to v racku jako požární rozhlas.

Mělo být toto. jen je tam jeho klon JRC 13600



NJM 13600.jpg
 Komentář:
 Velikost:  119.49 kB
 Zobrazeno:  55 krát

NJM 13600.jpg


Návrat nahoru
Zobrazit informace o autorovi Odeslat soukromou zprávu Odeslat e-mail
ZVUK2000



Založen: Apr 22, 2012
Příspěvky: 4402
Bydliště: Karvinsko

PříspěvekZaslal: pá únor 21 2025, 7:14    Předmět: Citovat

Nebo tato varianta.


JRC 13600.jpg
 Komentář:
 Velikost:  126.26 kB
 Zobrazeno:  44 krát

JRC 13600.jpg


Návrat nahoru
Zobrazit informace o autorovi Odeslat soukromou zprávu Odeslat e-mail
mi-ro



Založen: Feb 08, 2005
Příspěvky: 8624
Bydliště: rovina u Kolína

PříspěvekZaslal: pá únor 21 2025, 8:20    Předmět: Citovat

Ano, to jsou ty moduly. Je tam do toho nějak zadrátovaný nucený poslech, prioritní vstupy a možná i tel linka. Nevím, schéma k této kartě nemám. Kdyby bylo, možná by se dala ta 13600 předrátovat na obyčejný limiter linkového vstupu. K původní aplikaci jako požární rozhlas už to stejně nikdy nebude.
_________________
..to bude jen ňákej odpůrek
Návrat nahoru
Zobrazit informace o autorovi Odeslat soukromou zprávu Odeslat e-mail
ransom



Založen: Jul 19, 2020
Příspěvky: 3640
Bydliště: Náchod

PříspěvekZaslal: pá únor 21 2025, 11:26    Předmět: Citovat

Limiter/kompresor se používá hlavně u mikrofonního vstupu, aby byla slyšet tichá řeč a aby ho nepřeřvala hlasitá. U linkových zdrojů je zbytečnej.
_________________
Nepoužívám smajlíky. Pobavený nebo ironický tón si laskavě domyslete sami.
Návrat nahoru
Zobrazit informace o autorovi Odeslat soukromou zprávu
ZVUK2000



Založen: Apr 22, 2012
Příspěvky: 4402
Bydliště: Karvinsko

PříspěvekZaslal: pá únor 21 2025, 15:39    Předmět: Citovat

Pokusím o víkendu najít od těch modulů schéma. Bude to staré asi čtvrt století, ale cosi vzpomínám tak každý zesilovač má dva symetrické vstupy +4dB. Při běžném provozu je aktivní tzv. vstup PGM . Co je třeba podslechová hudba. Druhý vstup PRI je prioritní a je ovládán centrální jednotkou (při aktivaci jsou vstupy PGM blokovány) na kterou je zapojena požární hláška s evakuačním mikrofonem pro řízení evakuace (mikrofon je při běžném provozu blokován), pak mikrofon s výběrem do kterého zesilovače (100V zóny) chceme hovořit, nebo telefonní peaging. V případě aktivace EPS je mikrofon s výběrem zón a telefonního hlášení blokované. Ta 13600 je myslím zapojena právě do vstupu PRI. Tak jak to myslel EKKAR.
Návrat nahoru
Zobrazit informace o autorovi Odeslat soukromou zprávu Odeslat e-mail
mi-ro



Založen: Feb 08, 2005
Příspěvky: 8624
Bydliště: rovina u Kolína

PříspěvekZaslal: pá únor 21 2025, 16:39    Předmět: Citovat

Tomáši (ransom), já už teď dělám převážně 100V zvučení závodních okruhů a podobných motoristických akcí. Moderace je 99% provozu, zbytek jsou hymny, znělky a tak můžu mít limitér přímo na vstupu koncáku. Proto ten dotaz. Hodně používám 500W koncáky ADJ 636 z páteřních linek RPD mají taky limitér na vstupu a bezvadný!! Bez něho byl těžko dynamiku moderátorů vyrovnával.
_________________
..to bude jen ňákej odpůrek
Návrat nahoru
Zobrazit informace o autorovi Odeslat soukromou zprávu Odeslat e-mail
Milan_F



Založen: Oct 03, 2005
Příspěvky: 1765
Bydliště: nedaleko Humpolce

PříspěvekZaslal: so únor 22 2025, 22:13    Předmět: Citovat

EKKAR napsal(a):
Vím, že existuje ještě typ 13700, viděl jsem s ním jeden jedinej plánek - digitální měřič L a C...

Tos málo koukal... 13700 byl ještě v PEAR 2/2000 v konstrukci "Elektronické řízení hlasitosti".
Návrat nahoru
Zobrazit informace o autorovi Odeslat soukromou zprávu
mi-ro



Založen: Feb 08, 2005
Příspěvky: 8624
Bydliště: rovina u Kolína

PříspěvekZaslal: ne únor 23 2025, 8:38    Předmět: Citovat

Dík za odkaz, schéma jsem dohledal. A budu si hrát. Z LED indikace CLIP sejmu napětí a přes optočlen zkusím řídit zisk 13600. Což by mohlo jako limitér zafungovat.
_________________
..to bude jen ňákej odpůrek
Návrat nahoru
Zobrazit informace o autorovi Odeslat soukromou zprávu Odeslat e-mail
ZVUK2000



Založen: Apr 22, 2012
Příspěvky: 4402
Bydliště: Karvinsko

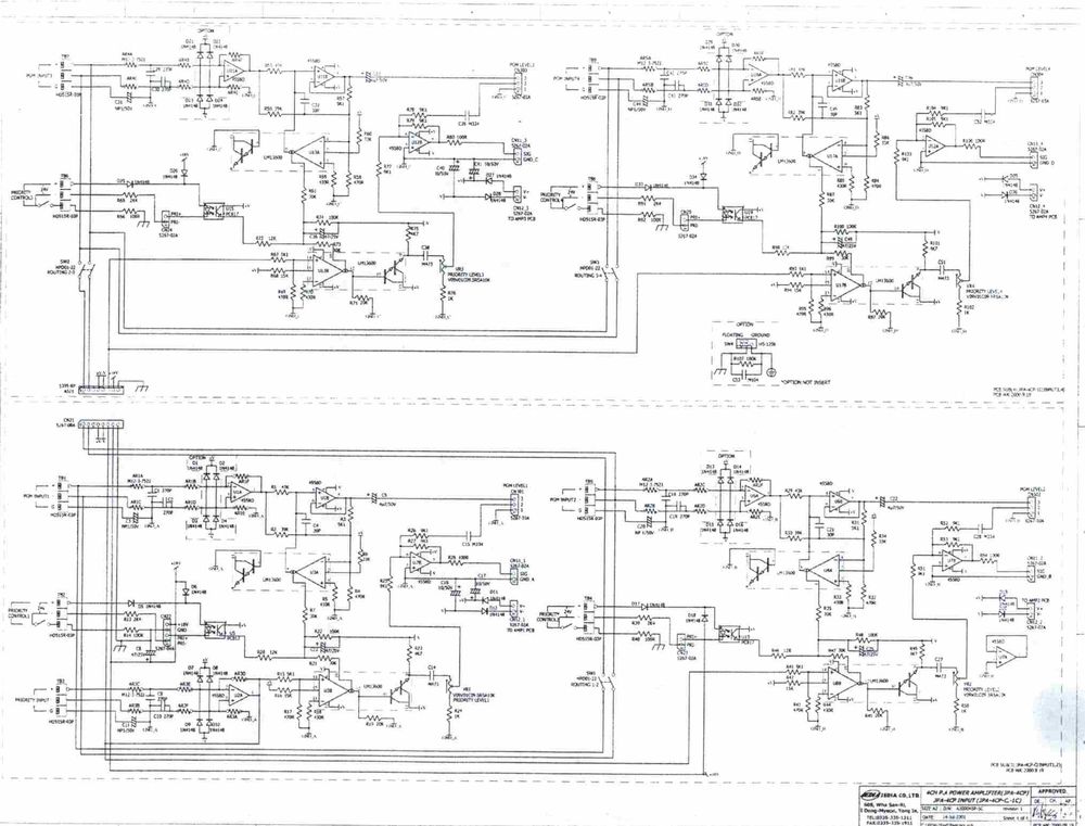
PříspěvekZaslal: po únor 24 2025, 13:49    Předmět: Citovat

ZVUK2000 napsal(a):
Pokusím o víkendu najít od těch modulů schéma.

Něco se našlo.



JRC 13600.jpg
 Komentář:
 Velikost:  128.59 kB
 Zobrazeno:  68 krát

JRC 13600.jpg


Návrat nahoru
Zobrazit informace o autorovi Odeslat soukromou zprávu Odeslat e-mail
Zobrazit příspěvky z předchozích:   
Přidat nové téma   Zaslat odpověď       Obsah fóra Diskuzní fórum Elektro Bastlírny -> Součástky Časy uváděny v GMT + 1 hodina
Jdi na stránku 1, 2  Další
Strana 1 z 2

 
Přejdi na:  
Nemůžete odesílat nové téma do tohoto fóra.
Nemůžete odpovídat na témata v tomto fóru.
Nemůžete upravovat své příspěvky v tomto fóru.
Nemůžete mazat své příspěvky v tomto fóru.
Nemůžete hlasovat v tomto fóru.
Nemůžete připojovat soubory k příspěvkům
Můžete stahovat a prohlížet přiložené soubory

Powered by phpBB © 2001, 2005 phpBB Group
Forums ©
Nuke - Elektro Bastlirna

Informace na portálu Elektro bastlírny jsou prezentovány za účelem vzdělání čtenářů a rozšíření zájmu o elektroniku. Autoři článků na serveru neberou žádnou zodpovědnost za škody vzniklé těmito zapojeními. Rovněž neberou žádnou odpovědnost za případnou újmu na zdraví vzniklou úrazem elektrickým proudem. Autoři a správci těchto stránek nepřejímají záruku za správnost zveřejněných materiálů. Předkládané informace a zapojení jsou zveřejněny bez ohledu na případné patenty třetích osob. Nároky na odškodnění na základě změn, chyb nebo vynechání jsou zásadně vyloučeny. Všechny registrované nebo jiné obchodní známky zde použité jsou majetkem jejich vlastníků. Uvedením nejsou zpochybněna z toho vyplývající vlastnická práva. Použití konstrukcí v rozporu se zákonem je přísně zakázáno. Vzhledem k tomu, že původ předkládaných materiálů nelze žádným způsobem dohledat, nelze je použít pro komerční účely! Tento nekomerční server nemá z uvedených zapojení či konstrukcí žádný zisk. Nezodpovídáme za pravost předkládaných materiálů třetími osobami a jejich původ. V případě, že zjistíte porušení autorského práva či jiné nesrovnalosti, kontaktujte administrátory na diskuzním fóru EB.


PHP-Nuke Copyright © 2005 by Francisco Burzi. This is free software, and you may redistribute it under the GPL. PHP-Nuke comes with absolutely no warranty, for details, see the license.
Čas potřebný ke zpracování stránky 0.24 sekund