Vítejte na Elektro Bastlírn?
Nuke - Elektro Bastlirna
  Vytvořit účet Hlavní · Fórum · DDump · Profil · Zprávy · Hledat na fóru · Příspěvky na provoz EB

Vlákno na téma KORONAVIRUS - nutná registrace


Nuke - Elektro Bastlirna: Diskuzní fórum

 FAQFAQ   HledatHledat   Uživatelské skupinyUživatelské skupiny   ProfilProfil   Soukromé zprávySoukromé zprávy   PřihlášeníPřihlášení 

Jednoduchý regulovaný zdroj - návod?
Jdi na stránku Předchozí  1, 2, 3, 4
 
Přidat nové téma   Zaslat odpověď       Obsah fóra Diskuzní fórum Elektro Bastlírny -> Řešení problémů s různými konstrukcemi
Zobrazit předchozí téma :: Zobrazit následující téma  
Autor Zpráva
lesana87



Založen: Sep 20, 2014
Příspěvky: 4144

PříspěvekZaslal: st leden 15 2025, 12:14    Předmět: Citovat

DukeNukem: Ale odpory v emitorech by tam byly dobrý, pokud nejsou ty 4 tranzistory vybíraný na shodu.
Návrat nahoru
Zobrazit informace o autorovi Odeslat soukromou zprávu
DukeNuke



Založen: Apr 02, 2018
Příspěvky: 1853

PříspěvekZaslal: st leden 15 2025, 12:54    Předmět: Citovat

To je správná připomínka. To vyřazuje KD501 a 2. KD503 má katalogově 80V, tak by se mohl vejít.
Návrat nahoru
Zobrazit informace o autorovi Odeslat soukromou zprávu
break



Založen: Apr 23, 2024
Příspěvky: 32

PříspěvekZaslal: st leden 15 2025, 18:16    Předmět: Citovat

Hezky mně strašíte. Finální osazení bude: trafo 48V/100VA - to by mělo dát SS max. 60V, T1= 2N5551 (160V), T2=KU612, T3=2N5401 (160V), T4=KUY12 (80V), P1=2W dráťák WN69170, P2 = tedy musím sehnat alespoň 1W.

KD503 mi bylo líto, poslouží do NF. Jinak samozřejmě testované přístroje nejdřív zkouším na zkrat - změřením odporu. Pouštím se jenom do těch typů co jsem popsal a obdobných. Při oživení do náhradní zátěže 50Ω/35W si budu všechno měřit - I i U a na zátěži budu držet prst. Za usměrňovač dám 2A pojistku. Náhodný zkrat by tak měl když tak zrušit halířový součástky a ne vyrazit topičovi v Temelíně lopatu z ruky.

Takže?

Těch 5 x 2N3055 mě láká - ale to je jiná liga. Až pokročím k AUJ tak možná Very Happy Very Happy Very Happy
Návrat nahoru
Zobrazit informace o autorovi Odeslat soukromou zprávu
vaclavpe



Založen: May 16, 2007
Příspěvky: 124
Bydliště: Rožnov p.R.

PříspěvekZaslal: čt leden 16 2025, 9:34    Předmět: Citovat

break napsal(a):
Hezky mně strašíte. Finální osazení bude: trafo 48V/100VA - to by mělo dát SS max. 60V...

Pozor, moc ti nevychází matika. 48*1.4 = 67V plus 10 procent rezerva je cca 75V. Takže tranzistory musí zvládat Ucbo minimálně 80V a to je raději předem změřit... Nebo se raději podívat po stovoltových.
Návrat nahoru
Zobrazit informace o autorovi Odeslat soukromou zprávu
DukeNuke



Založen: Apr 02, 2018
Příspěvky: 1853

PříspěvekZaslal: po leden 20 2025, 21:38    Předmět: Citovat

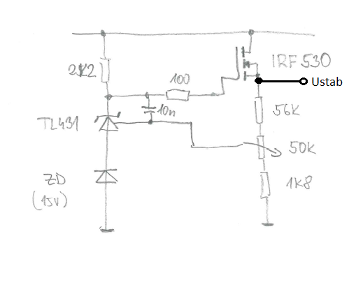
K jištění - nevidím moc smysl dávat pojistku, když má zdroj proudové omezení. A pokud už chceš něco kupovat, pak mám schémátko níže.
K tomu asi tolik:
TL431 je podepřená zenerkou, protože nesnese větší napětí než 36V. Tu musíš zvolit podle toho, kolik na ní potřebuješ srazit. Jestli máš napětí na kondu za graetzem 75V naprázdno, pak je potřeba aby na zenerce ubylo 40V. Můžeš dát dvě po 20V do serie. Já mám uvedeno 15V protože nemám zdroj, co by dal víc, než 36V. Šlo mi jen o to, zda to bude fungovat.
V uvedeném zapojení to reguluje napětí v rozsahu 18-31V.
S odporem 1K8 můžeš jít níž až na 180Ω (vyzkoušeno).
Místo IRF530 můžeš dát IRF540 - 530 jsem doma neměl, vyzkoušel jsem na IRF540N.
A bohužel to stabilizuje - což jsi nechtěl.
Na mosfetu musí být pochopitelně chladič.
A nemá to proudové omezení.



zdrojTL431.png
 Komentář:
 Velikost:  49.04 kB
 Zobrazeno:  43 krát

zdrojTL431.png


Návrat nahoru
Zobrazit informace o autorovi Odeslat soukromou zprávu
barnodaj



Založen: Apr 16, 2011
Příspěvky: 1009
Bydliště: Vodňansko

PříspěvekZaslal: út leden 21 2025, 7:54    Předmět: Citovat

Tazatelův zdroj, (trafo) nemá proudové omezení. A v Tebou navrženém zapojení nejspíše dojde k destrukci mosfetu díky překročení Ugs, které je 20V +/- max.
Návrat nahoru
Zobrazit informace o autorovi Odeslat soukromou zprávu
DukeNuke



Založen: Apr 02, 2018
Příspěvky: 1853

PříspěvekZaslal: út leden 21 2025, 9:12    Předmět: Citovat

Dobrá připomínka. Mosfet jde přinejhoším nahradit darlingtonem. Případně mezi GS lze dát zenerku, která ho tak ochrání.
Návrat nahoru
Zobrazit informace o autorovi Odeslat soukromou zprávu
barnodaj



Založen: Apr 16, 2011
Příspěvky: 1009
Bydliště: Vodňansko

PříspěvekZaslal: út leden 21 2025, 17:34    Předmět: Citovat

Tak předpokládám, že tazatel už má hotovo.
Jinak tady by se R4 nahradil kombinací odporu a potenciometru.
Jako T1 KD367B a jako T2 KF504. TL431 se z produkce Tesly nahradit nedá...



zdroj1.png
 Komentář:
 Velikost:  78.09 kB
 Zobrazeno:  50 krát

zdroj1.png


Návrat nahoru
Zobrazit informace o autorovi Odeslat soukromou zprávu
break



Založen: Apr 23, 2024
Příspěvky: 32

PříspěvekZaslal: po únor 17 2025, 21:56    Předmět: Citovat

Nemá hotovo, protože ještě nepřišla DPS. A protože nemám chladič s dírami zároveň na SOT9 a TO3/2 ale jen 2 x TO3/2 budou T2 i T4 KUY12. nějaká negativa?
Návrat nahoru
Zobrazit informace o autorovi Odeslat soukromou zprávu
Celeron



Založen: Apr 02, 2011
Příspěvky: 20222
Bydliště: Nový Bydžov

PříspěvekZaslal: po únor 17 2025, 23:17    Předmět: Citovat

Jo, negativum je, že jsem viděl KUY12 s β = 15 ale taky 40 při 1A. A né jeden. Takže pokud nemáš možnost je trochu přebrat, tak může být problém.
_________________
Jirka

Proč mi nemůže všechno chodit hned ?!!
Návrat nahoru
Zobrazit informace o autorovi Odeslat soukromou zprávu
oscilos



Založen: Nov 04, 2007
Příspěvky: 370

PříspěvekZaslal: po únor 17 2025, 23:58    Předmět: Citovat

Ty jo KUY12 potvrzuji ze maji mizernou betu

Naposledy upravil oscilos dne út únor 18 2025, 12:35, celkově upraveno 2 krát.
Návrat nahoru
Zobrazit informace o autorovi Odeslat soukromou zprávu
break



Založen: Apr 23, 2024
Příspěvky: 32

PříspěvekZaslal: út únor 18 2025, 12:10    Předmět: Citovat

Pravda. Ale on ten KU612 nemusí být lepší. Můžu tam dát BD 139, ty mám s β přes 200. Ale abych z toho zase neudělal vysílačku.
Návrat nahoru
Zobrazit informace o autorovi Odeslat soukromou zprávu
break



Založen: Apr 23, 2024
Příspěvky: 32

PříspěvekZaslal: út únor 18 2025, 14:44    Předmět: Citovat

Mám tři KUY12 vojenský výběr a mají β 41, 31 a 31. Pravda, při malém proudu na testeru, aber doch! Můžu si zase složit 3A přípravek a změřit to při tom.
Návrat nahoru
Zobrazit informace o autorovi Odeslat soukromou zprávu
Zobrazit příspěvky z předchozích:   
Přidat nové téma   Zaslat odpověď       Obsah fóra Diskuzní fórum Elektro Bastlírny -> Řešení problémů s různými konstrukcemi Časy uváděny v GMT + 1 hodina
Jdi na stránku Předchozí  1, 2, 3, 4
Strana 4 z 4

 
Přejdi na:  
Nemůžete odesílat nové téma do tohoto fóra.
Nemůžete odpovídat na témata v tomto fóru.
Nemůžete upravovat své příspěvky v tomto fóru.
Nemůžete mazat své příspěvky v tomto fóru.
Nemůžete hlasovat v tomto fóru.
Nemůžete připojovat soubory k příspěvkům
Můžete stahovat a prohlížet přiložené soubory

Powered by phpBB © 2001, 2005 phpBB Group
Forums ©
Nuke - Elektro Bastlirna

Informace na portálu Elektro bastlírny jsou prezentovány za účelem vzdělání čtenářů a rozšíření zájmu o elektroniku. Autoři článků na serveru neberou žádnou zodpovědnost za škody vzniklé těmito zapojeními. Rovněž neberou žádnou odpovědnost za případnou újmu na zdraví vzniklou úrazem elektrickým proudem. Autoři a správci těchto stránek nepřejímají záruku za správnost zveřejněných materiálů. Předkládané informace a zapojení jsou zveřejněny bez ohledu na případné patenty třetích osob. Nároky na odškodnění na základě změn, chyb nebo vynechání jsou zásadně vyloučeny. Všechny registrované nebo jiné obchodní známky zde použité jsou majetkem jejich vlastníků. Uvedením nejsou zpochybněna z toho vyplývající vlastnická práva. Použití konstrukcí v rozporu se zákonem je přísně zakázáno. Vzhledem k tomu, že původ předkládaných materiálů nelze žádným způsobem dohledat, nelze je použít pro komerční účely! Tento nekomerční server nemá z uvedených zapojení či konstrukcí žádný zisk. Nezodpovídáme za pravost předkládaných materiálů třetími osobami a jejich původ. V případě, že zjistíte porušení autorského práva či jiné nesrovnalosti, kontaktujte administrátory na diskuzním fóru EB.


PHP-Nuke Copyright © 2005 by Francisco Burzi. This is free software, and you may redistribute it under the GPL. PHP-Nuke comes with absolutely no warranty, for details, see the license.
Čas potřebný ke zpracování stránky 0.20 sekund