Vítejte na Elektro Bastlírn?
Nuke - Elektro Bastlirna
  Vytvořit účet Hlavní · Fórum · DDump · Profil · Zprávy · Hledat na fóru · Příspěvky na provoz EB

Vlákno na téma KORONAVIRUS - nutná registrace


Nuke - Elektro Bastlirna: Diskuzní fórum

 FAQFAQ   HledatHledat   Uživatelské skupinyUživatelské skupiny   ProfilProfil   Soukromé zprávySoukromé zprávy   PřihlášeníPřihlášení 

Synkopa, Soprán, Moderato atd.

 
Přidat nové téma   Zaslat odpověď       Obsah fóra Diskuzní fórum Elektro Bastlírny -> Audiotechnika
Zobrazit předchozí téma :: Zobrazit následující téma  
Autor Zpráva
ronoda



Založen: Dec 12, 2017
Příspěvky: 825
Bydliště: Pardubice

PříspěvekZaslal: so únor 01 2025, 20:00    Předmět: Synkopa, Soprán, Moderato atd. Citovat

Zdravím, je někdo ochotný poradit jak vyřadit normu OIRT ? A normu CCIR roztáhnout na celou stupnici. (předvolby neřešit) Dnes jsou stanice namrmlené tak blízko sebe, že má AFC občas starosti. Ještě bych ho chtěl provozovat, je plně funkční. Dík za případné rady...
Návrat nahoru
Zobrazit informace o autorovi Odeslat soukromou zprávu Odeslat e-mail
Hill
Administrátor


Založen: Sep 10, 2004
Příspěvky: 20926
Bydliště: Jičín, Český ráj

PříspěvekZaslal: so únor 01 2025, 21:23    Předmět: Citovat

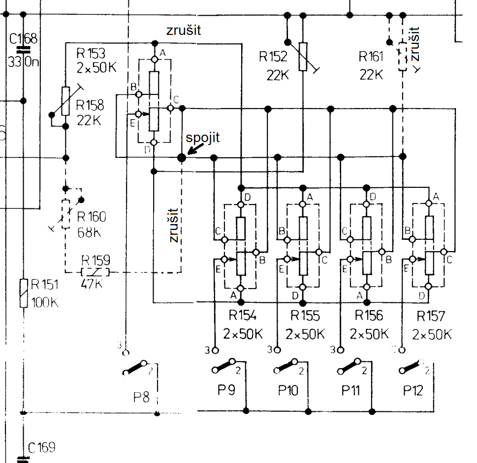
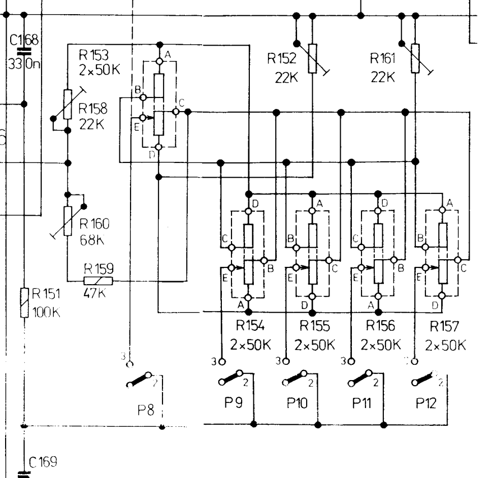
V Sextetu jsou všechny ladicí potenciometry s dělenou dráhou, takže nejjednodušší cesta je
- změřit napětí v bodu B
- odstranit R159 a R161
- spojit body B a C
- napětí původně naměřené v bodu B nastavit v bodě D (bude třeba použít vyšší hodnotu trimru R152).
Co udělá přechod mezi dráhami, resp. mezi body B a C, to ti nepovím, nicméně neočekával bych kdovíjaký problém.To výměna celých drah potenciometrů by byla podstatně náročnější.
Zlepšit selektivitu by šlo výměnou filtru SPF10,7 za SFE10,7MS2-... nebo ještě účinněji SFT10,7MS2-Z, který se doporučuje jako selektivnější náhrada předchozího. Když budeš mít kliku a filtr se trefí na střední kmitočet původního, nebudeš ani muset doladit poměrák.



637A_ladeni_1.png
 Komentář:
původní zapojení
 Velikost:  123.35 kB
 Zobrazeno:  37 krát

637A_ladeni_1.png



637A_ladeni_2.png
 Komentář:
upravné zapojení pro CCIR
 Velikost:  140.52 kB
 Zobrazeno:  35 krát

637A_ladeni_2.png


Návrat nahoru
Zobrazit informace o autorovi Odeslat soukromou zprávu
xsc



Založen: Sep 25, 2014
Příspěvky: 8393

PříspěvekZaslal: so únor 01 2025, 23:31    Předmět: Citovat

Co se ale nestane, že by to pomohlo AFC. Protože rozsah ladícího napětí bude pořád stejný, ten nezměníš. Naopak to pomůže nemocným potenciometrům předvoleb, kde tolik nebude vadit jejich mechanická nestabilita - to ale řešit nechceš. Hlavní potenciometr ladění bývá OK. Takže pokud ti blbne AFC při ladění hlavním potenciometrem, řeš nestabilitu ladicího napětí, případně samotné jednotky. Musí se to dokázat udržet i bez zapnutého AFC, pokud na to neotevíráš okno....
Návrat nahoru
Zobrazit informace o autorovi Odeslat soukromou zprávu
Hill
Administrátor


Založen: Sep 10, 2004
Příspěvky: 20926
Bydliště: Jičín, Český ráj

PříspěvekZaslal: ne únor 02 2025, 7:38    Předmět: Citovat

Na to, abys mohl jít s ladicím napětím níž, bys musel přeladit vstupní jednotku, ale do ní je škoda sahat, dokud se chová slušně.
Pokud jde o rozsah zachycení AFC, můžeš si zkusit pohrát s hodnotou R162, zvýšením odporu až na M33 snížíš strmost dolaďování a zvýši se vliv nestability napájecího napětí vstupní jednotky na AFC, ale dá se najít kompromis, kdy ještě strmost vyhovuje, ale sousední stanice to na sebe nestrhne.
Zkontroluj taky, jak moc topí MAA550, podle mé zkušenosti nejstabilnější napětí na něm (kolem těch 33 V) je, když na stabilizátor zbude proud do 7 mA. Takže dojde asi i na zvětšení R144, přesto mu sluší nějaký ten chladič.
Ono se nám od doby konstrukce toho šasi poněkud zvedlo napětí v síti a ty pětsetpadesátky jedou obvykle na hranici výkonové zatížitelnosti.
Návrat nahoru
Zobrazit informace o autorovi Odeslat soukromou zprávu
BOBOBO
Doporučuje se dohled moderátorů


Založen: Feb 25, 2008
Příspěvky: 20563
Bydliště: Rychnovsko

PříspěvekZaslal: ne únor 02 2025, 8:21    Předmět: Citovat

Jo , ne nadarmo měly 550ky v TV na sobě plechový chladič .
Návrat nahoru
Zobrazit informace o autorovi Odeslat soukromou zprávu
Milan



Založen: Apr 02, 2012
Příspěvky: 1430
Bydliště: Vysočina

PříspěvekZaslal: ne únor 02 2025, 8:41    Předmět: Citovat

T.č. jsem řešil podobný problém. Soprán 632 opraven (pár elytů, proražené oba KF520 , zasviněné přepínače a hlavně trimry předvoleb a též ladící
potenciometr nic moc) a pečlivě sladěn pomocí generátoru i s FM . Výsledek mizérie na VKV v podobě příjmu na náhražkovou anténu asi 5 stanic CCIR na polovině stupnice , žádné stereo a prolínání se stanic kvůli mizerné selektivitě , konkrétně Blaník na 93,9 MHz s vedle hrající F1 .
Vzhledem k tomu, že rádio má sloužit v dílně kamaráda jako "kulisa" ,
rozhodl jsem se pro radikální zásah. Mám tu navyráběné do zásoby pár
modulů VKV s obvodem SC1088 klon TDA7088 . Varikap je laděn napětím v rozsahu cca
0,1 - 2,7 V ( katoda je na cca 3,5V )s frekvenčním rozsahem 86,5 - 108,5 MHz . Selektivita je bez prolínání stanic, AFC uvnitř obvodu udrží změny
lad.až +- 50mV podle frekvence .
Namísto lad. pot. umístěn TP 160 100k/N, točí se s ladičákem v rozsahu
cca 4-68 k , co na rozsah CCIR těsně postačuje. Modul je napájen 16V
z desky přes 820R/470u , odběr asi 8,5 mA .Předvolby přepojeny viz Hill, nepotřebné dráty od trimrů zaizolovány . Výstup nf z modulu zapojen na
přepínač a dekodér odpojen .
Výsledek je příjem ( jen mono ! ) cca 25 stanic na stejný kus pohozeného
drátu na stole , z toho nejméně 15 v dobré kvalitě . A žádné prolínání stanic mezi sebou .
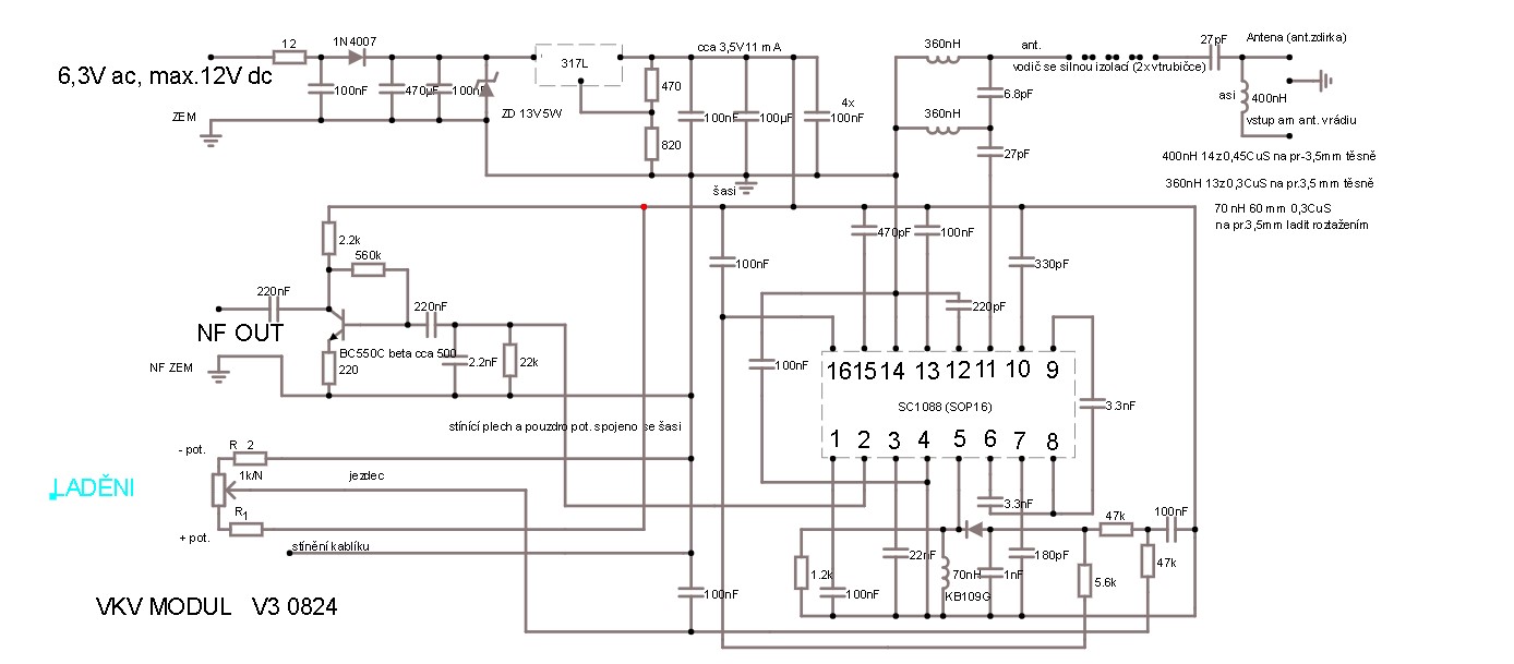
Pár obrázků přikládám, pokud bude zájem , dám více informací sem nebo na radioforum . Desky na modul jsem si nechal dělat na plosnaky.cz a zapojení je ověřeno mnoha instalacemi v různých rádiích .



Modul VKV Sopránu 632A p1290123_optimized.jpg
 Komentář:
 Velikost:  163.66 kB
 Zobrazeno:  82 krát

Modul VKV  Sopránu 632A p1290123_optimized.jpg



Připojení modulu VKV do Soprán 632A p1290121_optimized.jpg
 Komentář:
 Velikost:  243.97 kB
 Zobrazeno:  94 krát

Připojení modulu VKV do Soprán 632A p1290121_optimized.jpg



moduly-vkv-verze-v30824-obr_optimized..jpg
 Komentář:
 Velikost:  109.43 kB
 Zobrazeno:  102 krát

moduly-vkv-verze-v30824-obr_optimized..jpg


Návrat nahoru
Zobrazit informace o autorovi Odeslat soukromou zprávu
Milan



Založen: Apr 02, 2012
Příspěvky: 1430
Bydliště: Vysočina

PříspěvekZaslal: ne únor 02 2025, 8:59    Předmět: Citovat

Snad ještě pohled na desku modulu ze strany součástek a jeho schema .


deska-v30824-obrázek_optimized (1).jpg
 Komentář:
 Velikost:  216.74 kB
 Zobrazeno:  68 krát

deska-v30824-obrázek_optimized (1).jpg



Schema V30824 obr..jpg
 Komentář:
 Velikost:  117.05 kB
 Zobrazeno:  89 krát

Schema V30824 obr..jpg


Návrat nahoru
Zobrazit informace o autorovi Odeslat soukromou zprávu
ronoda



Založen: Dec 12, 2017
Příspěvky: 825
Bydliště: Pardubice

PříspěvekZaslal: ne únor 02 2025, 11:36    Předmět: Citovat

Hill*** děkuji za návod, zkusím to podle tebe.
Návrat nahoru
Zobrazit informace o autorovi Odeslat soukromou zprávu Odeslat e-mail
xsc



Založen: Sep 25, 2014
Příspěvky: 8393

PříspěvekZaslal: ne únor 02 2025, 13:33    Předmět: Citovat

Milan napsal(a):
T.č. jsem řešil podobný problém. Soprán 632 opraven
Sextet je o řád jinde než Soprán, tam by neměly být žádné problémy kromě ulaďování předvoleb v důsledku ujíždění ladicího napětí.
Návrat nahoru
Zobrazit informace o autorovi Odeslat soukromou zprávu
Milan



Založen: Apr 02, 2012
Příspěvky: 1430
Bydliště: Vysočina

PříspěvekZaslal: ne únor 02 2025, 17:13    Předmět: Citovat

Nevidím v nadpise dotazu nic o Sextetu Smile .
Návrat nahoru
Zobrazit informace o autorovi Odeslat soukromou zprávu
xsc



Založen: Sep 25, 2014
Příspěvky: 8393

PříspěvekZaslal: ne únor 02 2025, 17:26    Předmět: Citovat

Moderato je Sextet + gramo.
Návrat nahoru
Zobrazit informace o autorovi Odeslat soukromou zprávu
Zobrazit příspěvky z předchozích:   
Přidat nové téma   Zaslat odpověď       Obsah fóra Diskuzní fórum Elektro Bastlírny -> Audiotechnika Časy uváděny v GMT + 1 hodina
Strana 1 z 1

 
Přejdi na:  
Nemůžete odesílat nové téma do tohoto fóra.
Nemůžete odpovídat na témata v tomto fóru.
Nemůžete upravovat své příspěvky v tomto fóru.
Nemůžete mazat své příspěvky v tomto fóru.
Nemůžete hlasovat v tomto fóru.
Nemůžete připojovat soubory k příspěvkům
Můžete stahovat a prohlížet přiložené soubory

Powered by phpBB © 2001, 2005 phpBB Group
Forums ©
Nuke - Elektro Bastlirna

Informace na portálu Elektro bastlírny jsou prezentovány za účelem vzdělání čtenářů a rozšíření zájmu o elektroniku. Autoři článků na serveru neberou žádnou zodpovědnost za škody vzniklé těmito zapojeními. Rovněž neberou žádnou odpovědnost za případnou újmu na zdraví vzniklou úrazem elektrickým proudem. Autoři a správci těchto stránek nepřejímají záruku za správnost zveřejněných materiálů. Předkládané informace a zapojení jsou zveřejněny bez ohledu na případné patenty třetích osob. Nároky na odškodnění na základě změn, chyb nebo vynechání jsou zásadně vyloučeny. Všechny registrované nebo jiné obchodní známky zde použité jsou majetkem jejich vlastníků. Uvedením nejsou zpochybněna z toho vyplývající vlastnická práva. Použití konstrukcí v rozporu se zákonem je přísně zakázáno. Vzhledem k tomu, že původ předkládaných materiálů nelze žádným způsobem dohledat, nelze je použít pro komerční účely! Tento nekomerční server nemá z uvedených zapojení či konstrukcí žádný zisk. Nezodpovídáme za pravost předkládaných materiálů třetími osobami a jejich původ. V případě, že zjistíte porušení autorského práva či jiné nesrovnalosti, kontaktujte administrátory na diskuzním fóru EB.


PHP-Nuke Copyright © 2005 by Francisco Burzi. This is free software, and you may redistribute it under the GPL. PHP-Nuke comes with absolutely no warranty, for details, see the license.
Čas potřebný ke zpracování stránky 0.15 sekund