Vítejte na Elektro Bastlírn?
Nuke - Elektro Bastlirna
  Vytvořit účet Hlavní · Fórum · DDump · Profil · Zprávy · Hledat na fóru · Příspěvky na provoz EB

Vlákno na téma KORONAVIRUS - nutná registrace


Nuke - Elektro Bastlirna: Diskuzní fórum

 FAQFAQ   HledatHledat   Uživatelské skupinyUživatelské skupiny   ProfilProfil   Soukromé zprávySoukromé zprávy   PřihlášeníPřihlášení 

voltmetr s ICL7107 měří špatně vyšší napětí
Jdi na stránku 1, 2  Další
 
Přidat nové téma   Zaslat odpověď       Obsah fóra Diskuzní fórum Elektro Bastlírny -> Řešení problémů s různými konstrukcemi
Zobrazit předchozí téma :: Zobrazit následující téma  
Autor Zpráva
Petr603



Založen: Apr 03, 2006
Příspěvky: 198

PříspěvekZaslal: po leden 27 2025, 12:31    Předmět: voltmetr s ICL7107 měří špatně vyšší napětí Citovat

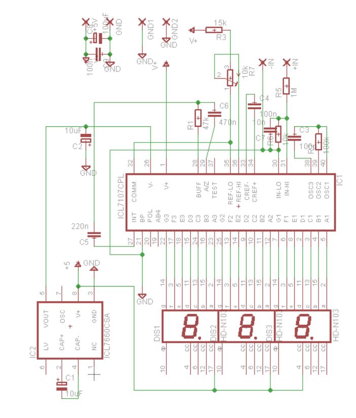
Kdysi jsem ho stavěl, vlastní návrh DPS. Je to téměř datasheetové zapojení s přidaným záporným zdrojem ICL7660.
Funguje dokonale až na jednu věc. Jak s kterým ICL7107 (výrobce) měří přesně do 52-62V, pak začne totálně ujíždět. Třeba:

58V je ok
59v ukáže 58,6V
60v ukáže 59,2V
80V ukáže už jen 65V.

Přitom, záporné napětí drží -4,98V v celém rozsahu měření. Za vstupním děličem je při měření 40V kdy je vše naprosto ok cca. 400mV , při 80V na vstupu je opět téměř přesně 800mV. A to už přitom ukazuje nesmysl.
Poradí někdo co dělám špatně? Chová se mě takto několik modulů.. Díky.



icl7107.JPG
 Komentář:
 Velikost:  71.09 kB
 Zobrazeno:  169 krát

icl7107.JPG


Návrat nahoru
Zobrazit informace o autorovi Odeslat soukromou zprávu
rnbw



Založen: Mar 21, 2006
Příspěvky: 36906
Bydliště: Bratislava

PříspěvekZaslal: po leden 27 2025, 12:40    Předmět: Citovat

Aky typ kondenzatora mas na pozicii C4?
Návrat nahoru
Zobrazit informace o autorovi Odeslat soukromou zprávu
Zaky



Založen: Oct 30, 2010
Příspěvky: 6989
Bydliště: Praha

PříspěvekZaslal: po leden 27 2025, 12:45    Předmět: Citovat

Máš to součástkově pro rozsah do 200mV.
_________________
Krátce před tím, než se to rozbilo, tak to ještě fungovalo...
Návrat nahoru
Zobrazit informace o autorovi Odeslat soukromou zprávu
Mahoney



Založen: Oct 26, 2019
Příspěvky: 679

PříspěvekZaslal: po leden 27 2025, 13:20    Předmět: Citovat

I tak by to mělo držet, pokud má správně dělič a referenci. Tj. zkontroluj jestli máš správně dělič a referenci.
Návrat nahoru
Zobrazit informace o autorovi Odeslat soukromou zprávu
Petr603



Založen: Apr 03, 2006
Příspěvky: 198

PříspěvekZaslal: po leden 27 2025, 13:23    Předmět: Citovat

Vše jsou svitky WIMA. Mám tam vstupní dělič 1M/10K..
Jiným modulem snímám úbytek na snímacím rezistoru v lab. zdroji, jiný poměr děliče, a jak jde proud nad 5A (ekvivalent 50V), opět začíná měřit špatně..



voltmetr.JPG
 Komentář:
 Velikost:  261.62 kB
 Zobrazeno:  55 krát

voltmetr.JPG



voltmetr2.JPG
 Komentář:
 Velikost:  176.52 kB
 Zobrazeno:  56 krát

voltmetr2.JPG


Návrat nahoru
Zobrazit informace o autorovi Odeslat soukromou zprávu
Zaky



Založen: Oct 30, 2010
Příspěvky: 6989
Bydliště: Praha

PříspěvekZaslal: po leden 27 2025, 13:33    Předmět: Citovat

Cítím předpoklad nabíjení integračního kondíku příliš vysoko, kontrola osciloskopem by napověděla.
_________________
Krátce před tím, než se to rozbilo, tak to ještě fungovalo...
Návrat nahoru
Zobrazit informace o autorovi Odeslat soukromou zprávu
ransom



Založen: Jul 19, 2020
Příspěvky: 3640
Bydliště: Náchod

PříspěvekZaslal: po leden 27 2025, 13:36    Předmět: Citovat

Ty moduly jsou oba ve stejném zdroji (napětí a proud)???
_________________
Nepoužívám smajlíky. Pobavený nebo ironický tón si laskavě domyslete sami.
Návrat nahoru
Zobrazit informace o autorovi Odeslat soukromou zprávu
ondraN



Založen: Aug 16, 2022
Příspěvky: 804
Bydliště: Roztoky

PříspěvekZaslal: po leden 27 2025, 13:44    Předmět: Citovat

Zaky má pravdu. Pro vstupní rozsah 2V je v ds doporučená velikost integračního rezistoru 120k integrační kondenzátor 0.22u a autozero kondenzátor 47n
Návrat nahoru
Zobrazit informace o autorovi Odeslat soukromou zprávu Odeslat e-mail
Petr603



Založen: Apr 03, 2006
Příspěvky: 198

PříspěvekZaslal: po leden 27 2025, 14:24    Předmět: Citovat

Tak ze upraveno dle posledního příspěvku, změna 47k za 120k a kondík 470n snížen na 47n a šlape to! 80V je již 80V, perfektní. Jste tu borci, díky moc. Very Happy
Návrat nahoru
Zobrazit informace o autorovi Odeslat soukromou zprávu
EKKAR



Založen: Mar 16, 2005
Příspěvky: 34827
Bydliště: Česká Třebová, JN89FW21

PříspěvekZaslal: po leden 27 2025, 18:45    Předmět: Citovat

Ono by bejvalo stačilo pořádně číst datasheet a dodržet jím doporučený hodnoty integračního obvodu. Je to poměrně základní povědomost, že ty součástky jsou pro měřicí rozsahy ±199,9mV a ±1,999V odlišný - platí to pro všecky klony převodníkovýho jádra 7106 (7107 a další) a právě ty doporučený hodnoty obsahuje datasheet, není potřeba je znát z hlavy.
_________________
Nasliněný prst na svorkovnici domovního rozvaděče: Jó, paninko, máte tam ty Voltíky všecky...
A kutilmile - nelituju tě Mr. Green Mr. Green !!!
Návrat nahoru
Zobrazit informace o autorovi Odeslat soukromou zprávu Odeslat e-mail
Celeron



Založen: Apr 02, 2011
Příspěvky: 20146
Bydliště: Nový Bydžov

PříspěvekZaslal: po leden 27 2025, 19:01    Předmět: Citovat

Už jsem se tady chtěl párkrát zeptat na měnič zápornýho pro ICL710x. Všude se používá jako měnič ICL-ko a nebo šváb ze řady 4000. Proč tak složitě když na to stačí jeden trand poháněnej z nohy oscilátoru, dioda a elyt? Setkal jste se někdo s tím, že by tenhle jednoduchej měnič dělal nějaký problémy?
_________________
Jirka

Proč mi nemůže všechno chodit hned ?!!
Návrat nahoru
Zobrazit informace o autorovi Odeslat soukromou zprávu
EKKAR



Založen: Mar 16, 2005
Příspěvky: 34827
Bydliště: Česká Třebová, JN89FW21

PříspěvekZaslal: po leden 27 2025, 19:54    Předmět: Citovat

Stabilita zápornýho napětí a co nejmenší vnějšího ovlivnění vnitřního oscilátoru převodníku. Na přesnost převodu to sice primárně nemá vliv, ale může to ovlivnit schopnost převodníku potlačit rušení síťovým kmitočtem.
_________________
Nasliněný prst na svorkovnici domovního rozvaděče: Jó, paninko, máte tam ty Voltíky všecky...
A kutilmile - nelituju tě Mr. Green Mr. Green !!!
Návrat nahoru
Zobrazit informace o autorovi Odeslat soukromou zprávu Odeslat e-mail
Celeron



Založen: Apr 02, 2011
Příspěvky: 20146
Bydliště: Nový Bydžov

PříspěvekZaslal: po leden 27 2025, 22:54    Předmět: Citovat

Jenže Karle s tou 40xx, ve který je 4 nebo 6 hradel nebo invertorů paralelně je zapojení za aktivním prvkem naprosto stejný, jako u trandu.
_________________
Jirka

Proč mi nemůže všechno chodit hned ?!!
Návrat nahoru
Zobrazit informace o autorovi Odeslat soukromou zprávu
EKKAR



Založen: Mar 16, 2005
Příspěvky: 34827
Bydliště: Česká Třebová, JN89FW21

PříspěvekZaslal: po leden 27 2025, 23:37    Předmět: Citovat

Jo, právě že až za tím trandem. Srovnej si vstupní imprdelanci 1 trandu a 6 paralelně spojenejch vstupů CMOS invertorů (4009) resp. 4 hradel NAND (4011). Ten integráč byl (a je) prostě "víc standartizovanej". Výstupní proud hradel zas garantoval určitou zatížitelnost záporný větve bez ohledu na tolerance, který by mohly hrozit při použití jednoho-dvou diskrétních trandů. Ve výsledku při započtení případnejch nákladů na opravy mimotolerančních sestav s diskrétním trandem ten integráč vyšel levnější - navíc se jedno z hradel dalo použít k ovládání mínusu nebo desetinný tečky na LCD zobrazovači. Nemysli si, že to už tenkrát neměli dobře spočítaný ...
_________________
Nasliněný prst na svorkovnici domovního rozvaděče: Jó, paninko, máte tam ty Voltíky všecky...
A kutilmile - nelituju tě Mr. Green Mr. Green !!!
Návrat nahoru
Zobrazit informace o autorovi Odeslat soukromou zprávu Odeslat e-mail
Celeron



Založen: Apr 02, 2011
Příspěvky: 20146
Bydliště: Nový Bydžov

PříspěvekZaslal: út leden 28 2025, 1:01    Předmět: Citovat

No v devadesátkách jsem trand v měniči viděl u několika typů výrobků jedný německý fy a nějak zvlášť to neřešili. Ty desky ještě mám a proti jinejm digitálům jsem neshledal v přesnosti setin na rozsahu 2V žádnej rozdíl.
_________________
Jirka

Proč mi nemůže všechno chodit hned ?!!
Návrat nahoru
Zobrazit informace o autorovi Odeslat soukromou zprávu
Zobrazit příspěvky z předchozích:   
Přidat nové téma   Zaslat odpověď       Obsah fóra Diskuzní fórum Elektro Bastlírny -> Řešení problémů s různými konstrukcemi Časy uváděny v GMT + 1 hodina
Jdi na stránku 1, 2  Další
Strana 1 z 2

 
Přejdi na:  
Nemůžete odesílat nové téma do tohoto fóra.
Nemůžete odpovídat na témata v tomto fóru.
Nemůžete upravovat své příspěvky v tomto fóru.
Nemůžete mazat své příspěvky v tomto fóru.
Nemůžete hlasovat v tomto fóru.
Nemůžete připojovat soubory k příspěvkům
Můžete stahovat a prohlížet přiložené soubory

Powered by phpBB © 2001, 2005 phpBB Group
Forums ©
Nuke - Elektro Bastlirna

Informace na portálu Elektro bastlírny jsou prezentovány za účelem vzdělání čtenářů a rozšíření zájmu o elektroniku. Autoři článků na serveru neberou žádnou zodpovědnost za škody vzniklé těmito zapojeními. Rovněž neberou žádnou odpovědnost za případnou újmu na zdraví vzniklou úrazem elektrickým proudem. Autoři a správci těchto stránek nepřejímají záruku za správnost zveřejněných materiálů. Předkládané informace a zapojení jsou zveřejněny bez ohledu na případné patenty třetích osob. Nároky na odškodnění na základě změn, chyb nebo vynechání jsou zásadně vyloučeny. Všechny registrované nebo jiné obchodní známky zde použité jsou majetkem jejich vlastníků. Uvedením nejsou zpochybněna z toho vyplývající vlastnická práva. Použití konstrukcí v rozporu se zákonem je přísně zakázáno. Vzhledem k tomu, že původ předkládaných materiálů nelze žádným způsobem dohledat, nelze je použít pro komerční účely! Tento nekomerční server nemá z uvedených zapojení či konstrukcí žádný zisk. Nezodpovídáme za pravost předkládaných materiálů třetími osobami a jejich původ. V případě, že zjistíte porušení autorského práva či jiné nesrovnalosti, kontaktujte administrátory na diskuzním fóru EB.


PHP-Nuke Copyright © 2005 by Francisco Burzi. This is free software, and you may redistribute it under the GPL. PHP-Nuke comes with absolutely no warranty, for details, see the license.
Čas potřebný ke zpracování stránky 0.55 sekund