Vítejte na Elektro Bastlírn?
Nuke - Elektro Bastlirna
  Vytvořit účet Hlavní · Fórum · DDump · Profil · Zprávy · Hledat na fóru · Příspěvky na provoz EB

Vlákno na téma KORONAVIRUS - nutná registrace


Nuke - Elektro Bastlirna: Diskuzní fórum

 FAQFAQ   HledatHledat   Uživatelské skupinyUživatelské skupiny   ProfilProfil   Soukromé zprávySoukromé zprávy   PřihlášeníPřihlášení 

Repase reprobeden Soprán
Jdi na stránku 1, 2, 3, 4, 5, 6  Další
 
Přidat nové téma   Zaslat odpověď       Obsah fóra Diskuzní fórum Elektro Bastlírny -> Audiotechnika
Zobrazit předchozí téma :: Zobrazit následující téma  
Autor Zpráva
Celeron



Založen: Apr 02, 2011
Příspěvky: 20135
Bydliště: Nový Bydžov

PříspěvekZaslal: ne leden 12 2025, 18:03    Předmět: Repase reprobeden Soprán Citovat

Při zkoušce na Zetawatt2020 jsem zjistil, že z jedný jdou při basech nějaký pazvuky. Měl jsem strach, jestli nejsou svěšený membrány a nedřou a tak jsem sundal přední plastovej cedník a zkusil zatlačit na membránu. Nic nebylo cítit. Tak jsem odšrouboval repráky a nestačil se divit. Na výškách je ARV161 4R/5W vrutama zepředu do ozvučnice. Basák je ARN567 4R/10W. Ten je na M4 šroubech, známá to prasárna matka M4 mezi ozvučnicí a košem repráku. Asi to chtěli zachránit a tak nablemcali na koš nějakej modrej tmel, kterej měl ucpat škvíru mezi ozvučnicí a košem. No a ten tmel se po těch cca 40 letech rozpadá a jelikož s ním nešetřili, padá mezi koš a membránu basáku a pak to při basech rachtá. Výškáč je taky podmáznutej tím tmelem, ale jen asi 1-2 cm tři úseky po obvodu. Na obou basákách jsou odpadlý přívodní destičky, asi špatně přinejtováno na koš. Nahradil jsem M3 šroubkem s pojistnou matkou s plast vložkou. U jednoho výškáče bylo to samý, tam jsem musel šroubek zalepit epoxydem kvůli koši bez otvorů nejde dát matka.
Uvnitř bedny je jen krabice 8M/TC473 a pohozenej kus vaty velikosti jako dvě pěsti. Na stěnách nic. Repráky mají tečky do kříže. Vevnitř je nevyplněnej typovej štítek.
Tmel jsem oškrábal, nedrželo to ani na dřevě ani na plechu koše.
A co teď s tím? Smontovat zpět a místo matek dát jen podložky aby se i bez tmelu eliminovala škvíra mezi ozvučnicí a košem? Na výškáč bych si lajznul podmáznout koš silikonem, ale na basák to je asi blbost. A co doplnit vyhýbku, má to smysl tyhle bedny "vylepšovat"? Hledal jsem na netu, píšou, že je na tuhle kombinazi odladěná vyhýbka Goza ale její zapojení a hodnoty jsem nenašel. A co s tím tlumením, dát něco na stěny? Co tam nalepit? Do bedny je přístup jen dírama po reprácích, takže třeba bublinkovej igelit sešívačkou nepůjde.

_________________
Jirka

Proč mi nemůže všechno chodit hned ?!!
Návrat nahoru
Zobrazit informace o autorovi Odeslat soukromou zprávu
h_honza



Založen: Feb 01, 2020
Příspěvky: 156
Bydliště: Praha 1

PříspěvekZaslal: ne leden 12 2025, 19:04    Předmět: Citovat

Existují matky, které se zavrtávají do dřeva, pokud je ozvučnice dost silná, viděl bych to jako správné řešení, se šroubem zepředu. Ovšem ve velikosti M4 jsem takové matky ještě neviděl. Jako náhrada by se dal vzít kovový distanční sloupek M4, díru v ozvučnici převrtat tak, aby do ní sloupek šel co nejtěsněji, namazat slušným epoxidem v dostatečném množství a zaklepnout. Mělo by to vypadat i fungovat OK. Silikon pod košem nemůže škodit, pokud se koš naseparuje, půjde to i rozebrat, třeba při laborování s výhybkou.

Beden s tímto osazením jsem viděl a slyšel hodně, výhybka s jedním kondenzátorem se zdála poslechově nejlepší, i když slušné testy jsme nedělali, nestálo to za to. A ten kondenzátor se zdál lepší elektrolytický, ještě k tomu (ESR?) Tlumení bylo zmuchlanými igelitovými pytlíky ve většině objemu (po vzoru KE RS20) a zdálo se vyhovovat.
Návrat nahoru
Zobrazit informace o autorovi Odeslat soukromou zprávu
TheLastUnicorn



Založen: Jan 17, 2018
Příspěvky: 515
Bydliště: Trenčín

PříspěvekZaslal: ne leden 12 2025, 19:41    Předmět: Citovat

1. pod repráky nalepit těsnící molitanovou pásku, nebo vystřihnout těsnění z tenkýho mirelonu...nebo něčeho podobnýho. Žádný silikon a podobný hnůj tam nedávej.
https://www.tipa.sk/sk/paska-tesniaca-delight-11595wh-10-10mm-5m/d-261134/?utm_source=google&utm_medium=cpc&utm_campaign=1%20%7C%20PLA%20%7C%20ALL%20%7C%203%20%7C%20ROAS&utm_id=2005253169&gad_source=1&gclid=CjwKCAiA7Y28BhAnEiwAAdOJUMef5cS5pdudSKiCSw7kmTOgUYl0gohBBFHf5pXSvTGxdpmtehpKoxoC8jsQAvD_BwE
2. celou bednu zevnitř vyplnit zlehka vatelínem - čili v celým objemu, ale ne zas silou natlačit
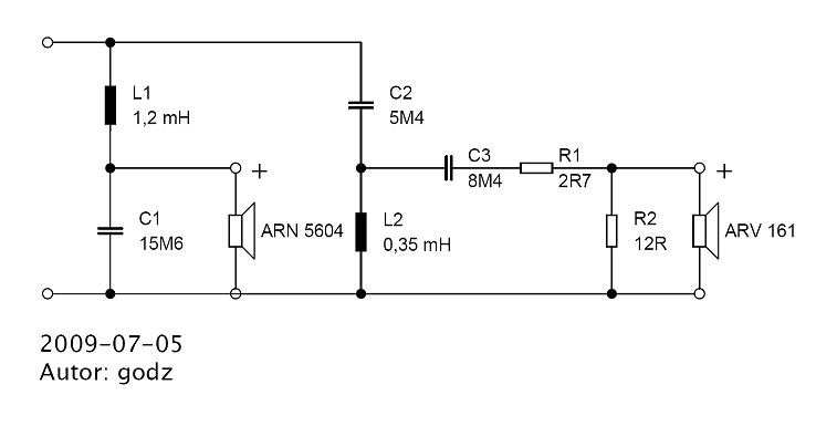
3.Výhybka godz zde:



ARN5604 & ARV161 by godz.jpg
 Komentář:
 Velikost:  21.72 kB
 Zobrazeno:  84 krát

ARN5604 & ARV161 by godz.jpg




Naposledy upravil TheLastUnicorn dne ne leden 12 2025, 20:22, celkově upraveno 1 krát.
Návrat nahoru
Zobrazit informace o autorovi Odeslat soukromou zprávu
EL34



Založen: Sep 21, 2009
Příspěvky: 647
Bydliště: Chrast u Chrudimi

PříspěvekZaslal: ne leden 12 2025, 20:21    Předmět: Citovat

Jak píše TLU, pokud něco dělat tak pořádně a neprasit nějakým silikonem. Jednou jsem odstraňovat takhle podblitý ARN734 a musel jsem ho odervat i se dřevem a byly obavy z deformace koše.

Výhybka od Godze to umravní dost znatelně. Pokud si vzpomínám správně, tak pro ARN567 tam byla změna tlumivky z 1,2mH na 1mH. Výsledek rozhodně stojí za to.
Návrat nahoru
Zobrazit informace o autorovi Odeslat soukromou zprávu
Celeron



Založen: Apr 02, 2011
Příspěvky: 20135
Bydliště: Nový Bydžov

PříspěvekZaslal: ne leden 12 2025, 20:41    Předmět: Citovat

Dík za tipy. Tu samolepící pásku na těsnění oken tu dokonce mám, zítra zkusím sehnat Vatelín, doufám že ho bude mít Vesna nebo místní hadrárna/galanérie.
Ta vyhýbka je ale na jinej basák, můžu ji použít na ARN567? Dělení by mělo být někde mezi 3000-3500Hz. Basák jde do 5000, výškáč od 2000Hz.

_________________
Jirka

Proč mi nemůže všechno chodit hned ?!!
Návrat nahoru
Zobrazit informace o autorovi Odeslat soukromou zprávu
ransom



Založen: Jul 19, 2020
Příspěvky: 3629
Bydliště: Náchod

PříspěvekZaslal: ne leden 12 2025, 22:23    Předmět: Citovat

ARN567 a 5604 jsou v tomto případě zaměnitelné.
Pro inspiraci se mrkni na
https://ransom.rajce.idnes.cz/
Především
https://www.rajce.idnes.cz/ransom/album/rozborky-a-prestavby-vraky-1pf06733-a-1pf06762

_________________
Nepoužívám smajlíky. Pobavený nebo ironický tón si laskavě domyslete sami.
Návrat nahoru
Zobrazit informace o autorovi Odeslat soukromou zprávu
TheLastUnicorn



Založen: Jan 17, 2018
Příspěvky: 515
Bydliště: Trenčín

PříspěvekZaslal: po leden 13 2025, 13:10    Předmět: Citovat

Celeron napsal(a):
Dělení by mělo být někde mezi 3000-3500Hz. Basák jde do 5000, výškáč od 2000Hz.

A ty si někdy viděl vyzařovací charakteristiku a zkreslení ARN565/567/5604, když usuzuješ, že jde do 5kHz a dělit by se měl mezi 3-3,5k? Já totiž na základě měření vím, že ten basák lze dělit na 2,5kHz s odřenýma ušima a ideálně tak mezi 1,5-2k. Godz myslím zvolil děličku někde mezi 2-2,5k, což je v případě těchto dvou měničů v pořádku.
Dělení ARN567 na 3,5k je stejnej nesmysl, jako když někdo dělil širokopásmo ARO66x na 6 nebo 8k, protože vyčetl v tabulce, že jde do 10 000 Hz. Ano, v ose jede do 10k. Problém však je, že jako u každýho 8" začíná mimo osu nad 2kHz silný útlum a pokud ho budeme dělit na 6kHz, tak mezi 2 a 6kHz budeme mít v celkovém vyzářeném výkonu hluboký propad, takže soustava bude znít, jako kdyby na ní někdo hodil tlustou deku. Čili, dělicí frekvence se neurčují podle frekvenčního rozsahu v tabulce, ale podle skutečných vyzařovacích charakteristik, zkreslení a rezonančního kmitočtu. Wink
Návrat nahoru
Zobrazit informace o autorovi Odeslat soukromou zprávu
Celeron



Založen: Apr 02, 2011
Příspěvky: 20135
Bydliště: Nový Bydžov

PříspěvekZaslal: po leden 13 2025, 14:01    Předmět: Citovat

Ty jseš expert přes bedny, nechám si samozřejmě poradit.
Dnes jsem koupil v galantérii Vatelín. Měli jen 1 cm tloušťku ale to asi nevadí, stejně tam bude všeljak namachlanej.
Mám doma asi 8 kilo CuL 1 mm, takže bych tlumivky namotal na kostry z Reproobchodu, basovku na průměr 56 mm a výšky na průměr 30 mm. Zkusil jsem ty tlumivky spočítat, basovka 1,2 mH mě vychází 158 závitů 8 vrstev, výšková 0,35 mH vychází 98 závitů, 6 vrstev. Jen by mě dost zajímalo, když má být ARN567 a ARN5604 skoro stejný, jestli basovou tlumivku opravdu snížit na 1 mH jak vzpomíná EL34.
Jestli se vám závity někomu nezdají, jsem jedno ucho.
Kromě těch koster vemu jedním vrzem i kondíky a odpory co mě chybí a terminály se zdířkama. Desku pro vyhýbku vemu 2 mm sklotextit, natluču do něj dutý nejtky, plošák na ní dělat nebudu.
Taky jsem v dílně objevil jednosložkovej polyuretanovej bezbarvej lak. Je to ransome ten, co používáš na svý bedny na Rajčeti?
Díky!

_________________
Jirka

Proč mi nemůže všechno chodit hned ?!!
Návrat nahoru
Zobrazit informace o autorovi Odeslat soukromou zprávu
JirkaZ



Založen: Feb 26, 2021
Příspěvky: 3730

PříspěvekZaslal: po leden 13 2025, 14:21    Předmět: Citovat

Závity atd. můžeš zkontrolovat třeba tady.
_________________
Kdo chce, hledá způsob;
kdo ne - hledá důvod.

Ze dvou možností často volím tu třetí.
Návrat nahoru
Zobrazit informace o autorovi Odeslat soukromou zprávu
Celeron



Založen: Apr 02, 2011
Příspěvky: 20135
Bydliště: Nový Bydžov

PříspěvekZaslal: po leden 13 2025, 14:46    Předmět: Citovat

Díky. Na tý kalkulačce vyšlo o 1/3 víc závitů pro obě cívky. Ach jo, já to dosadil do vzorečků VŠ skript na výpočet vzduchový cívky. No nic, namotám tu 0,35 mH a podle změření uvidím.
_________________
Jirka

Proč mi nemůže všechno chodit hned ?!!
Návrat nahoru
Zobrazit informace o autorovi Odeslat soukromou zprávu
konosuke



Založen: Dec 18, 2006
Příspěvky: 9787
Bydliště: Český Těšín tam v pohraničí

PříspěvekZaslal: po leden 13 2025, 14:47    Předmět: Citovat

Mezi ozvučnici a koš dát pryžová těsnění z vodovodní baterie - zaručí tak identickou
(jednotnou) vejšku - dištansi
jako tlumení - stavební thermoizolační lisovanou "vatu" tl. 50-100mm
(menší kusy - odřezy - se běžně odhazujou na stavbách do aušusu k likvidaci)
vzor

_________________
Co se může pokazit to se taky pokazí. Co se nemůže pokazit to se pokazí taky. (Murphy)
Návrat nahoru
Zobrazit informace o autorovi Odeslat soukromou zprávu
TheLastUnicorn



Založen: Jan 17, 2018
Příspěvky: 515
Bydliště: Trenčín

PříspěvekZaslal: po leden 13 2025, 15:53    Předmět: Citovat

Celeron: pro ARN567 bývá lepší 1mH, ale pokud dáš i 1,2mH, nic se nestane. Ty repráky měly velký rozptyl parametrů často i kus od kusu z jedné série. A čím novější ARN567, tím parametricky blíž k ARN5604. Takže to nějak moc neřeš.
1cm vatelín je úplně v pohodě. Rovnoměrně ním vyplň celý objem a je to vybavený. Nech trochu místa za basákem, aby to tam nebylo natlačený.

konosuke: Myslíš jako, že při molitanu bude na jedné bedně reprák vysunutej víc, jako na druhé? Laughing
Návrat nahoru
Zobrazit informace o autorovi Odeslat soukromou zprávu
konosuke



Založen: Dec 18, 2006
Příspěvky: 9787
Bydliště: Český Těšín tam v pohraničí

PříspěvekZaslal: po leden 13 2025, 16:04    Předmět: Citovat

Celeron napsal(a):
Do bedny je přístup jen dírama po reprácích, takže třeba bublinkovej igelit sešívačkou nepůjde.

ne, to zas nechápu já Sad

_________________
Co se může pokazit to se taky pokazí. Co se nemůže pokazit to se pokazí taky. (Murphy)
Návrat nahoru
Zobrazit informace o autorovi Odeslat soukromou zprávu
Celeron



Založen: Apr 02, 2011
Příspěvky: 20135
Bydliště: Nový Bydžov

PříspěvekZaslal: po leden 13 2025, 19:21    Předmět: Citovat

Tak jsem podle ransomova Rajčete vypucoval gumový závěsy na ARN567 nitroředidlem. Na oba padlo asi 50 uchošťourů. Nejdříve jsem udělal jeden a to tak, aby se vata špinila jen velice slabě žlutě. Rozdíl v tuhosti je neuvěřitelnej, když se ťukne do membrány původního volezlýho, tak jen kejvne. Ten vypucovanej udělá několik tlumených zákmitů. Shocked Při tom pucování nejdříve uchošťour vyloženě drhne a na konci když už skoro nešpiní, tak zase tak nějak vrže. Regum někde mám, musím po něm zítra za světla kouknout.
Z beden jsem pro basák vyrazil ty natlučený M3 šrouby a převrtal na M4 zubatý matky do dřeva, osadil je zevnitř ozvučnice, takže zepředu budou normální šrouby s hlavama. Pak jsem ještě objednal na Reproobchodu věci na vyhybku a natřel předek bedny a koše repráků, co bude zepředu vidět skrz ten plastovej cedník, černým matným Eternalem.
Zkoušel jsem taky malinko zestejnit autolakýrnickou houbičkou 400 původní lak. Zešedlo to jak se obroušenina dostala do pórů potahový dýhy. Tlakovým vzduchem to šlo z pórů bez problémů vyfoukat. Zkusím zezadu na bedně natřít kousek polyuretanovým jednosložkovým, bezbarvým matným Movipurem od Sokrata, co to bude na původním laku dělat a zda se nebude muset vibračkou z toho starýho laku stáhnout. Nikdo neví, jestli to je původně nitro a nebo syntetika. V tý době asi vodovky ještě nebyly, epoxyd byl drahej a jen lesklej a polyuretan byl velice úzkej dovoz profil.

_________________
Jirka

Proč mi nemůže všechno chodit hned ?!!
Návrat nahoru
Zobrazit informace o autorovi Odeslat soukromou zprávu
Celeron



Založen: Apr 02, 2011
Příspěvky: 20135
Bydliště: Nový Bydžov

PříspěvekZaslal: po leden 13 2025, 19:26    Předmět: Citovat

Konosuke, co nechápeš? Velký muzikantský bedny jsme v devadesátkách zevnitř stěny potáhli bublinovým křupacím igelitem. No a ten se jaksi nedá lepit, takže se na stěny přicvakal stavební sešívačkou. Jenže do těch beden se lezlo zadem. 160 mm dírou basovýho repráku sešívačku neprostrčíš.
_________________
Jirka

Proč mi nemůže všechno chodit hned ?!!
Návrat nahoru
Zobrazit informace o autorovi Odeslat soukromou zprávu
Zobrazit příspěvky z předchozích:   
Přidat nové téma   Zaslat odpověď       Obsah fóra Diskuzní fórum Elektro Bastlírny -> Audiotechnika Časy uváděny v GMT + 1 hodina
Jdi na stránku 1, 2, 3, 4, 5, 6  Další
Strana 1 z 6

 
Přejdi na:  
Nemůžete odesílat nové téma do tohoto fóra.
Nemůžete odpovídat na témata v tomto fóru.
Nemůžete upravovat své příspěvky v tomto fóru.
Nemůžete mazat své příspěvky v tomto fóru.
Nemůžete hlasovat v tomto fóru.
Nemůžete připojovat soubory k příspěvkům
Můžete stahovat a prohlížet přiložené soubory

Powered by phpBB © 2001, 2005 phpBB Group
Forums ©
Nuke - Elektro Bastlirna

Informace na portálu Elektro bastlírny jsou prezentovány za účelem vzdělání čtenářů a rozšíření zájmu o elektroniku. Autoři článků na serveru neberou žádnou zodpovědnost za škody vzniklé těmito zapojeními. Rovněž neberou žádnou odpovědnost za případnou újmu na zdraví vzniklou úrazem elektrickým proudem. Autoři a správci těchto stránek nepřejímají záruku za správnost zveřejněných materiálů. Předkládané informace a zapojení jsou zveřejněny bez ohledu na případné patenty třetích osob. Nároky na odškodnění na základě změn, chyb nebo vynechání jsou zásadně vyloučeny. Všechny registrované nebo jiné obchodní známky zde použité jsou majetkem jejich vlastníků. Uvedením nejsou zpochybněna z toho vyplývající vlastnická práva. Použití konstrukcí v rozporu se zákonem je přísně zakázáno. Vzhledem k tomu, že původ předkládaných materiálů nelze žádným způsobem dohledat, nelze je použít pro komerční účely! Tento nekomerční server nemá z uvedených zapojení či konstrukcí žádný zisk. Nezodpovídáme za pravost předkládaných materiálů třetími osobami a jejich původ. V případě, že zjistíte porušení autorského práva či jiné nesrovnalosti, kontaktujte administrátory na diskuzním fóru EB.


PHP-Nuke Copyright © 2005 by Francisco Burzi. This is free software, and you may redistribute it under the GPL. PHP-Nuke comes with absolutely no warranty, for details, see the license.
Čas potřebný ke zpracování stránky 0.68 sekund