Vítejte na Elektro Bastlírn?
Nuke - Elektro Bastlirna
  Vytvořit účet Hlavní · Fórum · DDump · Profil · Zprávy · Hledat na fóru · Příspěvky na provoz EB

Vlákno na téma KORONAVIRUS - nutná registrace


Nuke - Elektro Bastlirna: Diskuzní fórum

 FAQFAQ   HledatHledat   Uživatelské skupinyUživatelské skupiny   ProfilProfil   Soukromé zprávySoukromé zprávy   PřihlášeníPřihlášení 

princip detekce AC napětí

 
Přidat nové téma   Zaslat odpověď       Obsah fóra Diskuzní fórum Elektro Bastlírny -> Programování PIC, ATMEL, EEPROM a dalších obvodů
Zobrazit předchozí téma :: Zobrazit následující téma  
Autor Zpráva
bu2520



Založen: Jul 16, 2007
Příspěvky: 4733
Bydliště: u HK

PříspěvekZaslal: pá leden 10 2025, 9:08    Předmět: princip detekce AC napětí Citovat

jaká složka se detekuje u tohoto zapojení ? V bodu S90 je 2,8V DC a 2,8V AC, při sepnutí triaku Je DC 2,8V a AC 0V procesor vyhazuje chybu, že tam tu změnu nevidí. Nějak v tom nemám jasno. Možná je to vada , ale nejsem si jist.


drain.jpg
 Komentář:
 Velikost:  17.99 kB
 Zobrazeno:  66 krát

drain.jpg


Návrat nahoru
Zobrazit informace o autorovi Odeslat soukromou zprávu
samec



Založen: Dec 19, 2017
Příspěvky: 5750

PříspěvekZaslal: pá leden 10 2025, 9:19    Předmět: Citovat

fáza

Podľa schémy by DC malo byť 5V/2 = 2,5V.
AC by malo byť cca L(230V ?)/200 = 1,2V ? Asi máš prechytralý multimeter.
2x 2,8V je 5,6V. Skontroluj napájanie +5V. Asi vadné filtračné kondenzátory.
Návrat nahoru
Zobrazit informace o autorovi Odeslat soukromou zprávu
bu2520



Založen: Jul 16, 2007
Příspěvky: 4733
Bydliště: u HK

PříspěvekZaslal: pá leden 10 2025, 10:11    Předmět: Citovat

5V je v pořádku se zvlněním cca 40mV, bez zátěže je na tom děliči 2.57V s připojenou zátěží 2,75V AC napětí měřena amplituda 2,7V proti GND po sepnutí triaku amplituda v řádu mV.
Omlouvám se za hloupost, ale jak ten vstup procesoru indikuje tu střídavou složku? meří frekvenci? nebo porovnává s jiným vstupem fázi?
Návrat nahoru
Zobrazit informace o autorovi Odeslat soukromou zprávu
samec



Založen: Dec 19, 2017
Příspěvky: 5750

PříspěvekZaslal: pá leden 10 2025, 10:25    Předmět: Citovat

Nepíšeš, aký je to procesor. Kľudne môže mať na vstupe AD prevodník. Potom môže softvérovo vyhodnocovať množstvo parametrov, napríklad aj fázu, na základe ktorej môže spínať záťaž v nule, alebo fázovo riadiť výkon.

Naposledy upravil samec dne pá leden 10 2025, 10:34, celkově upraveno 2 krát.
Návrat nahoru
Zobrazit informace o autorovi Odeslat soukromou zprávu
bu2520



Založen: Jul 16, 2007
Příspěvky: 4733
Bydliště: u HK

PříspěvekZaslal: pá leden 10 2025, 10:32    Předmět: Citovat

je to Motorola 68HC08, zřejmě to vypadá na nějaký Softwarový problém, nebo probém vstupu. Nový bin nemám tak bohužel . Díky za ochotu a info
Návrat nahoru
Zobrazit informace o autorovi Odeslat soukromou zprávu
samec



Založen: Dec 19, 2017
Příspěvky: 5750

PříspěvekZaslal: pá leden 10 2025, 10:37    Předmět: Citovat

Amplitúda 2,75V AC je dosť mimo.

230V x √2 x (4840Ω || 4840Ω) / (470kΩ + (4840Ω || 4840Ω)) je amplitúda 1,67V (3,33Vpp). Teda 2,75V je veľa.
Ak ti multimeter ukazuje AC+DC, tak 2,75V-2,57V = 0,18V a to je zas málo.
To by znamenalo problém so záťažou, alebo vadný R205 470k.
Návrat nahoru
Zobrazit informace o autorovi Odeslat soukromou zprávu
bu2520



Založen: Jul 16, 2007
Příspěvky: 4733
Bydliště: u HK

PříspěvekZaslal: pá leden 10 2025, 10:45    Předmět: Citovat

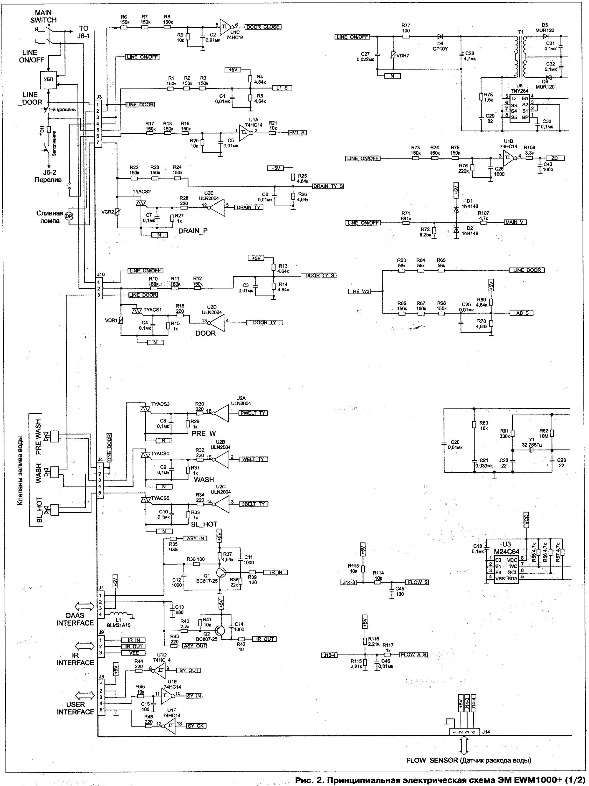
Amplitudu mi měří osciloskop rezistorový dělič je realizovaný třemi odpory 150K to schema není detailně přesné, ale zásadní změny tam nejsou.
Návrat nahoru
Zobrazit informace o autorovi Odeslat soukromou zprávu
masar



Založen: Dec 03, 2005
Příspěvky: 13731

PříspěvekZaslal: pá leden 10 2025, 13:30    Předmět: Citovat

Celé schema je zřejmě tohle:
Wink



schema.png
 Komentář:
 Velikost:  186.84 kB
 Zobrazeno:  97 krát

schema.png


Návrat nahoru
Zobrazit informace o autorovi Odeslat soukromou zprávu Odeslat e-mail
Zobrazit příspěvky z předchozích:   
Přidat nové téma   Zaslat odpověď       Obsah fóra Diskuzní fórum Elektro Bastlírny -> Programování PIC, ATMEL, EEPROM a dalších obvodů Časy uváděny v GMT + 1 hodina
Strana 1 z 1

 
Přejdi na:  
Nemůžete odesílat nové téma do tohoto fóra.
Nemůžete odpovídat na témata v tomto fóru.
Nemůžete upravovat své příspěvky v tomto fóru.
Nemůžete mazat své příspěvky v tomto fóru.
Nemůžete hlasovat v tomto fóru.
Nemůžete připojovat soubory k příspěvkům
Můžete stahovat a prohlížet přiložené soubory

Powered by phpBB © 2001, 2005 phpBB Group
Forums ©
Nuke - Elektro Bastlirna

Informace na portálu Elektro bastlírny jsou prezentovány za účelem vzdělání čtenářů a rozšíření zájmu o elektroniku. Autoři článků na serveru neberou žádnou zodpovědnost za škody vzniklé těmito zapojeními. Rovněž neberou žádnou odpovědnost za případnou újmu na zdraví vzniklou úrazem elektrickým proudem. Autoři a správci těchto stránek nepřejímají záruku za správnost zveřejněných materiálů. Předkládané informace a zapojení jsou zveřejněny bez ohledu na případné patenty třetích osob. Nároky na odškodnění na základě změn, chyb nebo vynechání jsou zásadně vyloučeny. Všechny registrované nebo jiné obchodní známky zde použité jsou majetkem jejich vlastníků. Uvedením nejsou zpochybněna z toho vyplývající vlastnická práva. Použití konstrukcí v rozporu se zákonem je přísně zakázáno. Vzhledem k tomu, že původ předkládaných materiálů nelze žádným způsobem dohledat, nelze je použít pro komerční účely! Tento nekomerční server nemá z uvedených zapojení či konstrukcí žádný zisk. Nezodpovídáme za pravost předkládaných materiálů třetími osobami a jejich původ. V případě, že zjistíte porušení autorského práva či jiné nesrovnalosti, kontaktujte administrátory na diskuzním fóru EB.


PHP-Nuke Copyright © 2005 by Francisco Burzi. This is free software, and you may redistribute it under the GPL. PHP-Nuke comes with absolutely no warranty, for details, see the license.
Čas potřebný ke zpracování stránky 0.24 sekund