Vítejte na Elektro Bastlírn?
Nuke - Elektro Bastlirna
  Vytvořit účet Hlavní · Fórum · DDump · Profil · Zprávy · Hledat na fóru · Příspěvky na provoz EB

Vlákno na téma KORONAVIRUS - nutná registrace


Nuke - Elektro Bastlirna: Diskuzní fórum

 FAQFAQ   HledatHledat   Uživatelské skupinyUživatelské skupiny   ProfilProfil   Soukromé zprávySoukromé zprávy   PřihlášeníPřihlášení 

FM přijímač TEA5767

 
Přidat nové téma   Zaslat odpověď       Obsah fóra Diskuzní fórum Elektro Bastlírny -> Miniaturní počítače (Arduino, Raspberry a další)
Zobrazit předchozí téma :: Zobrazit následující téma  
Autor Zpráva
Celeron



Založen: Apr 02, 2011
Příspěvky: 20185
Bydliště: Nový Bydžov

PříspěvekZaslal: ne leden 05 2025, 18:14    Předmět: FM přijímač TEA5767 Citovat

Volal mě kámoš, že jeho mladej by si chtěl zkusit postavit FM rádio s TEA5767 s řízením Arduinem, co vyšlo v AR_PE 12/2024. Jestli mu s tím pokud bude mít problém pomůžu.
No vůbec se mi nechce. Podle mě to tak, jak to je v časáku publikovaný, to znamená holý moduly naházený do krabice nebude chodit. Tedy možná bude, ale určitě to bude rušený, možná úplně zahlcený hadmonikama z Arduina. Snad by pomohlo ty jednotlivý moduly zaškatulkovat do krabek z pocínovanýho plechu, napájení přes tlumivky a průchodkový kondy.
Vím, jak jsme si užili kdysi dávno s digitální stupnicí u Němcovýho VKV tuneru. Jak se zapla stupnice, tak příjem v podstatě zmizel. A ani to zaškatulkování mezule, stupnice i displeje nepomohlo. Ale stupnice byla na TTL s velkejma proudama, Arduino by nemuselo tolik vyzařovat.
Zkoušel jste někdo tenhle TEA5767 rozhejbat jen tak na "prkýnku", jak je to v AR_PE?

_________________
Jirka

Proč mi nemůže všechno chodit hned ?!!
Návrat nahoru
Zobrazit informace o autorovi Odeslat soukromou zprávu
teufel



Založen: Feb 09, 2017
Příspěvky: 492
Bydliště: Na dohled od Spolany

PříspěvekZaslal: ne leden 05 2025, 20:01    Předmět: Citovat

Ať se nejdříve podívá do
PE 4/2021, s.11 - dělal to radioamatér, věřil bych tomu víc
PE 9/2017, s.26 - s jiným modulem, krásně jednoduché
Návrat nahoru
Zobrazit informace o autorovi Odeslat soukromou zprávu
pocitujlasku



Založen: Dec 12, 2005
Příspěvky: 2716
Bydliště: SR, Poprad

PříspěvekZaslal: ne leden 05 2025, 20:23    Předmět: Citovat

tea som skusal len tak. nie uplne s arduino, ale mam to s esp modulom. Zabudoval som to do starej 2.1 zostavy, ktora bola povodne k pc. Na zahradu, ako kulisa v pohode, nepocut tam ziadne zarusenie, alebo nejake extra pazvuky. Proste klasicky tranzistorak.
Skusal som aj zapojenie s RDA5807M - co je priamo napajanie 3.3V a tiez na nenarocny posluch je to ok. Len tieto moduly sa dost blbo pajkuju, neviem ako je to v AR, lebo uz ho par rokov necitam.

_________________
No vidis, a tak si sa bal
Návrat nahoru
Zobrazit informace o autorovi Odeslat soukromou zprávu
martinkopp



Založen: Oct 12, 2023
Příspěvky: 1137

PříspěvekZaslal: po leden 06 2025, 0:30    Předmět: Citovat

TEA5767 je DSP rádio. To s historickým orlojem z tun cívek a kondíků nemůžeš srovnávat. Já to měl taky v jedné škatuli s mcu, displejem, D-čkovým koncem a spínaným AC/DC zdrojem a s rušením nebyl žádný problém. Prostě klacické rádio do dílny.
Návrat nahoru
Zobrazit informace o autorovi Odeslat soukromou zprávu
Celeron



Založen: Apr 02, 2011
Příspěvky: 20185
Bydliště: Nový Bydžov

PříspěvekZaslal: po leden 06 2025, 10:30    Předmět: Citovat

teufel napsal(a):
PE 4/2021, s.11 - dělal to radioamatér, věřil bych tomu víc
PE 9/2017, s.26 - s jiným modulem, krásně jednoduché

Díky ze tipy. Obojí má pro mě "exotický" procesory na který asi široko daleko kolem neseženem programování, případně ladění. A to spínání většího proudu LED displeje z roku 2017, to po mých zkušenostech s Němcem bude problém. Pokud se totiž odpojilo napájení LED stupnice, tak to rušení téměř zmizelo.

_________________
Jirka

Proč mi nemůže všechno chodit hned ?!!
Návrat nahoru
Zobrazit informace o autorovi Odeslat soukromou zprávu
JirkaZ



Založen: Feb 26, 2021
Příspěvky: 3738

PříspěvekZaslal: po leden 06 2025, 15:12    Předmět: Citovat

Celeron napsal(a):
...
Vím, jak jsme si užili kdysi dávno s digitální stupnicí u Němcovýho VKV tuneru. Jak se zapla stupnice, tak příjem v podstatě zmizel. A ani to zaškatulkování mezule, stupnice i displeje nepomohlo. Ale stupnice byla na TTL s velkejma proudama


Ano, u mě příjem nezmizel, ale byl různou měrou rušený (což mi zejména u Bayern III 94,7 MHz dost vadilo Wink ).

No a proto jsem o něco později udělal předděličku s imperialistickými ECL a hlavní desku stupnice (tam kde to šlo) nově osadil opět imperialistickými LS. A bylo prakticky po problému...

_________________
Kdo chce, hledá způsob;
kdo ne - hledá důvod.

Ze dvou možností často volím tu třetí.
Návrat nahoru
Zobrazit informace o autorovi Odeslat soukromou zprávu
Artaban001



Založen: Apr 01, 2004
Příspěvky: 10068
Bydliště: Pendrov

PříspěvekZaslal: po leden 06 2025, 15:51    Předmět: Citovat

Mám tohle rádio z Tipy, kde jej prodávali jako stavebnici a hraje docela solidně. Jen jej nemám jak "zakrabicovat".
Návrat nahoru
Zobrazit informace o autorovi Odeslat soukromou zprávu Odeslat e-mail
hafca



Založen: Jul 27, 2004
Příspěvky: 4699
Bydliště: 25km na západ od Prahy

PříspěvekZaslal: po leden 06 2025, 20:09    Předmět: Citovat

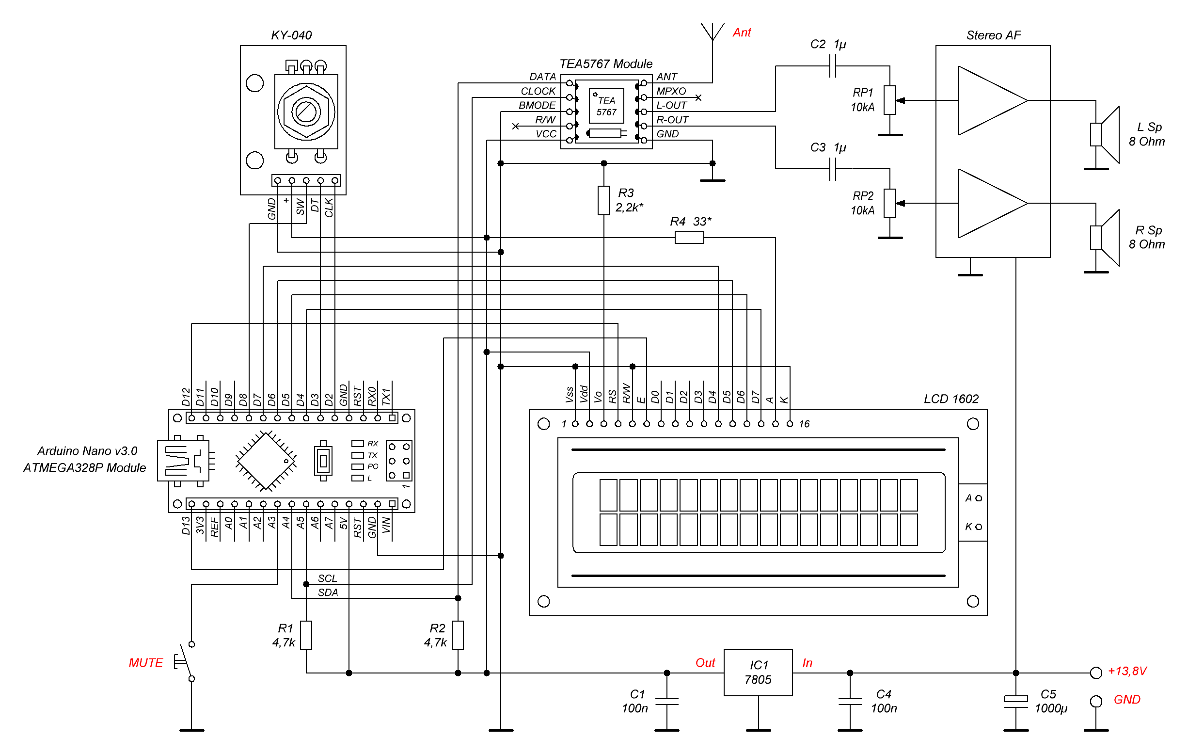
Kdyby to nemuselo být podle AR, je tu těch možností víc. Já s tím stavěl to, co je obrázku. Jen pohon displeje jsem si předělal na I2C. A hraje to docela obstojně. Možná by tomu slušela větší anténa, ale jako nouzovka s pohonem na powerbanku to jde. Zkoušel jsem několik variant, ale tohle chodilo asi nejlíp. Modul jsem připájel na malou DPS a na ní jsou jen kolíky na zasunutí do konektoru.


IMG_20250106_194720.jpg
 Komentář:
 Velikost:  130.61 kB
 Zobrazeno:  88 krát

IMG_20250106_194720.jpg



IMG_20250106_195705.jpg
 Komentář:
 Velikost:  138.78 kB
 Zobrazeno:  76 krát

IMG_20250106_195705.jpg



arduino_nano_fm_rx_tea5767_mute.gif
 Komentář:
 Velikost:  81.37 kB
 Zobrazeno:  121 krát

arduino_nano_fm_rx_tea5767_mute.gif



_________________
Kdyby Edison nevynalezl elektřinu, do teď se díváme na televizi při svíčkách.
Návrat nahoru
Zobrazit informace o autorovi Odeslat soukromou zprávu
Atlan



Založen: May 10, 2004
Příspěvky: 4514
Bydliště: Košice

PříspěvekZaslal: út únor 04 2025, 21:30    Předmět: Citovat

https://svetelektro.com/phpbb/?w3=dmlld3RvcGljLnBocD90PTU1NTUx
Návrat nahoru
Zobrazit informace o autorovi Odeslat soukromou zprávu
Zobrazit příspěvky z předchozích:   
Přidat nové téma   Zaslat odpověď       Obsah fóra Diskuzní fórum Elektro Bastlírny -> Miniaturní počítače (Arduino, Raspberry a další) Časy uváděny v GMT + 1 hodina
Strana 1 z 1

 
Přejdi na:  
Nemůžete odesílat nové téma do tohoto fóra.
Nemůžete odpovídat na témata v tomto fóru.
Nemůžete upravovat své příspěvky v tomto fóru.
Nemůžete mazat své příspěvky v tomto fóru.
Nemůžete hlasovat v tomto fóru.
Nemůžete připojovat soubory k příspěvkům
Můžete stahovat a prohlížet přiložené soubory

Powered by phpBB © 2001, 2005 phpBB Group
Forums ©
Nuke - Elektro Bastlirna

Informace na portálu Elektro bastlírny jsou prezentovány za účelem vzdělání čtenářů a rozšíření zájmu o elektroniku. Autoři článků na serveru neberou žádnou zodpovědnost za škody vzniklé těmito zapojeními. Rovněž neberou žádnou odpovědnost za případnou újmu na zdraví vzniklou úrazem elektrickým proudem. Autoři a správci těchto stránek nepřejímají záruku za správnost zveřejněných materiálů. Předkládané informace a zapojení jsou zveřejněny bez ohledu na případné patenty třetích osob. Nároky na odškodnění na základě změn, chyb nebo vynechání jsou zásadně vyloučeny. Všechny registrované nebo jiné obchodní známky zde použité jsou majetkem jejich vlastníků. Uvedením nejsou zpochybněna z toho vyplývající vlastnická práva. Použití konstrukcí v rozporu se zákonem je přísně zakázáno. Vzhledem k tomu, že původ předkládaných materiálů nelze žádným způsobem dohledat, nelze je použít pro komerční účely! Tento nekomerční server nemá z uvedených zapojení či konstrukcí žádný zisk. Nezodpovídáme za pravost předkládaných materiálů třetími osobami a jejich původ. V případě, že zjistíte porušení autorského práva či jiné nesrovnalosti, kontaktujte administrátory na diskuzním fóru EB.


PHP-Nuke Copyright © 2005 by Francisco Burzi. This is free software, and you may redistribute it under the GPL. PHP-Nuke comes with absolutely no warranty, for details, see the license.
Čas potřebný ke zpracování stránky 0.19 sekund