Vítejte na Elektro Bastlírn?
Nuke - Elektro Bastlirna
  Vytvořit účet Hlavní · Fórum · DDump · Profil · Zprávy · Hledat na fóru · Příspěvky na provoz EB

Vlákno na téma KORONAVIRUS - nutná registrace


Nuke - Elektro Bastlirna: Diskuzní fórum

 FAQFAQ   HledatHledat   Uživatelské skupinyUživatelské skupiny   ProfilProfil   Soukromé zprávySoukromé zprávy   PřihlášeníPřihlášení 

Náhrada tranzistoru AF126 v rádiu Nordmende spectro phonic
Jdi na stránku 1, 2  Další
 
Přidat nové téma   Zaslat odpověď       Obsah fóra Diskuzní fórum Elektro Bastlírny -> Opravy a restaurování starých elektropřístrojů
Zobrazit předchozí téma :: Zobrazit následující téma  
Autor Zpráva
Milan



Založen: Apr 02, 2012
Příspěvky: 1430
Bydliště: Vysočina

PříspěvekZaslal: po listopad 18 2024, 17:22    Předmět: Náhrada tranzistoru AF126 v rádiu Nordmende spectro phonic Citovat

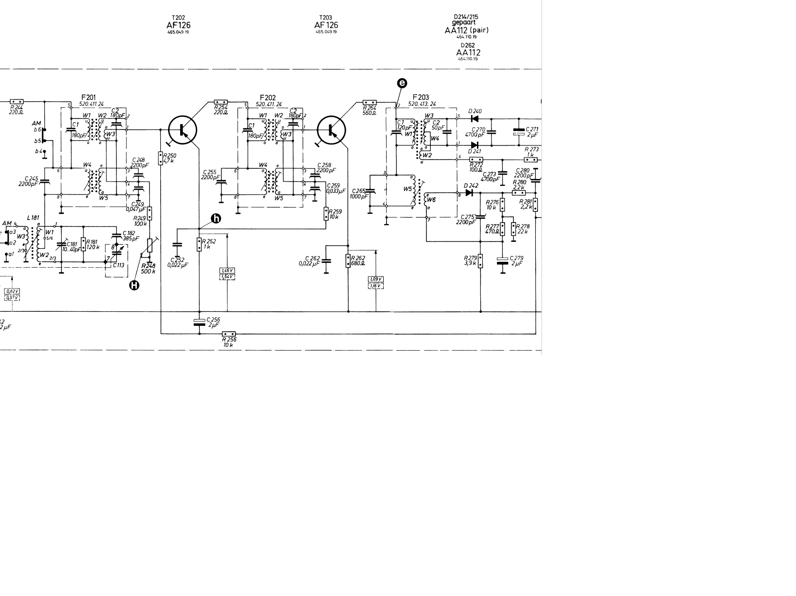
Potřeboval bych nahradit proražený Ge tranzistor AF126 v mf zesilovači (460 kHz, 10,7 MHz) na pozici T203 něčím v tuzemsku sehnatelným , nejlépe, bylo-li by to možné , nějakým Si pnp tranzistorem . Popř. koupím, měl-li by někdo navíc .

Díky za názor resp. radu.



Nordmende Spectro phonic MF zesilovač.png
 Komentář:
 Velikost:  183.25 kB
 Zobrazeno:  172 krát

Nordmende Spectro phonic MF zesilovač.png


Návrat nahoru
Zobrazit informace o autorovi Odeslat soukromou zprávu
masar



Založen: Dec 03, 2005
Příspěvky: 13896

PříspěvekZaslal: po listopad 18 2024, 17:35    Předmět: Citovat

Co třeba OC169 nebo OC170?
Wink
Návrat nahoru
Zobrazit informace o autorovi Odeslat soukromou zprávu Odeslat e-mail
Jarda_6



Založen: Nov 03, 2018
Příspěvky: 17
Bydliště: NR RK

PříspěvekZaslal: po listopad 18 2024, 17:51    Předmět: Citovat

Denkl skončil. Sad Má to na úvodní stránce.
Návrat nahoru
Zobrazit informace o autorovi Odeslat soukromou zprávu
xsc



Založen: Sep 25, 2014
Příspěvky: 8393

PříspěvekZaslal: po listopad 18 2024, 17:54    Předmět: Citovat

Ano, nejjednodušší je Teslácký OC170. Můžeš taky použít ruský GT322. A třeba v T61 jsem místo AF117 použil BC560 bez jakékoliv úpravy pracovního bodu.
Návrat nahoru
Zobrazit informace o autorovi Odeslat soukromou zprávu
Milan



Založen: Apr 02, 2012
Příspěvky: 1430
Bydliště: Vysočina

PříspěvekZaslal: po listopad 18 2024, 18:35    Předmět: Citovat

Nemám s takovou náhradou praktickou zkušenost . Změnit pracovní bod
pro Si tranzistor bude asi problematické, protože je ss svázán s předchozím
a s AVC . Navíc je tam pro 460 kHz neutralizační vinutí W3 , bude-li mít
náhrada menší C cb , může to kmitat, bude-li větší , zmenší se zesílení .
Takže "babo raď " Smile .
Návrat nahoru
Zobrazit informace o autorovi Odeslat soukromou zprávu
xsc



Založen: Sep 25, 2014
Příspěvky: 8393

PříspěvekZaslal: po listopad 18 2024, 18:43    Předmět: Citovat

Nemyslím si, že W3 je neutralizační. Je to impedanční přizpůsobení abys nezatlumil W2/C2, reálně by stačila odbočka z W2. To OC je nejblíž.
Návrat nahoru
Zobrazit informace o autorovi Odeslat soukromou zprávu
ccode



Založen: May 09, 2007
Příspěvky: 199
Bydliště: nedaleko od Prahy

PříspěvekZaslal: po listopad 18 2024, 18:56    Předmět: Citovat

OC170 i GT322 v případě zájmu mám. Jsou nepoužité.
Návrat nahoru
Zobrazit informace o autorovi Odeslat soukromou zprávu
EKKAR



Založen: Mar 16, 2005
Příspěvky: 34827
Bydliště: Česká Třebová, JN89FW21

PříspěvekZaslal: po listopad 18 2024, 19:13    Předmět: Citovat

Jsem v hokně, ale zejtra se podívám, jestli nějaký podobný bambusárium nemám, samozřejmě použitý, bohužel...
_________________
Nasliněný prst na svorkovnici domovního rozvaděče: Jó, paninko, máte tam ty Voltíky všecky...
A kutilmile - nelituju tě Mr. Green Mr. Green !!!
Návrat nahoru
Zobrazit informace o autorovi Odeslat soukromou zprávu Odeslat e-mail
masar



Založen: Dec 03, 2005
Příspěvky: 13896

PříspěvekZaslal: po listopad 18 2024, 19:20    Předmět: Citovat

Myslím, že W3 není neutralizační, ale pouze vazební pro FM. Pokud budeš nahrazovat T202 křemíkem, pak stačí upravit pouze jeho pracovní bod na stejný emitorový proud (úbytek na R252) pouze změnou R248+R249. Druhý stupeň to neovlivní.
Wink
Návrat nahoru
Zobrazit informace o autorovi Odeslat soukromou zprávu Odeslat e-mail
Milan



Založen: Apr 02, 2012
Příspěvky: 1430
Bydliště: Vysočina

PříspěvekZaslal: po listopad 18 2024, 19:44    Předmět: Citovat

Díky za celkově příznivé zprávy .Mám tu nějaké OC170 kuchané, zkusím,
jestli ještě Ge s krátkými nohami zapájím bez zničení Smile . Také tu mám pár BF414 - je to použitelné s úpravou prac. bodu ?

Oprava : BF404 pnp do 100 MHz , C cb cca 1pF


Naposledy upravil Milan dne po listopad 18 2024, 22:49, celkově upraveno 1 krát.
Návrat nahoru
Zobrazit informace o autorovi Odeslat soukromou zprávu
masar



Založen: Dec 03, 2005
Příspěvky: 13896

PříspěvekZaslal: po listopad 18 2024, 19:56    Předmět: Citovat

To je NPN tranzistor.
Wink
Návrat nahoru
Zobrazit informace o autorovi Odeslat soukromou zprávu Odeslat e-mail
HF_Tech



Založen: Apr 25, 2022
Příspěvky: 1844

PříspěvekZaslal: po listopad 18 2024, 20:28    Předmět: Citovat

S největší pravděpodobností bude stačit zmenšit R262 na 560 Ohm a použít běžný křemíkový PNP tranzistor. Klidně i BC556.
Návrat nahoru
Zobrazit informace o autorovi Odeslat soukromou zprávu
BOBOBO
Doporučuje se dohled moderátorů


Založen: Feb 25, 2008
Příspěvky: 20563
Bydliště: Rychnovsko

PříspěvekZaslal: po listopad 18 2024, 20:43    Předmět: Citovat

To snad s dnešními páječkami ani zničit nelze . Nevím , jak staré máš šuplíky , ale dej tam co vyhrábneš .
Návrat nahoru
Zobrazit informace o autorovi Odeslat soukromou zprávu
EKKAR



Založen: Mar 16, 2005
Příspěvky: 34827
Bydliště: Česká Třebová, JN89FW21

PříspěvekZaslal: po listopad 18 2024, 21:09    Předmět: Citovat

Vyhověl by ruSSáckej ГТ326? Myslím, že bych takovej mohl vyhrabat ...
_________________
Nasliněný prst na svorkovnici domovního rozvaděče: Jó, paninko, máte tam ty Voltíky všecky...
A kutilmile - nelituju tě Mr. Green Mr. Green !!!
Návrat nahoru
Zobrazit informace o autorovi Odeslat soukromou zprávu Odeslat e-mail
jardafiala



Založen: Jun 20, 2010
Příspěvky: 2444
Bydliště: Česká Lípa

PříspěvekZaslal: po listopad 18 2024, 22:42    Předmět: Citovat

Zatím nezačnu ale kdyby nic z předešlého nevyjde tak můžu zkusit hlubokou orbu....Když ak SZ.
Návrat nahoru
Zobrazit informace o autorovi Odeslat soukromou zprávu Odeslat e-mail
Zobrazit příspěvky z předchozích:   
Přidat nové téma   Zaslat odpověď       Obsah fóra Diskuzní fórum Elektro Bastlírny -> Opravy a restaurování starých elektropřístrojů Časy uváděny v GMT + 1 hodina
Jdi na stránku 1, 2  Další
Strana 1 z 2

 
Přejdi na:  
Nemůžete odesílat nové téma do tohoto fóra.
Nemůžete odpovídat na témata v tomto fóru.
Nemůžete upravovat své příspěvky v tomto fóru.
Nemůžete mazat své příspěvky v tomto fóru.
Nemůžete hlasovat v tomto fóru.
Nemůžete připojovat soubory k příspěvkům
Můžete stahovat a prohlížet přiložené soubory

Powered by phpBB © 2001, 2005 phpBB Group
Forums ©
Nuke - Elektro Bastlirna

Informace na portálu Elektro bastlírny jsou prezentovány za účelem vzdělání čtenářů a rozšíření zájmu o elektroniku. Autoři článků na serveru neberou žádnou zodpovědnost za škody vzniklé těmito zapojeními. Rovněž neberou žádnou odpovědnost za případnou újmu na zdraví vzniklou úrazem elektrickým proudem. Autoři a správci těchto stránek nepřejímají záruku za správnost zveřejněných materiálů. Předkládané informace a zapojení jsou zveřejněny bez ohledu na případné patenty třetích osob. Nároky na odškodnění na základě změn, chyb nebo vynechání jsou zásadně vyloučeny. Všechny registrované nebo jiné obchodní známky zde použité jsou majetkem jejich vlastníků. Uvedením nejsou zpochybněna z toho vyplývající vlastnická práva. Použití konstrukcí v rozporu se zákonem je přísně zakázáno. Vzhledem k tomu, že původ předkládaných materiálů nelze žádným způsobem dohledat, nelze je použít pro komerční účely! Tento nekomerční server nemá z uvedených zapojení či konstrukcí žádný zisk. Nezodpovídáme za pravost předkládaných materiálů třetími osobami a jejich původ. V případě, že zjistíte porušení autorského práva či jiné nesrovnalosti, kontaktujte administrátory na diskuzním fóru EB.


PHP-Nuke Copyright © 2005 by Francisco Burzi. This is free software, and you may redistribute it under the GPL. PHP-Nuke comes with absolutely no warranty, for details, see the license.
Čas potřebný ke zpracování stránky 0.48 sekund