Vítejte na Elektro Bastlírn?
Nuke - Elektro Bastlirna
  Vytvořit účet
Hlavní · Fórum · DDump · Profil · Zprávy · Hledat na fóru


Nuke - Elektro Bastlirna: Diskuzní fórum

 FAQFAQ   HledatHledat   Uživatelské skupinyUživatelské skupiny   ProfilProfil   Soukromé zprávySoukromé zprávy   PřihlášeníPřihlášení 

S: Osciloskopická obrazovka D13-47

 
Přidat nové téma   Zaslat odpověď       Obsah fóra Diskuzní fórum Elektro Bastlírny -> Sháňka po přístrojích, součástkách nebo náhradních dílech
Zobrazit předchozí téma :: Zobrazit následující téma  
Autor Zpráva
ondraN



Založen: Aug 16, 2022
Příspěvky: 923
Bydliště: Roztoky

PříspěvekZaslal: čt říjen 24 2024, 6:37    Předmět: S: Osciloskopická obrazovka D13-47 Citovat

Kdybyste měl náhodou někdo k prodeji, určitě se ohodneme.
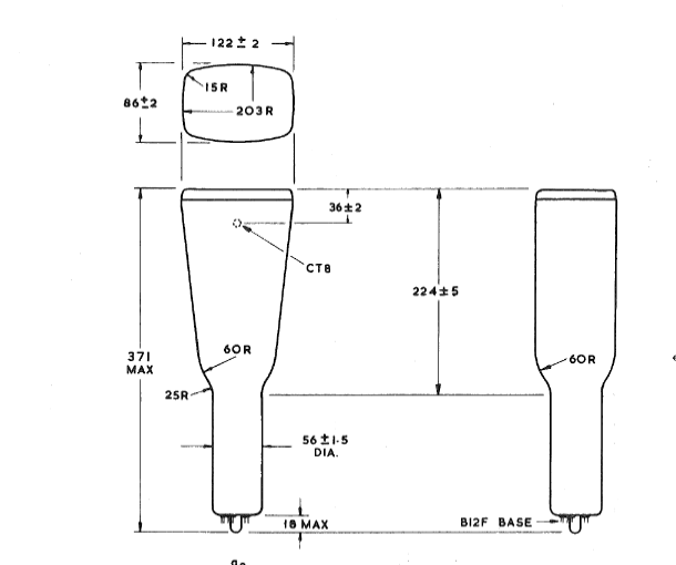
Stačí holá obrazovka bez krytu a patice.



D13-47 crt.png
 Komentář:
 Velikost:  36.16 kB
 Zobrazeno:  67 krát

D13-47 crt.png


Návrat nahoru
Zobrazit informace o autorovi Odeslat soukromou zprávu Odeslat e-mail
Emil



Založen: Jun 27, 2015
Příspěvky: 133

PříspěvekZaslal: čt říjen 24 2024, 18:43    Předmět: Citovat

Ahoj. Neviem ci ti to pomoze, mam obrazovku z ruskeho osciloskopu C1-92.Tvoje rozmery 371-395, 122-140, 86-120, 56-54,5, 18-17,4.
Návrat nahoru
Zobrazit informace o autorovi Odeslat soukromou zprávu
ondraN



Založen: Aug 16, 2022
Příspěvky: 923
Bydliště: Roztoky

PříspěvekZaslal: čt říjen 24 2024, 18:53    Předmět: Citovat

Díky, ale to by se tam nevešlo. Navíc má příliš velké akcelerační napětí. Tohle je ze starého osciloskopu Telequipment (rok 69), který jsem koupil a idiot ho poslal v kartonové krabici jen tak, ikdyž jsem ho upozorňoval že je to opravdu křehké. No, a obrazovka je na střepy Sad
Návrat nahoru
Zobrazit informace o autorovi Odeslat soukromou zprávu Odeslat e-mail
fredis



Založen: Nov 17, 2004
Příspěvky: 5552
Bydliště: Třebíčsko

PříspěvekZaslal: pá říjen 25 2024, 9:20    Předmět: Citovat

No tak u tohodle to snad není až tak velká škoda Wink . Mě přesně stejně jeden obrazek_cenzura poslal 485ku Twisted Evil Rolling Eyes .
_________________
Rotor rotuje a stator stagnuje...
Návrat nahoru
Zobrazit informace o autorovi Odeslat soukromou zprávu
ondraN



Založen: Aug 16, 2022
Příspěvky: 923
Bydliště: Roztoky

PříspěvekZaslal: pá říjen 25 2024, 9:44    Předmět: Citovat

Tak 485ku zrovna dělám Very Happy A mám na ni i druhou obrazovku, kdybys potřeboval.
Akorát že se v nabídce tyhle staré a již tranzistorové osciloskopy skoro nevyskytují. Jen naprosto vyjímečně se objeví. A pokud je to funkční kus a někdo to takhle zabije, to nas.re.
Návrat nahoru
Zobrazit informace o autorovi Odeslat soukromou zprávu Odeslat e-mail
fredis



Založen: Nov 17, 2004
Příspěvky: 5552
Bydliště: Třebíčsko

PříspěvekZaslal: pá říjen 25 2024, 10:42    Předmět: Citovat

Máš SZ.
_________________
Rotor rotuje a stator stagnuje...
Návrat nahoru
Zobrazit informace o autorovi Odeslat soukromou zprávu
danhard



Založen: Mar 05, 2007
Příspěvky: 6676
Bydliště: Jesenice u Prahy

PříspěvekZaslal: so listopad 30 2024, 12:31    Předmět: Citovat

Mám D10-119 do Hameg HM103, ta by se tam vešla a fungovala by bez dodatečného urychlení.
Nebo mám Telequipment D67 na opravu, obrazovka dobrá, měla by tam být D14-160.
Obrazovek D14 (obdélník s vnitřním rastrem) mám vícero, ale jsou cca 100x120mm vnější rozměr, délka cca 380mm.
Návrat nahoru
Zobrazit informace o autorovi Odeslat soukromou zprávu Odeslat e-mail
ondraN



Založen: Aug 16, 2022
Příspěvky: 923
Bydliště: Roztoky

PříspěvekZaslal: ne prosinec 01 2024, 9:40    Předmět: Citovat

Díky za nabídku, ale už jsem sehnal velmi podobnou obrazovku z nějakého HP. Taky nemá vyvedenou akcelerační anodu jak ta D10-119 a je tam jen -2kV na katodě.
Návrat nahoru
Zobrazit informace o autorovi Odeslat soukromou zprávu Odeslat e-mail
danhard



Založen: Mar 05, 2007
Příspěvky: 6676
Bydliště: Jesenice u Prahy

PříspěvekZaslal: ne prosinec 01 2024, 10:32    Předmět: Citovat

Urychlení 2kV má většina obrazovek D14 v osciloskopech do 20MHz.
Těch mám dostatek. D14 s dodatečným urychlením 12kV mám také.
Jde ale o tu velikost D13-47, ta není moc standardní.
Podobnou s dodatečným urychlením 3kV mám v nějakém poválečném vojenském osci, ale ta má obrazovku asi jen 60x80mm zobrazení, zbytečně malá. Něco jako B7S4 ale s obdélníkem stínítka, bez rastru.
Tvarování urychlujícího pole je tam odporovou spirálou na vnitřní straně.
Návrat nahoru
Zobrazit informace o autorovi Odeslat soukromou zprávu Odeslat e-mail
Zobrazit příspěvky z předchozích:   
Přidat nové téma   Zaslat odpověď       Obsah fóra Diskuzní fórum Elektro Bastlírny -> Sháňka po přístrojích, součástkách nebo náhradních dílech Časy uváděny v GMT + 1 hodina
Strana 1 z 1

 
Přejdi na:  
Nemůžete odesílat nové téma do tohoto fóra.
Nemůžete odpovídat na témata v tomto fóru.
Nemůžete upravovat své příspěvky v tomto fóru.
Nemůžete mazat své příspěvky v tomto fóru.
Nemůžete hlasovat v tomto fóru.
Nemůžete připojovat soubory k příspěvkům
Můžete stahovat a prohlížet přiložené soubory

Powered by phpBB © 2001, 2005 phpBB Group
Forums ©
Nuke - Elektro Bastlirna

Informace na portálu Elektro bastlírny jsou prezentovány za účelem vzdělání čtenářů a rozšíření zájmu o elektroniku. Autoři článků na serveru neberou žádnou zodpovědnost za škody vzniklé těmito zapojeními. Rovněž neberou žádnou odpovědnost za případnou újmu na zdraví vzniklou úrazem elektrickým proudem. Autoři a správci těchto stránek nepřejímají záruku za správnost zveřejněných materiálů. Předkládané informace a zapojení jsou zveřejněny bez ohledu na případné patenty třetích osob. Nároky na odškodnění na základě změn, chyb nebo vynechání jsou zásadně vyloučeny. Všechny registrované nebo jiné obchodní známky zde použité jsou majetkem jejich vlastníků. Uvedením nejsou zpochybněna z toho vyplývající vlastnická práva. Použití konstrukcí v rozporu se zákonem je přísně zakázáno. Vzhledem k tomu, že původ předkládaných materiálů nelze žádným způsobem dohledat, nelze je použít pro komerční účely! Tento nekomerční server nemá z uvedených zapojení či konstrukcí žádný zisk. Nezodpovídáme za pravost předkládaných materiálů třetími osobami a jejich původ. V případě, že zjistíte porušení autorského práva či jiné nesrovnalosti, kontaktujte administrátory na diskuzním fóru EB.


PHP-Nuke Copyright © 2005 by Francisco Burzi. This is free software, and you may redistribute it under the GPL. PHP-Nuke comes with absolutely no warranty, for details, see the license.
Čas potřebný ke zpracování stránky 0.46 sekund