Vítejte na Elektro Bastlírn?
Nuke - Elektro Bastlirna
  Vytvořit účet
Hlavní · Fórum · DDump · Profil · Zprávy · Hledat na fóru


Nuke - Elektro Bastlirna: Diskuzní fórum

 FAQFAQ   HledatHledat   Uživatelské skupinyUživatelské skupiny   ProfilProfil   Soukromé zprávySoukromé zprávy   PřihlášeníPřihlášení 

Nefunkcna nabijacka Parkside PLCP-016A
Jdi na stránku 1, 2, 3, 4, 5, 6, 7  Další
 
Přidat nové téma   Zaslat odpověď       Obsah fóra Diskuzní fórum Elektro Bastlírny -> Svářečky, UPS, nabíječe, měniče, zdroje, trafa a další
Zobrazit předchozí téma :: Zobrazit následující téma  
Autor Zpráva
lipko



Založen: Jun 25, 2008
Příspěvky: 1134
Bydliště: Zvolen SK

PříspěvekZaslal: st říjen 23 2024, 7:41    Předmět: Nefunkcna nabijacka Parkside PLCP-016A Citovat

Ahojte.
Kamarat mi doniesol nefunkcnu uvedenu nabijacku. Po rozobrati zistene zhorene na primarnej strane R7,R8,R9,R10, usmernovaci mostik, poistka 3,15A a mosfet. Na sekundarnej strane vadna schottka SR5150. Po vymene uvedenych suciastok, stale nenabehne zdroj. Na filtracnom kondiku je 330V, za stabilizatorom pre cip IC1 je 11,5V taketo napatie je aj na kondiku 10uF 50V. Toto napatie je stabilne no neviem ci postacujuce aby zdroj nabehol. Prikladam aj foto DPS.



IMG-20241023-WA0004.jpg
 Komentář:
 Velikost:  115.19 kB
 Zobrazeno:  115 krát

IMG-20241023-WA0004.jpg


Návrat nahoru
Zobrazit informace o autorovi Odeslat soukromou zprávu Odeslat e-mail
lipko



Založen: Jun 25, 2008
Příspěvky: 1134
Bydliště: Zvolen SK

PříspěvekZaslal: st říjen 23 2024, 7:41    Předmět: Citovat

Z druhej strany.


IMG-20241023-WA0003.jpg
 Komentář:
 Velikost:  151.67 kB
 Zobrazeno:  130 krát

IMG-20241023-WA0003.jpg


Návrat nahoru
Zobrazit informace o autorovi Odeslat soukromou zprávu Odeslat e-mail
rnbw



Založen: Mar 21, 2006
Příspěvky: 37465
Bydliště: Bratislava

PříspěvekZaslal: st říjen 23 2024, 7:51    Předmět: Citovat

Ked si mal FET vonku, zmeral si vystup z IC1 do G FETu? Pravdepodobne bude odpaleny.
Návrat nahoru
Zobrazit informace o autorovi Odeslat soukromou zprávu
lipko



Založen: Jun 25, 2008
Příspěvky: 1134
Bydliště: Zvolen SK

PříspěvekZaslal: st říjen 23 2024, 8:01    Předmět: Citovat

Vybral som FET, z IC1 na G je 0,0V.
Návrat nahoru
Zobrazit informace o autorovi Odeslat soukromou zprávu Odeslat e-mail
Ivan_01



Založen: Sep 15, 2018
Příspěvky: 1514
Bydliště: BB SK

PříspěvekZaslal: st říjen 23 2024, 8:05    Předmět: Citovat

to si meral metrom, alebo ako ? Vieš, čo máš na tom výstupe očakávať ?
Návrat nahoru
Zobrazit informace o autorovi Odeslat soukromou zprávu
rnbw



Založen: Mar 21, 2006
Příspěvky: 37465
Bydliště: Bratislava

PříspěvekZaslal: st říjen 23 2024, 8:09    Předmět: Citovat

Zmeraj to vypnute diodovym testom proti zemi.
Návrat nahoru
Zobrazit informace o autorovi Odeslat soukromou zprávu
lipko



Založen: Jun 25, 2008
Příspěvky: 1134
Bydliště: Zvolen SK

PříspěvekZaslal: st říjen 23 2024, 8:16    Předmět: Citovat

75 ohmov proti zemi z G Fetu.
Návrat nahoru
Zobrazit informace o autorovi Odeslat soukromou zprávu Odeslat e-mail
p32



Založen: Jan 13, 2007
Příspěvky: 16848
Bydliště: Olomouc

PříspěvekZaslal: st říjen 23 2024, 9:03    Předmět: Citovat

To se opravdu musí vyplatit opravovat. Buď je to v záruce nebo ne. Jinak nová stojí dvě stovky. Wink
Návrat nahoru
Zobrazit informace o autorovi Odeslat soukromou zprávu
jardafiala



Založen: Jun 20, 2010
Příspěvky: 2682
Bydliště: Česká Lípa

PříspěvekZaslal: st říjen 23 2024, 9:06    Předmět: Citovat

P32 - někdo opravuje věci ze zvědavosti, já třeba taky. Ale netýká se to spínaných zdrojů, ty já nerad.
Návrat nahoru
Zobrazit informace o autorovi Odeslat soukromou zprávu Odeslat e-mail
Ivan_01



Založen: Sep 15, 2018
Příspěvky: 1514
Bydliště: BB SK

PříspěvekZaslal: st říjen 23 2024, 9:16    Předmět: Citovat

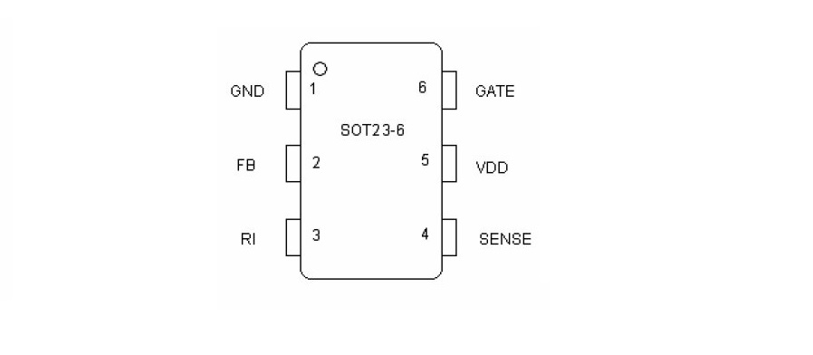
IC1 označený 01G12 by mal byť OB2263, porovnaj zapojenie. Tie odpory R7 - R10 sú 1R5


1644159077601.jpg
 Komentář:
 Velikost:  19.59 kB
 Zobrazeno:  86 krát

1644159077601.jpg


Návrat nahoru
Zobrazit informace o autorovi Odeslat soukromou zprávu
p32



Založen: Jan 13, 2007
Příspěvky: 16848
Bydliště: Olomouc

PříspěvekZaslal: st říjen 23 2024, 11:04    Předmět: Citovat

jardafiala napsal(a):
P32 - někdo opravuje věci ze zvědavosti, já třeba taky. Ale netýká se to spínaných zdrojů, ty já nerad.
Jistě, to je v pořádku. To je právě ten případ, kdy se to vyplatí opravovat, protože se na tom někdo chce učit. Jinak ta cena práce a pár součástek s jejich sehnáním daleko převyšuje tu cenu té nové, kterou jsem dnes viděl v Kaufu za 199,- Kč.
Návrat nahoru
Zobrazit informace o autorovi Odeslat soukromou zprávu
lipko



Založen: Jun 25, 2008
Příspěvky: 1134
Bydliště: Zvolen SK

PříspěvekZaslal: st říjen 23 2024, 11:57    Předmět: Citovat

Ano Ivan, sedi to. Na VDD IO som nameral 11,5V. To je OK?
Návrat nahoru
Zobrazit informace o autorovi Odeslat soukromou zprávu Odeslat e-mail
Ivan_01



Založen: Sep 15, 2018
Příspěvky: 1514
Bydliště: BB SK

PříspěvekZaslal: st říjen 23 2024, 12:06    Předmět: Citovat

áno, to je OK. Vymeň (ak zoženieš) IC1 a preventívne aj optron, malo by to ísť.
Návrat nahoru
Zobrazit informace o autorovi Odeslat soukromou zprávu
rnbw



Založen: Mar 21, 2006
Příspěvky: 37465
Bydliště: Bratislava

PříspěvekZaslal: st říjen 23 2024, 12:07    Předmět: Citovat

lipko napsal(a):
75 ohmov proti zemi z G Fetu.

IO na vymenu.
Návrat nahoru
Zobrazit informace o autorovi Odeslat soukromou zprávu
lipko



Založen: Jun 25, 2008
Příspěvky: 1134
Bydliště: Zvolen SK

PříspěvekZaslal: st říjen 23 2024, 20:06    Předmět: Citovat

Do tohoto ist?


IMG-20241023-WA0006.jpg
 Komentář:
 Velikost:  53.84 kB
 Zobrazeno:  95 krát

IMG-20241023-WA0006.jpg


Návrat nahoru
Zobrazit informace o autorovi Odeslat soukromou zprávu Odeslat e-mail
Zobrazit příspěvky z předchozích:   
Přidat nové téma   Zaslat odpověď       Obsah fóra Diskuzní fórum Elektro Bastlírny -> Svářečky, UPS, nabíječe, měniče, zdroje, trafa a další Časy uváděny v GMT + 1 hodina
Jdi na stránku 1, 2, 3, 4, 5, 6, 7  Další
Strana 1 z 7

 
Přejdi na:  
Nemůžete odesílat nové téma do tohoto fóra.
Nemůžete odpovídat na témata v tomto fóru.
Nemůžete upravovat své příspěvky v tomto fóru.
Nemůžete mazat své příspěvky v tomto fóru.
Nemůžete hlasovat v tomto fóru.
Nemůžete připojovat soubory k příspěvkům
Můžete stahovat a prohlížet přiložené soubory

Powered by phpBB © 2001, 2005 phpBB Group
Forums ©
Nuke - Elektro Bastlirna

Informace na portálu Elektro bastlírny jsou prezentovány za účelem vzdělání čtenářů a rozšíření zájmu o elektroniku. Autoři článků na serveru neberou žádnou zodpovědnost za škody vzniklé těmito zapojeními. Rovněž neberou žádnou odpovědnost za případnou újmu na zdraví vzniklou úrazem elektrickým proudem. Autoři a správci těchto stránek nepřejímají záruku za správnost zveřejněných materiálů. Předkládané informace a zapojení jsou zveřejněny bez ohledu na případné patenty třetích osob. Nároky na odškodnění na základě změn, chyb nebo vynechání jsou zásadně vyloučeny. Všechny registrované nebo jiné obchodní známky zde použité jsou majetkem jejich vlastníků. Uvedením nejsou zpochybněna z toho vyplývající vlastnická práva. Použití konstrukcí v rozporu se zákonem je přísně zakázáno. Vzhledem k tomu, že původ předkládaných materiálů nelze žádným způsobem dohledat, nelze je použít pro komerční účely! Tento nekomerční server nemá z uvedených zapojení či konstrukcí žádný zisk. Nezodpovídáme za pravost předkládaných materiálů třetími osobami a jejich původ. V případě, že zjistíte porušení autorského práva či jiné nesrovnalosti, kontaktujte administrátory na diskuzním fóru EB.


PHP-Nuke Copyright © 2005 by Francisco Burzi. This is free software, and you may redistribute it under the GPL. PHP-Nuke comes with absolutely no warranty, for details, see the license.
Čas potřebný ke zpracování stránky 0.44 sekund