Vítejte na Elektro Bastlírn?
Nuke - Elektro Bastlirna
  Vytvořit účet Hlavní · Fórum · DDump · Profil · Zprávy · Hledat na fóru · Příspěvky na provoz EB

Vlákno na téma KORONAVIRUS - nutná registrace


Nuke - Elektro Bastlirna: Diskuzní fórum

 FAQFAQ   HledatHledat   Uživatelské skupinyUživatelské skupiny   ProfilProfil   Soukromé zprávySoukromé zprávy   PřihlášeníPřihlášení 

Alarm Bellmate 1000 - druhý kus!

 
Přidat nové téma   Zaslat odpověď       Obsah fóra Diskuzní fórum Elektro Bastlírny -> Zabezpečovací technika
Zobrazit předchozí téma :: Zobrazit následující téma  
Autor Zpráva
eleferner



Založen: Jun 04, 2016
Příspěvky: 846
Bydliště: Brno

PříspěvekZaslal: čt květen 09 2024, 19:30    Předmět: Alarm Bellmate 1000 - druhý kus! Citovat

Zdravim vsechny, dnes mi na stole pristal dalsi "poklad" z 90 let, konkretne fungl novy alarm Bellmate 1000, jeste v originalnim baleni. Ale protoze pochazi z pred-googlovske doby, tak jsem o nem nedokazal najit naprosto nic. I na archive.org je na nej jedina reklama v casopisu z roku 1993:

https://archive.org/details/EA1993/EA%201993-12%20December/page/n90/mode/1up

Na druhou stranu, zda se mi skoda ho jen tak vyhodit, obcas vidivam v provozu jen o neco mladsi alarmy. Myslite, ze by ho nekdo jeste vyuzil, treba na nahradni dily? Plechova skrinka je dost bytelna a ma spinace pro indikaci neopravnene manipulace.


Naposledy upravil eleferner dne st říjen 02 2024, 22:40, celkově upraveno 1 krát.
Návrat nahoru
Zobrazit informace o autorovi Odeslat soukromou zprávu
Cowley



Založen: Feb 04, 2005
Příspěvky: 3569

PříspěvekZaslal: čt květen 09 2024, 19:56    Předmět: Citovat

Pěkný muzejní kousek.
Můžeš prosím nafotit detail zapojení ze dvířek?

Díky...
Návrat nahoru
Zobrazit informace o autorovi Odeslat soukromou zprávu
eleferner



Založen: Jun 04, 2016
Příspěvky: 846
Bydliště: Brno

PříspěvekZaslal: čt květen 09 2024, 20:07    Předmět: Citovat

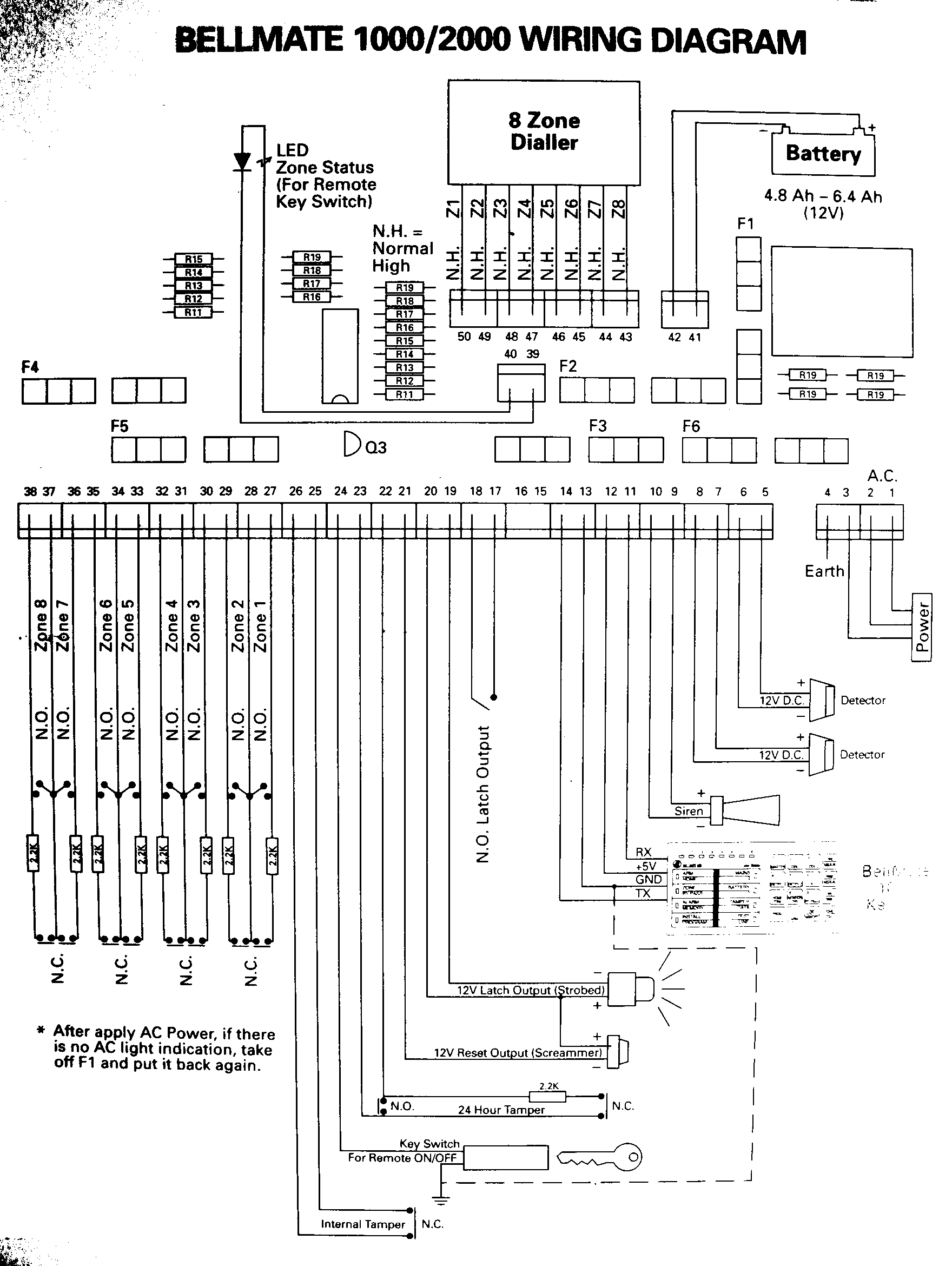
Tady to je. Lepsi fotky kdyztak udelam o vikendu za denniho svetla.


Bellmate 1000 2000 wiring diagram.png
 Komentář:
 Velikost:  46.7 kB
 Zobrazeno:  139 krát

Bellmate 1000 2000 wiring diagram.png


Návrat nahoru
Zobrazit informace o autorovi Odeslat soukromou zprávu
Cowley



Založen: Feb 04, 2005
Příspěvky: 3569

PříspěvekZaslal: čt květen 09 2024, 20:10    Předmět: Citovat

Nádhera Smile
Díky...
Návrat nahoru
Zobrazit informace o autorovi Odeslat soukromou zprávu
jmenobezmezery



Založen: Jul 01, 2017
Příspěvky: 11

PříspěvekZaslal: po červenec 01 2024, 21:37    Předmět: Citovat

Jestli se toho chceš zbavit (vyhodit), tak bych si to klidně vzal.
Sbírám starší techniku EZS, EPS a podobné.
Návrat nahoru
Zobrazit informace o autorovi Odeslat soukromou zprávu
eleferner



Založen: Jun 04, 2016
Příspěvky: 846
Bydliště: Brno

PříspěvekZaslal: út červenec 02 2024, 15:10    Předmět: Citovat

Poslal jsem ti SZ.
Návrat nahoru
Zobrazit informace o autorovi Odeslat soukromou zprávu
eleferner



Založen: Jun 04, 2016
Příspěvky: 846
Bydliště: Brno

PříspěvekZaslal: st říjen 02 2024, 22:39    Předmět: Citovat

Je to skoro neuveritelne, ale minuly tyden jsem dostal druhy kus tohoto alarmu, zase nepouzity. Nechcete ho nekdo?

Tentokrat u nej byl i navod k instalaci a pouziti, takze jsem ho naskenoval. Je v nem i to schema zapojeni v lepsi kvalite.

https://archive.org/details/bellmate-1000-2000-en-ocr/
https://elektrotanya.com/bellmate_1000_2000.pdf/download.html
https://mega.nz/file/x65zkAoZ#5YAJ5_J5RcTLBljN3PAmsz9VwT2jE_lf7qOD4QXmePo
Návrat nahoru
Zobrazit informace o autorovi Odeslat soukromou zprávu
Zobrazit příspěvky z předchozích:   
Přidat nové téma   Zaslat odpověď       Obsah fóra Diskuzní fórum Elektro Bastlírny -> Zabezpečovací technika Časy uváděny v GMT + 1 hodina
Strana 1 z 1

 
Přejdi na:  
Nemůžete odesílat nové téma do tohoto fóra.
Nemůžete odpovídat na témata v tomto fóru.
Nemůžete upravovat své příspěvky v tomto fóru.
Nemůžete mazat své příspěvky v tomto fóru.
Nemůžete hlasovat v tomto fóru.
Nemůžete připojovat soubory k příspěvkům
Můžete stahovat a prohlížet přiložené soubory

Powered by phpBB © 2001, 2005 phpBB Group
Forums ©
Nuke - Elektro Bastlirna

Informace na portálu Elektro bastlírny jsou prezentovány za účelem vzdělání čtenářů a rozšíření zájmu o elektroniku. Autoři článků na serveru neberou žádnou zodpovědnost za škody vzniklé těmito zapojeními. Rovněž neberou žádnou odpovědnost za případnou újmu na zdraví vzniklou úrazem elektrickým proudem. Autoři a správci těchto stránek nepřejímají záruku za správnost zveřejněných materiálů. Předkládané informace a zapojení jsou zveřejněny bez ohledu na případné patenty třetích osob. Nároky na odškodnění na základě změn, chyb nebo vynechání jsou zásadně vyloučeny. Všechny registrované nebo jiné obchodní známky zde použité jsou majetkem jejich vlastníků. Uvedením nejsou zpochybněna z toho vyplývající vlastnická práva. Použití konstrukcí v rozporu se zákonem je přísně zakázáno. Vzhledem k tomu, že původ předkládaných materiálů nelze žádným způsobem dohledat, nelze je použít pro komerční účely! Tento nekomerční server nemá z uvedených zapojení či konstrukcí žádný zisk. Nezodpovídáme za pravost předkládaných materiálů třetími osobami a jejich původ. V případě, že zjistíte porušení autorského práva či jiné nesrovnalosti, kontaktujte administrátory na diskuzním fóru EB.


PHP-Nuke Copyright © 2005 by Francisco Burzi. This is free software, and you may redistribute it under the GPL. PHP-Nuke comes with absolutely no warranty, for details, see the license.
Čas potřebný ke zpracování stránky 0.18 sekund