Vítejte na Elektro Bastlírn?
Nuke - Elektro Bastlirna
  Vytvořit účet Hlavní · Fórum · DDump · Profil · Zprávy · Hledat na fóru · Příspěvky na provoz EB

Vlákno na téma KORONAVIRUS - nutná registrace


Nuke - Elektro Bastlirna: Diskuzní fórum

 FAQFAQ   HledatHledat   Uživatelské skupinyUživatelské skupiny   ProfilProfil   Soukromé zprávySoukromé zprávy   PřihlášeníPřihlášení 

VKV konvertor
Jdi na stránku Předchozí  1, 2, 3  Další
 
Přidat nové téma   Zaslat odpověď       Obsah fóra Diskuzní fórum Elektro Bastlírny -> Opravy a restaurování starých elektropřístrojů
Zobrazit předchozí téma :: Zobrazit následující téma  
Autor Zpráva
bu2520



Založen: Jul 16, 2007
Příspěvky: 4784
Bydliště: u HK

PříspěvekZaslal: po září 23 2024, 6:48    Předmět: Citovat

já použil několikrát SI4831 jako náhradu tuneru VKV do historických autorádií. Abych zachoval původnost . někdy jsem dodal i zesilovač. Jediný zásah byl vlepení trnu pro trimr na konec hřídele ladícího kondenzátoru.
Návrat nahoru
Zobrazit informace o autorovi Odeslat soukromou zprávu
xsc



Založen: Sep 25, 2014
Příspěvky: 8378

PříspěvekZaslal: po září 23 2024, 6:48    Předmět: Citovat

Jak jsem psal, Ukrajinci, Rusové dělají něco obdobného, ale jednodušší. Nebere se signál z oscilátoru, ale bere se jen samotný ladící kondenzátor a přes převodník C/U se ladí varikapy FM tuneru. Využije se třeba přepnutí na DV, kde už kromě Varšavy nic není.
Návrat nahoru
Zobrazit informace o autorovi Odeslat soukromou zprávu
Artaban001



Založen: Apr 01, 2004
Příspěvky: 10064
Bydliště: Pendrov

PříspěvekZaslal: po září 23 2024, 10:44    Předmět: Citovat

Nebo si může spáchat modulátor na východní normu a pouštět do něj už může cokoli. Možná by šlo nějak "uhnout" i s továrním transmitterem.
Návrat nahoru
Zobrazit informace o autorovi Odeslat soukromou zprávu Odeslat e-mail
stredni-vlny



Založen: Sep 14, 2011
Příspěvky: 57

PříspěvekZaslal: po září 23 2024, 12:04    Předmět: Citovat

xsc napsal(a):
Jak jsem psal, Ukrajinci, Rusové dělají něco obdobného, ale jednodušší. Nebere se signál z oscilátoru, ale bere se jen samotný ladící kondenzátor a přes převodník C/U se ladí varikapy FM tuneru. Využije se třeba přepnutí na DV, kde už kromě Varšavy nic není.

Nepodceňujme rozhlasové dlouhé vlny:⁠-⁠) na 252 kHz plánují Finové nový 1 kW vysílač, na stejném kmitočtu je Alžírsko, dále se dá chytat třeba Brašov 153 kHz, potom Island, Maroko, při dobrých podmínkách je jako DX slyšet třeba i Mongolsko, na 198 kHz je stále ještě BBC. :⁠,⁠-⁠)
Návrat nahoru
Zobrazit informace o autorovi Odeslat soukromou zprávu
Lukas-Peca



Založen: May 06, 2007
Příspěvky: 4408
Bydliště: Zlín

PříspěvekZaslal: po září 23 2024, 12:18    Předmět: Citovat

Kamarád si postavil 100W spínaný vysílač na 270 kHz, ale narazil na to, že to v domácích podmínkách nemá jak vyzářit. Na anténě několik kV a vysílá to jen tak po městě.
Návrat nahoru
Zobrazit informace o autorovi Odeslat soukromou zprávu Zobrazit autorovy WWW stránky
stredni-vlny



Založen: Sep 14, 2011
Příspěvky: 57

PříspěvekZaslal: po září 23 2024, 16:03    Předmět: Citovat

Na anteně, zemi, přizpůsobení atd. samozřejmě hodně záleží..... Ještě nedávno bylo v Dánsku 100 mW do velkého stožáru a ta nosná byla na spektru v ČR normalně viditelná. Než vypli Topolnou, tak jsem v jižních Čechách pozoroval měření impedance a nastavování při námraze na anteně (v zimě v noci). Ten generátor v můstku na Topolné měl také jen pár wattů a vidět to na spektru také bylo. Podobně je to s NDB majáky. Jeden z Kanady jsem dokonce objevil pravě přímo na 270 kHz, při jednom pozorování ladění Topolné :⁠-⁠D
I dlouhé vlny jsou stále živé :⁠,⁠-⁠) ale to jsme odbočili od původního tématu :⁠-⁠D
Návrat nahoru
Zobrazit informace o autorovi Odeslat soukromou zprávu
Hill
Administrátor


Založen: Sep 10, 2004
Příspěvky: 20893
Bydliště: Jičín, Český ráj

PříspěvekZaslal: so říjen 05 2024, 10:45    Předmět: Citovat

Lukas-Peca napsal(a):
...Naštěstí majitel Filharmonie chce poslouchat zrovna stanice, které jde chytat s přiloženým krystalem 27 MHz.

Přehrabal jsem zásoby, protože pro přeladění celého pásma by se hodilo přepínat krystaly 22 MHz, 27 MHz a 32 MHz (plus mínus dejme tomu 500 kHz, ty rozsahy se překrývají), ale ani jeden krystal vhodný pro ty krajní frekvence nemám, a ten prostřední Flajzar dodává.

a taky ještě napsal(a):
Napadlo mě, že by pro takové případy bylo fajn mít konvertor, kde by místo krystalu byl LC oscilátor. Místo přepínání krystalů by si obsluha žádaný rozsah naladila kondíkem, ideálně tím plastovým ladičákem z asijských tranzistoráků. Nevíte o funkčním návrhu takové konstrukce? Díky.

Našel jsem ten, který sloužil dlouho s rádiem 542A Nora. Rozměr desky byl téměř přesně oprásknutý z toho Amára, jen střed byl posunutý doleva, bylo třeba celý obrazec vstupního obvodu rozměrově zmenšit asi na 90 % v obou osách, výstupní se naopak o 10 % rozšířil (zbytek šel doladit kapacitou), aby to konvertovalo z CCIR do OIRT.



B01_81-laditelny_konvertor.pdf
 Komentář:

Stáhnout
 Soubor:  B01_81-laditelny_konvertor.pdf
 Velikost:  133.95 kB
 Staženo:  202 krát

Návrat nahoru
Zobrazit informace o autorovi Odeslat soukromou zprávu
Lukas-Peca



Založen: May 06, 2007
Příspěvky: 4408
Bydliště: Zlín

PříspěvekZaslal: po říjen 07 2024, 6:54    Předmět: Citovat

Super, díky. Líbí se mi ten s tím varikapem.
Návrat nahoru
Zobrazit informace o autorovi Odeslat soukromou zprávu Zobrazit autorovy WWW stránky
Hill
Administrátor


Založen: Sep 10, 2004
Příspěvky: 20893
Bydliště: Jičín, Český ráj

PříspěvekZaslal: po říjen 07 2024, 9:54    Předmět: Citovat

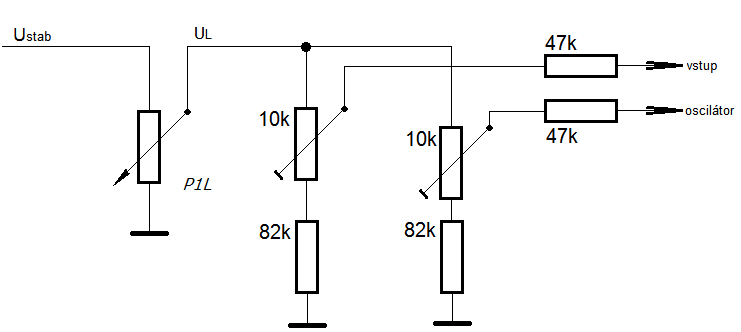
Ještě jednou připomenu, že ten konvertor s plošnými cívkami je určený pro konverzi OIRT - CCIR, takže pro opačný směr konverze nesouhlasí rozměr obrazců především vstupního obvodu, výstupní obvod se dá celkem úspěšně naladit na část pásma OIRT zvětšením kapacity C8 asi 1,8x.
A ladicí napětí na varikapy taky neškodí různá - ono se s indukčností plošné cívky dost blbě hýbe, někde není kam vyvrtat 3,2 mm díru, do ní M4 závit a do toho pak třeba hliníkový šroub na snížení indukčnosti, leda si hrát s propájením části závitu, prostě dostat to do souběhu není žádná holá tento.
Naštěstí na VKV není přesnost souběhu tak kritická, jako přijímačů na AM, a lze ji obejít tím, že se každý z varikapů bude pohybovat v jinak strmé části charakteristiky C/U.
Osvědčilo se použít pro každý varikap trimr, kterým lze nastavit ladicí napětí až o asi 11 % nižší, než na druhém, jen si už nepamatuji, který z nich se pak vyhodil jako zbytečný. Řekl bych, že varikap vstupu měl plné ladicí napětí, a oscilátoru snížené, ale to lze snadno přehodit, když podle GDO zjistíš, že je to blbě. Jde taky o to, dostat tam celý rozsah do 108 MHz.
V době, kdy vyšla konstrukce tohoto konvertoru, neměly ani přijímače z NDR rozsah přes 102 MHz, a naopak - ještě v roce 1988 ani u hranic nebyl dostupný vysílač, který by vysílal na 100 MHz a výše.



finta_na_soubeh_pl_civek.png
 Komentář:
To nemám ze své hlavy, taky to vyšlo v modrém Amáru, ale funguje to.
 Velikost:  7.04 kB
 Zobrazeno:  39 krát

finta_na_soubeh_pl_civek.png


Návrat nahoru
Zobrazit informace o autorovi Odeslat soukromou zprávu
Lukas-Peca



Založen: May 06, 2007
Příspěvky: 4408
Bydliště: Zlín

PříspěvekZaslal: po říjen 07 2024, 12:44    Předmět: Citovat

Jaké jsou u těch varikapů nároky na stabilitu ladicího zdroje? Stačí např. 7812? V Tesle 632A jsou dvě zenerky v sérii a drží to, ale nevím, jestli nejsou vybírané.
Návrat nahoru
Zobrazit informace o autorovi Odeslat soukromou zprávu Zobrazit autorovy WWW stránky
xsc



Založen: Sep 25, 2014
Příspěvky: 8378

PříspěvekZaslal: po říjen 07 2024, 12:56    Předmět: Citovat

Většinou stačí, ale taky záleží na varikapech. Ty staré teslácké KB 109G používaly k ladění 3-30V, ale jsou i varikapy, kterým pro stejné přeladění stačí 1-5V. Ty pak vyžadují vyšší stabilitu, ale viděl jsem, že i tak používají 75L05 s tím, že to AFC dotáhne.
Návrat nahoru
Zobrazit informace o autorovi Odeslat soukromou zprávu
Hill
Administrátor


Založen: Sep 10, 2004
Příspěvky: 20893
Bydliště: Jičín, Český ráj

PříspěvekZaslal: po říjen 07 2024, 17:09    Předmět: Citovat

Jenže to je konvertor pro rádio, které AFC nemá, takže ta 7812 je dobrá volba.
Návrat nahoru
Zobrazit informace o autorovi Odeslat soukromou zprávu
xsc



Založen: Sep 25, 2014
Příspěvky: 8378

PříspěvekZaslal: po říjen 07 2024, 17:42    Předmět: Citovat

7812 nebo 78L05 na tom se stabilitou asi budou stejně.
Návrat nahoru
Zobrazit informace o autorovi Odeslat soukromou zprávu
Hill
Administrátor


Založen: Sep 10, 2004
Příspěvky: 20893
Bydliště: Jičín, Český ráj

PříspěvekZaslal: po říjen 07 2024, 22:16    Předmět: Citovat

Až na to, že přeladit pásmo 87,5 - 108 MHz, na to asi 5 V stačit nebude. leda by ladicí napětí začínalo někde u 0,4 V (pro varikap KB105). Ladicí napětí je potřeba alespoň 20x vyšší, než je amplituda signálu nakmitanému na laděném obvodu, jinak ten signál bude měnit kapacitu varikapu natolik, že budeš hledat zkreslení, které nedokážeš identifikovat. A bude jen na blízkých stanicích třeba v dolní čtvrtině rozsahu.
Jdi radši do těch 12 V, nebo použij místo kombinace varikap / kondík dva varikapy katodami proti sobě a na ně přiveď ladicí napětí. To pak může být už od asi 0,2 V, nelinearity se navzájem do značné míry kompenzují.
Návrat nahoru
Zobrazit informace o autorovi Odeslat soukromou zprávu
vaclavpe



Založen: May 16, 2007
Příspěvky: 100
Bydliště: Rožnov p.R.

PříspěvekZaslal: čt prosinec 19 2024, 14:26    Předmět: Citovat

Co se týče konvertorů, Tesla Eltos kdysi dělala stavebnice, např. C18 byl zesilovač Sinclair a C28 byl OIRT-CCIR konvertor. Máte někdo schéma, co bylo uvnitř ?
Návrat nahoru
Zobrazit informace o autorovi Odeslat soukromou zprávu
Zobrazit příspěvky z předchozích:   
Přidat nové téma   Zaslat odpověď       Obsah fóra Diskuzní fórum Elektro Bastlírny -> Opravy a restaurování starých elektropřístrojů Časy uváděny v GMT + 1 hodina
Jdi na stránku Předchozí  1, 2, 3  Další
Strana 2 z 3

 
Přejdi na:  
Nemůžete odesílat nové téma do tohoto fóra.
Nemůžete odpovídat na témata v tomto fóru.
Nemůžete upravovat své příspěvky v tomto fóru.
Nemůžete mazat své příspěvky v tomto fóru.
Nemůžete hlasovat v tomto fóru.
Nemůžete připojovat soubory k příspěvkům
Můžete stahovat a prohlížet přiložené soubory

Powered by phpBB © 2001, 2005 phpBB Group
Forums ©
Nuke - Elektro Bastlirna

Informace na portálu Elektro bastlírny jsou prezentovány za účelem vzdělání čtenářů a rozšíření zájmu o elektroniku. Autoři článků na serveru neberou žádnou zodpovědnost za škody vzniklé těmito zapojeními. Rovněž neberou žádnou odpovědnost za případnou újmu na zdraví vzniklou úrazem elektrickým proudem. Autoři a správci těchto stránek nepřejímají záruku za správnost zveřejněných materiálů. Předkládané informace a zapojení jsou zveřejněny bez ohledu na případné patenty třetích osob. Nároky na odškodnění na základě změn, chyb nebo vynechání jsou zásadně vyloučeny. Všechny registrované nebo jiné obchodní známky zde použité jsou majetkem jejich vlastníků. Uvedením nejsou zpochybněna z toho vyplývající vlastnická práva. Použití konstrukcí v rozporu se zákonem je přísně zakázáno. Vzhledem k tomu, že původ předkládaných materiálů nelze žádným způsobem dohledat, nelze je použít pro komerční účely! Tento nekomerční server nemá z uvedených zapojení či konstrukcí žádný zisk. Nezodpovídáme za pravost předkládaných materiálů třetími osobami a jejich původ. V případě, že zjistíte porušení autorského práva či jiné nesrovnalosti, kontaktujte administrátory na diskuzním fóru EB.


PHP-Nuke Copyright © 2005 by Francisco Burzi. This is free software, and you may redistribute it under the GPL. PHP-Nuke comes with absolutely no warranty, for details, see the license.
Čas potřebný ke zpracování stránky 0.40 sekund