Vítejte na Elektro Bastlírn?
Nuke - Elektro Bastlirna
  Vytvořit účet Hlavní · Fórum · DDump · Profil · Zprávy · Hledat na fóru · Příspěvky na provoz EB

Vlákno na téma KORONAVIRUS - nutná registrace


Nuke - Elektro Bastlirna: Diskuzní fórum

 FAQFAQ   HledatHledat   Uživatelské skupinyUživatelské skupiny   ProfilProfil   Soukromé zprávySoukromé zprávy   PřihlášeníPřihlášení 

Galeon FL - náhrada tranzistorů 0409 BA7R18 a J29 58 65NLG

 
Přidat nové téma   Zaslat odpověď       Obsah fóra Diskuzní fórum Elektro Bastlírny -> Součástky
Zobrazit předchozí téma :: Zobrazit následující téma  
Autor Zpráva
kybrex



Založen: Jul 26, 2007
Příspěvky: 317

PříspěvekZaslal: čt červenec 25 2024, 13:35    Předmět: Galeon FL - náhrada tranzistorů 0409 BA7R18 a J29 58 65NLG Citovat

Zdravím,
pokazil se mi bazénový vysavač ROBOT GALEON FL. Po rozebrání jsem změřil na plošňáku tranzistory (povědomé pouzdro a označení Q2-7) a jedna dvojice je zjevně proražená, prorože narozdíl od dalších 2 sousedních dvojic lze propípnout multimetrem napříč vývody (měřeno s modelem UT61E+). Rád bych je vyměnil, ale u té jedné součástky se vůbec nemůžu dobrat nějakých informací a ten popis šel i velmi těžko přečíst. Musel jsem použít hodinářskou lupu a dobře si to nasvítit.

Zjevně poškozené součástky mají označení:
Q5: J29 58 65NLG (možná C)
Q2: 0409 BA7R18 - oprava 0409 BA7R1B (po odpájení horkým vzduchem se zjasnil nápis na povrchnu součástky)

(Velký kondenzátor je 50V 4300uF)

Než ty tranzistory vypájím z plošňáku, nevěděl byste někdo, co je to zač?
Přikládám foto plošňáku. Vysavač nevysává. Mám k němu originální zdroj na pokusy a výměnou chci zjistit, jestli je příčina v těch tranzistorech, nebo je to jen následek a odpálí se znovu.

Předem díky za rady.
K.



galeon_vysavac_rizeni_1.jpg
 Komentář:
 Velikost:  275.41 kB
 Zobrazeno:  73 krát

galeon_vysavac_rizeni_1.jpg



galeon_vysavac_rizeni_2.jpg
 Komentář:
 Velikost:  161.02 kB
 Zobrazeno:  53 krát

galeon_vysavac_rizeni_2.jpg




Naposledy upravil kybrex dne út červenec 30 2024, 20:06, celkově upraveno 1 krát.
Návrat nahoru
Zobrazit informace o autorovi Odeslat soukromou zprávu Zobrazit autorovy WWW stránky
forbidden



Založen: Feb 14, 2005
Příspěvky: 9415
Bydliště: Brno (JN89GF)

PříspěvekZaslal: čt červenec 25 2024, 13:40    Předmět: Citovat

Budu vařit z vody, ale pravděpodobně to má BLDC motor a toto je trojice MOSFETů na jeho řízení. Pokud se to nepodaří identifikovat, tak bych oměřil, jestli je to opravdu tak a vybral nějakoui vhodnou dvojci P a N-MOSFETu. Napětí i proud půjde docela dobře odhadnout z parametrů motoru.
Návrat nahoru
Zobrazit informace o autorovi Odeslat soukromou zprávu Zobrazit autorovy WWW stránky
kybrex



Založen: Jul 26, 2007
Příspěvky: 317

PříspěvekZaslal: čt červenec 25 2024, 13:48    Předmět: Citovat

Motor je tam tento https://www.leboncoin.fr/ad/bricolage/2385414654 (našel jsem ho podle čísla). Trochu mastný od oleje, ale to nevím, jestli je vada, nebo to má být.

Domníval jsem se, že ty tranzistory nebudou stejný a tipoval jsem, že jeden bude N a druhej P, tak bych to mohl snad nějak vylučovací metodou pořídit.
Návrat nahoru
Zobrazit informace o autorovi Odeslat soukromou zprávu Zobrazit autorovy WWW stránky
forbidden



Založen: Feb 14, 2005
Příspěvky: 9415
Bydliště: Brno (JN89GF)

PříspěvekZaslal: čt červenec 25 2024, 14:01    Předmět: Citovat

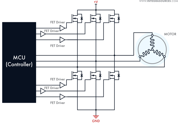
No vypadá to, že to má tři tlustší dráty na vinutí, takže BLDC asi ano. Co těch dalších 5 ale netuším. Asi to bude zapojený podobně jako na obrázku. Tu jsou ale všechny tranzistory stejný, Ty tam máš tři a tři stejný?


en2h5l6nvwn61.gif
 Komentář:
 Velikost:  23.23 kB
 Zobrazeno:  51 krát

en2h5l6nvwn61.gif


Návrat nahoru
Zobrazit informace o autorovi Odeslat soukromou zprávu Zobrazit autorovy WWW stránky
kybrex



Založen: Jul 26, 2007
Příspěvky: 317

PříspěvekZaslal: čt červenec 25 2024, 14:04    Předmět: Citovat

Jo, podle označení na pouzdru jsou Q2,Q3,Q4 jeden typ (J29 58 65NLG) a Q5,Q6,Q7 druhej typ (0409 BA7R18)
Návrat nahoru
Zobrazit informace o autorovi Odeslat soukromou zprávu Zobrazit autorovy WWW stránky
forbidden



Založen: Feb 14, 2005
Příspěvky: 9415
Bydliště: Brno (JN89GF)

PříspěvekZaslal: čt červenec 25 2024, 14:12    Předmět: Citovat

Tak budou vrchní asi P a spodní N. Anebo dokonce bipoláry, ale to bys měl zjistit měřením lehce. Změřil bych ale i to vinutí motoru, alespoň silový.
Návrat nahoru
Zobrazit informace o autorovi Odeslat soukromou zprávu Zobrazit autorovy WWW stránky
rnbw



Založen: Mar 21, 2006
Příspěvky: 36897
Bydliště: Bratislava

PříspěvekZaslal: čt červenec 25 2024, 14:26    Předmět: Citovat

Jeden je NTD5865NL.
Návrat nahoru
Zobrazit informace o autorovi Odeslat soukromou zprávu
kybrex



Založen: Jul 26, 2007
Příspěvky: 317

PříspěvekZaslal: čt červenec 25 2024, 22:00    Předmět: Citovat

forbidden napsal(a):
Tak budou vrchní asi P a spodní N...

Zítra zkusím vypájet a změřit. N/P FETy bych měl rozpoznat podle ochranných diod (u těch neproražených).

rnbw napsal(a):
Jeden je NTD5865NL.

Díky Wink
Návrat nahoru
Zobrazit informace o autorovi Odeslat soukromou zprávu Zobrazit autorovy WWW stránky
kybrex



Založen: Jul 26, 2007
Příspěvky: 317

PříspěvekZaslal: út červenec 30 2024, 22:07    Předmět: Citovat

Odpájel jsem ten nemocnej pár a pak ten zdravej vedle a zjistil jsem následující.
Nemocnej pár jsou oba již plnohodnotné celovodiče. Laughing

Zdravej pár zdá se funguje dle očekávání

vývody bych tipoval standardně 1Gate 2Drain(chladič/zadní plocha) 3Source
Multimetr jsem nastavil do režimu testování diod (testovací napětí bude pár jednotek V)

Q2: 0409 BA7R1B - mezi vývody 2 a 3 je vypnutej dokud nepřivedu to testovací napětí sondou + na 1 Gate a - na 3Source, pak je mezi 2 a 3 zkrat. Když obrátím polaritu a na 1 Gate dám sondu - a na 3 Source dám sondu +, je zavřenej.

Q5: J29 58 65NLG - Když na chvíli připojím sondy + na 1G a - na 3S, je zavřenej (mezi 2D a 3S je nulová vodivost). Když polaritu mezi G a S obrátím, tak je otevřenej.

Q2 je podle toho testu N-FET a Q5 je P-FET. Objednal jsem snad odpovídající náhradu a uvidím, co to udělá, až to vyměním. Vyměním rovnou všechny tranzistory, ať mají všechny stejné vlastnosti.



test_tranzistoru.png
 Komentář:
 Velikost:  6.54 kB
 Zobrazeno:  62 krát

test_tranzistoru.png


Návrat nahoru
Zobrazit informace o autorovi Odeslat soukromou zprávu Zobrazit autorovy WWW stránky
kybrex



Založen: Jul 26, 2007
Příspěvky: 317

PříspěvekZaslal: út srpen 13 2024, 5:52    Předmět: Citovat

Tak to zabralo. Vysavač funguje, už vyčistil celý bazén. Wink
Díky za pomoc.
K.
Návrat nahoru
Zobrazit informace o autorovi Odeslat soukromou zprávu Zobrazit autorovy WWW stránky
kybrex



Založen: Jul 26, 2007
Příspěvky: 317

PříspěvekZaslal: ne září 01 2024, 13:05    Předmět: Citovat

První úklid asi 2 hodiny v pohodě proveden. Ale při druhém úklidu další den se prej (nebyl jsem u toho) z vysavače zakouřilo a teď jsem to proměřil a odešel jiný tranzistor (na jiné pozici a jenom jeden z páru). Ten kouř byl byl vidět až když to majitel bazénu vyndal ven, že to nejede a rozebral to. Takže kouř bude spíš následek toho již proraženého tranzistoru, přes který to jde asi do zkratu. Může to být tím, že by se nějak zakousnul ten motorek, a tím došlo k nárůstu proudu, co teče tím jedním tranzistorem a spálilo se toě? Jde mi o to, jestli hledat chybu v obvodu, nebo spíš v mechanice. Vadný tranzistor znovu vyměním a pak to zkusím rozběhat na suchu a pozorovat a měřit teplotu té řídící destičky, jestli mě něco trkne a dám vědět, jestli jsem na něco přišel.
Návrat nahoru
Zobrazit informace o autorovi Odeslat soukromou zprávu Zobrazit autorovy WWW stránky
kybrex



Založen: Jul 26, 2007
Příspěvky: 317

PříspěvekZaslal: so únor 08 2025, 20:10    Předmět: Citovat

Tak jsem vyměnil dva tranzistory (koupil jsem tenkrát 2 navíc). Krátce jsem to zkusil, ale netrápil jsem to dlouho, protože bez vody se to nechladí a taky tam teď není olej v nějaké nádobce, kde má být. Motory se roztočily, zdá se to opět funkční. Nevím, proč ty tranzisotry odešly (tentokrát jiné dva kusy). Zkusím pana majitele přimět k lepší diagnostice, udělání fotografií a videa a sledování činnosti vysavače a uvidím, jestli něco zjistím, až se to zase pokazí, protože uvnitř jsem příčinu nenašel.
Návrat nahoru
Zobrazit informace o autorovi Odeslat soukromou zprávu Zobrazit autorovy WWW stránky
Celeron



Založen: Apr 02, 2011
Příspěvky: 20140
Bydliště: Nový Bydžov

PříspěvekZaslal: so únor 08 2025, 20:41    Předmět: Citovat

Mohlo to být načatý z první závady.
_________________
Jirka

Proč mi nemůže všechno chodit hned ?!!
Návrat nahoru
Zobrazit informace o autorovi Odeslat soukromou zprávu
Zobrazit příspěvky z předchozích:   
Přidat nové téma   Zaslat odpověď       Obsah fóra Diskuzní fórum Elektro Bastlírny -> Součástky Časy uváděny v GMT + 1 hodina
Strana 1 z 1

 
Přejdi na:  
Nemůžete odesílat nové téma do tohoto fóra.
Nemůžete odpovídat na témata v tomto fóru.
Nemůžete upravovat své příspěvky v tomto fóru.
Nemůžete mazat své příspěvky v tomto fóru.
Nemůžete hlasovat v tomto fóru.
Nemůžete připojovat soubory k příspěvkům
Můžete stahovat a prohlížet přiložené soubory

Powered by phpBB © 2001, 2005 phpBB Group
Forums ©
Nuke - Elektro Bastlirna

Informace na portálu Elektro bastlírny jsou prezentovány za účelem vzdělání čtenářů a rozšíření zájmu o elektroniku. Autoři článků na serveru neberou žádnou zodpovědnost za škody vzniklé těmito zapojeními. Rovněž neberou žádnou odpovědnost za případnou újmu na zdraví vzniklou úrazem elektrickým proudem. Autoři a správci těchto stránek nepřejímají záruku za správnost zveřejněných materiálů. Předkládané informace a zapojení jsou zveřejněny bez ohledu na případné patenty třetích osob. Nároky na odškodnění na základě změn, chyb nebo vynechání jsou zásadně vyloučeny. Všechny registrované nebo jiné obchodní známky zde použité jsou majetkem jejich vlastníků. Uvedením nejsou zpochybněna z toho vyplývající vlastnická práva. Použití konstrukcí v rozporu se zákonem je přísně zakázáno. Vzhledem k tomu, že původ předkládaných materiálů nelze žádným způsobem dohledat, nelze je použít pro komerční účely! Tento nekomerční server nemá z uvedených zapojení či konstrukcí žádný zisk. Nezodpovídáme za pravost předkládaných materiálů třetími osobami a jejich původ. V případě, že zjistíte porušení autorského práva či jiné nesrovnalosti, kontaktujte administrátory na diskuzním fóru EB.


PHP-Nuke Copyright © 2005 by Francisco Burzi. This is free software, and you may redistribute it under the GPL. PHP-Nuke comes with absolutely no warranty, for details, see the license.
Čas potřebný ke zpracování stránky 0.56 sekund