Vítejte na Elektro Bastlírn?
Nuke - Elektro Bastlirna
  Vytvořit účet Hlavní · Fórum · DDump · Profil · Zprávy · Hledat na fóru · Příspěvky na provoz EB

Vlákno na téma KORONAVIRUS - nutná registrace


Nuke - Elektro Bastlirna: Diskuzní fórum

 FAQFAQ   HledatHledat   Uživatelské skupinyUživatelské skupiny   ProfilProfil   Soukromé zprávySoukromé zprávy   PřihlášeníPřihlášení 

Zdroj 230V --> 2x 2,4V pro Radiostanice R105/R108/R109

 
Přidat nové téma   Zaslat odpověď       Obsah fóra Diskuzní fórum Elektro Bastlírny -> Opravy a restaurování starých elektropřístrojů
Zobrazit předchozí téma :: Zobrazit následující téma  
Autor Zpráva
8Kubis



Založen: May 12, 2024
Příspěvky: 30
Bydliště: Havlíčkův Brod

PříspěvekZaslal: ne červenec 07 2024, 18:55    Předmět: Zdroj 230V --> 2x 2,4V pro Radiostanice R105/R108/R109 Citovat

Ahoj všem,

nemáte někdo prosím schéma nebo jakoukoli literaturu ke zdroji 2x 2,4V napájeného ze sítě (230V) pro radiostanice typu ASTRA? (R105/R108/R109)

Tento zdroj mám, ale po otevření se na mě vysypalo pár tranzistorů. Opravuje mi to kamarád, ale pomohlo by mu schéma popřípadě jakákoli informace.
Psal jsem výrobci, který dodnes existuje, ale jelikož se jedná o věc tak starou věc (paní říkala že starší než všichni tam dohromady Very Happy ) tak bohužel nic nemají (předala to technikovi asi před měsícem, ale doposud se neozval).

Výrobce je Dehor Elspec (https://www.dehor.cz/cz/index.php)
Typ S7R

Po připájení tranzistorů zpět na své místo bylo naměřeno na jedné větvi napětí 5,2v ale se zátěží při 0,8A kleslo na 3,5V. Radiostanice má odběr cca 3A pro vysílání, 1,5A při příjmu.

Může někdo prosím poradit? Napětí by přeci mělo být cca stejné, nebo se pletu?

Děkuji za info



IMG-20240627-WA0001.jpg
 Komentář:
 Velikost:  232.67 kB
 Zobrazeno:  122 krát

IMG-20240627-WA0001.jpg



IMG-20240627-WA0002.jpg
 Komentář:
 Velikost:  143.31 kB
 Zobrazeno:  92 krát

IMG-20240627-WA0002.jpg



IMG-20240627-WA0003.jpg
 Komentář:
 Velikost:  179.74 kB
 Zobrazeno:  125 krát

IMG-20240627-WA0003.jpg



IMG-20240627-WA0004.jpg
 Komentář:
 Velikost:  138.25 kB
 Zobrazeno:  78 krát

IMG-20240627-WA0004.jpg


Návrat nahoru
Zobrazit informace o autorovi Odeslat soukromou zprávu Odeslat e-mail
ok1hga



Založen: Nov 28, 2006
Příspěvky: 12584
Bydliště: Česká Třebová

PříspěvekZaslal: po červenec 08 2024, 7:42    Předmět: Citovat

8Kubis napsal(a):
Výrobce je Dehor Elspec (https://www.dehor.cz/cz/index.php)
Typ S7R

podle tvých fotek není typ S7R, ale SZR . . .
můžeš sem dát detailní a čitelnou fotku toho štítku ?

https://aukro.cz/zdroj-napajeci-nabijecka-2x2-4v-asi-pro-radiostanici-r105-7041510482

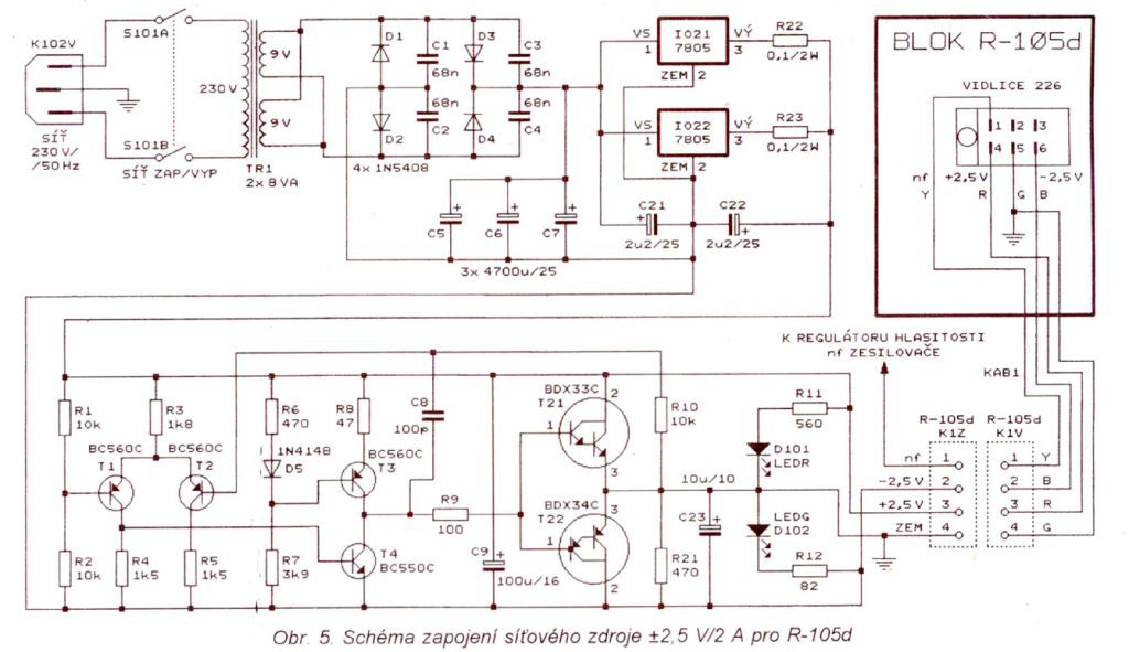
ještě přidám schéma R-105D, kde je vidět jak jsou zapojené akumulátory ve stanici.
z toho vyplývá, že akku jsou oba v sérii a mají vyvedený střed . . . na kostru stanice.
takže by na výstupních svorkách toho zdroje mělo být 2x 2,4V(max. 2x 2,5V) / 3A
nebo použít zdroj 5V z PC a udělat náhradní střed napětí podle obrázku . . .



zdroj SZR.jpg
 Komentář:
 Velikost:  41.65 kB
 Zobrazeno:  65 krát

zdroj SZR.jpg



r105d_schema.png
 Komentář:
 Velikost:  105.81 kB
 Zobrazeno:  153 krát

r105d_schema.png



r105d_baterie.jpg
 Komentář:
 Velikost:  86.15 kB
 Zobrazeno:  79 krát

r105d_baterie.jpg



alternativní napájení R105D.jpg
 Komentář:
 Velikost:  194.94 kB
 Zobrazeno:  109 krát

alternativní napájení R105D.jpg


Návrat nahoru
Zobrazit informace o autorovi Odeslat soukromou zprávu
8Kubis



Založen: May 12, 2024
Příspěvky: 30
Bydliště: Havlíčkův Brod

PříspěvekZaslal: po červenec 08 2024, 19:00    Předmět: Citovat

Ahoj ok1hga,

máš pravdu, je to SZR. Že mi to nedošlo když je to vpředu napsáno Embarassed ale to ražení na štítku mě zmátlo (viz foto)

Ano je to ten přesně ten typ co je na Áčku.

Jinak náhradních zdrojů jsem pár našel (viz foto) ale jde mi o to rozjet tento. Pomohlo by schéma. Hledal jsem všude možně ale nezadařilo se mi.



IMG-20240708-WA0000.jpg
 Komentář:
 Velikost:  224.85 kB
 Zobrazeno:  92 krát

IMG-20240708-WA0000.jpg



BPR-105-28.png
 Komentář:
 Velikost:  44.44 kB
 Zobrazeno:  118 krát

BPR-105-28.png



Zdroj R105D.jpg
 Komentář:
 Velikost:  92.86 kB
 Zobrazeno:  143 krát

Zdroj R105D.jpg


Návrat nahoru
Zobrazit informace o autorovi Odeslat soukromou zprávu Odeslat e-mail
ok1hga



Založen: Nov 28, 2006
Příspěvky: 12584
Bydliště: Česká Třebová

PříspěvekZaslal: po červenec 08 2024, 20:52    Předmět: Citovat

8Kubis napsal(a):
jde mi o to rozjet tento. Pomohlo by schéma. Hledal jsem všude možně ale nezadařilo se mi.

njn, je to docela historie . . .
taky jsem nic rozumného nenašel,
asi bude nutné z tišťáku to zkreslit . . .
nebo udělat pár kloudných fotek desek a z nich to nakreslit.
podle fotky jsou tam dvě identické desky . . .
nemělo by to být nic světoborného, jsou to jen dva samostatné stabilizované zdroje 2,4V v sérii které dají cca 4A
. . . nebo to postavit znovu, 2x LM317 a posílit nějakýma kádéčkama . . .
z původního zdroje se pak využijí jen usměrňovače a elyty.

kolik vlastně dává to trafo ???
měřil jsi to ? je na sekundáru odbočka ?
je na tom tráfku nějaký štítek ? typ ?
nějaké nápisy, popisy na deskách ?
Návrat nahoru
Zobrazit informace o autorovi Odeslat soukromou zprávu
8Kubis



Založen: May 12, 2024
Příspěvky: 30
Bydliště: Havlíčkův Brod

PříspěvekZaslal: út červenec 09 2024, 17:02    Předmět: Citovat

No nechci toho kamaráda až moc trápit. To zkreslení by šlo ale zabere to dost času. Pokud se to nezprovozní, tak si nechám udělat zdroj zvlášť a tohle nechám jako "šuflíkovou" záležitost.

Trafa tam jsou kupodivu 3 Very Happy a pokud to nepletu tak jsou tam 4 tyristory. Což dle něj je velmi zvláštní zapojení na to, že to má být stabilizovaný zdroj pro vysílačku.
Asi dřív nebyla možnost lepších (výkonnějších) součástek, aby se celý zdroj navrhnul jinak.

Já nic nic bohužel neměřil, ale jinak jsou proměřeny všechny součástky a výsledek je OK (měnil pár kondíků, ty černé, těžko viditelné na fotografiích). Až bude čas, tak se budou měřit všechna spojení. Mohu ho požádat aby to ve čtvrtek více nafotil a hodím lepší fotky. Třeba to někomu poslouží

Co jsem na to koukal já, tak tam byl štítek paní, co to montovala/kontrolovala. Pokud jí bylo tenkrát 20 let tak jí je dnes 68 Very Happy

Všeho všudy, spíš mě napadlo, jestli se tu nenajde někdo, kdo podobný (stejný) zdroj řešil. Zase až tak moc mi o něj nejde, ale bylo by super kdyby se to povedlo.

Ve čtvrtek odpo sem hodím ty fotky Smile
Zatím se měj Smile
Návrat nahoru
Zobrazit informace o autorovi Odeslat soukromou zprávu Odeslat e-mail
ok1hga



Založen: Nov 28, 2006
Příspěvky: 12584
Bydliště: Česká Třebová

PříspěvekZaslal: út červenec 09 2024, 19:31    Předmět: Citovat

8Kubis napsal(a):
a pokud to nepletu tak jsou tam 4 tyristory. Což dle něj je velmi zvláštní zapojení na to, že to má být stabilizovaný zdroj pro vysílačku.

jaký tyristory ?
já tam vidím jen 4 usměrňovací diody KY715 na cca 20A . . .



4xKY715.jpg
 Komentář:
 Velikost:  84.41 kB
 Zobrazeno:  80 krát

4xKY715.jpg


Návrat nahoru
Zobrazit informace o autorovi Odeslat soukromou zprávu
8Kubis



Založen: May 12, 2024
Příspěvky: 30
Bydliště: Havlíčkův Brod

PříspěvekZaslal: út červenec 09 2024, 21:35    Předmět: Citovat

Bordel

no... máš pravdu.

Zítra se ho zeptám, asi jsem to popletl já.
Návrat nahoru
Zobrazit informace o autorovi Odeslat soukromou zprávu Odeslat e-mail
8Kubis



Založen: May 12, 2024
Příspěvky: 30
Bydliště: Havlíčkův Brod

PříspěvekZaslal: st červenec 10 2024, 18:21    Předmět: Citovat

Tak tyristory tam opravdu jsou ale jenom 2 Já nic, já muzikant (viz obrázek)

Má se jednat o přepěťovou ochranu, nejspíš něco takového:

http://ok1ike.c-a-v.com/soubory/proti_prepeti.htm

Jinak stále platí, že více foto zašlu zítra večer Smile



IMG-20240710-WA0000.jpg
 Komentář:
 Velikost:  139.87 kB
 Zobrazeno:  79 krát

IMG-20240710-WA0000.jpg


Návrat nahoru
Zobrazit informace o autorovi Odeslat soukromou zprávu Odeslat e-mail
jenicek



Založen: Dec 28, 2022
Příspěvky: 697
Bydliště: Krakonošovo

PříspěvekZaslal: st červenec 10 2024, 18:43    Předmět: Citovat

Pokud kámoš zjistí, co je špatnýho, tak do tohodle vehyklu budu mít asi všechno doma. Kdyžtak napiš co je třeba. Wink
Návrat nahoru
Zobrazit informace o autorovi Odeslat soukromou zprávu
mi-ro



Založen: Feb 08, 2005
Příspěvky: 8634
Bydliště: rovina u Kolína

PříspěvekZaslal: st červenec 10 2024, 19:48    Předmět: Citovat

Jako základ bych prověřil ty červený elyty (TC...). Často bývají bez kapacity. Uvnitř uhnívají Al páskové přívody od svitkové folie k nýtům pájecích ok. Pokud se v tom někdo nevrtal, na těchto poctivých a předimenzovaných polovodičích nemá za běžného provozu moc co odejít.
_________________
..to bude jen ňákej odpůrek
Návrat nahoru
Zobrazit informace o autorovi Odeslat soukromou zprávu Odeslat e-mail
ok1hga



Založen: Nov 28, 2006
Příspěvky: 12584
Bydliště: Česká Třebová

PříspěvekZaslal: čt červenec 11 2024, 4:55    Předmět: Citovat

mi-ro napsal(a):
na těchto poctivých a předimenzovaných polovodičích nemá za běžného provozu moc co odejít.

. . . s tím bych souhlasil.
jenže konkrétně tranzistory použité v zařízení, mívají špatně pokovené ocelové nožičky a samovolně uhnívají, až nakonec upadnou . . .
(někdy i přímo u pouzdra, někdy těsně nad cínem u tišťáku)
a něco podobného hned na začátku vlákna 8Kubis popisuje.
8Kubis napsal(a):
ale po otevření se na mě vysypalo pár tranzistorů.

Pokud součástka upadne celá a někdo se snaží to dát dohromady, stává se že nepozná jak opravdu byla a přiletuje tranzistor pootočený . . . další závadu si tak vyrobí sám . . .
. . . zvláště pokud nemá schéma a dostatek zkušeností.
Návrat nahoru
Zobrazit informace o autorovi Odeslat soukromou zprávu
8Kubis



Založen: May 12, 2024
Příspěvky: 30
Bydliště: Havlíčkův Brod

PříspěvekZaslal: pá červenec 12 2024, 16:24    Předmět: Citovat

Ahoj všem Smile

JENICEk:
Děkuji za nabídku ale zde mi ani nejde o zachování původních součástek a tak pokud můj kamarád uzná, tak je bude měnit za nové.
Vážím si toho Smile

MI-RO:
Byly proměřeny a jsou v toleranci Smile ale díky za tip i do budoucna Smile
Je fajn, že byly použity kvalitní díly. Snad se to povede rozhýbat

OK1HGA:
S těma nožičkami je to přesně tak jak říkáš. To samé mi říkal i kamarád, který tento zdroj opravuje. Říkal přesně to samé. On je fakt machr takže se určitě nestalo že by je dal obráceně (i když i mistr tesař se někdy utne). Dokonce se mu podle lomu nožiček povedlo určit, kde byly původně zapájeny. Tam problém určitě nebude.


Tak a ještě jedna poznámka... 3 trafa tam nejsou jak jsem psal dříve. Je to jedno trafíčko a 2 tlumivky (mám zase info od kamaráda)
Taktéž přikládám fotky, jak bylo slíbeno



IMG-20240710-WA0000.jpg
 Komentář:
 Velikost:  139.87 kB
 Zobrazeno:  63 krát

IMG-20240710-WA0000.jpg



IMG-20240711-WA0007.jpg
 Komentář:
 Velikost:  173.19 kB
 Zobrazeno:  78 krát

IMG-20240711-WA0007.jpg



IMG-20240711-WA0015.jpg
 Komentář:
 Velikost:  187.37 kB
 Zobrazeno:  74 krát

IMG-20240711-WA0015.jpg



IMG-20240711-WA0000.jpg
 Komentář:
 Velikost:  200.69 kB
 Zobrazeno:  76 krát

IMG-20240711-WA0000.jpg



IMG-20240711-WA0016.jpg
 Komentář:
 Velikost:  168.03 kB
 Zobrazeno:  73 krát

IMG-20240711-WA0016.jpg


Návrat nahoru
Zobrazit informace o autorovi Odeslat soukromou zprávu Odeslat e-mail
8Kubis



Založen: May 12, 2024
Příspěvky: 30
Bydliště: Havlíčkův Brod

PříspěvekZaslal: pá červenec 12 2024, 16:26    Předmět: Citovat

a ještě další....


IMG-20240711-WA0014.jpg
 Komentář:
 Velikost:  205.37 kB
 Zobrazeno:  56 krát

IMG-20240711-WA0014.jpg



IMG-20240711-WA0012.jpg
 Komentář:
 Velikost:  290.52 kB
 Zobrazeno:  72 krát

IMG-20240711-WA0012.jpg



IMG-20240711-WA0002.jpg
 Komentář:
 Velikost:  203.53 kB
 Zobrazeno:  79 krát

IMG-20240711-WA0002.jpg



IMG-20240711-WA0011.jpg
 Komentář:
 Velikost:  198.4 kB
 Zobrazeno:  74 krát

IMG-20240711-WA0011.jpg



IMG-20240711-WA0005.jpg
 Komentář:
 Velikost:  131.69 kB
 Zobrazeno:  74 krát

IMG-20240711-WA0005.jpg


Návrat nahoru
Zobrazit informace o autorovi Odeslat soukromou zprávu Odeslat e-mail
Zobrazit příspěvky z předchozích:   
Přidat nové téma   Zaslat odpověď       Obsah fóra Diskuzní fórum Elektro Bastlírny -> Opravy a restaurování starých elektropřístrojů Časy uváděny v GMT + 1 hodina
Strana 1 z 1

 
Přejdi na:  
Nemůžete odesílat nové téma do tohoto fóra.
Nemůžete odpovídat na témata v tomto fóru.
Nemůžete upravovat své příspěvky v tomto fóru.
Nemůžete mazat své příspěvky v tomto fóru.
Nemůžete hlasovat v tomto fóru.
Nemůžete připojovat soubory k příspěvkům
Můžete stahovat a prohlížet přiložené soubory

Powered by phpBB © 2001, 2005 phpBB Group
Forums ©
Nuke - Elektro Bastlirna

Informace na portálu Elektro bastlírny jsou prezentovány za účelem vzdělání čtenářů a rozšíření zájmu o elektroniku. Autoři článků na serveru neberou žádnou zodpovědnost za škody vzniklé těmito zapojeními. Rovněž neberou žádnou odpovědnost za případnou újmu na zdraví vzniklou úrazem elektrickým proudem. Autoři a správci těchto stránek nepřejímají záruku za správnost zveřejněných materiálů. Předkládané informace a zapojení jsou zveřejněny bez ohledu na případné patenty třetích osob. Nároky na odškodnění na základě změn, chyb nebo vynechání jsou zásadně vyloučeny. Všechny registrované nebo jiné obchodní známky zde použité jsou majetkem jejich vlastníků. Uvedením nejsou zpochybněna z toho vyplývající vlastnická práva. Použití konstrukcí v rozporu se zákonem je přísně zakázáno. Vzhledem k tomu, že původ předkládaných materiálů nelze žádným způsobem dohledat, nelze je použít pro komerční účely! Tento nekomerční server nemá z uvedených zapojení či konstrukcí žádný zisk. Nezodpovídáme za pravost předkládaných materiálů třetími osobami a jejich původ. V případě, že zjistíte porušení autorského práva či jiné nesrovnalosti, kontaktujte administrátory na diskuzním fóru EB.


PHP-Nuke Copyright © 2005 by Francisco Burzi. This is free software, and you may redistribute it under the GPL. PHP-Nuke comes with absolutely no warranty, for details, see the license.
Čas potřebný ke zpracování stránky 0.16 sekund