Vítejte na Elektro Bastlírn?
Nuke - Elektro Bastlirna
  Vytvořit účet Hlavní · Fórum · DDump · Profil · Zprávy · Hledat na fóru · Příspěvky na provoz EB

Vlákno na téma KORONAVIRUS - nutná registrace


Nuke - Elektro Bastlirna: Diskuzní fórum

 FAQFAQ   HledatHledat   Uživatelské skupinyUživatelské skupiny   ProfilProfil   Soukromé zprávySoukromé zprávy   PřihlášeníPřihlášení 

Zobrazovací koule ozdoba

 
Přidat nové téma   Zaslat odpověď       Obsah fóra Diskuzní fórum Elektro Bastlírny -> Zapojení ze šuplíku
Zobrazit předchozí téma :: Zobrazit následující téma  
Autor Zpráva
elnovy
Pod dozorem moderátorů


Založen: Jul 04, 2010
Příspěvky: 902
Bydliště: JČ

PříspěvekZaslal: so květen 11 2024, 6:16    Předmět: Zobrazovací koule ozdoba Citovat

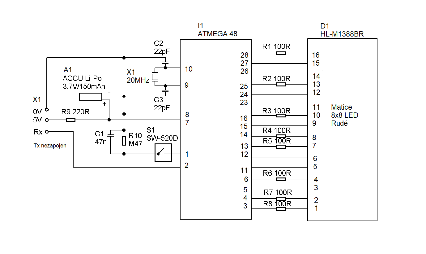
Zobrazovací elektronickou ozdobu Dle uvedeného schématu v provozu lze shlédnout na

https://youtu.be/M_JW7DieA0E.

Celkový popis výroby tištěného spoje a jeho osazení dle rozpisky součástek a popis výroby lze stáhnout zdarma v balíku zde :

https://posilej.cz/zasilka/QJbfRi8Z#link

nebo balík pošlu na tvůj email .
Název
Velikost (1014.91 kB)
KOULE OZDOBA rar.zip

Balík obsahuje navíc aplikaci spustitelnou na WIN 7 A nižších verzích Xp .
Aplikace funguje tak ,že se do ní napíše libovolný text a ten se pak přenese do mikropočítače
ATMEGA 48. Důležité upozornění k tomu aby šla Aplikace napsaná v jazyku turbo basic spustit je aby byla uložena přímo do disku C . Spustitelnost Aplikace je nutno předem ozkoušet před vlastní konstrukcí koule .



shema koule.png
 Komentář:
 Velikost:  38.69 kB
 Zobrazeno:  119 krát

shema koule.png



_________________
Můj e-mail: elnovy@email.cz
Bydliště: JČ
Povolání: Vývoj elektroniky+DPS
Zájmy: Programování C++ ,assembler
Návrat nahoru
Zobrazit informace o autorovi Odeslat soukromou zprávu Odeslat e-mail
elnovy
Pod dozorem moderátorů


Založen: Jul 04, 2010
Příspěvky: 902
Bydliště: JČ

PříspěvekZaslal: st květen 15 2024, 6:18    Předmět: Citovat

Jde spustit ta aplikace v turbo basiku na WIN7 ???

https://posilej.cz/zasilka/QJbfRi8Z#link

soubor APL

Důležité upozornění k tomu aby šla Aplikace napsaná v jazyku turbo basic spustit je aby byla uložena přímo do disku C .



K1.png
 Komentář:
 Velikost:  140.42 kB
 Zobrazeno:  87 krát

K1.png



_________________
Můj e-mail: elnovy@email.cz
Bydliště: JČ
Povolání: Vývoj elektroniky+DPS
Zájmy: Programování C++ ,assembler
Návrat nahoru
Zobrazit informace o autorovi Odeslat soukromou zprávu Odeslat e-mail
Zobrazit příspěvky z předchozích:   
Přidat nové téma   Zaslat odpověď       Obsah fóra Diskuzní fórum Elektro Bastlírny -> Zapojení ze šuplíku Časy uváděny v GMT + 1 hodina
Strana 1 z 1

 
Přejdi na:  
Nemůžete odesílat nové téma do tohoto fóra.
Nemůžete odpovídat na témata v tomto fóru.
Nemůžete upravovat své příspěvky v tomto fóru.
Nemůžete mazat své příspěvky v tomto fóru.
Nemůžete hlasovat v tomto fóru.
Nemůžete připojovat soubory k příspěvkům
Můžete stahovat a prohlížet přiložené soubory

Powered by phpBB © 2001, 2005 phpBB Group
Forums ©
Nuke - Elektro Bastlirna

Informace na portálu Elektro bastlírny jsou prezentovány za účelem vzdělání čtenářů a rozšíření zájmu o elektroniku. Autoři článků na serveru neberou žádnou zodpovědnost za škody vzniklé těmito zapojeními. Rovněž neberou žádnou odpovědnost za případnou újmu na zdraví vzniklou úrazem elektrickým proudem. Autoři a správci těchto stránek nepřejímají záruku za správnost zveřejněných materiálů. Předkládané informace a zapojení jsou zveřejněny bez ohledu na případné patenty třetích osob. Nároky na odškodnění na základě změn, chyb nebo vynechání jsou zásadně vyloučeny. Všechny registrované nebo jiné obchodní známky zde použité jsou majetkem jejich vlastníků. Uvedením nejsou zpochybněna z toho vyplývající vlastnická práva. Použití konstrukcí v rozporu se zákonem je přísně zakázáno. Vzhledem k tomu, že původ předkládaných materiálů nelze žádným způsobem dohledat, nelze je použít pro komerční účely! Tento nekomerční server nemá z uvedených zapojení či konstrukcí žádný zisk. Nezodpovídáme za pravost předkládaných materiálů třetími osobami a jejich původ. V případě, že zjistíte porušení autorského práva či jiné nesrovnalosti, kontaktujte administrátory na diskuzním fóru EB.


PHP-Nuke Copyright © 2005 by Francisco Burzi. This is free software, and you may redistribute it under the GPL. PHP-Nuke comes with absolutely no warranty, for details, see the license.
Čas potřebný ke zpracování stránky 0.13 sekund