Vítejte na Elektro Bastlírn?
Nuke - Elektro Bastlirna
  Vytvořit účet Hlavní · Fórum · DDump · Profil · Zprávy · Hledat na fóru · Příspěvky na provoz EB

Vlákno na téma KORONAVIRUS - nutná registrace


Nuke - Elektro Bastlirna: Diskuzní fórum

 FAQFAQ   HledatHledat   Uživatelské skupinyUživatelské skupiny   ProfilProfil   Soukromé zprávySoukromé zprávy   PřihlášeníPřihlášení 

Propojení DC napětí za usměrňovačem v 3f soustavě

 
Přidat nové téma   Zaslat odpověď       Obsah fóra Diskuzní fórum Elektro Bastlírny -> Teorie
Zobrazit předchozí téma :: Zobrazit následující téma  
Autor Zpráva
Karbus



Založen: Oct 28, 2008
Příspěvky: 62

PříspěvekZaslal: čt květen 02 2024, 20:16    Předmět: Propojení DC napětí za usměrňovačem v 3f soustavě Citovat

Ahoj,
mám tři můstkové usměrňovače s fitračním kondenzátorem na výstupu. Každý je zapojen mezi jednu fázi a N (L1-N, L2-N, L3-N) u transformátoru s vinutími zapojenými do hvězdy (nebo běžná rozvodná síť).
Na každém kondenzátoru naměřím 325 Vdc. Co se stane, když propojím + a - na DC straně? Můj předpoklad je, že napětí vzroste na 560 Vdc.
Je tomu tak?
Díky
Jirka
Návrat nahoru
Zobrazit informace o autorovi Odeslat soukromou zprávu
misocko



Založen: Jun 26, 2009
Příspěvky: 1469
Bydliště: Hlohovec (Sk)

PříspěvekZaslal: čt květen 02 2024, 21:43    Předmět: Citovat

nevzroste
prečo by malo?
len bude ešte viac vyhladene.
Návrat nahoru
Zobrazit informace o autorovi Odeslat soukromou zprávu Odeslat e-mail
tomasjedno



Založen: Oct 11, 2008
Příspěvky: 6577
Bydliště: ZZ9 Plural Z Alpha

PříspěvekZaslal: pá květen 03 2024, 0:29    Předmět: Citovat

misocko napsal(a):
prečo by malo?
Protože 400 V~.
Karbus napsal(a):
Co se stane, když propojím + a - na DC straně? Můj předpoklad je, že napětí vzroste na 560 Vdc.
Je tomu tak?
Ano, uvažuješ správně. Jenom pozor, jestli jsou na takové napětí dimenzované diody a kondy.
Návrat nahoru
Zobrazit informace o autorovi Odeslat soukromou zprávu
Milan_F



Založen: Oct 03, 2005
Příspěvky: 1765
Bydliště: nedaleko Humpolce

PříspěvekZaslal: pá květen 03 2024, 2:07    Předmět: Citovat

Od kdy je mezi fázi a zemi 400V?
Návrat nahoru
Zobrazit informace o autorovi Odeslat soukromou zprávu
petrfilipi



Založen: Sep 13, 2005
Příspěvky: 2888

PříspěvekZaslal: pá květen 03 2024, 5:57    Předmět: Citovat

Podívej se třeba sem.

PF
Návrat nahoru
Zobrazit informace o autorovi Odeslat soukromou zprávu Odeslat e-mail
houmr



Založen: Nov 01, 2016
Příspěvky: 1125
Bydliště: Dřísy nedaleko Staré Boleslavi

PříspěvekZaslal: pá květen 03 2024, 6:23    Předmět: Citovat

Tam ale nikde není 3f zapojení, kde by na každé fázi byl můstkový usměrňovač. Nicměně misocko má pravdu. Napětí by nemělo vzrůst, akorát místo dvou amplitud jich tam budeš mít šest, které se budou vzájemně krýt, takže menší nároky na vyhlazení.
Návrat nahoru
Zobrazit informace o autorovi Odeslat soukromou zprávu
xsc



Založen: Sep 25, 2014
Příspěvky: 8393

PříspěvekZaslal: pá květen 03 2024, 6:38    Předmět: Citovat

Nezapomeň, že ti tam půjdou na záporný i kladný pól diody z jiné fáze. Já bych čekal, že to napětí vzroste a že diody vedoucí na N se stanou zbytečné.
Návrat nahoru
Zobrazit informace o autorovi Odeslat soukromou zprávu
Dekker



Založen: Jan 11, 2017
Příspěvky: 423

PříspěvekZaslal: pá květen 03 2024, 6:45    Předmět: Citovat

možná se pletu, ale nebude to vlastně zapojení více zdrojů do série?
Návrat nahoru
Zobrazit informace o autorovi Odeslat soukromou zprávu
xsc



Založen: Sep 25, 2014
Příspěvky: 8393

PříspěvekZaslal: pá květen 03 2024, 6:47    Předmět: Citovat

Nebude, ty zdroje nemají nezávislé/oddělené napájení. Sériové zapojení by se z toho stalo, kdyby ty jednotlivé větve byly připojeny na samostatná vinutí, tedy bez spojeného N.
Návrat nahoru
Zobrazit informace o autorovi Odeslat soukromou zprávu
HF_Tech



Založen: Apr 25, 2022
Příspěvky: 1844

PříspěvekZaslal: pá květen 03 2024, 7:27    Předmět: Citovat

Bude tam mít 560V a jeden můstek zbytečně navíc.
Klidně můžeš zapojit na AC vstupy jednoho můstku N a L1 a na vstupy druhého L2 a L3 a bude to fungovat stejně.
Návrat nahoru
Zobrazit informace o autorovi Odeslat soukromou zprávu
tomasjedno



Založen: Oct 11, 2008
Příspěvky: 6577
Bydliště: ZZ9 Plural Z Alpha

PříspěvekZaslal: pá květen 03 2024, 10:29    Předmět: Citovat

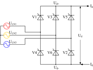
Jak už psal xsc, všechny diody připojené na N jsou tam navíc, zbytečné, budou trvale zavřené. Bude to fungovat viz obr.


IMG_6000.png
 Komentář:
 Velikost:  127.42 kB
 Zobrazeno:  96 krát

IMG_6000.png


Návrat nahoru
Zobrazit informace o autorovi Odeslat soukromou zprávu
xsc



Založen: Sep 25, 2014
Příspěvky: 8393

PříspěvekZaslal: pá květen 03 2024, 10:53    Předmět: Citovat

Jen jedna sada těch diod je v tom schématu opačně.
Návrat nahoru
Zobrazit informace o autorovi Odeslat soukromou zprávu
tomasjedno



Založen: Oct 11, 2008
Příspěvky: 6577
Bydliště: ZZ9 Plural Z Alpha

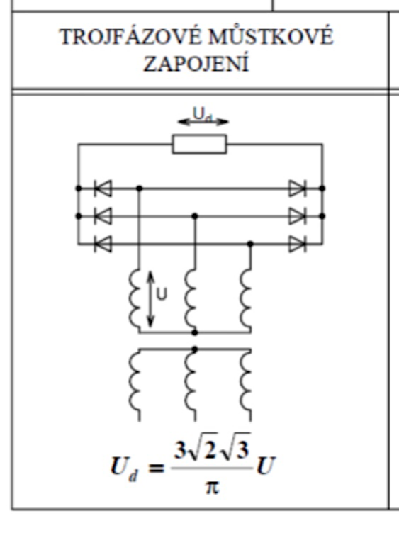
PříspěvekZaslal: pá květen 03 2024, 13:40    Předmět: Citovat

Jo, ten obrázek se jim fakt povedl Very Happy

Takže tentokrát snad správně (zdroj: Wiki).



IMG_6002.png
 Komentář:
 Velikost:  19.13 kB
 Zobrazeno:  75 krát

IMG_6002.png


Návrat nahoru
Zobrazit informace o autorovi Odeslat soukromou zprávu
Zobrazit příspěvky z předchozích:   
Přidat nové téma   Zaslat odpověď       Obsah fóra Diskuzní fórum Elektro Bastlírny -> Teorie Časy uváděny v GMT + 1 hodina
Strana 1 z 1

 
Přejdi na:  
Nemůžete odesílat nové téma do tohoto fóra.
Nemůžete odpovídat na témata v tomto fóru.
Nemůžete upravovat své příspěvky v tomto fóru.
Nemůžete mazat své příspěvky v tomto fóru.
Nemůžete hlasovat v tomto fóru.
Nemůžete připojovat soubory k příspěvkům
Můžete stahovat a prohlížet přiložené soubory

Powered by phpBB © 2001, 2005 phpBB Group
Forums ©
Nuke - Elektro Bastlirna

Informace na portálu Elektro bastlírny jsou prezentovány za účelem vzdělání čtenářů a rozšíření zájmu o elektroniku. Autoři článků na serveru neberou žádnou zodpovědnost za škody vzniklé těmito zapojeními. Rovněž neberou žádnou odpovědnost za případnou újmu na zdraví vzniklou úrazem elektrickým proudem. Autoři a správci těchto stránek nepřejímají záruku za správnost zveřejněných materiálů. Předkládané informace a zapojení jsou zveřejněny bez ohledu na případné patenty třetích osob. Nároky na odškodnění na základě změn, chyb nebo vynechání jsou zásadně vyloučeny. Všechny registrované nebo jiné obchodní známky zde použité jsou majetkem jejich vlastníků. Uvedením nejsou zpochybněna z toho vyplývající vlastnická práva. Použití konstrukcí v rozporu se zákonem je přísně zakázáno. Vzhledem k tomu, že původ předkládaných materiálů nelze žádným způsobem dohledat, nelze je použít pro komerční účely! Tento nekomerční server nemá z uvedených zapojení či konstrukcí žádný zisk. Nezodpovídáme za pravost předkládaných materiálů třetími osobami a jejich původ. V případě, že zjistíte porušení autorského práva či jiné nesrovnalosti, kontaktujte administrátory na diskuzním fóru EB.


PHP-Nuke Copyright © 2005 by Francisco Burzi. This is free software, and you may redistribute it under the GPL. PHP-Nuke comes with absolutely no warranty, for details, see the license.
Čas potřebný ke zpracování stránky 0.52 sekund