Vítejte na Elektro Bastlírn?
Nuke - Elektro Bastlirna
  Vytvořit účet Hlavní · Fórum · DDump · Profil · Zprávy · Hledat na fóru · Příspěvky na provoz EB

Vlákno na téma KORONAVIRUS - nutná registrace


Nuke - Elektro Bastlirna: Diskuzní fórum

 FAQFAQ   HledatHledat   Uživatelské skupinyUživatelské skupiny   ProfilProfil   Soukromé zprávySoukromé zprávy   PřihlášeníPřihlášení 

kondenzátory v polomostu

 
Přidat nové téma   Zaslat odpověď       Obsah fóra Diskuzní fórum Elektro Bastlírny -> Svářečky, UPS, nabíječe, měniče, zdroje, trafa a další
Zobrazit předchozí téma :: Zobrazit následující téma  
Autor Zpráva
Olchor



Založen: Nov 18, 2009
Příspěvky: 1770
Bydliště: Blansko

PříspěvekZaslal: út duben 23 2024, 8:03    Předmět: kondenzátory v polomostu Citovat

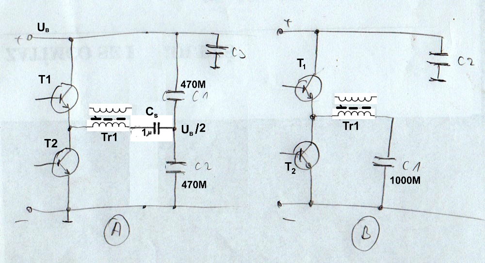
Co jsem viděl schemata měničů s polomostem, jsou ve druhé větvi mostu většinou dva kondy C1, C2 symetricky k napájení, C3 blokovací, obr. A.
Proč? Jaká je výhoda oproti zapojení B s jedním kondem (dvojnásobné velikosti) k zemi ? Ušetřil bych 1 kond a připadá mi to ekvivalentní.



most.jpg
 Komentář:
 Velikost:  71.13 kB
 Zobrazeno:  79 krát

most.jpg


Návrat nahoru
Zobrazit informace o autorovi Odeslat soukromou zprávu
mihal



Založen: Apr 06, 2005
Příspěvky: 1850
Bydliště: Zilina

PříspěvekZaslal: út duben 23 2024, 10:28    Předmět: Citovat

Ten prvý je normálny half bridge a ten druhý je rezonančný - capacita s indukčnosťou trafa. príklad

Naposledy upravil mihal dne út duben 23 2024, 10:31, celkově upraveno 1 krát.
Návrat nahoru
Zobrazit informace o autorovi Odeslat soukromou zprávu
Michal22



Založen: Mar 28, 2012
Příspěvky: 8218
Bydliště: Brno

PříspěvekZaslal: út duben 23 2024, 10:29    Předmět: Citovat

C1 v prvním zapojení není ekvivalentem C2 v druhém zapojení (C1 v prvním zapojení je až za tranzistorem a cívkou).
Určitě to nebude stejné, ten kondenzátor v napájení je nábojová pumpa pro napájení, ne pro výstup.

_________________
Civilizace založená na oboustranné lepící pásce nemůže dobře skončit...
I kdyby se z tebe jednou stal král, neodsuzuj lidi, kteří ti nebudou provolávat slávu- raději se zeptej sám sebe, proč tomu tak není...
Návrat nahoru
Zobrazit informace o autorovi Odeslat soukromou zprávu Odeslat e-mail
sqad



Založen: Sep 23, 2007
Příspěvky: 209

PříspěvekZaslal: út duben 23 2024, 12:07    Předmět: Citovat

Ten variant B sa používal hlavne u predradníkov (zdrojov) k fluorescenčným (T8, T5...) trubiciam u svietidiel.
Paralelne k C1 bola samotná trubica, transformátor napájal žhaviace konce (filamenty) trubice. Výhoda bola práve tá, že keď bolo nízke napätie na trubici viac sa žhavili konce a naopak.

Ak by si chcel použiť variant B na menič, asi by to šlo, ale rozdiel oproti variantu A je, čo sa deje tesne po zapnutí napájania.
Variant A si nabije kondenzátory sám, len prítomnosťou napájania. Ale variant B nemá ako nabiť C1 inak, ako cez polomost. Ak by polomost mal presne symetrické riadenie, asi by sa časom na ňom vytvorilo polovičné napätie ako napájacie, ale do toho času by transformátor bol asi presycovaný jednosmerným prúdom.

Podľa mňa variant B ako menič jedine vtedy, ak by si vedel nabiť C1 na polovičné napájacie napätie nejakým ,,externým" spôsobom pred spustením spínania polomosta. Ale toľko len moja úvaha, nemám to odskúšané.
Návrat nahoru
Zobrazit informace o autorovi Odeslat soukromou zprávu
HF_Tech



Založen: Apr 25, 2022
Příspěvky: 1844

PříspěvekZaslal: út duben 23 2024, 12:54    Předmět: Citovat

Ta poslední úvaha s B je samozřejmě nesprávná.

U A) je v tip v tom, že filtrační kondenzátory jsou C1 a C2. C3 je už v podstatě zbytečný. Když si to hodíš do simulátoru a podíváš se na napájecí proud, tak zjistíš, že to produkuje podstatně menší rušení než varianta B).
Návrat nahoru
Zobrazit informace o autorovi Odeslat soukromou zprávu
sqad



Založen: Sep 23, 2007
Příspěvky: 209

PříspěvekZaslal: út duben 23 2024, 15:03    Předmět: Citovat

HF_Tech napsal(a):
Ta poslední úvaha s B je samozřejmě nesprávná.


A dôvod?
Návrat nahoru
Zobrazit informace o autorovi Odeslat soukromou zprávu
Artaban001



Založen: Apr 01, 2004
Příspěvky: 10068
Bydliště: Pendrov

PříspěvekZaslal: út duben 23 2024, 16:52    Předmět: Citovat

Můj skromný odhad: Varianta B: Přes horní tranzistor se nabíjí kondenzátor a přes spodní se vybíjí. V podstatě je to i běžný koncový stupeň pro reproduktor. Je možnost kombinací L a C dostat sériový obvod spolu se spínací frekvencí do rezonance. Tohle řešení je jednoduché, ale hodí se jen pro malé výkony.
Varianta A: Kondenzátory tvoří dělič napětí - umělý střed. Pokud jeden tranzistor sepne, jeden kondenzátor se nabíjí a druhý vybíjí, tudíž mohou zátěží vést vyšší proudy. Napětí na uzlu se může pohybovat od kladného potenciálu až po záporný oproti klidovému stavu. Někdy se kombinuje A i B varianta, pokud má být výstup v rezonanci. Byl o tom před rokem, či dvěma seriál v Amáru.
Návrat nahoru
Zobrazit informace o autorovi Odeslat soukromou zprávu Odeslat e-mail
PavelFF



Založen: Feb 18, 2008
Příspěvky: 5275
Bydliště: Brno

PříspěvekZaslal: st duben 24 2024, 10:28    Předmět: Citovat

Olchor napsal(a):
Co jsem viděl schemata měničů s polomostem, jsou ve druhé větvi mostu většinou dva kondy C1, C2 symetricky k napájení, C3 blokovací, obr. A.
Proč? Jaká je výhoda oproti zapojení B s jedním kondem (dvojnásobné velikosti) k zemi ? Ušetřil bych 1 kond a připadá mi to ekvivalentní.

Ekvivalentní to není, jak už tu padlo několikrát. Bavíme se o polomostu, který se vyskytoval v běžných zdrojích pro PC o výkonech kolem 200W.

Varianta A využívá toho, že uzel C1, C2, TR1 si nastavuje sám od sebe přesně polovinu napájecího napětí Ub. A je to tvrdý zdroj napětí, nesmí s ním znatelně hýbat proud primárem Tr1.
Polovina Ub je důležitá pro to, aby Tr1 dostával symetrické napětí v obou směrech proudu i při proměnlivém napájecím napětí. Navíc tam bývá ještě sériový kondenzátor Cs, jehož kapacita je asi 500x menší než C1 a C2.
Tr1 je ekonomicky navržený pro sycení maximálně polovinou Ub v každé polaritě.

Varianta B - netuším, jestli by to vůbec fungovalo, ale po zapnutí zdroje se na TR1 dostane přes T1 plné napájecí napětí, což ho přesytí*) se známými nepříznivými vlivy (nadměrný proud, který potenciálně zničí T1). Za předpokladu, že C1 bude dvojnásobkem kapacity kondenzátorů z varianty A, jak navrhuješ, bude nabíjení C1 bude trvat mnoho cyklů a bude trpět T1 i trafo. A asi není definované, na jaké velikosti se napětí na C1 ustálí. Trafo potřebuje ideálně polovinu Ub.

Návrh, že by var. B fungovala, kdyby bylo vnějším zdrojem zajištěno nabití C1 na polovinu Ub je v podstatě správný. Akorát při změně Ub by se musela adekvátně měnit i ta polovina, aby byla zaručena symetrie buzení trafa.

Kdyby to tak fungovalo a šetřilo výrobní náklady, Číňani by to dozajista už dávno používali.



*) Pokud ho to nepřesytí, nebude navržen ekonomicky.



most_270_1.jpg
 Komentář:
 Velikost:  105.19 kB
 Zobrazeno:  85 krát

most_270_1.jpg


Návrat nahoru
Zobrazit informace o autorovi Odeslat soukromou zprávu
Olchor



Založen: Nov 18, 2009
Příspěvky: 1770
Bydliště: Blansko

PříspěvekZaslal: st duben 24 2024, 16:07    Předmět: Citovat

Díky za odpovědi. Když jsem to tak pročetl a vyhodnotil, vychází mi jen dva relevantní důvody pro variantu A.
- přechodový jev při zapnutí. Myslím si , že to není moc důležité, napětí na kondu se srovná velmi rychle
- rušení v napájení. To je pravda. Trafo je částečně napájeno z C1 při sepnutí horního trandu, z C2 u spodního. Jev by se dal eliminovat větším C3, ale tím se pomalu ztrácí výhoda var. B.
Ta by pak asi měla smysl jen v případě, že potřebuju mít jeden konec primáru trafa na zemi.
Návrat nahoru
Zobrazit informace o autorovi Odeslat soukromou zprávu
samponek



Založen: May 11, 2015
Příspěvky: 3907

PříspěvekZaslal: čt duben 25 2024, 18:48    Předmět: Citovat

Paralelně ke kondům dej odpory, aby na nich bylo stejné napětí, jinak bude stejnosměrný proud v cívce.
Návrat nahoru
Zobrazit informace o autorovi Odeslat soukromou zprávu
Olchor



Založen: Nov 18, 2009
Příspěvky: 1770
Bydliště: Blansko

PříspěvekZaslal: pá duben 26 2024, 6:29    Předmět: Citovat

No to asi nééé - ten ss proud by tekl kam ? Ihned by nabil kondy C1,2 tak, aby zanikl. Mohl by téct jen svodový proud C.
Střída ani nemusí být symetrická 1:1, kondy se rychle nabijí tak, aby tekl jen AC a DC složka vymizela.
Návrat nahoru
Zobrazit informace o autorovi Odeslat soukromou zprávu
samponek



Založen: May 11, 2015
Příspěvky: 3907

PříspěvekZaslal: so duben 27 2024, 19:16    Předmět: Citovat

Pravda, odpory by tam ale měly být stejně aby se jeden kondík třeba nepřebíjel už jenom kvůli tomu, že jsou v sérii.
Návrat nahoru
Zobrazit informace o autorovi Odeslat soukromou zprávu
Zobrazit příspěvky z předchozích:   
Přidat nové téma   Zaslat odpověď       Obsah fóra Diskuzní fórum Elektro Bastlírny -> Svářečky, UPS, nabíječe, měniče, zdroje, trafa a další Časy uváděny v GMT + 1 hodina
Strana 1 z 1

 
Přejdi na:  
Nemůžete odesílat nové téma do tohoto fóra.
Nemůžete odpovídat na témata v tomto fóru.
Nemůžete upravovat své příspěvky v tomto fóru.
Nemůžete mazat své příspěvky v tomto fóru.
Nemůžete hlasovat v tomto fóru.
Nemůžete připojovat soubory k příspěvkům
Můžete stahovat a prohlížet přiložené soubory

Powered by phpBB © 2001, 2005 phpBB Group
Forums ©
Nuke - Elektro Bastlirna

Informace na portálu Elektro bastlírny jsou prezentovány za účelem vzdělání čtenářů a rozšíření zájmu o elektroniku. Autoři článků na serveru neberou žádnou zodpovědnost za škody vzniklé těmito zapojeními. Rovněž neberou žádnou odpovědnost za případnou újmu na zdraví vzniklou úrazem elektrickým proudem. Autoři a správci těchto stránek nepřejímají záruku za správnost zveřejněných materiálů. Předkládané informace a zapojení jsou zveřejněny bez ohledu na případné patenty třetích osob. Nároky na odškodnění na základě změn, chyb nebo vynechání jsou zásadně vyloučeny. Všechny registrované nebo jiné obchodní známky zde použité jsou majetkem jejich vlastníků. Uvedením nejsou zpochybněna z toho vyplývající vlastnická práva. Použití konstrukcí v rozporu se zákonem je přísně zakázáno. Vzhledem k tomu, že původ předkládaných materiálů nelze žádným způsobem dohledat, nelze je použít pro komerční účely! Tento nekomerční server nemá z uvedených zapojení či konstrukcí žádný zisk. Nezodpovídáme za pravost předkládaných materiálů třetími osobami a jejich původ. V případě, že zjistíte porušení autorského práva či jiné nesrovnalosti, kontaktujte administrátory na diskuzním fóru EB.


PHP-Nuke Copyright © 2005 by Francisco Burzi. This is free software, and you may redistribute it under the GPL. PHP-Nuke comes with absolutely no warranty, for details, see the license.
Čas potřebný ke zpracování stránky 0.44 sekund