Vítejte na Elektro Bastlírn?
Nuke - Elektro Bastlirna
  Vytvořit účet Hlavní · Fórum · DDump · Profil · Zprávy · Hledat na fóru · Příspěvky na provoz EB

Vlákno na téma KORONAVIRUS - nutná registrace


Nuke - Elektro Bastlirna: Diskuzní fórum

 FAQFAQ   HledatHledat   Uživatelské skupinyUživatelské skupiny   ProfilProfil   Soukromé zprávySoukromé zprávy   PřihlášeníPřihlášení 

Zapojení relé a magnetická čidla
Jdi na stránku Předchozí  1, 2
 
Přidat nové téma   Zaslat odpověď       Obsah fóra Diskuzní fórum Elektro Bastlírny -> Řešení problémů s různými konstrukcemi
Zobrazit předchozí téma :: Zobrazit následující téma  
Autor Zpráva
Cowley



Založen: Feb 04, 2005
Příspěvky: 3569

PříspěvekZaslal: út září 19 2023, 17:18    Předmět: Citovat

dj_Paul napsal(a):
... pokud zůstane píst v mezipoloze...

Tak snad ta pružina zafunguje ...
Návrat nahoru
Zobrazit informace o autorovi Odeslat soukromou zprávu
Mahoney



Založen: Oct 26, 2019
Příspěvky: 680

PříspěvekZaslal: út září 19 2023, 17:25    Předmět: Citovat

Nejspíš nezafunguje, protože jestli mu to někde zůstane v mezipoloze, tak má nejspíš natlakovanej válec z obou stran…
Návrat nahoru
Zobrazit informace o autorovi Odeslat soukromou zprávu
Valdano



Založen: Jan 01, 2023
Příspěvky: 2812
Bydliště: Česká Lípa

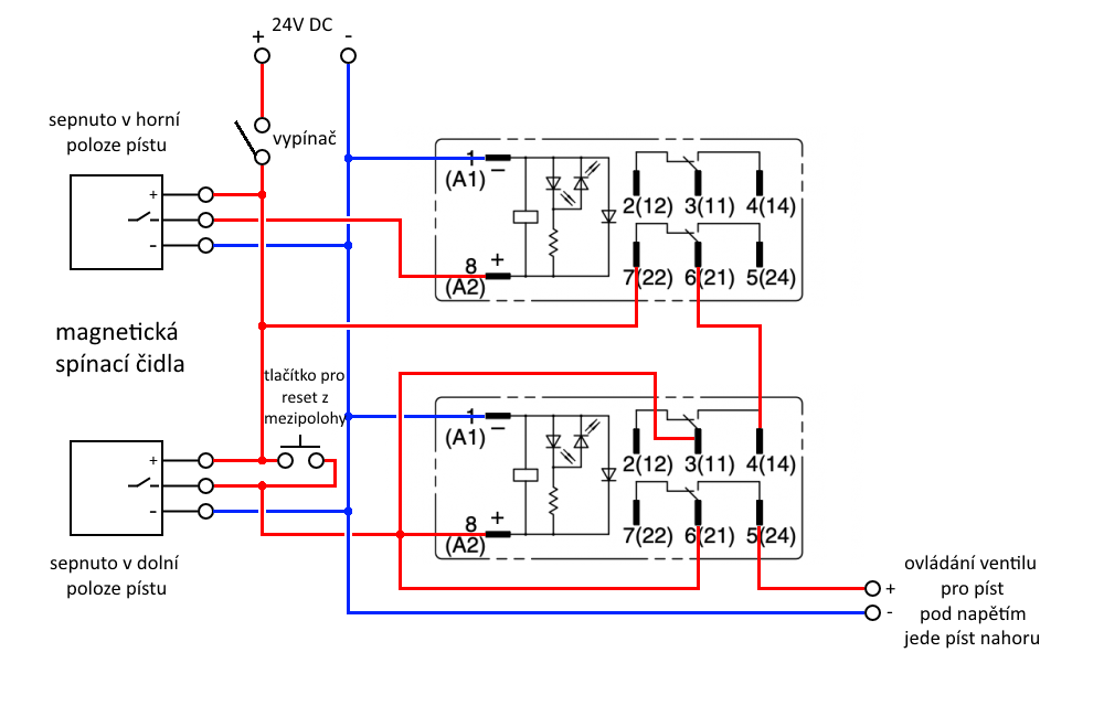
PříspěvekZaslal: út září 19 2023, 17:27    Předmět: Citovat

Nebo třeba takto včetně tlačítka pro reset z mezipolohy.


nahoru_dolu.png
 Komentář:
 Velikost:  100.72 kB
 Zobrazeno:  117 krát

nahoru_dolu.png


Návrat nahoru
Zobrazit informace o autorovi Odeslat soukromou zprávu
Nikoo



Založen: Sep 19, 2023
Příspěvky: 9

PříspěvekZaslal: út září 19 2023, 17:35    Předmět: Citovat

Chápu, ale to řeší vzduch.
protože bez proudu píst dojede do první pozice.
Jinak to funguje na výbornou.
Děkuji
Návrat nahoru
Zobrazit informace o autorovi Odeslat soukromou zprávu
dj_Paul



Založen: Sep 19, 2004
Příspěvky: 2643
Bydliště: Laškov

PříspěvekZaslal: út září 19 2023, 17:40    Předmět: Citovat

tak ať to slouží...
Návrat nahoru
Zobrazit informace o autorovi Odeslat soukromou zprávu Odeslat e-mail
Cowley



Založen: Feb 04, 2005
Příspěvky: 3569

PříspěvekZaslal: út září 19 2023, 17:41    Předmět: Citovat

No tak sláva!
Návrat nahoru
Zobrazit informace o autorovi Odeslat soukromou zprávu
Nikoo



Založen: Sep 19, 2023
Příspěvky: 9

PříspěvekZaslal: út září 19 2023, 18:14    Předmět: Citovat

Opravdu moc děkuji.
Kéž bych se tohle naučil, takovýhle výtvorů je více Laughing
Návrat nahoru
Zobrazit informace o autorovi Odeslat soukromou zprávu
dj_Paul



Založen: Sep 19, 2004
Příspěvky: 2643
Bydliště: Laškov

PříspěvekZaslal: út září 19 2023, 19:03    Předmět: Citovat

Vidíš, stačilo se zeptat.

Ještě by to šlo zjednodušit, stačí jen jedno relé. Ale musel by jsi použít snímače s mechanickým kontaktem.
Návrat nahoru
Zobrazit informace o autorovi Odeslat soukromou zprávu Odeslat e-mail
Nikoo



Založen: Sep 19, 2023
Příspěvky: 9

PříspěvekZaslal: út září 19 2023, 19:20    Předmět: Citovat

Když bude čas a nálada, tak mohu poslat další ovládání, co budu potřebovat udělat Smile
Návrat nahoru
Zobrazit informace o autorovi Odeslat soukromou zprávu
Nikoo



Založen: Sep 19, 2023
Příspěvky: 9

PříspěvekZaslal: ne duben 21 2024, 13:26    Předmět: Citovat

Zdravím Smile
Tak mám tu další ovládací prvek, se kterým bych potřeboval poradit Smile

Sepnutí relé, dojetí pístu k magnetickému čidlu, počkat cca 3 sekundy a vypnutí relé.
Šlo by k tomu i tlačítko, které bude fungovat jako manuál?
Pouze, když se bude držet.
Návrat nahoru
Zobrazit informace o autorovi Odeslat soukromou zprávu
VASEK_W



Založen: Dec 11, 2017
Příspěvky: 961
Bydliště: Pelhřimov

PříspěvekZaslal: ne duben 21 2024, 21:49    Předmět: Citovat

Píst je jednočinný, nebo dvojčinný?

Tlačítko pro ruční řízení jde udělat, ale musí se předtím (nebo zároveň se zmáčknutím toho tlačítka jeho dalším kontaktem) vyřadit automatické ovládání, aby se to nehádalo.

Vašek
Návrat nahoru
Zobrazit informace o autorovi Odeslat soukromou zprávu
Nikoo



Založen: Sep 19, 2023
Příspěvky: 9

PříspěvekZaslal: ne duben 21 2024, 22:39    Předmět: Citovat

Píst je dvojčinný, ale ovládání bude přes relé, sepnutí a vypnutí.
Při vypnutí píst zajede zpět.
Návrat nahoru
Zobrazit informace o autorovi Odeslat soukromou zprávu
VASEK_W



Založen: Dec 11, 2017
Příspěvky: 961
Bydliště: Pelhřimov

PříspěvekZaslal: po duben 22 2024, 20:47    Předmět: Citovat

Tady je verze s vysunutím po zmáčknutí tlačítka a výdrží ve vysunuté poloze 3sec, pak následuje automatický návrat.

Jako časové relé jde použít i jakékoliv multifunkční, kde se navolí požadovaná funkce a čas. Zbytek komponentů je nutný. Je to píst, pneumatický rozvaděč (ovladač s elektrořízením) 5/2 pro ovládání posuvů. Další komponenty jako škrticí ventily jsem tam pro lepší přehlednost nemaloval.

Jestli to takto vyhovuje, mohu případně domalovat ještě část pro ruční ovládání.

Vašek



Vysunování pístu s 3sec výdrží.jpg
 Komentář:
 Velikost:  27.97 kB
 Zobrazeno:  50 krát

Vysunování pístu s 3sec výdrží.jpg


Návrat nahoru
Zobrazit informace o autorovi Odeslat soukromou zprávu
Zobrazit příspěvky z předchozích:   
Přidat nové téma   Zaslat odpověď       Obsah fóra Diskuzní fórum Elektro Bastlírny -> Řešení problémů s různými konstrukcemi Časy uváděny v GMT + 1 hodina
Jdi na stránku Předchozí  1, 2
Strana 2 z 2

 
Přejdi na:  
Nemůžete odesílat nové téma do tohoto fóra.
Nemůžete odpovídat na témata v tomto fóru.
Nemůžete upravovat své příspěvky v tomto fóru.
Nemůžete mazat své příspěvky v tomto fóru.
Nemůžete hlasovat v tomto fóru.
Nemůžete připojovat soubory k příspěvkům
Můžete stahovat a prohlížet přiložené soubory

Powered by phpBB © 2001, 2005 phpBB Group
Forums ©
Nuke - Elektro Bastlirna

Informace na portálu Elektro bastlírny jsou prezentovány za účelem vzdělání čtenářů a rozšíření zájmu o elektroniku. Autoři článků na serveru neberou žádnou zodpovědnost za škody vzniklé těmito zapojeními. Rovněž neberou žádnou odpovědnost za případnou újmu na zdraví vzniklou úrazem elektrickým proudem. Autoři a správci těchto stránek nepřejímají záruku za správnost zveřejněných materiálů. Předkládané informace a zapojení jsou zveřejněny bez ohledu na případné patenty třetích osob. Nároky na odškodnění na základě změn, chyb nebo vynechání jsou zásadně vyloučeny. Všechny registrované nebo jiné obchodní známky zde použité jsou majetkem jejich vlastníků. Uvedením nejsou zpochybněna z toho vyplývající vlastnická práva. Použití konstrukcí v rozporu se zákonem je přísně zakázáno. Vzhledem k tomu, že původ předkládaných materiálů nelze žádným způsobem dohledat, nelze je použít pro komerční účely! Tento nekomerční server nemá z uvedených zapojení či konstrukcí žádný zisk. Nezodpovídáme za pravost předkládaných materiálů třetími osobami a jejich původ. V případě, že zjistíte porušení autorského práva či jiné nesrovnalosti, kontaktujte administrátory na diskuzním fóru EB.


PHP-Nuke Copyright © 2005 by Francisco Burzi. This is free software, and you may redistribute it under the GPL. PHP-Nuke comes with absolutely no warranty, for details, see the license.
Čas potřebný ke zpracování stránky 0.14 sekund