Vítejte na Elektro Bastlírn?
Nuke - Elektro Bastlirna
  Vytvořit účet
Hlavní · Fórum · DDump · Profil · Zprávy · Hledat na fóru


Nuke - Elektro Bastlirna: Diskuzní fórum

 FAQFAQ   HledatHledat   Uživatelské skupinyUživatelské skupiny   ProfilProfil   Soukromé zprávySoukromé zprávy   PřihlášeníPřihlášení 

Tuner Emerson TSH 113 VÍTĚZSTVÍ, řešení je na straně 2
Jdi na stránku 1, 2, 3  Další
 
Přidat nové téma   Zaslat odpověď       Obsah fóra Diskuzní fórum Elektro Bastlírny -> Audiotechnika
Zobrazit předchozí téma :: Zobrazit následující téma  
Autor Zpráva
jardafiala



Založen: Jun 20, 2010
Příspěvky: 2585
Bydliště: Česká Lípa

PříspěvekZaslal: so duben 13 2024, 14:17    Předmět: Tuner Emerson TSH 113 VÍTĚZSTVÍ, řešení je na straně 2 Citovat

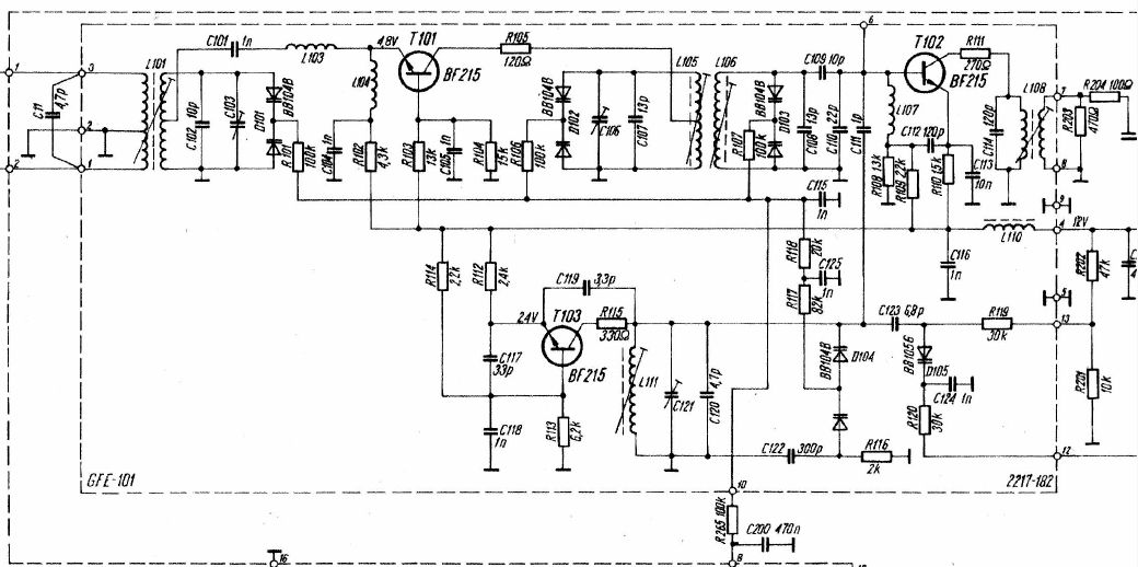
Zdar, koupil jsem zmíněný tuner, našel jakýsi servisní manuál, opravil v něm chyby a začal měřit. Naměřená napětí na tranzistorech jsou na posledním obrázku, nekmitá oscilátor. Natáhl jsem drátovou anténu od jiného tuneru, na konci udělal očko (ne závit) a navlékl ho na cívku oscilátoru. Na funkčním tuneru jsem nastavil 88 MHz a projel ladicí napětí opravovaného tuneru přes celou stupnici, bez odezvy, pro jistotu totéž s nastavením na 108MHz. Vychází mi z toho, že nekmitá oscilátor případně že kmitá někde úplně jinde. Když totiž přiložením prstu zatlumím cívku oscilátoru změní se proud tranzistorem. Lze nějak bez čítače nebo osciloskopu s příslušným rozsahem zjistit aspoň přibližně kde a jestli oscilátor kmitá? Když jsem kdysi stavěl satelitní přijímač tak se dal kmitočet oscilátoru změřit šuplerou - nad plechem natažený drát volně navázaný na oscilátor, posouváním zkratu a měřením vzdálenosti mezi maximy proudu tranzistorem oscilátoru.
Tady to asi tak jednoduché nebude, nevím jak začít, možná stačí trochu připostrčit. Nebo začít měnit kondenzátory (C117-C120) kolem oscilátoru?
POZNÁMKA napětí ve schematu jsou měřena proti -12V.



vstupní jednotka VKV.jpg
 Komentář:
 Velikost:  104.21 kB
 Zobrazeno:  135 krát

vstupní jednotka VKV.jpg



vstupní jednotka VKV opraveno.jpg
 Komentář:
 Velikost:  160.38 kB
 Zobrazeno:  138 krát

vstupní jednotka VKV opraveno.jpg




Naposledy upravil jardafiala dne pá duben 19 2024, 15:07, celkově upraveno 2 krát.
Návrat nahoru
Zobrazit informace o autorovi Odeslat soukromou zprávu Odeslat e-mail
EKKAR



Založen: Mar 16, 2005
Příspěvky: 35291
Bydliště: Česká Třebová, JN89FW21

PříspěvekZaslal: so duben 13 2024, 14:33    Předmět: Citovat

Kmitočty kolem 100MHz bys šuplerou měřil dost blbě, na to bys potřeboval spíš 3m svinovák ...
_________________
Nasliněný prst na svorkovnici domovního rozvaděče: Jó, paninko, máte tam ty Voltíky všecky...
A kutilmile - nelituju tě Mr. Green Mr. Green !!!
Návrat nahoru
Zobrazit informace o autorovi Odeslat soukromou zprávu Odeslat e-mail
jardafiala



Založen: Jun 20, 2010
Příspěvky: 2585
Bydliště: Česká Lípa

PříspěvekZaslal: so duben 13 2024, 14:44    Předmět: Citovat

Přesně tak.....
Návrat nahoru
Zobrazit informace o autorovi Odeslat soukromou zprávu Odeslat e-mail
masar



Založen: Dec 03, 2005
Příspěvky: 14104

PříspěvekZaslal: so duben 13 2024, 15:26    Předmět: Citovat

Na Radiomuseum je uveden rozsah VKV 66-73MHz, což odpovídá rozsahu oscilátoru 76,7-83,7 MHz. Jsi si jistý normou?
Jinak by měla předcházet kontrola Ulad za R117.
Wink
Návrat nahoru
Zobrazit informace o autorovi Odeslat soukromou zprávu Odeslat e-mail
dred



Založen: Apr 08, 2007
Příspěvky: 2603
Bydliště: Handlová

PříspěvekZaslal: so duben 13 2024, 16:23    Předmět: Citovat

Pokiaľ je to tuner určite so západnou CCIR normou - odmeraj ladiace napätie priamo na varikapoch..vstup 10 na doske a medzi varikapmi by sa nemalo nejako výrazne líšiť.. podozrivý by mohol byť C115 a C125 - zvod! (meraj voči GND)
Návrat nahoru
Zobrazit informace o autorovi Odeslat soukromou zprávu
jardafiala



Založen: Jun 20, 2010
Příspěvky: 2585
Bydliště: Česká Lípa

PříspěvekZaslal: so duben 13 2024, 18:21    Předmět: Citovat

Tuner je pro 88-108MHz, napětí na varikapech jsem měřil. Ještě poznámka, proud tranzistorem oscilátoru se při přeladění mění ale podle mých předchozích zkušeností velice málo.
Návrat nahoru
Zobrazit informace o autorovi Odeslat soukromou zprávu Odeslat e-mail
Spiral



Založen: Jun 07, 2013
Příspěvky: 414

PříspěvekZaslal: so duben 13 2024, 18:56    Předmět: Citovat

Ahoj,
neuvažoval jsi někdy o GDO?
Grid dip metr...
https://cs.wikipedia.org/wiki/Grid_dip_metr
Návrat nahoru
Zobrazit informace o autorovi Odeslat soukromou zprávu
jardafiala



Založen: Jun 20, 2010
Příspěvky: 2585
Bydliště: Česká Lípa

PříspěvekZaslal: so duben 13 2024, 19:00    Předmět: Citovat

Ani ne, nikdy mi nescházel a nemyslím si že se to změní.
Návrat nahoru
Zobrazit informace o autorovi Odeslat soukromou zprávu Odeslat e-mail
masar



Založen: Dec 03, 2005
Příspěvky: 14104

PříspěvekZaslal: so duben 13 2024, 19:07    Předmět: Citovat

jardafiala napsal(a):
Tuner je pro 88-108MHz,...
Ale hodnoty na tvém schematu odpovídají spíše východní normě. Asi nezbyde, než začít "ladit" trimrem C121 při odpojeném C120. Bez měřících přístrojů stejně nic jiného dělat nemůžeš. Pro srovnání - tady a tady jsou obrázky dílu s východní normou.
jardafiala napsal(a):
...nikdy mi nescházel...
Dnes ti očividně schází.
p.s.: Ty obrázky pocházejí z docela výživné stránky, věnované přeladění tohoto vstupního dílu. ZDE
Wink
Návrat nahoru
Zobrazit informace o autorovi Odeslat soukromou zprávu Odeslat e-mail
Hill
Administrátor


Založen: Sep 10, 2004
Příspěvky: 21160
Bydliště: Jičín, Český ráj

PříspěvekZaslal: so duben 13 2024, 19:47    Předmět: Citovat

Než začneš rozlaďovat, přiveď nějaký kus drátu jako anténu na C109 a projeď pásmo, jestli něco zachytíš.
Předpokládám, že mezifrekvenci máš prověřenou (hlavně filtry).
Návrat nahoru
Zobrazit informace o autorovi Odeslat soukromou zprávu
Zaky



Založen: Oct 30, 2010
Příspěvky: 7008
Bydliště: Praha

PříspěvekZaslal: po duben 15 2024, 6:26    Předmět: Citovat

Na takováto základní měření či indikace je skvělý RTL-SDR a software třeba SDR Sharp, za těch pár korun je to spoustu muziky.
_________________
Krátce před tím, než se to rozbilo, tak to ještě fungovalo...
Návrat nahoru
Zobrazit informace o autorovi Odeslat soukromou zprávu
jardafiala



Založen: Jun 20, 2010
Příspěvky: 2585
Bydliště: Česká Lípa

PříspěvekZaslal: po duben 15 2024, 13:23    Předmět: Citovat

Půjčil jsem si osciloskop a podíval se na oscilátor, viz přílohu. Nějak se nemůžu dopočítat, jaký kmitočet jsem naměřil...Na tuneru je klasická stupnice s běžcem, na ní je 94MHz, na měřáku s pacičkou je 92MHz. Osciloskop mi ukázal to jak se nemůžu nějak dopočítat, vyšlo mi 75MHz.... Mělo by tam být kolem 102-104MHz (?). Oscilátor jsem změřil tak, že jsem sondu položil volně kousek od cívky oscilátoru. Ještě k úrovním, na C směšovače je kmitočet oscilátoru s úrovní cca 20mV šš, na E cca 10mVšš.
Jen poznámka, na druhém obrázku je vidět, že je zvolena lupa 10x, modré tlačítko nahoře. Časová základna je v µs. Jo a kmitočet oscilátoru se s ladcím napětím mění.
Další doplnění, nevydržel jsem, otevřel a oddekloval tuner v T710A a koknul na oscilátor. Počítal jsme správně, oscilátor je na cca 75MHz. Mám puštěné jiné FM rádio a přesvědčil jsem se (opět), že při oddeklované jednotce a při jejím ladění se oscilátor na hrajícím rádiu jasně projeví. Teď už jenom zjistit, kam a hlavně proč se oscilátor zatoulal. Mám podezření na C120, případně C123 D105, nebo C111. Po ukončení akce podám zprávu.



oscilátor.jpg
 Komentář:
 Velikost:  56.35 kB
 Zobrazeno:  72 krát

oscilátor.jpg



osciloskop nastavení.jpg
 Komentář:
 Velikost:  94.03 kB
 Zobrazeno:  80 krát

osciloskop nastavení.jpg




Naposledy upravil jardafiala dne po duben 15 2024, 14:18, celkově upraveno 2 krát.
Návrat nahoru
Zobrazit informace o autorovi Odeslat soukromou zprávu Odeslat e-mail
masar



Založen: Dec 03, 2005
Příspěvky: 14104

PříspěvekZaslal: po duben 15 2024, 13:53    Předmět: Citovat

To je zoufalstvíSmile
Pokud je základna na 1us/dílek +10x lupa, tak vidím něco kolem 3,6MHz.
Taky jsi mohl uvést typ osciloskopu, takhle jen tipuji na HP1744A(100MHz).
Řekl bych, že to, co vidíš, jsou kmity jiného oscilátoru, nebo kmity vybuzené v samotné sondě (nevhodně navázaná na laděný obvod).
Wink


Naposledy upravil masar dne po duben 15 2024, 14:05, celkově upraveno 1 krát.
Návrat nahoru
Zobrazit informace o autorovi Odeslat soukromou zprávu Odeslat e-mail
ondraN



Založen: Aug 16, 2022
Příspěvky: 901
Bydliště: Roztoky

PříspěvekZaslal: po duben 15 2024, 14:02    Předmět: Citovat

Nastavení je 0.1us a MAG10x, takže cca 37MHz
Návrat nahoru
Zobrazit informace o autorovi Odeslat soukromou zprávu Odeslat e-mail
Cust



Založen: Jan 17, 2007
Příspěvky: 7269
Bydliště: Milotice u Kyjova

PříspěvekZaslal: po duben 15 2024, 14:06    Předmět: Citovat

Já tam vidím 0.1 µs a 10x. Sinusovka 2.7 dílku, tedy 37 MHz.

EDIT: ondraN byl rychlejší Wink
Návrat nahoru
Zobrazit informace o autorovi Odeslat soukromou zprávu Odeslat e-mail
Zobrazit příspěvky z předchozích:   
Přidat nové téma   Zaslat odpověď       Obsah fóra Diskuzní fórum Elektro Bastlírny -> Audiotechnika Časy uváděny v GMT + 1 hodina
Jdi na stránku 1, 2, 3  Další
Strana 1 z 3

 
Přejdi na:  
Nemůžete odesílat nové téma do tohoto fóra.
Nemůžete odpovídat na témata v tomto fóru.
Nemůžete upravovat své příspěvky v tomto fóru.
Nemůžete mazat své příspěvky v tomto fóru.
Nemůžete hlasovat v tomto fóru.
Nemůžete připojovat soubory k příspěvkům
Můžete stahovat a prohlížet přiložené soubory

Powered by phpBB © 2001, 2005 phpBB Group
Forums ©
Nuke - Elektro Bastlirna

Informace na portálu Elektro bastlírny jsou prezentovány za účelem vzdělání čtenářů a rozšíření zájmu o elektroniku. Autoři článků na serveru neberou žádnou zodpovědnost za škody vzniklé těmito zapojeními. Rovněž neberou žádnou odpovědnost za případnou újmu na zdraví vzniklou úrazem elektrickým proudem. Autoři a správci těchto stránek nepřejímají záruku za správnost zveřejněných materiálů. Předkládané informace a zapojení jsou zveřejněny bez ohledu na případné patenty třetích osob. Nároky na odškodnění na základě změn, chyb nebo vynechání jsou zásadně vyloučeny. Všechny registrované nebo jiné obchodní známky zde použité jsou majetkem jejich vlastníků. Uvedením nejsou zpochybněna z toho vyplývající vlastnická práva. Použití konstrukcí v rozporu se zákonem je přísně zakázáno. Vzhledem k tomu, že původ předkládaných materiálů nelze žádným způsobem dohledat, nelze je použít pro komerční účely! Tento nekomerční server nemá z uvedených zapojení či konstrukcí žádný zisk. Nezodpovídáme za pravost předkládaných materiálů třetími osobami a jejich původ. V případě, že zjistíte porušení autorského práva či jiné nesrovnalosti, kontaktujte administrátory na diskuzním fóru EB.


PHP-Nuke Copyright © 2005 by Francisco Burzi. This is free software, and you may redistribute it under the GPL. PHP-Nuke comes with absolutely no warranty, for details, see the license.
Čas potřebný ke zpracování stránky 0.37 sekund