Vítejte na Elektro Bastlírn?
Nuke - Elektro Bastlirna
  Vytvořit účet Hlavní · Fórum · DDump · Profil · Zprávy · Hledat na fóru · Příspěvky na provoz EB

Vlákno na téma KORONAVIRUS - nutná registrace


Nuke - Elektro Bastlirna: Diskuzní fórum

 FAQFAQ   HledatHledat   Uživatelské skupinyUživatelské skupiny   ProfilProfil   Soukromé zprávySoukromé zprávy   PřihlášeníPřihlášení 

Neznáme BFO

 
Přidat nové téma   Zaslat odpověď       Obsah fóra Diskuzní fórum Elektro Bastlírny -> Bezdrátová technika a technologie, VF technika
Zobrazit předchozí téma :: Zobrazit následující téma  
Autor Zpráva
Ivan_01



Založen: Sep 15, 2018
Příspěvky: 1404
Bydliště: BB SK

PříspěvekZaslal: pá leden 26 2024, 12:09    Předmět: Neznáme BFO Citovat

Nemáte niekto vedomosť o tejto konštrukcii BFO? Niekto ju dobastlil do prijímača Icom-R7000, ktorý ale už príjem SSB umožňuje. Je zapojená namiesto väzbového kondenzátora na vstupe IF obvodov a dá sa preklemovať vypínačom.


IMG_20240126_095541_009.jpg
 Komentář:
 Velikost:  298.09 kB
 Zobrazeno:  129 krát

IMG_20240126_095541_009.jpg



IMG_20240126_095604_186.jpg
 Komentář:
 Velikost:  291.24 kB
 Zobrazeno:  207 krát

IMG_20240126_095604_186.jpg


Návrat nahoru
Zobrazit informace o autorovi Odeslat soukromou zprávu
Crifodo



Založen: Oct 11, 2005
Příspěvky: 15004

PříspěvekZaslal: pá leden 26 2024, 12:59    Předmět: Citovat

To vypadá spíš jako (složitý) selektivní nf filtr, omezovač poruch nebo něco takového, než jako BFO což je jen oscilátor na +- mf kmitočtu.
Návrat nahoru
Zobrazit informace o autorovi Odeslat soukromou zprávu Odeslat e-mail
ok1hga



Založen: Nov 28, 2006
Příspěvky: 12583
Bydliště: Česká Třebová

PříspěvekZaslal: pá leden 26 2024, 14:43    Předmět: Citovat

Crifodo napsal(a):
To vypadá spíš jako (složitý) selektivní nf filtr, omezovač poruch nebo něco takového

. . . s přepínatelnými charakteristikami a různými šířkami propustného pásma
Návrat nahoru
Zobrazit informace o autorovi Odeslat soukromou zprávu
Ivan_01



Založen: Sep 15, 2018
Příspěvky: 1404
Bydliště: BB SK

PříspěvekZaslal: pá leden 26 2024, 14:57    Předmět: Citovat

no a práve preto sa tu prítomných znalcov pýtam, či niekto nevie čo to je, nepredpokladám, že to je konštrukcia len tak z hlavy, z niečoho zrejme autor vychádzal.
Návrat nahoru
Zobrazit informace o autorovi Odeslat soukromou zprávu
Crifodo



Založen: Oct 11, 2005
Příspěvky: 15004

PříspěvekZaslal: pá leden 26 2024, 15:04    Předmět: Citovat

Je málo pravděpodobné, že se někomu na dálku podaří vyvěštit určení a zapojení nějakého unikátu. Navíc v přístroji zřejmě málo frekventovaném. Pro začátek bys asi nejvíc udělal, kdyby sis v měřítku ofotil rub a líc desky bez geometrických zkreslení a zpětně překreslil/oměřil schéma.
Může to být i nějaký konvertor RTTY, cokoliv.
Návrat nahoru
Zobrazit informace o autorovi Odeslat soukromou zprávu Odeslat e-mail
Ivan_01



Založen: Sep 15, 2018
Příspěvky: 1404
Bydliště: BB SK

PříspěvekZaslal: pá leden 26 2024, 15:58    Předmět: Citovat

toľko času na to nemám, aj tak pôjde prijímač do pôvodného stavu, toto som chcel vedieť čisto len zo zvedavosti.
Návrat nahoru
Zobrazit informace o autorovi Odeslat soukromou zprávu
samec



Založen: Dec 19, 2017
Příspěvky: 5952

PříspěvekZaslal: pá leden 26 2024, 16:17    Předmět: Citovat

Dekodér kódovaných správ? Prečo by to nedal z hlavy? Veď sú to len bežné obvody zapojené do väčšieho celku. Bez indukčnosti, bez zložitého ladenia.
Návrat nahoru
Zobrazit informace o autorovi Odeslat soukromou zprávu
Artaban001



Založen: Apr 01, 2004
Příspěvky: 10068
Bydliště: Pendrov

PříspěvekZaslal: pá leden 26 2024, 18:40    Předmět: Citovat

Obraceč hovorovýho spektra? - kdysi se to hodně používalo na znemožnění poslechu nepovolanou osobou.
Návrat nahoru
Zobrazit informace o autorovi Odeslat soukromou zprávu Odeslat e-mail
ok1hga



Založen: Nov 28, 2006
Příspěvky: 12583
Bydliště: Česká Třebová

PříspěvekZaslal: pá leden 26 2024, 18:45    Předmět: Citovat

Artaban001 napsal(a):
Obraceč hovorovýho spektra?

utajovač ?
Návrat nahoru
Zobrazit informace o autorovi Odeslat soukromou zprávu
barnodaj



Založen: Apr 16, 2011
Příspěvky: 976
Bydliště: Vodňansko

PříspěvekZaslal: so leden 27 2024, 12:42    Předmět: Citovat

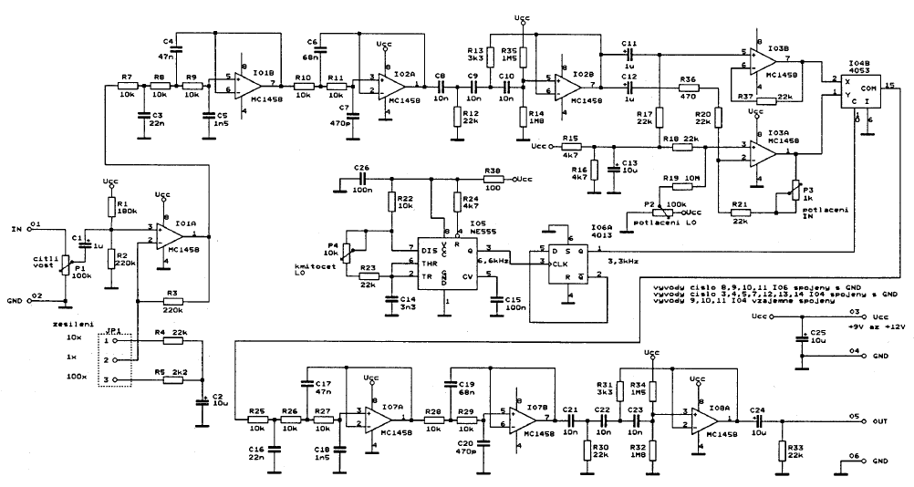
Třeba toto:

KTE 7/94
Musíš mít dva stejné kousky pro komunikaci.



utajovač.png
 Komentář:
 Velikost:  66.15 kB
 Zobrazeno:  163 krát

utajovač.png



1.png
 Komentář:
 Velikost:  230.68 kB
 Zobrazeno:  104 krát

1.png



2.png
 Komentář:
 Velikost:  151.95 kB
 Zobrazeno:  99 krát

2.png




Naposledy upravil barnodaj dne so leden 27 2024, 13:29, celkově upraveno 1 krát.
Návrat nahoru
Zobrazit informace o autorovi Odeslat soukromou zprávu
BOBOBO
Doporučuje se dohled moderátorů


Založen: Feb 25, 2008
Příspěvky: 20541
Bydliště: Rychnovsko

PříspěvekZaslal: so leden 27 2024, 13:19    Předmět: Citovat

Barnodaji a máš k tomu i druhou půlku ?
Návrat nahoru
Zobrazit informace o autorovi Odeslat soukromou zprávu
barnodaj



Založen: Apr 16, 2011
Příspěvky: 976
Bydliště: Vodňansko

PříspěvekZaslal: so leden 27 2024, 13:48    Předmět: Citovat

Ještě nějaký text

Tato stavebnice se dá pravděpodobně koupit u firmy ELTIP z Pardubic



2.png
 Komentář:
 Velikost:  224.67 kB
 Zobrazeno:  117 krát

2.png




Naposledy upravil barnodaj dne ne leden 28 2024, 19:58, celkově upraveno 1 krát.
Návrat nahoru
Zobrazit informace o autorovi Odeslat soukromou zprávu
Ivan_01



Založen: Sep 15, 2018
Příspěvky: 1404
Bydliště: BB SK

PříspěvekZaslal: ne leden 28 2024, 19:43    Předmět: Citovat

jj, to je ono a dokonca funkčné. Nahral som si signál prevedený cez toto udělátko a pri spätnom prehraní cez obracač je to normálne zrozumiteľné. Takže to môžem s kľudným svedomím vypreparovať z prijímača von. Nechce to niekto za poštovné ?
Návrat nahoru
Zobrazit informace o autorovi Odeslat soukromou zprávu
Zobrazit příspěvky z předchozích:   
Přidat nové téma   Zaslat odpověď       Obsah fóra Diskuzní fórum Elektro Bastlírny -> Bezdrátová technika a technologie, VF technika Časy uváděny v GMT + 1 hodina
Strana 1 z 1

 
Přejdi na:  
Nemůžete odesílat nové téma do tohoto fóra.
Nemůžete odpovídat na témata v tomto fóru.
Nemůžete upravovat své příspěvky v tomto fóru.
Nemůžete mazat své příspěvky v tomto fóru.
Nemůžete hlasovat v tomto fóru.
Nemůžete připojovat soubory k příspěvkům
Můžete stahovat a prohlížet přiložené soubory

Powered by phpBB © 2001, 2005 phpBB Group
Forums ©
Nuke - Elektro Bastlirna

Informace na portálu Elektro bastlírny jsou prezentovány za účelem vzdělání čtenářů a rozšíření zájmu o elektroniku. Autoři článků na serveru neberou žádnou zodpovědnost za škody vzniklé těmito zapojeními. Rovněž neberou žádnou odpovědnost za případnou újmu na zdraví vzniklou úrazem elektrickým proudem. Autoři a správci těchto stránek nepřejímají záruku za správnost zveřejněných materiálů. Předkládané informace a zapojení jsou zveřejněny bez ohledu na případné patenty třetích osob. Nároky na odškodnění na základě změn, chyb nebo vynechání jsou zásadně vyloučeny. Všechny registrované nebo jiné obchodní známky zde použité jsou majetkem jejich vlastníků. Uvedením nejsou zpochybněna z toho vyplývající vlastnická práva. Použití konstrukcí v rozporu se zákonem je přísně zakázáno. Vzhledem k tomu, že původ předkládaných materiálů nelze žádným způsobem dohledat, nelze je použít pro komerční účely! Tento nekomerční server nemá z uvedených zapojení či konstrukcí žádný zisk. Nezodpovídáme za pravost předkládaných materiálů třetími osobami a jejich původ. V případě, že zjistíte porušení autorského práva či jiné nesrovnalosti, kontaktujte administrátory na diskuzním fóru EB.


PHP-Nuke Copyright © 2005 by Francisco Burzi. This is free software, and you may redistribute it under the GPL. PHP-Nuke comes with absolutely no warranty, for details, see the license.
Čas potřebný ke zpracování stránky 0.55 sekund