Vítejte na Elektro Bastlírn?
Nuke - Elektro Bastlirna
  Vytvořit účet
Hlavní · Fórum · DDump · Profil · Zprávy · Hledat na fóru


Nuke - Elektro Bastlirna: Diskuzní fórum

 FAQFAQ   HledatHledat   Uživatelské skupinyUživatelské skupiny   ProfilProfil   Soukromé zprávySoukromé zprávy   PřihlášeníPřihlášení 

Operační zesilovač 5MHz
Jdi na stránku Předchozí  1, 2, 3, 4, 5  Další
 
Přidat nové téma   Zaslat odpověď       Obsah fóra Diskuzní fórum Elektro Bastlírny -> Součástky
Zobrazit předchozí téma :: Zobrazit následující téma  
Autor Zpráva
PavelFF



Založen: Feb 18, 2008
Příspěvky: 5334
Bydliště: Brno

PříspěvekZaslal: ne leden 21 2024, 10:29    Předmět: Citovat

Obvykle se pro oddělení oscilátoru od zátěže používá emitorový sledovač, který má zesílení menší než jedna, ale má mít velkou vstupní a malou výstupní impedanci. Jinak třeba hledej current buffer nebo tranzistor v zapojení se společným kolektorem.
Návrat nahoru
Zobrazit informace o autorovi Odeslat soukromou zprávu
FandaNew



Založen: Jun 09, 2017
Příspěvky: 62
Bydliště: Plzeň

PříspěvekZaslal: ne leden 21 2024, 10:37    Předmět: Citovat

Jj, to jsem zkusil s BF241, pověšeným hned na BF241 oscilátoru, výsledek byla zmršená sinusovka. Faktem ale je, že už jsem ten emitorový sledovač nezkoušel za tím stupněm s BF245. Zítra zkusím.
Díky za inspiraci!
Návrat nahoru
Zobrazit informace o autorovi Odeslat soukromou zprávu
HF_Tech



Založen: Apr 25, 2022
Příspěvky: 2186

PříspěvekZaslal: ne leden 21 2024, 10:56    Předmět: Citovat

FandaNew: Danharda na tebe.

v tom schématu udělej úpravy:
1) vyhoď elyt 3u3 u BF245
2) mezi oscilátor a G BF245 dej 100p místo 100n
3) paralelně ke 100n na blokování napájení dej ještě keramiku 10n

Pak změř, co z toho leze a DC napětí na výstupu BF245.
Návrat nahoru
Zobrazit informace o autorovi Odeslat soukromou zprávu
FandaNew



Založen: Jun 09, 2017
Příspěvky: 62
Bydliště: Plzeň

PříspěvekZaslal: ne leden 21 2024, 16:08    Předmět: Citovat

Ad Danhard - zdá se, že je to něco jako" Perun aby do Tebe uhodil Smile "
Všeobecně jsem na něj ve fórech několikrát narazil, evidentně profík a určitě dobře radil, dokonce i mě. Já jsem jen nahodilý bastlíř s netechnickým vzděláním, který občas dostane nějaký nápad a chce si ho vyzkoušet. Proto se hlásím do bastlírny, snad to nevadí.

Ke schématu.
Těch 100pF tam mám, udělal jsem chybu při překreslování.
3,3uF odstraním, ale bez něj to chodilo výrazně hůř. Původně jsem tam měl 100nF, ale 3,3uf kond byl ze všech kondů v daném okamžiku nejmenší, tak jsem ho tam dal. Já vím, při kmitočtu 5MHz zbytečně moc.
Ozvu se zítra.
Návrat nahoru
Zobrazit informace o autorovi Odeslat soukromou zprávu
Standa33



Založen: Nov 07, 2009
Příspěvky: 299

PříspěvekZaslal: ne leden 21 2024, 16:34    Předmět: Citovat

Zkusil bych za ten osc připojit tento oddělavací stupeň. C1 = 100p; C2 =10n


JFETBJTBUFFERSCH.png
 Komentář:
 Velikost:  16.51 kB
 Zobrazeno:  57 krát

JFETBJTBUFFERSCH.png


Návrat nahoru
Zobrazit informace o autorovi Odeslat soukromou zprávu
HF_Tech



Založen: Apr 25, 2022
Příspěvky: 2186

PříspěvekZaslal: ne leden 21 2024, 17:26    Předmět: Citovat

FandaNew napsal(a):
Ad Danhard - zdá se, že je to něco jako" Perun aby do Tebe uhodil Smile "
Všeobecně jsem na něj ve fórech několikrát narazil, evidentně profík a určitě dobře radil, dokonce i mě. Já jsem jen nahodilý bastlíř s netechnickým vzděláním, který občas dostane nějaký nápad a chce si ho vyzkoušet. Proto se hlásím do bastlírny, snad to nevadí.


S Danhardem to nemyslím špatně. Má jenom víc zkušeností.
Já jen když na to kouknu, tak se mi nezdá hodnota 22k v bázi oscilátoru - oscilátor nepotřebuje moc velký Ic, tím zbytečně roste zkreslení.
A pak se mi nezdá 8k u BF245 - na výkonový stupeň je proud moc malý. Pro dostatečný rozkmit by na něm měl být úbytek cca 1/2 napájecího napětí - jinak to bude zkreslovat.
Návrat nahoru
Zobrazit informace o autorovi Odeslat soukromou zprávu
FandaNew



Založen: Jun 09, 2017
Příspěvky: 62
Bydliště: Plzeň

PříspěvekZaslal: ne leden 21 2024, 17:30    Předmět: Citovat

Prima, díky za tipy, projdu to a oměřím, dám vědět.
Návrat nahoru
Zobrazit informace o autorovi Odeslat soukromou zprávu
JirkaZ



Založen: Feb 26, 2021
Příspěvky: 3764

PříspěvekZaslal: ne leden 21 2024, 19:13    Předmět: Citovat

Na výstupu zesilovače (pokud tam nebude trafo) by každopádně měl být emitorový sledovač nebo jeho obdoba s MOS či JFETem.

Proč?

No protože má potřebnou nízkou výstupní a vysokou vstupní impedanci.

_________________
Kdo chce, hledá způsob;
kdo ne - hledá důvod.

Ze dvou možností často volím tu třetí.
Návrat nahoru
Zobrazit informace o autorovi Odeslat soukromou zprávu
samponek



Založen: May 11, 2015
Příspěvky: 3907

PříspěvekZaslal: ne leden 21 2024, 19:17    Předmět: Citovat

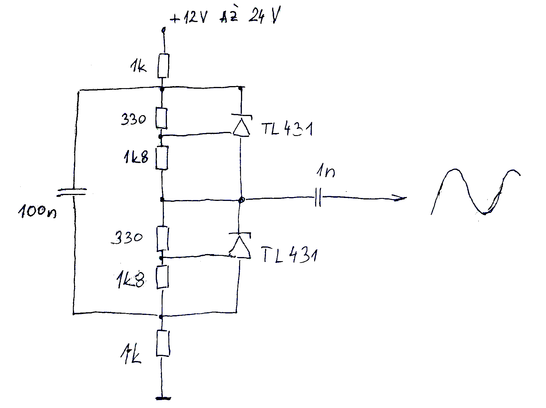
A co třeba použít TL431, samotnej kolem 5MHz dává krásnou sinusovku okolo 1.25V a ten DC offset odstraníš kondíkem.
Zapoj dva do série, vnuť jim výstupní napětí okolo 2.65V a překleneš kondíkem, tak je to super sinusovka.
Hornímu dej zvrchu 1k a sponímu 1k zespodu a potom dělič 330R a dolů 1k8 a na celej dej kondík 100n, tím ho rozkmitáš.

Sice je to prasečinka, ale funguje to dobře. Very Happy
Návrat nahoru
Zobrazit informace o autorovi Odeslat soukromou zprávu
JirkaZ



Založen: Feb 26, 2021
Příspěvky: 3764

PříspěvekZaslal: ne leden 21 2024, 19:51    Předmět: Citovat

samponku, jsi ožralý, nebo sjetý?
_________________
Kdo chce, hledá způsob;
kdo ne - hledá důvod.

Ze dvou možností často volím tu třetí.
Návrat nahoru
Zobrazit informace o autorovi Odeslat soukromou zprávu
samponek



Založen: May 11, 2015
Příspěvky: 3907

PříspěvekZaslal: po leden 22 2024, 8:58    Předmět: Citovat

Sinus oscilátor TL431 1.25V 5MHz. Výstupní napětí se šteluje odpůrkama 330R a 1k8, ale zesílení TL431 musí zůstat a být větší jak 200 ( 1k = proud a vůči tomu 330R/1k8 = napětí )


sinus_oscilator_5MHz.png
 Komentář:
 Velikost:  59.01 kB
 Zobrazeno:  62 krát

sinus_oscilator_5MHz.png




Naposledy upravil samponek dne po leden 22 2024, 9:21, celkově upraveno 1 krát.
Návrat nahoru
Zobrazit informace o autorovi Odeslat soukromou zprávu
JirkaZ



Založen: Feb 26, 2021
Příspěvky: 3764

PříspěvekZaslal: po leden 22 2024, 9:20    Předmět: Citovat

Jo jo, to bude frekvenčně a amplitudově stabilní, nezávislé na výrobci TL431, dobře zatížitelné apod.

Prostě krásná funkční reprodukovatelná konstrukce.

Já mám holt ten pech, že elektroniku dělám nějakých 47 let, z toho cca 37 profesionálně.

_________________
Kdo chce, hledá způsob;
kdo ne - hledá důvod.

Ze dvou možností často volím tu třetí.
Návrat nahoru
Zobrazit informace o autorovi Odeslat soukromou zprávu
samponek



Založen: May 11, 2015
Příspěvky: 3907

PříspěvekZaslal: po leden 22 2024, 9:50    Předmět: Citovat

Frekvenční stabilitu jsem nezkoumal, ale zatížitelné je to do cca 8mA, kdy se amplituda ani tvar sinusovky nemění. Výstupní kondík může být v rozsahu 1n až 100n, nebo žádný když nevadí DC offset, který je 1/2 napájecího napětí.
Návrat nahoru
Zobrazit informace o autorovi Odeslat soukromou zprávu
Hill
Administrátor


Založen: Sep 10, 2004
Příspěvky: 21143
Bydliště: Jičín, Český ráj

PříspěvekZaslal: po leden 22 2024, 10:04    Předmět: Citovat

Tak přesně na totéž jsem se chtěl zeptat taky.
Připomínám jen, že tady se žádají amplitudově i kmitočtově stabilní jednotky V do 50 Ω impedance a současně přizpůsobení výstupu k těm 50 Ω.
Návrat nahoru
Zobrazit informace o autorovi Odeslat soukromou zprávu
FandaNew



Založen: Jun 09, 2017
Příspěvky: 62
Bydliště: Plzeň

PříspěvekZaslal: po leden 22 2024, 17:21    Předmět: Citovat

Tak jsem zpět. Využil jsem rady a tipy, něco si spočítal, něco změřil, použil jsem jiné tranzistory a než jsem odešel z dílny, tak mám výsledek - viz přílohy.
Stručně: dosáhl jsem při 5MHz výstupní napětí 3,3Vrms (9Vpk-pk) při zátěži 50 ohmů.
Tentokrát jsem bastlil na nepájivém poli, tak ten signál by mohl být asi lepší a to zapojení by se dalo určitě také vymazlit, možná by dalo i vyšší napětí, už jsem ale víc dnes nestíhal, i tak jsem dosáhl svého.
Na fotce osciloskopu je žlutá stopa měřená na emitoru prvního BCP54, modrá na výstupu celého bastlíku.
Děkuji všem, kdo radili a připomínky vítám Smile



IMG_20240122_1518174.jpg
 Komentář:
Bastldeska
 Velikost:  145.19 kB
 Zobrazeno:  60 krát

IMG_20240122_1518174.jpg



IMG_20240122_1504301.jpg
 Komentář:
Schema
 Velikost:  210.7 kB
 Zobrazeno:  104 krát

IMG_20240122_1504301.jpg



IMG_20240122_1449118.jpg
 Komentář:
Oscilogram
 Velikost:  134.86 kB
 Zobrazeno:  63 krát

IMG_20240122_1449118.jpg


Návrat nahoru
Zobrazit informace o autorovi Odeslat soukromou zprávu
Zobrazit příspěvky z předchozích:   
Přidat nové téma   Zaslat odpověď       Obsah fóra Diskuzní fórum Elektro Bastlírny -> Součástky Časy uváděny v GMT + 1 hodina
Jdi na stránku Předchozí  1, 2, 3, 4, 5  Další
Strana 3 z 5

 
Přejdi na:  
Nemůžete odesílat nové téma do tohoto fóra.
Nemůžete odpovídat na témata v tomto fóru.
Nemůžete upravovat své příspěvky v tomto fóru.
Nemůžete mazat své příspěvky v tomto fóru.
Nemůžete hlasovat v tomto fóru.
Nemůžete připojovat soubory k příspěvkům
Můžete stahovat a prohlížet přiložené soubory

Powered by phpBB © 2001, 2005 phpBB Group
Forums ©
Nuke - Elektro Bastlirna

Informace na portálu Elektro bastlírny jsou prezentovány za účelem vzdělání čtenářů a rozšíření zájmu o elektroniku. Autoři článků na serveru neberou žádnou zodpovědnost za škody vzniklé těmito zapojeními. Rovněž neberou žádnou odpovědnost za případnou újmu na zdraví vzniklou úrazem elektrickým proudem. Autoři a správci těchto stránek nepřejímají záruku za správnost zveřejněných materiálů. Předkládané informace a zapojení jsou zveřejněny bez ohledu na případné patenty třetích osob. Nároky na odškodnění na základě změn, chyb nebo vynechání jsou zásadně vyloučeny. Všechny registrované nebo jiné obchodní známky zde použité jsou majetkem jejich vlastníků. Uvedením nejsou zpochybněna z toho vyplývající vlastnická práva. Použití konstrukcí v rozporu se zákonem je přísně zakázáno. Vzhledem k tomu, že původ předkládaných materiálů nelze žádným způsobem dohledat, nelze je použít pro komerční účely! Tento nekomerční server nemá z uvedených zapojení či konstrukcí žádný zisk. Nezodpovídáme za pravost předkládaných materiálů třetími osobami a jejich původ. V případě, že zjistíte porušení autorského práva či jiné nesrovnalosti, kontaktujte administrátory na diskuzním fóru EB.


PHP-Nuke Copyright © 2005 by Francisco Burzi. This is free software, and you may redistribute it under the GPL. PHP-Nuke comes with absolutely no warranty, for details, see the license.
Čas potřebný ke zpracování stránky 0.27 sekund