Vítejte na Elektro Bastlírn?
Nuke - Elektro Bastlirna
  Vytvořit účet
Hlavní · Fórum · DDump · Profil · Zprávy · Hledat na fóru


Nuke - Elektro Bastlirna: Diskuzní fórum

 FAQFAQ   HledatHledat   Uživatelské skupinyUživatelské skupiny   ProfilProfil   Soukromé zprávySoukromé zprávy   PřihlášeníPřihlášení 

Operační zesilovač 5MHz
Jdi na stránku 1, 2, 3, 4, 5  Další
 
Přidat nové téma   Zaslat odpověď       Obsah fóra Diskuzní fórum Elektro Bastlírny -> Součástky
Zobrazit předchozí téma :: Zobrazit následující téma  
Autor Zpráva
FandaNew



Založen: Jun 09, 2017
Příspěvky: 62
Bydliště: Plzeň

PříspěvekZaslal: pá leden 19 2024, 15:10    Předmět: Operační zesilovač 5MHz Citovat

Mohli byste mi poradit, zda nevíte o nějakém dostupném OZ, který by měl zesílení na 5MHz alespoň 5 ?
Mám oscilátor 5MHz s výstupním napětím cca 350mV na odporu 2k a signál z něj bych potřeboval zesílit na úroveň jednotek voltů.
Předem díky za Re, Fanda.
Návrat nahoru
Zobrazit informace o autorovi Odeslat soukromou zprávu
JirkaZ



Založen: Feb 26, 2021
Příspěvky: 3764

PříspěvekZaslal: pá leden 19 2024, 15:16    Předmět: Citovat

Parametricky si vyber v nabídce libovolného dodavatele. Stejně to musíš udělat, protože neuvádíš asi tak 20 dalších důležitých vlastností...
_________________
Kdo chce, hledá způsob;
kdo ne - hledá důvod.

Ze dvou možností často volím tu třetí.
Návrat nahoru
Zobrazit informace o autorovi Odeslat soukromou zprávu
HF_Tech



Založen: Apr 25, 2022
Příspěvky: 2186

PříspěvekZaslal: pá leden 19 2024, 15:27    Předmět: Citovat

A to chceš zesilovat sinus nebo obdélník?
A do jaké zátěže to chceš pouštět?
Návrat nahoru
Zobrazit informace o autorovi Odeslat soukromou zprávu
EKKAR



Založen: Mar 16, 2005
Příspěvky: 35249
Bydliště: Česká Třebová, JN89FW21

PříspěvekZaslal: pá leden 19 2024, 15:46    Předmět: Citovat

Operák nevím, ale podíval bych se po nějakým vidoezesilovači v integrovaný formě. Šířku pásma 5MHz by splňovaly třeba LF156/157 (155 už ne, má jen 3MHz), jde o to, jestli budou mít na tý horní frekvenci taky požadovanej zisk.
_________________
Nasliněný prst na svorkovnici domovního rozvaděče: Jó, paninko, máte tam ty Voltíky všecky...
A kutilmile - nelituju tě Mr. Green Mr. Green !!!
Návrat nahoru
Zobrazit informace o autorovi Odeslat soukromou zprávu Odeslat e-mail
FandaNew



Založen: Jun 09, 2017
Příspěvky: 62
Bydliště: Plzeň

PříspěvekZaslal: pá leden 19 2024, 15:47    Předmět: Citovat

Potřebuji sinus a to ideálně do 50 ohmů, ale to přímo z OZ asi nepůjde, takže ještě budu řešit výkonový stupeň.

Parametricky jsem hledal, ale stejně bych musel projít mraky datasheetů a výsledek zatím 0. Proto jsem to zkusil tady, jestli někdo alespoň přibližně z hlavy neví, kdo už třeba něco takového řešil.
Pro mne klíčové je, co jsem napsal do dotazu, ve všem ostatním se mohu přizpůsobit.
Návrat nahoru
Zobrazit informace o autorovi Odeslat soukromou zprávu
EKKAR



Založen: Mar 16, 2005
Příspěvky: 35249
Bydliště: Česká Třebová, JN89FW21

PříspěvekZaslal: pá leden 19 2024, 15:52    Předmět: Citovat

Integrovaný videozešilovače, něco od MAXIMa a podobně. Ty musely mít pro analogovej přenos aspoň těch 5MHz výkonovou šířku pásma, aby kvalitně přenášely všecky kontury a podobný hámotiny. Samotnej operák v celý šířce pásma jenom těžko.
_________________
Nasliněný prst na svorkovnici domovního rozvaděče: Jó, paninko, máte tam ty Voltíky všecky...
A kutilmile - nelituju tě Mr. Green Mr. Green !!!
Návrat nahoru
Zobrazit informace o autorovi Odeslat soukromou zprávu Odeslat e-mail
Standa33



Založen: Nov 07, 2009
Příspěvky: 299

PříspěvekZaslal: pá leden 19 2024, 16:27    Předmět: Citovat

Třeba tenhle:

https://datasheetspdf.com/pdf-file/53922/NationalSemiconductor/LM715/1
Návrat nahoru
Zobrazit informace o autorovi Odeslat soukromou zprávu
JirkaZ



Založen: Feb 26, 2021
Příspěvky: 3764

PříspěvekZaslal: pá leden 19 2024, 16:36    Předmět: Citovat

Hmm, ale 5V na 50Ω je proud 100mA, to bude s integrovaným videozesilovačem problém (čímž neříkám, že neexistuje).

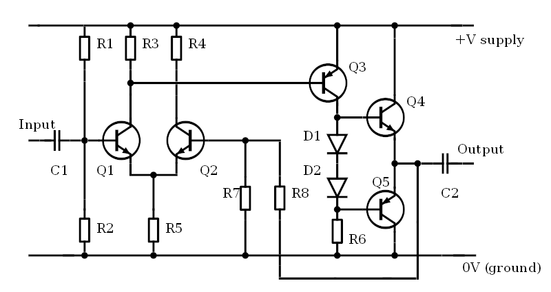
Osobně bych udělal jednoduché diskrétní řešení s komplementárním koncovým stupněm, 5 MHz sinus není zase tak moc (samozřejmě pokud zvolíš vhodné transistory a uděláš pořádný layout DPS).



Amplifier_Circuit_Small.png
 Komentář:
 Velikost:  26.81 kB
 Zobrazeno:  73 krát

Amplifier_Circuit_Small.png



_________________
Kdo chce, hledá způsob;
kdo ne - hledá důvod.

Ze dvou možností často volím tu třetí.


Naposledy upravil JirkaZ dne pá leden 19 2024, 16:42, celkově upraveno 1 krát.
Návrat nahoru
Zobrazit informace o autorovi Odeslat soukromou zprávu
JirkaZ



Založen: Feb 26, 2021
Příspěvky: 3764

PříspěvekZaslal: pá leden 19 2024, 16:38    Předmět: Citovat

Standa33 napsal(a):
Třeba tenhle:

https://datasheetspdf.com/pdf-file/53922/NationalSemiconductor/LM715/1


LM715 s největší pravděpodobností nedá 5V na 50Ω.

_________________
Kdo chce, hledá způsob;
kdo ne - hledá důvod.

Ze dvou možností často volím tu třetí.
Návrat nahoru
Zobrazit informace o autorovi Odeslat soukromou zprávu
Hill
Administrátor


Založen: Sep 10, 2004
Příspěvky: 21143
Bydliště: Jičín, Český ráj

PříspěvekZaslal: pá leden 19 2024, 17:57    Předmět: Citovat

Takový LM675 dá až 3 A, výkonová šířka pásma 5,5 MHz při zesílení 10 dB, třeba by se hodil.
Nebo adaptovat jeden z RGB koncáků CRT televize, tedy překopat na nižší napájecí napětí a větší proud.
Návrat nahoru
Zobrazit informace o autorovi Odeslat soukromou zprávu
JirkaZ



Založen: Feb 26, 2021
Příspěvky: 3764

PříspěvekZaslal: pá leden 19 2024, 18:15    Předmět: Citovat

LM675 - obávám se - bude na 5,5 MHz působit jako atenuátor...

Bohužel v jeho DS není graf Au vs f, ale myslím si, že 5,5 MHz je zcela mimo jeho možnosti (mimochodem má power bandwith 70 kHz a unity gain bandwith 50 kHz, i když s kompenzací).

Nějaký IO pro koncový stupeň z CRT aplikace by možná nebyl tak úplně nepoužitelný, ale myslím si, že bude problém s tím rozumně nízkým napájením (nebo značnou výkonovou ztrátou při vyšším).

Kdybychom věděli bližší údaje (třeba požadavek na zkreslení, stabilitu zesílení/amplitudy atd.), tak by možná šlo vymyslet něco lepšího.

Napadá mě něco jako koncový stupeň pro malý KV vysílač...

_________________
Kdo chce, hledá způsob;
kdo ne - hledá důvod.

Ze dvou možností často volím tu třetí.
Návrat nahoru
Zobrazit informace o autorovi Odeslat soukromou zprávu
HF_Tech



Založen: Apr 25, 2022
Příspěvky: 2186

PříspěvekZaslal: pá leden 19 2024, 18:42    Předmět: Citovat

Mohla by to zvládnout kombinace rychlého OZ (ft 50+ MHz) s budičem LT1010 nebo BF634A.
Rozkmit +-5V do koaxu to dá celkem bez problémů.
Návrat nahoru
Zobrazit informace o autorovi Odeslat soukromou zprávu
samponek



Založen: May 11, 2015
Příspěvky: 3907

PříspěvekZaslal: pá leden 19 2024, 18:56    Předmět: Citovat

AD826 v DIP8 pouzdře, oba operáky poralelně + 2SD882 a 2SB772, něco takovýho a odpor 1K zmenšit a druhej zvětšit, teď to má zesílení 2.
Když dáš 772 a 882 fake, tím možná líp, protože mají menší čip než originály a tím menší kapacitu Cbe a Ccb, poznáš je podle toho, že magnetují.
AD826 koupíš na Aliku letovanej, použitej, ale origo. za 20kč.



AD826.jpg
 Komentář:
 Velikost:  100.92 kB
 Zobrazeno:  85 krát

AD826.jpg


Návrat nahoru
Zobrazit informace o autorovi Odeslat soukromou zprávu
PavelFF



Založen: Feb 18, 2008
Příspěvky: 5334
Bydliště: Brno

PříspěvekZaslal: pá leden 19 2024, 22:00    Předmět: Citovat

Já mám v generátoru AD811. Umí 5V špička-špička do 50 Ohmů. Možná umí i víc, ale mám to tak nastavené. Zesiluju tím sinus do 20MHz a zvládá to s mírným poklesem. Zesílení 5,2x.
Jestli je dostupný nevím.
Návrat nahoru
Zobrazit informace o autorovi Odeslat soukromou zprávu
JirkaZ



Založen: Feb 26, 2021
Příspěvky: 3764

PříspěvekZaslal: pá leden 19 2024, 23:21    Předmět: Citovat

AD811 jsem chtěl navrhnout, ale po nahlédnutí do DS jsem zjistil, že má max. výstupní proud 100mA, což mi jako špičková hodnota pro sinusový průběh (požadováno je 5V předpokládám efektivních na 50Ω) přijde málo.

Ale třeba ho honíš nad přípustnými hodnotami a nějak to dává...

_________________
Kdo chce, hledá způsob;
kdo ne - hledá důvod.

Ze dvou možností často volím tu třetí.
Návrat nahoru
Zobrazit informace o autorovi Odeslat soukromou zprávu
Zobrazit příspěvky z předchozích:   
Přidat nové téma   Zaslat odpověď       Obsah fóra Diskuzní fórum Elektro Bastlírny -> Součástky Časy uváděny v GMT + 1 hodina
Jdi na stránku 1, 2, 3, 4, 5  Další
Strana 1 z 5

 
Přejdi na:  
Nemůžete odesílat nové téma do tohoto fóra.
Nemůžete odpovídat na témata v tomto fóru.
Nemůžete upravovat své příspěvky v tomto fóru.
Nemůžete mazat své příspěvky v tomto fóru.
Nemůžete hlasovat v tomto fóru.
Nemůžete připojovat soubory k příspěvkům
Můžete stahovat a prohlížet přiložené soubory

Powered by phpBB © 2001, 2005 phpBB Group
Forums ©
Nuke - Elektro Bastlirna

Informace na portálu Elektro bastlírny jsou prezentovány za účelem vzdělání čtenářů a rozšíření zájmu o elektroniku. Autoři článků na serveru neberou žádnou zodpovědnost za škody vzniklé těmito zapojeními. Rovněž neberou žádnou odpovědnost za případnou újmu na zdraví vzniklou úrazem elektrickým proudem. Autoři a správci těchto stránek nepřejímají záruku za správnost zveřejněných materiálů. Předkládané informace a zapojení jsou zveřejněny bez ohledu na případné patenty třetích osob. Nároky na odškodnění na základě změn, chyb nebo vynechání jsou zásadně vyloučeny. Všechny registrované nebo jiné obchodní známky zde použité jsou majetkem jejich vlastníků. Uvedením nejsou zpochybněna z toho vyplývající vlastnická práva. Použití konstrukcí v rozporu se zákonem je přísně zakázáno. Vzhledem k tomu, že původ předkládaných materiálů nelze žádným způsobem dohledat, nelze je použít pro komerční účely! Tento nekomerční server nemá z uvedených zapojení či konstrukcí žádný zisk. Nezodpovídáme za pravost předkládaných materiálů třetími osobami a jejich původ. V případě, že zjistíte porušení autorského práva či jiné nesrovnalosti, kontaktujte administrátory na diskuzním fóru EB.


PHP-Nuke Copyright © 2005 by Francisco Burzi. This is free software, and you may redistribute it under the GPL. PHP-Nuke comes with absolutely no warranty, for details, see the license.
Čas potřebný ke zpracování stránky 0.16 sekund