Vítejte na Elektro Bastlírn?
Nuke - Elektro Bastlirna
  Vytvořit účet Hlavní · Fórum · DDump · Profil · Zprávy · Hledat na fóru · Příspěvky na provoz EB

Vlákno na téma KORONAVIRUS - nutná registrace


Nuke - Elektro Bastlirna: Diskuzní fórum

 FAQFAQ   HledatHledat   Uživatelské skupinyUživatelské skupiny   ProfilProfil   Soukromé zprávySoukromé zprávy   PřihlášeníPřihlášení 

BM534

 
Přidat nové téma   Zaslat odpověď       Obsah fóra Diskuzní fórum Elektro Bastlírny -> Měřící přístroje, detektory fyzikálních veličin
Zobrazit předchozí téma :: Zobrazit následující téma  
Autor Zpráva
radioelectrum



Založen: Nov 11, 2011
Příspěvky: 2291
Bydliště: Oslavany

PříspěvekZaslal: pá prosinec 08 2023, 12:36    Předmět: BM534 Citovat

nevíte jaké je napětí po stabilizaci za zdrojem v BM534 ?


Schránka 02.jpg
 Komentář:
 Velikost:  62.13 kB
 Zobrazeno:  166 krát

Schránka 02.jpg


Návrat nahoru
Zobrazit informace o autorovi Odeslat soukromou zprávu Odeslat e-mail Zobrazit autorovy WWW stránky
JirkaZ



Založen: Feb 26, 2021
Příspěvky: 3735

PříspěvekZaslal: pá prosinec 08 2023, 12:38    Předmět: Citovat

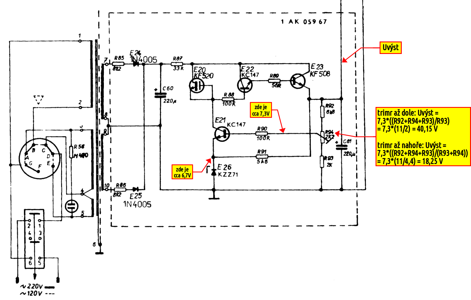
To náhodou vím naprosto přesně.

Takové, jaké si nastavíš trimrem R94. A rozmezí si můžeš spočítat z obvodových hodnot.

Oficiální hodnota je v SM, ze kterého jsi vzal ten obrázek, a to jednak v blokovém schématu, jednak v textu. Není to 41V, jak píše DukeNuke níže.

Pérovky sem doprdelepráce dávej v *.png.

Edit: v té dokumentaci je dost zmatek. Píšou tam cosi o obou polovinách zdroje (které nejsou nikde nakreslené). Jestli to má symetrické napájení a tentýž blok zdroje je použitý 2x sériově (přičemž na GND je spojení těch zdrojů), to vědí jen tvůrci a ty, když to máš rozdělané.



BM534_zdroj.png
 Komentář:
 Velikost:  87.55 kB
 Zobrazeno:  169 krát

BM534_zdroj.png



_________________
Kdo chce, hledá způsob;
kdo ne - hledá důvod.

Ze dvou možností často volím tu třetí.


Naposledy upravil JirkaZ dne pá prosinec 08 2023, 13:07, celkově upraveno 4 krát.
Návrat nahoru
Zobrazit informace o autorovi Odeslat soukromou zprávu
DukeNuke



Založen: Apr 02, 2018
Příspěvky: 1816

PříspěvekZaslal: pá prosinec 08 2023, 12:41    Předmět: Citovat

Mělo by tam být 32V. Snad. Těch 41V neplatí... To by mohlo být na tom C60.
Dvě poloviny zdroje to nemělo už za mě Smile
A vzhledem k tomu, že na kolektorech E3, E4 a E5 má být 31,8V, tak těch 32 by mělo sedět.
Tyhle genery se dělaly na učňáku v Tesle Brno. Mosfety se měřily už nevím jak a žárovky se měřily na omeze kvůli proudu. Z toho se pak vybíraly vhodné kusy. Ti nejlepší pak mohli zapájet KF521 Smile. Stupnice se gravírovaly pro každý kus zvlášť podle měřícího protokolu. Kdybych si tak všechno pamatoval...
Návrat nahoru
Zobrazit informace o autorovi Odeslat soukromou zprávu
radioelectrum



Založen: Nov 11, 2011
Příspěvky: 2291
Bydliště: Oslavany

PříspěvekZaslal: pá prosinec 08 2023, 14:50    Předmět: Citovat

JirkaZ napsal(a):
To náhodou vím naprosto přesně.

Takové, jaké si nastavíš trimrem R94. A rozmezí si můžeš spočítat z obvodových hodnot.
Omlouvám se ale elektroniku mám jako koníček spočítat takovýhle stabilizovaný zdroj je už za mým schopnostmi.
Návrat nahoru
Zobrazit informace o autorovi Odeslat soukromou zprávu Odeslat e-mail Zobrazit autorovy WWW stránky
DukeNuke



Založen: Apr 02, 2018
Příspěvky: 1816

PříspěvekZaslal: pá prosinec 08 2023, 15:10    Předmět: Citovat

Jo, tipl jsem to dobře - v manálu to sice není přímo popsáno, ale v blokovém schématu je u zdroje napsáno 32V Smile
Návrat nahoru
Zobrazit informace o autorovi Odeslat soukromou zprávu
JirkaZ



Založen: Feb 26, 2021
Příspěvky: 3735

PříspěvekZaslal: so prosinec 09 2023, 21:02    Předmět: Citovat

radioelectrum: já kdybych se pokoušel opravovat RC generátor, tak bych to bez schopnosti spočítat základní DC zapojení snad ani nezkoušel...

V příloze máš lehce komentované schéma (výpočty jsou orientační na základě typických a udaných hodnot).



BM534_zdroj_s_komentari.png
 Komentář:
 Velikost:  256.35 kB
 Zobrazeno:  203 krát

BM534_zdroj_s_komentari.png



_________________
Kdo chce, hledá způsob;
kdo ne - hledá důvod.

Ze dvou možností často volím tu třetí.
Návrat nahoru
Zobrazit informace o autorovi Odeslat soukromou zprávu
Zobrazit příspěvky z předchozích:   
Přidat nové téma   Zaslat odpověď       Obsah fóra Diskuzní fórum Elektro Bastlírny -> Měřící přístroje, detektory fyzikálních veličin Časy uváděny v GMT + 1 hodina
Strana 1 z 1

 
Přejdi na:  
Nemůžete odesílat nové téma do tohoto fóra.
Nemůžete odpovídat na témata v tomto fóru.
Nemůžete upravovat své příspěvky v tomto fóru.
Nemůžete mazat své příspěvky v tomto fóru.
Nemůžete hlasovat v tomto fóru.
Nemůžete připojovat soubory k příspěvkům
Můžete stahovat a prohlížet přiložené soubory

Powered by phpBB © 2001, 2005 phpBB Group
Forums ©
Nuke - Elektro Bastlirna

Informace na portálu Elektro bastlírny jsou prezentovány za účelem vzdělání čtenářů a rozšíření zájmu o elektroniku. Autoři článků na serveru neberou žádnou zodpovědnost za škody vzniklé těmito zapojeními. Rovněž neberou žádnou odpovědnost za případnou újmu na zdraví vzniklou úrazem elektrickým proudem. Autoři a správci těchto stránek nepřejímají záruku za správnost zveřejněných materiálů. Předkládané informace a zapojení jsou zveřejněny bez ohledu na případné patenty třetích osob. Nároky na odškodnění na základě změn, chyb nebo vynechání jsou zásadně vyloučeny. Všechny registrované nebo jiné obchodní známky zde použité jsou majetkem jejich vlastníků. Uvedením nejsou zpochybněna z toho vyplývající vlastnická práva. Použití konstrukcí v rozporu se zákonem je přísně zakázáno. Vzhledem k tomu, že původ předkládaných materiálů nelze žádným způsobem dohledat, nelze je použít pro komerční účely! Tento nekomerční server nemá z uvedených zapojení či konstrukcí žádný zisk. Nezodpovídáme za pravost předkládaných materiálů třetími osobami a jejich původ. V případě, že zjistíte porušení autorského práva či jiné nesrovnalosti, kontaktujte administrátory na diskuzním fóru EB.


PHP-Nuke Copyright © 2005 by Francisco Burzi. This is free software, and you may redistribute it under the GPL. PHP-Nuke comes with absolutely no warranty, for details, see the license.
Čas potřebný ke zpracování stránky 0.34 sekund