Vítejte na Elektro Bastlírn?
Nuke - Elektro Bastlirna
  Vytvořit účet Hlavní · Fórum · DDump · Profil · Zprávy · Hledat na fóru · Příspěvky na provoz EB

Vlákno na téma KORONAVIRUS - nutná registrace


Nuke - Elektro Bastlirna: Diskuzní fórum

 FAQFAQ   HledatHledat   Uživatelské skupinyUživatelské skupiny   ProfilProfil   Soukromé zprávySoukromé zprávy   PřihlášeníPřihlášení 

uprava Dominant 1039A
Jdi na stránku Předchozí  1, 2, 3, 4  Další
 
Přidat nové téma   Zaslat odpověď       Obsah fóra Diskuzní fórum Elektro Bastlírny -> Audiotechnika
Zobrazit předchozí téma :: Zobrazit následující téma  
Autor Zpráva
samec



Založen: Dec 19, 2017
Příspěvky: 5966

PříspěvekZaslal: út říjen 03 2023, 1:01    Předmět: Citovat

http://korfaudio.com/blog80
Návrat nahoru
Zobrazit informace o autorovi Odeslat soukromou zprávu
Hill
Administrátor


Založen: Sep 10, 2004
Příspěvky: 20926
Bydliště: Jičín, Český ráj

PříspěvekZaslal: út říjen 03 2023, 4:46    Předmět: Citovat

Zabývat se ložiskem raménka v Dominantu? Příležitostně se poohlédnu po vhodnějším vláknu s lepšími chassis, tam by to slušelo.
Návrat nahoru
Zobrazit informace o autorovi Odeslat soukromou zprávu
samec



Založen: Dec 19, 2017
Příspěvky: 5966

PříspěvekZaslal: út říjen 03 2023, 16:08    Předmět: Citovat

Tak trebárs Optonica. Tam mám s ložiskom ramienka tiež starosti.
http://www.ebastlirna.cz/modules.php?name=Forums&file=viewtopic&t=95588
Návrat nahoru
Zobrazit informace o autorovi Odeslat soukromou zprávu
slavek



Založen: Mar 27, 2017
Příspěvky: 29

PříspěvekZaslal: ne říjen 29 2023, 19:50    Předmět: Citovat

PotPalo napsal(a):
K tomu zdvíhaniu skla:

Na jednej strane je silón a malá pružinka, to slúži na brzdenie pri otváraní, a je to namazané hustou brzdiacou vazelínou. To je na to aby sa sklo otváralo pomaly a nevystrelilo rýchlo hore. Tu sa zvykne odlomiť plastový valček (s navlečenou bužírkou) .....


Nemá někdo fotku co tam má být, případně nemá "to" někdo z vraku? Mě tam evidentně něco chybí, koukám jen na malou kovovou kladku.
Sklo se nechce otevírat vůbec, musím ho silou zvedat. Ta druhá strana s velkým pérem, kovovým hřebenem a nějakým provázkem se zdá kompletní.

A druhý dotaz, včera jsem zkoušel laborovat s laděním, potřeboval bych zvednout začátek od cca 10V kde to začíná ladit přes horní pásmo (88-108) čímž bych efektivněji a přesněji využil celou dráhu ladícího potenciometru jen pro CCIR, zkusil jsem R3 v obvodu N2 ale asi by to chtělo změnit celý poměr R3 a R7 ?
To samé bych pak udělal i na Solo 638, mam tu 2. Všechno jsou asi poslední kusy, tzn. s celým pásmem do 108 z výroby.
Návrat nahoru
Zobrazit informace o autorovi Odeslat soukromou zprávu
PotPalo



Založen: May 13, 2009
Příspěvky: 5886
Bydliště: BA

PříspěvekZaslal: ne říjen 29 2023, 20:22    Předmět: Citovat

Ono to má byť asi takto (to červené je silón, hore končí na pružinke). Ten plastový kus s bužírkou zapustený v plaste dolu sa zvykne vylomiť. Dá sa tam navŕtať dierka a dať šróbik s navlečenou bužírkou.


dominant.PNG
 Komentář:
 Velikost:  2.97 kB
 Zobrazeno:  88 krát

dominant.PNG



_________________
Globálne otepľovanie je spôsobené masívnou zástavbou a rúbaním storočných stromov. Kamene namiesto trávy tiež prispievajú k otepľovaniu.
Návrat nahoru
Zobrazit informace o autorovi Odeslat soukromou zprávu Odeslat e-mail
slavek



Založen: Mar 27, 2017
Příspěvky: 29

PříspěvekZaslal: ne říjen 29 2023, 20:44    Předmět: Citovat

Takže si mám sehnat nějaké silné pero a přivázat ho silonem?

Mimochodem, překvapuje mě, že na Solo ani Dominant nikde není kompletní servisní manuál, tak jak je u Tesly zvykem, copak ho nevydali? Nebo ho nikdo nemá (tzn i s deskou, postupama atp..)?



IMG_1349.jpg
 Komentář:
 Velikost:  120.04 kB
 Zobrazeno:  98 krát

IMG_1349.jpg


Návrat nahoru
Zobrazit informace o autorovi Odeslat soukromou zprávu
PotPalo



Založen: May 13, 2009
Příspěvky: 5886
Bydliště: BA

PříspěvekZaslal: ne říjen 29 2023, 20:47    Předmět: Citovat

Chcelo by to fotky funkčného kusu, je možné že si to pamätám zle.
_________________
Globálne otepľovanie je spôsobené masívnou zástavbou a rúbaním storočných stromov. Kamene namiesto trávy tiež prispievajú k otepľovaniu.
Návrat nahoru
Zobrazit informace o autorovi Odeslat soukromou zprávu Odeslat e-mail
samec



Založen: Dec 19, 2017
Příspěvky: 5966

PříspěvekZaslal: ne říjen 29 2023, 23:48    Předmět: Citovat

Trvalo mi to nejakú hodinu, než som na to prišiel, ale myslím, že zámer konštruktéra bol takýto:


lanko.jpg
 Komentář:
 Velikost:  37.09 kB
 Zobrazeno:  96 krát

lanko.jpg


Návrat nahoru
Zobrazit informace o autorovi Odeslat soukromou zprávu
jardafiala



Založen: Jun 20, 2010
Příspěvky: 2444
Bydliště: Česká Lípa

PříspěvekZaslal: st listopad 29 2023, 16:52    Předmět: Citovat

Čte ještě někdo tohle téma?
Byl tu dotaz bez odpovědi od "slavek": "Mimochodem, překvapuje mě, že na Solo ani Dominant nikde není kompletní servisní manuál, tak jak je u Tesly zvykem, copak ho nevydali? Nebo ho nikdo nemá (tzn i s deskou, postupama atp..)?"
Mě by třeba zajímalo, k čemu je na desce koncového zesilovače vpravo část označená písmenem G, vypadá to, že by to mohl být neosazený RIAA předzesilovač, nic jsem nenašel.
Návrat nahoru
Zobrazit informace o autorovi Odeslat soukromou zprávu Odeslat e-mail
barnodaj



Založen: Apr 16, 2011
Příspěvky: 976
Bydliště: Vodňansko

PříspěvekZaslal: st listopad 29 2023, 18:30    Předmět: Citovat

Musíš lépe hledat:
SOLO



G.png
 Komentář:
 Velikost:  26.88 kB
 Zobrazeno:  148 krát

G.png



G1.png
 Komentář:
 Velikost:  38.36 kB
 Zobrazeno:  156 krát

G1.png


Návrat nahoru
Zobrazit informace o autorovi Odeslat soukromou zprávu
lubos1961



Založen: Jul 20, 2010
Příspěvky: 446
Bydliště: Nový Jičín

PříspěvekZaslal: st listopad 29 2023, 18:55    Předmět: Citovat

Montážní zapojení (gramo)


Montážní zapojení 1039A.png
 Komentář:
 Velikost:  36.63 kB
 Zobrazeno:  151 krát

Montážní zapojení 1039A.png




Naposledy upravil lubos1961 dne st listopad 29 2023, 18:59, celkově upraveno 1 krát.
Návrat nahoru
Zobrazit informace o autorovi Odeslat soukromou zprávu
lubos1961



Založen: Jul 20, 2010
Příspěvky: 446
Bydliště: Nový Jičín

PříspěvekZaslal: st listopad 29 2023, 18:57    Předmět: Citovat

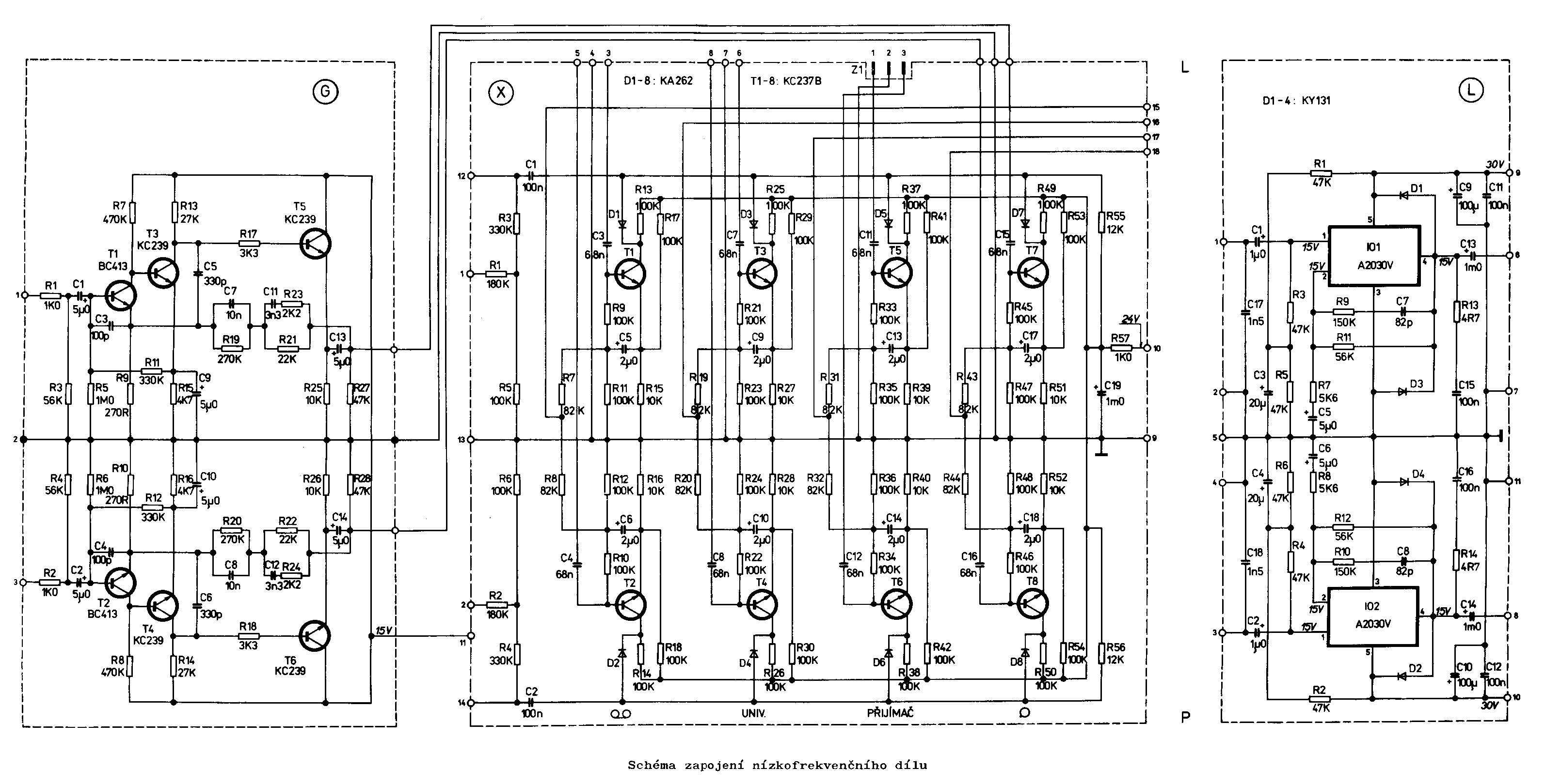
schéma zapojení nf dílu


schéma zapojení nf.png
 Komentář:
 Velikost:  79.31 kB
 Zobrazeno:  182 krát

schéma zapojení nf.png


Návrat nahoru
Zobrazit informace o autorovi Odeslat soukromou zprávu
lubos1961



Založen: Jul 20, 2010
Příspěvky: 446
Bydliště: Nový Jičín

PříspěvekZaslal: st listopad 29 2023, 21:52    Předmět: Citovat

Plošný spoj nf dílu


Plošný spoj nf dílu.jpg
 Komentář:
 Velikost:  238.58 kB
 Zobrazeno:  170 krát

Plošný spoj nf dílu.jpg


Návrat nahoru
Zobrazit informace o autorovi Odeslat soukromou zprávu
jardafiala



Založen: Jun 20, 2010
Příspěvky: 2444
Bydliště: Česká Lípa

PříspěvekZaslal: st listopad 29 2023, 23:37    Předmět: Citovat

KU , kde jste to našli ????To je to co jsem (marně) hledal? DÍK..Jo a bylo to někdy použité?
EDIT - přehlédl jsem u příspěvku "slavek" údaj SOLO Rolling Eyes


Naposledy upravil jardafiala dne čt listopad 30 2023, 8:35, celkově upraveno 1 krát.
Návrat nahoru
Zobrazit informace o autorovi Odeslat soukromou zprávu Odeslat e-mail
barnodaj



Založen: Apr 16, 2011
Příspěvky: 976
Bydliště: Vodňansko

PříspěvekZaslal: čt listopad 30 2023, 8:21    Předmět: Citovat

solo


solo.png
 Komentář:
 Velikost:  85.06 kB
 Zobrazeno:  142 krát

solo.png



solo1.png
 Komentář:
 Velikost:  80.1 kB
 Zobrazeno:  135 krát

solo1.png


Návrat nahoru
Zobrazit informace o autorovi Odeslat soukromou zprávu
Zobrazit příspěvky z předchozích:   
Přidat nové téma   Zaslat odpověď       Obsah fóra Diskuzní fórum Elektro Bastlírny -> Audiotechnika Časy uváděny v GMT + 1 hodina
Jdi na stránku Předchozí  1, 2, 3, 4  Další
Strana 3 z 4

 
Přejdi na:  
Nemůžete odesílat nové téma do tohoto fóra.
Nemůžete odpovídat na témata v tomto fóru.
Nemůžete upravovat své příspěvky v tomto fóru.
Nemůžete mazat své příspěvky v tomto fóru.
Nemůžete hlasovat v tomto fóru.
Nemůžete připojovat soubory k příspěvkům
Můžete stahovat a prohlížet přiložené soubory

Powered by phpBB © 2001, 2005 phpBB Group
Forums ©
Nuke - Elektro Bastlirna

Informace na portálu Elektro bastlírny jsou prezentovány za účelem vzdělání čtenářů a rozšíření zájmu o elektroniku. Autoři článků na serveru neberou žádnou zodpovědnost za škody vzniklé těmito zapojeními. Rovněž neberou žádnou odpovědnost za případnou újmu na zdraví vzniklou úrazem elektrickým proudem. Autoři a správci těchto stránek nepřejímají záruku za správnost zveřejněných materiálů. Předkládané informace a zapojení jsou zveřejněny bez ohledu na případné patenty třetích osob. Nároky na odškodnění na základě změn, chyb nebo vynechání jsou zásadně vyloučeny. Všechny registrované nebo jiné obchodní známky zde použité jsou majetkem jejich vlastníků. Uvedením nejsou zpochybněna z toho vyplývající vlastnická práva. Použití konstrukcí v rozporu se zákonem je přísně zakázáno. Vzhledem k tomu, že původ předkládaných materiálů nelze žádným způsobem dohledat, nelze je použít pro komerční účely! Tento nekomerční server nemá z uvedených zapojení či konstrukcí žádný zisk. Nezodpovídáme za pravost předkládaných materiálů třetími osobami a jejich původ. V případě, že zjistíte porušení autorského práva či jiné nesrovnalosti, kontaktujte administrátory na diskuzním fóru EB.


PHP-Nuke Copyright © 2005 by Francisco Burzi. This is free software, and you may redistribute it under the GPL. PHP-Nuke comes with absolutely no warranty, for details, see the license.
Čas potřebný ke zpracování stránky 0.35 sekund