Vítejte na Elektro Bastlírn?
Nuke - Elektro Bastlirna
  Vytvořit účet Hlavní · Fórum · DDump · Profil · Zprávy · Hledat na fóru · Příspěvky na provoz EB

Vlákno na téma KORONAVIRUS - nutná registrace


Nuke - Elektro Bastlirna: Diskuzní fórum

 FAQFAQ   HledatHledat   Uživatelské skupinyUživatelské skupiny   ProfilProfil   Soukromé zprávySoukromé zprávy   PřihlášeníPřihlášení 

Záhada s drátovou anténou a kryštálkou
Jdi na stránku Předchozí  1, 2, 3 ... 5, 6, 7 ... 9, 10, 11  Další
 
Přidat nové téma   Zaslat odpověď       Obsah fóra Diskuzní fórum Elektro Bastlírny -> Bezdrátová technika a technologie, VF technika
Zobrazit předchozí téma :: Zobrazit následující téma  
Autor Zpráva
barnodaj



Založen: Apr 16, 2011
Příspěvky: 976
Bydliště: Vodňansko

PříspěvekZaslal: čt listopad 23 2023, 16:02    Předmět: Citovat

K předpětí pro diodu:

Je o tom pěkný článek v PE7/2015, pokud ho nemáš, myslím, že je ke stažení na oblíbeném webu.



předpětí diody.png
 Komentář:
 Velikost:  138.93 kB
 Zobrazeno:  85 krát

předpětí diody.png


Návrat nahoru
Zobrazit informace o autorovi Odeslat soukromou zprávu
robos



Založen: Dec 28, 2017
Příspěvky: 618

PříspěvekZaslal: čt listopad 23 2023, 20:16    Předmět: Citovat

[quote="Crifodo"]
robos napsal(a):

Co se toho mizení Soltu týče, co zkusit nějakou přechodovou anténu, kratší než tu LW ale delší než pokojovou. Nebo na jiném místě. je možné že signál tam má zrovna nějaké minimum.

Zbalím anténu a podniknem nejaký terénny experiment.
Návrat nahoru
Zobrazit informace o autorovi Odeslat soukromou zprávu
robos



Založen: Dec 28, 2017
Příspěvky: 618

PříspěvekZaslal: čt listopad 23 2023, 20:26    Předmět: Citovat

LADER napsal(a):
A co použít jako demodulátor AM detektor třídy D (Amatérská radiotechnika a elektronika - 3 díl, strana 49). Má velmi vysoký odpor, nezatěžuje laděný obvod (vysoká selektivita), nízké zkreslení, schopnost lineárně zpracovat i velmi slabé signály. Má zesílení 1. Nemusí se dávat na odbočku - to znamená vyšší výstupní napětí...


Toto zapojenie ľahko vyskúšam, ale moc tomu nerozumiem. Uvidím výsledok. Tranzistor sa úplne zatvoriť nedá, dá sa mu iba obmedziť drainový prúd. Takže to asi funguje vďaka nelinearite.
Návrat nahoru
Zobrazit informace o autorovi Odeslat soukromou zprávu
barnodaj



Založen: Apr 16, 2011
Příspěvky: 976
Bydliště: Vodňansko

PříspěvekZaslal: čt listopad 23 2023, 21:32    Předmět: Citovat

Pro pokusy se sílou signálu by bylo možné použít za

a) Starší přijímač sovětské produkce s ručičkovým indikátorem vyladění, něco jako RIGA 103 a zjistit kolik signálu příslušné stanice je v místnosti.

b) doplnit v nějakém starším tranzistorovém radiu do obvodu AVC malé ručkové měřidlo (indikátor z magnetofonu) a použít stejně jako v bodě a.
Návrat nahoru
Zobrazit informace o autorovi Odeslat soukromou zprávu
barnodaj



Založen: Apr 16, 2011
Příspěvky: 976
Bydliště: Vodňansko

PříspěvekZaslal: pá listopad 24 2023, 8:09    Předmět: Citovat

Tady je text k obrázku od uživatele LADER


D.png
 Komentář:
 Velikost:  131.43 kB
 Zobrazeno:  86 krát

D.png


Návrat nahoru
Zobrazit informace o autorovi Odeslat soukromou zprávu
Crifodo



Založen: Oct 11, 2005
Příspěvky: 15004

PříspěvekZaslal: pá listopad 24 2023, 8:22    Předmět: Citovat

S tou linearitou to pro velmi malé signály asi nebude taková hitparáda, ale je fakt že Q obvodu LC to zatíží minimálně. Možná by to chtělo laborovat s různými typy Jfetů, jak už tak stejně nejsou moc k sehnání ve vývodových verzích resp. číňan prodá bipolární pajc. Ovšem s napájením to už není krystalka.
Jako přijímač s S-metrem i Selena, Okean, těch by mělo být víc než starší Rigy. Nebo naopak starší elektronková rádia s EM80/84.
Návrat nahoru
Zobrazit informace o autorovi Odeslat soukromou zprávu Odeslat e-mail
LADER



Založen: Apr 01, 2013
Příspěvky: 374

PříspěvekZaslal: pá listopad 24 2023, 17:26    Předmět: Citovat

Funguje to i s bipolárem (samozřejmě FET je lepší). Vtip je v tom, že emitorový odpor musí být dostatečně velký, nebo je dobré použít zdroj proudu do emitoru (to je lepší varianta). Pokud báze tranzistoru je přímo připojena na cívku (má tedy nulový potenciál), pak je nutné použít záporný zdroj proudu pro emitor. Na rozdíl od obyčejné diody, která má "otvírací napětí" na hraně kolena, tento tranzistor je "otevřený" stále stejně při libovolné velikosti vstupního signálu. To znamená, že na něm nevzniká žádné zkreslení - je tedy velmi lineární.
_________________
Ubuntu 24.04.3 LTS, LibreOffice Verze: 25.2.6.2, wxMaxima 24.02.1, Maxima 5.48.1 (SBCL)
Návrat nahoru
Zobrazit informace o autorovi Odeslat soukromou zprávu
robos



Založen: Dec 28, 2017
Příspěvky: 618

PříspěvekZaslal: ne listopad 26 2023, 13:36    Předmět: Citovat

LADER napsal(a):
Funguje to i s bipolárem (samozřejmě FET je lepší)...


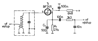
Bez toho, že by som skúmal, ako to zapojenie presne pracuje, konštatujem, že funguje výborne. Hlasitosť SV staníc stúpne 2-3x oproti kryštálke vďaka tomu, že rez. obvod je nezaťažený a signál z neho sa berie priamo z horného konca cievky. Kľudový drainový prúd je 0,14 mA s tým kusom BF245, ktorý mám k dispozícii. Ladenie je ostrejšie ako u kryštálky s detektorom na odbočke. Kryštálka to nie je, ale aspoň je to dobré na preskúmanie vlastností samotného rezonančného obvodu bez zaťaženia.



detektor_am_t__dy_d_625.png
 Komentář:
 Velikost:  18.08 kB
 Zobrazeno:  98 krát

detektor_am_t__dy_d_625.png


Návrat nahoru
Zobrazit informace o autorovi Odeslat soukromou zprávu
Crifodo



Založen: Oct 11, 2005
Příspěvky: 15004

PříspěvekZaslal: ne listopad 26 2023, 16:58    Předmět: Citovat

robos napsal(a):
LADER napsal(a):
Funguje to i s bipolárem (samozřejmě FET je lepší)...


Bez toho, že by som skúmal, ako to zapojenie presne pracuje, konštatujem, že funguje výborne..

Pokud si najdeš něco na téma "mřížková detekce" tak jsi defacto doma.
Přemístěním pracovního odporu do anody/drainu se posouváš ještě dál od krystalky.
Návrat nahoru
Zobrazit informace o autorovi Odeslat soukromou zprávu Odeslat e-mail
Artaban001



Založen: Apr 01, 2004
Příspěvky: 10068
Bydliště: Pendrov

PříspěvekZaslal: ne listopad 26 2023, 19:02    Předmět: Citovat

jsem zvědavý, za jak dlouho se dopracujete k superreaktoru Wink
Návrat nahoru
Zobrazit informace o autorovi Odeslat soukromou zprávu Odeslat e-mail
robos



Založen: Dec 28, 2017
Příspěvky: 618

PříspěvekZaslal: ne listopad 26 2023, 22:07    Předmět: Citovat

Crifodo napsal(a):
Pokud si najdeš něco na téma "mřížková detekce" tak jsi defacto doma.
Přemístěním pracovního odporu do anody/drainu se posouváš ještě dál od krystalky.

Ach, pardón, nejako mi uniklo, že tu ide o audiónový princíp. Mriežkový detektot samozrejme poznám, zatiaľ iba teoreticky. Pomylilo ma, že tam píšu o lineárnej činnosti a zatvorení drainového prúdu, tak mi to evokovalo "anódovú" detekciu. Akurát že to by musel byť drainový prúd na nule a to nie je. Tak som si aspoň neplánovite vyskúšal mriežkovú detekciu s FETom, pretože onedlho ma to čaká v jednom KV prijímači, na ktorý sa chystám.

Dnes som začal s tranzistorovými audiónmi, zapojil som si jeden úplne základný a to sa diali veci... Keby len osciloval, to ešte pochopím, že AM stanice budú mať záznej. Ale on kvičal na nízkej frekvencii tak, že to bolo na ohluchnutie v slúchadlách. Poltergeist inside. A to som ani nestihol zaviesť spätnú väzbu. Muselo to vzniknúť medzi feritkou a VF tlmivkou v kolektore. A tá je ukrytá vo feritovom hrnčeku a vzdialená asi 15 cm od feritky. Nepomohol ani bázový odpor 3 Mega, aj tak to chytalo väzbu. Tranzistor 156NU70. Nemá on nejakú veľkú vlastnú kapacitu Cbk? Že by sa naštartoval sám, keď má v kolektore induknčnosť (asi tak 1-2 mH)?

Ale inak keď iba osciloval a nekvičal, tak som počul aj NDB RZ a to je vcelku úspech, na jeden tranzistor 156NU70. To sa na kryštálku s NF zosilňovačom s KC507 počuť nedá.



audion1.png
 Komentář:
 Velikost:  153.37 kB
 Zobrazeno:  90 krát

audion1.png


Návrat nahoru
Zobrazit informace o autorovi Odeslat soukromou zprávu
robos



Založen: Dec 28, 2017
Příspěvky: 618

PříspěvekZaslal: ne listopad 26 2023, 22:12    Předmět: Citovat

Artaban001 napsal(a):
jsem zvědavý, za jak dlouho se dopracujete k superreaktoru Wink

Ja mám teraz také obdobie, keď sa mi otvorila táto cesta, tak po nej idem. Bohužiaľ ale jednak nemám čas, pretože patrím do katogórie "mladosť je už v prčicích a do dôchodku ešte ďaleko. A keby si videl tie žalostné podmienky, čo na to mám - niečo medzi Šolimom a Malým Edisonom Smile
Ale vďaka za každú radu. Všetko čítam a zvažujem, aj keď neodpovedám.
Návrat nahoru
Zobrazit informace o autorovi Odeslat soukromou zprávu
xsc



Založen: Sep 25, 2014
Příspěvky: 8393

PříspěvekZaslal: ne listopad 26 2023, 22:52    Předmět: Citovat

robos napsal(a):
Tranzistor 156NU70. Nemá on nejakú veľkú vlastnú kapacitu Cbk? Že by sa naštartoval sám, keď má v kolektore induknčnosť (asi tak 1-2 mH)?
Ano, tyhle první tranzistory měly velkou kapacitu Cbk. Když se podíváš na schéma tranzistoráků, co je používaly v MF (T58, T60, Doris, T61-3), tak všechny měly kompenzaci.
Návrat nahoru
Zobrazit informace o autorovi Odeslat soukromou zprávu
kimlo



Založen: Jan 17, 2008
Příspěvky: 123
Bydliště: JN88US

PříspěvekZaslal: po listopad 27 2023, 11:03    Předmět: Citovat

Čo je to za NDB RZ? Podľa REU Sharanga 643 alebo Rodez / Marcillac na 387 kHz. Iné RZ mi nenašlo.
Návrat nahoru
Zobrazit informace o autorovi Odeslat soukromou zprávu Zobrazit autorovy WWW stránky
ok1hga



Založen: Nov 28, 2006
Příspěvky: 12583
Bydliště: Česká Třebová

PříspěvekZaslal: po listopad 27 2023, 11:46    Předmět: Citovat

odkud jsi ?
zachytil jsi ho správně ?
nemůže to být "RP" (Malacky) ?
Návrat nahoru
Zobrazit informace o autorovi Odeslat soukromou zprávu
Zobrazit příspěvky z předchozích:   
Přidat nové téma   Zaslat odpověď       Obsah fóra Diskuzní fórum Elektro Bastlírny -> Bezdrátová technika a technologie, VF technika Časy uváděny v GMT + 1 hodina
Jdi na stránku Předchozí  1, 2, 3 ... 5, 6, 7 ... 9, 10, 11  Další
Strana 6 z 11

 
Přejdi na:  
Nemůžete odesílat nové téma do tohoto fóra.
Nemůžete odpovídat na témata v tomto fóru.
Nemůžete upravovat své příspěvky v tomto fóru.
Nemůžete mazat své příspěvky v tomto fóru.
Nemůžete hlasovat v tomto fóru.
Nemůžete připojovat soubory k příspěvkům
Můžete stahovat a prohlížet přiložené soubory

Powered by phpBB © 2001, 2005 phpBB Group
Forums ©
Nuke - Elektro Bastlirna

Informace na portálu Elektro bastlírny jsou prezentovány za účelem vzdělání čtenářů a rozšíření zájmu o elektroniku. Autoři článků na serveru neberou žádnou zodpovědnost za škody vzniklé těmito zapojeními. Rovněž neberou žádnou odpovědnost za případnou újmu na zdraví vzniklou úrazem elektrickým proudem. Autoři a správci těchto stránek nepřejímají záruku za správnost zveřejněných materiálů. Předkládané informace a zapojení jsou zveřejněny bez ohledu na případné patenty třetích osob. Nároky na odškodnění na základě změn, chyb nebo vynechání jsou zásadně vyloučeny. Všechny registrované nebo jiné obchodní známky zde použité jsou majetkem jejich vlastníků. Uvedením nejsou zpochybněna z toho vyplývající vlastnická práva. Použití konstrukcí v rozporu se zákonem je přísně zakázáno. Vzhledem k tomu, že původ předkládaných materiálů nelze žádným způsobem dohledat, nelze je použít pro komerční účely! Tento nekomerční server nemá z uvedených zapojení či konstrukcí žádný zisk. Nezodpovídáme za pravost předkládaných materiálů třetími osobami a jejich původ. V případě, že zjistíte porušení autorského práva či jiné nesrovnalosti, kontaktujte administrátory na diskuzním fóru EB.


PHP-Nuke Copyright © 2005 by Francisco Burzi. This is free software, and you may redistribute it under the GPL. PHP-Nuke comes with absolutely no warranty, for details, see the license.
Čas potřebný ke zpracování stránky 0.58 sekund