Vítejte na Elektro Bastlírn?
Nuke - Elektro Bastlirna
  Vytvořit účet
Hlavní · Fórum · DDump · Profil · Zprávy · Hledat na fóru


Nuke - Elektro Bastlirna: Diskuzní fórum

 FAQFAQ   HledatHledat   Uživatelské skupinyUživatelské skupiny   ProfilProfil   Soukromé zprávySoukromé zprávy   PřihlášeníPřihlášení 

ovládání zvukového modulu SV19R

 
Přidat nové téma   Zaslat odpověď       Obsah fóra Diskuzní fórum Elektro Bastlírny -> Řešení problémů s různými konstrukcemi
Zobrazit předchozí téma :: Zobrazit následující téma  
Autor Zpráva
Blaze



Založen: Aug 29, 2022
Příspěvky: 6

PříspěvekZaslal: út listopad 14 2023, 19:37    Předmět: ovládání zvukového modulu SV19R Citovat

Ahoj,
potřeboval bych radu pro ovládání zvukového modulu SV19R, který chci dát do jedné hračky. Na modulu je 8 tlačítek pro spouštění nahraného zvuku. Každé tlačítko spouští přiřazený zvuk.
Potřeboval bych poradit jak udělat, aby se při zmáčknutí jednoho hlavního tlačítka přehrál náhodný zvuk z těch 8.
Byl bych to schopný udělat přes arduino, ale to už mi přijde jako zbytečně moc elektroniky. Neexistuje nějaké jednodušší řešení ?


Děkuji
Návrat nahoru
Zobrazit informace o autorovi Odeslat soukromou zprávu
Cowley



Založen: Feb 04, 2005
Příspěvky: 3575

PříspěvekZaslal: út listopad 14 2023, 20:22    Předmět: Citovat

Nejlepší po sériovém kanálu nějakým malým MCU (ATTINY/PICAXE).

Nebo v klasice 555/4017/4011 a to zas mě přijde jako "dost elektroniky" Smile
Návrat nahoru
Zobrazit informace o autorovi Odeslat soukromou zprávu
nostalcomp



Založen: Nov 09, 2022
Příspěvky: 144

PříspěvekZaslal: pá listopad 17 2023, 12:38    Předmět: Citovat

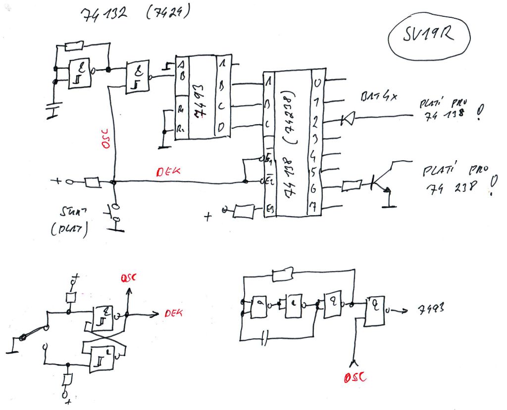
Tak jsem zase neodolal a trochu zi pokreslil. Jak píše Cowley, nejjednodušší by bylo to řešit nějakým MCU. Pro sériové ovládání stačí ATTINY 25/45/85 (8pin), pro paralelní řízení ATTINY 24/44/84 (14pin). Obojí lze programovat "jako Arduino".

Pro obvodové řešení je potřeba hradlovatelný oscilátor, čítač a dekodér 1z8. Jelikož moc nemusím řadu 4000, nakreslil jsem si to s obvody řady 7400 (HC, HCT). Ale pro bateriové napájení by ta 4000 byla asi lepší. Předkládám jednoduché zapojení, které mě napadlo. Ale je to jen jedno z mnoha možných konkrétních řešení:

Zapojení je jednoduché. Oscilátor (z jediného hradla se schmittovým klopákem) přes blokační hradlo (74132) taktuje binární 3-bitový čítač (7493) a ten adresuje dekodér na 1z8 (74138). Je-li tlačítko uvolněné, procházejí impulsy na čítač a ten čítá. Ovšem výstupy dekodéru jsou zablokované a trvale v H. Stiskem tlačítka se zablokuje příchod impulsů na čítač a ten zůstane "viset" v "náhodném" stavu. Zároveň se uvolní výstupy dekodéru a tím se aktivuje jeden z 8 výstupů (do L). Hodnoty odporů volit dle technologie výroby IO (CMOS, TTL). Časovací kondík tak, aby frekvence oscilátoru byl cca v jednotkách kHz.

Předpokládám, že ten modul SV19R ošetřuje zákmity na vstupech. Pokud by moc vadily, tak se dají dvě zbývající hradla 74132 využít na konstrukci RS klopáku a tedy bezzákmitového tlačítka. Nevýhodou je nutnost použití přepínacího tlačítka. Naopak, pokud zákmity není nutné řešit, lze oscilátor sestavit třeba i ze základního obvodu řady 7400, viz. vpravo dole. Nebo i jinak (NE555). A použít jen prosté tlačítko.

Nevím, jsou-li vstupy toho SV19R tolerantní na 5V. Pokud ano, tak se výstupy 74138 připojí přímo na vstupy SV19R (jsou aktivní v L). Pokud ne, tak si lze vypomoci diodou, nejlépe nízkoúbytkovou schottkyho (BAT41 apod.) A kdo by tam chtěl tranzistor s otevřeným kolektorem i to lze, ale musí se vyměnit 74138 za invertovaný 74238.



sv19r_rand_start.jpg
 Komentář:
 Velikost:  76.19 kB
 Zobrazeno:  84 krát

sv19r_rand_start.jpg


Návrat nahoru
Zobrazit informace o autorovi Odeslat soukromou zprávu
Blaze



Založen: Aug 29, 2022
Příspěvky: 6

PříspěvekZaslal: čt listopad 23 2023, 20:16    Předmět: Citovat

Děkuji vám za návrhy řešení. Zkusím se prvně vydat cestou přes Attiny. Jsem samouk elektroamatér, takže objevuji kolo a spousta výrazů je pro mě záhada k nastudování Very Happy

Díky
Návrat nahoru
Zobrazit informace o autorovi Odeslat soukromou zprávu
Zobrazit příspěvky z předchozích:   
Přidat nové téma   Zaslat odpověď       Obsah fóra Diskuzní fórum Elektro Bastlírny -> Řešení problémů s různými konstrukcemi Časy uváděny v GMT + 1 hodina
Strana 1 z 1

 
Přejdi na:  
Nemůžete odesílat nové téma do tohoto fóra.
Nemůžete odpovídat na témata v tomto fóru.
Nemůžete upravovat své příspěvky v tomto fóru.
Nemůžete mazat své příspěvky v tomto fóru.
Nemůžete hlasovat v tomto fóru.
Nemůžete připojovat soubory k příspěvkům
Můžete stahovat a prohlížet přiložené soubory

Powered by phpBB © 2001, 2005 phpBB Group
Forums ©
Nuke - Elektro Bastlirna

Informace na portálu Elektro bastlírny jsou prezentovány za účelem vzdělání čtenářů a rozšíření zájmu o elektroniku. Autoři článků na serveru neberou žádnou zodpovědnost za škody vzniklé těmito zapojeními. Rovněž neberou žádnou odpovědnost za případnou újmu na zdraví vzniklou úrazem elektrickým proudem. Autoři a správci těchto stránek nepřejímají záruku za správnost zveřejněných materiálů. Předkládané informace a zapojení jsou zveřejněny bez ohledu na případné patenty třetích osob. Nároky na odškodnění na základě změn, chyb nebo vynechání jsou zásadně vyloučeny. Všechny registrované nebo jiné obchodní známky zde použité jsou majetkem jejich vlastníků. Uvedením nejsou zpochybněna z toho vyplývající vlastnická práva. Použití konstrukcí v rozporu se zákonem je přísně zakázáno. Vzhledem k tomu, že původ předkládaných materiálů nelze žádným způsobem dohledat, nelze je použít pro komerční účely! Tento nekomerční server nemá z uvedených zapojení či konstrukcí žádný zisk. Nezodpovídáme za pravost předkládaných materiálů třetími osobami a jejich původ. V případě, že zjistíte porušení autorského práva či jiné nesrovnalosti, kontaktujte administrátory na diskuzním fóru EB.


PHP-Nuke Copyright © 2005 by Francisco Burzi. This is free software, and you may redistribute it under the GPL. PHP-Nuke comes with absolutely no warranty, for details, see the license.
Čas potřebný ke zpracování stránky 0.16 sekund