Vítejte na Elektro Bastlírn?
Nuke - Elektro Bastlirna
  Vytvořit účet
Hlavní · Fórum · DDump · Profil · Zprávy · Hledat na fóru


Nuke - Elektro Bastlirna: Diskuzní fórum

 FAQFAQ   HledatHledat   Uživatelské skupinyUživatelské skupiny   ProfilProfil   Soukromé zprávySoukromé zprávy   PřihlášeníPřihlášení 

Lineárny zdroj napätia riadený PWM.
Jdi na stránku Předchozí  1, 2, 3
 
Přidat nové téma   Zaslat odpověď       Obsah fóra Diskuzní fórum Elektro Bastlírny -> Řešení problémů s různými konstrukcemi
Zobrazit předchozí téma :: Zobrazit následující téma  
Autor Zpráva
Standa33



Založen: Nov 07, 2009
Příspěvky: 299

PříspěvekZaslal: čt listopad 09 2023, 13:35    Předmět: Citovat

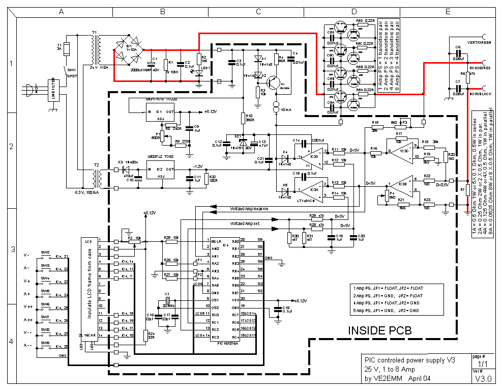
Zdroj s uProcesorem, 2xPWM jen řídí referenční napětí, nebo to jde vyměnit za potenciometry. Regulační část je analogová.


jdv1267881653k.gif
 Komentář:
 Velikost:  30.8 kB
 Zobrazeno:  111 krát

jdv1267881653k.gif


Návrat nahoru
Zobrazit informace o autorovi Odeslat soukromou zprávu
samec



Založen: Dec 19, 2017
Příspěvky: 6329

PříspěvekZaslal: čt listopad 09 2023, 13:36    Předmět: Citovat

Za PWM dať tvarovač na trojuholník a zaňho sample-hold a máš čistý signál. Wink
Návrat nahoru
Zobrazit informace o autorovi Odeslat soukromou zprávu
dudo02



Založen: Feb 27, 2007
Příspěvky: 1006

PříspěvekZaslal: pá listopad 10 2023, 1:25    Předmět: Citovat

EKKAR napsal(a):
ok1hga napsal(a):
. . . vydržte,
až zadavatel doplní (upřesní) požadavky . . .
dudo02 napsal(a):
MCU ATmega 328, rozlíšenie PWM 256.
Zdroj plánujem používať na simuláciu snímačov s napätovým výstupom pri autodiagnostike a taktiež na ich napájanie. Myslím že sa nejedná o žiadnu extrémnu aplikáciu.
Neboli chceš to primárně používat někde, kde je nominální napětí udávaný na 12V, ve skutečnosti za provozu tam je něco mezi 11,5 a 16,8V - a chceš to řídít převodníkem, kterej bude mít definováno 256 úrovní. Neboli přesnost jednoho bitu rozlišení bude v absolutní napěťový hodnotě dělat krok zhruba 50mV - přesnějc tu hodnotu na něm prostě nenastavíš. Přitom čidla a jim příslušný převodníky kolikrát mají rozlišení takový, že rozliší i 1mV - ty to plánuješ mít 50x horší ... Už jen z tohohle pohledu se radši spolehnu na analogově nastavovanej zdroj, kde si dám na panel dva potenciometry "COARSE" a "FINE" a budu to mít asi tak 10^6 x jednodušší ...
Bavíme sa o snímačoch a akčných členoch a ich napájacie,referenčné napätie je presné - nie sú zavesene na dobijacej sústave akumulatora. Ich napajanim je stabilizovaný vystup z riadiacej jednotky motora.

Tých 50mV je v pohode - pre napájanie.

Čo sa týka výstupu, tak snímače majú väčšinou výstup v rozsahu 0,5 - 4,5V, kde sa dostaneme na rozlíšenie 15mV, čo na simuláciu postačuje. Ono sa jedná o prototyp, ktorý otestujem v praxi - zatiaľ len zisťujem možnosťi.

Tento prístroj má aj ďalšie funkcie a kód má už 1500 riadkov, tak zatiaľ rozširujem existujúce.Ak sa v praxi ujme a bude limitovaný, tak to možno postavím na novom MCU.
Návrat nahoru
Zobrazit informace o autorovi Odeslat soukromou zprávu
Zobrazit příspěvky z předchozích:   
Přidat nové téma   Zaslat odpověď       Obsah fóra Diskuzní fórum Elektro Bastlírny -> Řešení problémů s různými konstrukcemi Časy uváděny v GMT + 1 hodina
Jdi na stránku Předchozí  1, 2, 3
Strana 3 z 3

 
Přejdi na:  
Nemůžete odesílat nové téma do tohoto fóra.
Nemůžete odpovídat na témata v tomto fóru.
Nemůžete upravovat své příspěvky v tomto fóru.
Nemůžete mazat své příspěvky v tomto fóru.
Nemůžete hlasovat v tomto fóru.
Nemůžete připojovat soubory k příspěvkům
Můžete stahovat a prohlížet přiložené soubory

Powered by phpBB © 2001, 2005 phpBB Group
Forums ©
Nuke - Elektro Bastlirna

Informace na portálu Elektro bastlírny jsou prezentovány za účelem vzdělání čtenářů a rozšíření zájmu o elektroniku. Autoři článků na serveru neberou žádnou zodpovědnost za škody vzniklé těmito zapojeními. Rovněž neberou žádnou odpovědnost za případnou újmu na zdraví vzniklou úrazem elektrickým proudem. Autoři a správci těchto stránek nepřejímají záruku za správnost zveřejněných materiálů. Předkládané informace a zapojení jsou zveřejněny bez ohledu na případné patenty třetích osob. Nároky na odškodnění na základě změn, chyb nebo vynechání jsou zásadně vyloučeny. Všechny registrované nebo jiné obchodní známky zde použité jsou majetkem jejich vlastníků. Uvedením nejsou zpochybněna z toho vyplývající vlastnická práva. Použití konstrukcí v rozporu se zákonem je přísně zakázáno. Vzhledem k tomu, že původ předkládaných materiálů nelze žádným způsobem dohledat, nelze je použít pro komerční účely! Tento nekomerční server nemá z uvedených zapojení či konstrukcí žádný zisk. Nezodpovídáme za pravost předkládaných materiálů třetími osobami a jejich původ. V případě, že zjistíte porušení autorského práva či jiné nesrovnalosti, kontaktujte administrátory na diskuzním fóru EB.


PHP-Nuke Copyright © 2005 by Francisco Burzi. This is free software, and you may redistribute it under the GPL. PHP-Nuke comes with absolutely no warranty, for details, see the license.
Čas potřebný ke zpracování stránky 0.15 sekund