Vítejte na Elektro Bastlírn?
Nuke - Elektro Bastlirna
  Vytvořit účet Hlavní · Fórum · DDump · Profil · Zprávy · Hledat na fóru · Příspěvky na provoz EB

Vlákno na téma KORONAVIRUS - nutná registrace


Nuke - Elektro Bastlirna: Diskuzní fórum

 FAQFAQ   HledatHledat   Uživatelské skupinyUživatelské skupiny   ProfilProfil   Soukromé zprávySoukromé zprávy   PřihlášeníPřihlášení 

Elektronkový zesilovač s 6N1P a 2x 6S3P
Jdi na stránku Předchozí  1, 2, 3, 4, 5, 6  Další
 
Přidat nové téma   Zaslat odpověď       Obsah fóra Diskuzní fórum Elektro Bastlírny -> Řešení problémů s různými konstrukcemi
Zobrazit předchozí téma :: Zobrazit následující téma  
Autor Zpráva
JirkaRCK



Založen: Apr 25, 2010
Příspěvky: 246
Bydliště: Olomouc/Brno

PříspěvekZaslal: út leden 17 2023, 18:23    Předmět: Citovat

Ještě se chystám otestovat jednu drobnou úpravu, a to prohodím korekční a předzesilovací stupeň, aby korekcemi zbytečně neprocházel tak zesílený signál a snížilo se zkreslení. Dále se chystám předzesilovací stupeň opatřit slabou lokální ZV, u které se při volbě vstupů budou reléově přepínat hodnoty rezistorů, aby se omezilo nadbytečné zesílení. Zvukovka PC je totiž někde mezi potřebou a nadbytečností předzesilovače a toto řešení bude optimálnější, než dělič v přímé cestě.
Návrat nahoru
Zobrazit informace o autorovi Odeslat soukromou zprávu Odeslat e-mail
xsc



Založen: Sep 25, 2014
Příspěvky: 8393

PříspěvekZaslal: út leden 17 2023, 18:37    Předmět: Citovat

ferdislav napsal(a):
R3 bude správně, v anodě není žádný,to zapojení se před korekcemi používá
Jo, je to v podstatě oddělovač/sledovač, jen ta hodnota mi přijde až zbytečně vysoká.
Návrat nahoru
Zobrazit informace o autorovi Odeslat soukromou zprávu
vlastoTN



Založen: Oct 06, 2017
Příspěvky: 152

PříspěvekZaslal: út leden 17 2023, 19:21    Předmět: Citovat

Takže si stým výstupákom Indel spokojný nakoniec..
Lebo si písal že možná skúsiš niečo iné..
Ja som nedávno skúšal podobne zapojenie z EL84.. ale výstupák som skúsil navinút sám, použil som toto zapojenie, Katalóg 300V, Rk130ohm.



IMG_20230117_190807.jpg
 Komentář:
 Velikost:  254.73 kB
 Zobrazeno:  168 krát

IMG_20230117_190807.jpg


Návrat nahoru
Zobrazit informace o autorovi Odeslat soukromou zprávu
JirkaRCK



Založen: Apr 25, 2010
Příspěvky: 246
Bydliště: Olomouc/Brno

PříspěvekZaslal: st leden 18 2023, 12:04    Předmět: Citovat

No asi tak... Já nemám dost zkušeností na to, abych soudil. Za svůj život jsem postavil pár zesilovačů z vybrakovaných rádií a toto je můj první počin, kde jsem investoval do výkonných traf a snažím se dosáhnout něčeho "kvalitního".

Každopádně pragmaticky:
* Do 40 Hz trafo opravdu vůbec nehraje, přesycuje se jádro a vlastnosti jdou k šípku. To je podle mě objektivně nic moc vlastnost, na druhou stranu pod 40 Hz skoro nic nehraje a pokud si nebudeme hrát na Hi-Fi podle norem, poslechově "basuje" úžasně.
* Nad 8 kHz má trafo mírný útlum oproti 1 kHz, ale šlo to snadno kompenzovat zpětnou vazbou. Výšky jsou podle mě naprosto ok.
* Je určeno do 40 VA. Při mých pokusech se do 25 W nijak nehřálo. Zrovna tak bude mít dobře udělanou izolaci mezi závity a bude odolné proti naindukovanému bordelu, několikrát mi upadl kabel k zátěži, takže pracovalo na chvíli v podstatě jen do velké impedance ZV, ale neodpravilo se.
* Zkreslení jsem neměřil, nemám spektrák. A stejně asi nevypovídá o trafu, ale spíš o celém koncáku včetně invertoru... Subjektivně poslechově mohu říct, že bez ZV a s tou slabší ZV do mřížky to hraje doslova na zblití a se silnou ZV tak, jak je na schematu, je zvuk super.

Jestli cena odpovídá kvalitě, těžko říct. Za těch 12 stovek před válkou asi dobrý. To, za co to má teď třeba TME, bych za to nedal.
Návrat nahoru
Zobrazit informace o autorovi Odeslat soukromou zprávu Odeslat e-mail
vlastoTN



Založen: Oct 06, 2017
Příspěvky: 152

PříspěvekZaslal: st leden 18 2023, 20:33    Předmět: Citovat

Ja som kedysi kúpil v GESu výstupák pre El84pp už presne neviem koľko stálo ale bolo to do 30eur..ale druhé som potom skúsil od ToroidyPL to ma vyšlo na 70eur.., nedávno som skúsil navinút sám a to hrá tiež dobre.. Ešte ich musím porovnať medzi sebou..
Návrat nahoru
Zobrazit informace o autorovi Odeslat soukromou zprávu
JirkaRCK



Založen: Apr 25, 2010
Příspěvky: 246
Bydliště: Olomouc/Brno

PříspěvekZaslal: po leden 23 2023, 20:58    Předmět: Citovat

A jak hrál ten z Toroidy Pl? Uvažuju že jej příště zkusím...
Návrat nahoru
Zobrazit informace o autorovi Odeslat soukromou zprávu Odeslat e-mail
vlastoTN



Založen: Oct 06, 2017
Příspěvky: 152

PříspěvekZaslal: po leden 23 2023, 22:18    Předmět: Citovat

Na bežnú hudbu som rozdiel nepostrehol.Na osciloskope sa javil, len trochu lepšie Toroid,.. nato že stál raz toľko...postačili by aj tie z GESu(pravdepodobne im ich vyrábala na zákazku Blatná)
Návrat nahoru
Zobrazit informace o autorovi Odeslat soukromou zprávu
JirkaRCK



Založen: Apr 25, 2010
Příspěvky: 246
Bydliště: Olomouc/Brno

PříspěvekZaslal: út říjen 17 2023, 17:53    Předmět: Citovat

Hezký večer všem, dnes jsem si vzpomněl na bastlírnu a toto téma, tak bych rád případným zájemcům podal ještě referenci po půl roce provozu popsané konstrukce a po dokončení stavby sterea ve finální skříňce.

Všechny poznatky jsem sepsal do dokumentu, třeba by to někoho zajímalo, nebo někomu pomohlo. Nedisponuji sice velkým objemem vědomostí v této oblasti, ale několik myšlenek jsem alespoň vykousl z literatury a obohatil o mé praktické zkušenosti, tak je zde pohromadě předávám.

https://78.80.35.170/zesilovac_6p3s_6n1p.pdf
Návrat nahoru
Zobrazit informace o autorovi Odeslat soukromou zprávu Odeslat e-mail
JiriTom



Založen: Apr 26, 2017
Příspěvky: 1417

PříspěvekZaslal: út říjen 17 2023, 18:42    Předmět: Citovat

To nejzajímavější v tom pdf chybí a to pohled na výrobek po dokončení ze strany spojů.


Screenshot_20231017-193602_Drive.jpg
 Komentář:
 Velikost:  213.22 kB
 Zobrazeno:  135 krát

Screenshot_20231017-193602_Drive.jpg


Návrat nahoru
Zobrazit informace o autorovi Odeslat soukromou zprávu
JirkaRCK



Založen: Apr 25, 2010
Příspěvky: 246
Bydliště: Olomouc/Brno

PříspěvekZaslal: út říjen 17 2023, 18:57    Předmět: Citovat

No já nejsem ten typ trpělivého člověka, co by se měl čím chlubit Very Happy ALE! Signály jsou vedené stíněně, kromě gramofonu i přes střídavé žhavení nebrumí ani při maximální hlasitosti a vše je i se zaběhnutými elektronkami stabilní a nekmitá. A přežil bez ztráty květinky dva velké převozy - 150 km ke kámošovi, se kterým jsme dělali tu skříňku, a 50 km, kde jsem si ním nazvučil svatbu. Cool


1.jpeg
 Komentář:
Spoje
 Velikost:  98.18 kB
 Zobrazeno:  145 krát

1.jpeg


Návrat nahoru
Zobrazit informace o autorovi Odeslat soukromou zprávu Odeslat e-mail
JirkaRCK



Založen: Apr 25, 2010
Příspěvky: 246
Bydliště: Olomouc/Brno

PříspěvekZaslal: ne listopad 05 2023, 9:22    Předmět: Citovat

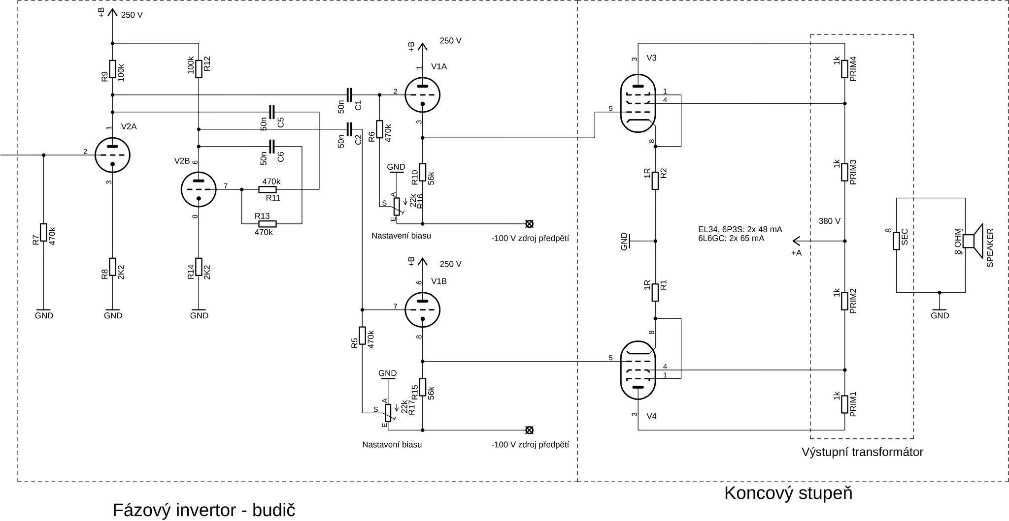
Nechci zakládat nové vlákno, ono to spolu vlastně i souvisí, tak hodím do pléna ještě jednu otázku... Zesík jsem postavil z nových součástek a svou bastldesku jsem strategicky zachoval. Včera jsem se k ní vrátil a zkusmo dodělal zdroj katodového předpětí a vyzkoušel si stejný pracovní bod nastavit s pevným biasem. Vše fungovalo a zaznamenal jsem očekávaný drobný nárůst výkonu. Po ověření pevného biasu bych se rád posunul dál a vyzkoušel si ještě to zatím neúspěšné buzení do třídy AB2, které je u 6P3S a 6L6 oproti EL34 skoro nutností (V AB1 poskytují výkon jen do 25 W). Minule jsme se tu bavili o šílených konstrukcích s buzením přes EBL21, což mě odradilo, ale pak jsem na internetu našel několik konstrukcí, kde byl použit klasický katodový sledovač s předzesilovací triodou. Protože jsem některé prvky těchto konstrukcí úplně nechápal a pochopit bych je chtěl, rád bych se do toho vrhnul po hlavě a zkusil vymyslet vlastní obdobné zapojení. Má otázka zní: Má smysl zkoušet zapojení viz přiložené schema? Dává to hlavu a patu? Já si nejsem především moc jistý, zdali je katodový sledovač s předpětím mřížky proti katodě okolo 2 V schopen bez ořezání propustit signály desítky voltů.


AB2.png
 Komentář:
Proudové buzení 6P3S
 Velikost:  81.58 kB
 Zobrazeno:  115 krát

AB2.png


Návrat nahoru
Zobrazit informace o autorovi Odeslat soukromou zprávu Odeslat e-mail
JirkaRCK



Založen: Apr 25, 2010
Příspěvky: 246
Bydliště: Olomouc/Brno

PříspěvekZaslal: po prosinec 11 2023, 10:43    Předmět: Citovat

Zřejmě to tu už nikoho nezajímá, ale rád bych doložil ještě několik dalších poznání, kdyby sem třeba někoho jednou zavál google, ať jsou informace po hromadě Smile

Schema zde uvedené je již pro třídu AB2 do jisté míry funkční. Jako sledovač jsem použil elektronku 6N1P. Píši do jisté míry: V tomto zapojení jsem dosáhl podstatně vyššího výkonu než bez sledovačů, ovšem stále velmi vzdálených od katalogové hodnoty. S anodovým napětím 360 V a napětím 290 V pro sledovače dal pár zánovních 6P3S s plastovým soklem 28 W na sekundáru VT, dva různé páry zcela nových 2P3S-E pak pouze něco málo přes 20 W. Těchto hodnot jsem dosáhl při G2 jak v pentodovém zapojení ze zdroje pro sledovače, tak v UL zapojení... Měřením jsem ověřil, že v momentě, kdy začne napětí na sekundáru ostře limitovat, začne se deformovat i napětí na výstupu sledovačů. Deformuje se ovšem pozvolně a jde nějakou dobu ještě dál, zatímco napětí na sekundáru a anodách je již ostře zalimitované.

Asi bych učinil následující závěr: 47 W netlačím vlivem mnoha skutečností. Myslím, že pro plný výkon by byl třeba absolutně tvrdý zdroj pro G2 a sledovače, ideálně stabilizovaný tranzistorem. Dále ty proudy nestíhají ani 6N1P a chtělo by to opravdu silnější elku v budiči. A závěrem rovněž dost zpochybňuji, jestli je 6P3S opravdu přímý ekvivalent 6L6G a jestli se v proudové oblasti chová shodně. Zkoušel jsem několik párů elektronek vytažených přímo z krabiček a nižší 6P3S-E ten výkon opravdu nedaly a navíc chtěly nabiasovat na výrazně nižší napětí. Bůh ví, jak by se chovaly americké 6L6.

Toto zapojení ovšem i tak podá solidní výkon se zachováním nízkého anodového napětí a ztráty oproti třídě AB1 na 450V, která mi dříve tlačila 25 W. Proto bych jej považoval za úspěch a zesilovač v této konstrukci bych doporučoval ostavit jako kompromis složitosti zapojení, životnosti elektronek ve zvoleném pracovním bodu, a solidního výstupního výkonu.

Ještě poznámka pro v tomto vlákně dříve popsaný zesilovač ve třídě AB1: Po půl roce hraní cca 4 hodiny denně při anodovém napětí 450 V je zesilovač zatím bez poruchy. Je hráno na 6P3S s plastovým soklem. Elektronky jsem nezkoušel přeměřovat na maximální proudy, pouze jsem kontroloval výstupní výkon a pracovní body. Výstupní výkon je stále 25 W a pracovní body jsou neustále nastaveny stejně. Proudy neklesají a hodnoty se vzájemně nerozcházejí.



409516887_10221007289806608_9102981687059197229_n.jpg
 Komentář:
Třída AB2
 Velikost:  122.75 kB
 Zobrazeno:  181 krát

409516887_10221007289806608_9102981687059197229_n.jpg


Návrat nahoru
Zobrazit informace o autorovi Odeslat soukromou zprávu Odeslat e-mail
samec



Založen: Dec 19, 2017
Příspěvky: 5963

PříspěvekZaslal: po duben 22 2024, 21:08    Předmět: Citovat

JirkaRCK napsal(a):
Jako další pokus jsem zkusil vyhodit rezistory u G2 a mřížky jsem napojil "natvrdo" na pomocné (u. l.) odbočky trafa. Dostal jsem se do pracovního bodu viz schema, tedy Ua 360 V, U Rk 26 V, Ia 55 mA, anodová ztráta 360 - 26 V * 55mA = 18,4 W. V tomto pracovním bodu zesilovač vykazuje pohledem malé zkreslení a výkon na 1kHz cca 15 W. Moje poslední otázka k této "záhadě" je, zdali můžu provozovat elektronky s tak vysokým G2. Dle datasheetu se má v pentodovém zapojení pohybovat do 270 (v případě úbytku na Rk tedy 290) V. Na druhou stranu se v triodovém zapojení připojuje napřímo k anodě a i na internetu jsem našel mnoho dobových schéemat, kde G2 zapojují přímo k anodě / anodovému zdroji nebo odbočkám trafa.
Elektróny letia od záporneho potenciálu ku kladnému. Ak je G2 kladnejšia ako anóda, tak aký majú dôvod letieť ďalej? Z G2 sa stáva anóda. Meral si prúd cez G2?
Návrat nahoru
Zobrazit informace o autorovi Odeslat soukromou zprávu
breta1



Založen: Sep 09, 2005
Příspěvky: 3500

PříspěvekZaslal: út duben 23 2024, 16:52    Předmět: Citovat

Asi je to o velikosti plochy, do které elektrony narazí - plocha anody je mnohem větší než g2.
Návrat nahoru
Zobrazit informace o autorovi Odeslat soukromou zprávu
samec



Založen: Dec 19, 2017
Příspěvky: 5963

PříspěvekZaslal: út duben 23 2024, 17:24    Předmět: Citovat

Áno, pri približne rovnakom napätí sa prúd rozdelí približne v pomere plôch. A približne v tom istom pomere sa rozdelí aj výkon. Otázne potom je, či je G2 stavaná na tú na ňu pripadajúcu časť výkonu.
Návrat nahoru
Zobrazit informace o autorovi Odeslat soukromou zprávu
Zobrazit příspěvky z předchozích:   
Přidat nové téma   Zaslat odpověď       Obsah fóra Diskuzní fórum Elektro Bastlírny -> Řešení problémů s různými konstrukcemi Časy uváděny v GMT + 1 hodina
Jdi na stránku Předchozí  1, 2, 3, 4, 5, 6  Další
Strana 5 z 6

 
Přejdi na:  
Nemůžete odesílat nové téma do tohoto fóra.
Nemůžete odpovídat na témata v tomto fóru.
Nemůžete upravovat své příspěvky v tomto fóru.
Nemůžete mazat své příspěvky v tomto fóru.
Nemůžete hlasovat v tomto fóru.
Nemůžete připojovat soubory k příspěvkům
Můžete stahovat a prohlížet přiložené soubory

Powered by phpBB © 2001, 2005 phpBB Group
Forums ©
Nuke - Elektro Bastlirna

Informace na portálu Elektro bastlírny jsou prezentovány za účelem vzdělání čtenářů a rozšíření zájmu o elektroniku. Autoři článků na serveru neberou žádnou zodpovědnost za škody vzniklé těmito zapojeními. Rovněž neberou žádnou odpovědnost za případnou újmu na zdraví vzniklou úrazem elektrickým proudem. Autoři a správci těchto stránek nepřejímají záruku za správnost zveřejněných materiálů. Předkládané informace a zapojení jsou zveřejněny bez ohledu na případné patenty třetích osob. Nároky na odškodnění na základě změn, chyb nebo vynechání jsou zásadně vyloučeny. Všechny registrované nebo jiné obchodní známky zde použité jsou majetkem jejich vlastníků. Uvedením nejsou zpochybněna z toho vyplývající vlastnická práva. Použití konstrukcí v rozporu se zákonem je přísně zakázáno. Vzhledem k tomu, že původ předkládaných materiálů nelze žádným způsobem dohledat, nelze je použít pro komerční účely! Tento nekomerční server nemá z uvedených zapojení či konstrukcí žádný zisk. Nezodpovídáme za pravost předkládaných materiálů třetími osobami a jejich původ. V případě, že zjistíte porušení autorského práva či jiné nesrovnalosti, kontaktujte administrátory na diskuzním fóru EB.


PHP-Nuke Copyright © 2005 by Francisco Burzi. This is free software, and you may redistribute it under the GPL. PHP-Nuke comes with absolutely no warranty, for details, see the license.
Čas potřebný ke zpracování stránky 0.16 sekund