Vítejte na Elektro Bastlírn?
Nuke - Elektro Bastlirna
  Vytvořit účet Hlavní · Fórum · DDump · Profil · Zprávy · Hledat na fóru · Příspěvky na provoz EB

Vlákno na téma KORONAVIRUS - nutná registrace


Nuke - Elektro Bastlirna: Diskuzní fórum

 FAQFAQ   HledatHledat   Uživatelské skupinyUživatelské skupiny   ProfilProfil   Soukromé zprávySoukromé zprávy   PřihlášeníPřihlášení 

Zapojení relé a magnetická čidla
Jdi na stránku 1, 2  Další
 
Přidat nové téma   Zaslat odpověď       Obsah fóra Diskuzní fórum Elektro Bastlírny -> Řešení problémů s různými konstrukcemi
Zobrazit předchozí téma :: Zobrazit následující téma  
Autor Zpráva
Nikoo



Založen: Sep 19, 2023
Příspěvky: 9

PříspěvekZaslal: út září 19 2023, 14:37    Předmět: Zapojení relé a magnetická čidla Citovat

Dobrý den.
Řeším tu takový problém.
Potřebuji aby mi píst po zapnutí jezdil neustále dokola jako pumpa.
Koupil jsme dvě relé RJ2S-CLD-D24.
Pak mám dvě magnetická čidla (tří-žilová).
A píst je ovládám elektro-ventilem (On/Off)

Takže vlastně potřebuji, aby při najetí pístu čidlo přepnulo relé a jelo na druhou stran a takto pořád dokola.
Jsem v tomhle úplně ztracený, tak jestli by mi někdo mohl udělat nákres, jak na to.



377819884_814430760317603_3740749539566279723_n.png
 Komentář:
 Velikost:  38.06 kB
 Zobrazeno:  105 krát

377819884_814430760317603_3740749539566279723_n.png


Návrat nahoru
Zobrazit informace o autorovi Odeslat soukromou zprávu
dj_Paul



Založen: Sep 19, 2004
Příspěvky: 2643
Bydliště: Laškov

PříspěvekZaslal: út září 19 2023, 15:32    Předmět: Citovat

ten píst se po vypnutí ventilu vrací sám?
Návrat nahoru
Zobrazit informace o autorovi Odeslat soukromou zprávu Odeslat e-mail
Nikoo



Založen: Sep 19, 2023
Příspěvky: 9

PříspěvekZaslal: út září 19 2023, 15:40    Předmět: Citovat

Ano, když ve ventilu není proud, tak ho pružina vrátím zpět a tím zasune píst.

přikládám odkaz na video (čas 0:49)

https://www.youtube.com/watch?v=ijZTLh6cwns&t=7s&ab_channel=Teknikindustripneumatic
Návrat nahoru
Zobrazit informace o autorovi Odeslat soukromou zprávu
dj_Paul



Založen: Sep 19, 2004
Příspěvky: 2643
Bydliště: Laškov

PříspěvekZaslal: út září 19 2023, 15:51    Předmět: Citovat

ty čidla jsou přesně jaký?
Návrat nahoru
Zobrazit informace o autorovi Odeslat soukromou zprávu Odeslat e-mail
bu2520



Založen: Jul 16, 2007
Příspěvky: 4799
Bydliště: u HK

PříspěvekZaslal: út září 19 2023, 15:54    Předmět: Citovat

to by byl vhodný úkol pro bistabilní relé, na jedné poloze sepne a když se dostane na doraz rozepne.
Návrat nahoru
Zobrazit informace o autorovi Odeslat soukromou zprávu
dj_Paul



Založen: Sep 19, 2004
Příspěvky: 2643
Bydliště: Laškov

PříspěvekZaslal: út září 19 2023, 15:56    Předmět: Citovat

na to stačí i jedno z těch relé co má, ale záleží na těch čidlech
Návrat nahoru
Zobrazit informace o autorovi Odeslat soukromou zprávu Odeslat e-mail
Nikoo



Založen: Sep 19, 2023
Příspěvky: 9

PříspěvekZaslal: út září 19 2023, 16:08    Předmět: Citovat

Tyto čidla


image0 (10).jpeg
 Komentář:
 Velikost:  61.38 kB
 Zobrazeno:  125 krát

image0 (10).jpeg


Návrat nahoru
Zobrazit informace o autorovi Odeslat soukromou zprávu
Cowley



Založen: Feb 04, 2005
Příspěvky: 3569

PříspěvekZaslal: út září 19 2023, 16:50    Předmět: Citovat

Co třeba takto?
Kontakt a1 je spínací 11/14.
Kontakt a2 je spínací 21/24.
Kontakt b1 je rozpínací 11/12.

Po zapnutí hlavního napájení a výchozí poloze zasunutého pístu sepne čidlo A relé A.

Začne se píst vysouvat a opustí čidlo A.
Relé A zůstává sepnuté a čeká na čidlo B.
Jakmile sepne čidlo B, sepne relé B a jeho kontakt rozepne relé A.
Píst se začne vracet mechanicky.
Jakmile se vrátí do klidové polohy, sepne čidlo A relé A a tak pořád dokola v tomto odstavci.

Edit: popis vývodů relé.



schema.jpg
 Komentář:
 Velikost:  84.17 kB
 Zobrazeno:  108 krát

schema.jpg




Naposledy upravil Cowley dne út září 19 2023, 17:10, celkově upraveno 1 krát.
Návrat nahoru
Zobrazit informace o autorovi Odeslat soukromou zprávu
dj_Paul



Založen: Sep 19, 2004
Příspěvky: 2643
Bydliště: Laškov

PříspěvekZaslal: út září 19 2023, 17:01    Předmět: Citovat

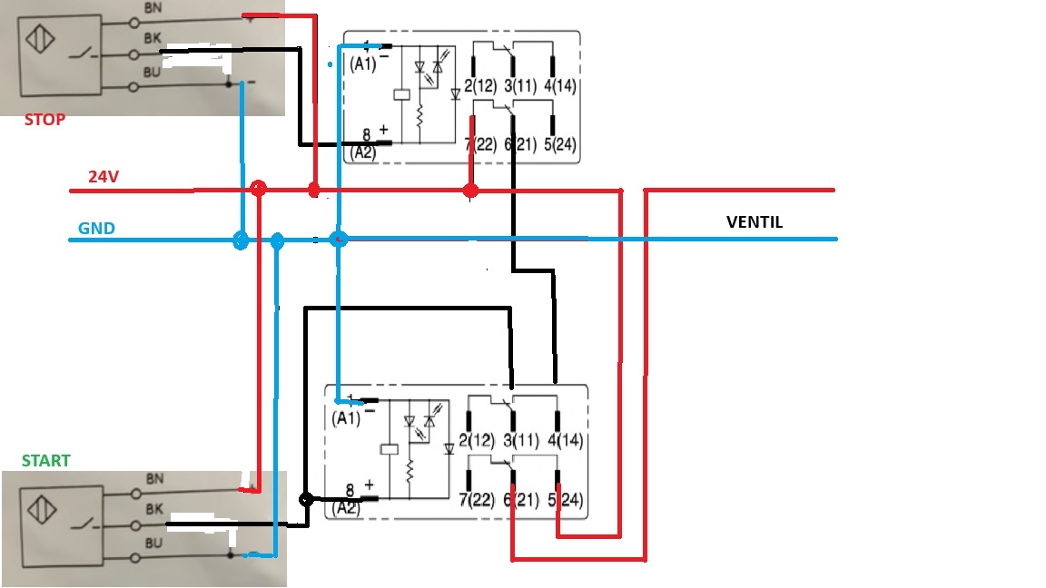
přesně to jsem měl na mysli, ale než to člověk v tom malování načmárá....
Já teda relátkem u vypínacího čidla vypínám i napájení zapínacího čidla, ale to by mělo být jedno



Bez názvu.jpg
 Komentář:
 Velikost:  97.22 kB
 Zobrazeno:  115 krát

Bez názvu.jpg




Naposledy upravil dj_Paul dne út září 19 2023, 18:05, celkově upraveno 1 krát.
Návrat nahoru
Zobrazit informace o autorovi Odeslat soukromou zprávu Odeslat e-mail
Cowley



Založen: Feb 04, 2005
Příspěvky: 3569

PříspěvekZaslal: út září 19 2023, 17:05    Předmět: Citovat

dj_Paul: Ty ale vypínaš napájení do čidla...
Návrat nahoru
Zobrazit informace o autorovi Odeslat soukromou zprávu
dj_Paul



Založen: Sep 19, 2004
Příspěvky: 2643
Bydliště: Laškov

PříspěvekZaslal: út září 19 2023, 17:08    Předmět: Citovat

funkce je stejná, jen na chvilku vypnu i čidlo
Návrat nahoru
Zobrazit informace o autorovi Odeslat soukromou zprávu Odeslat e-mail
Nikoo



Založen: Sep 19, 2023
Příspěvky: 9

PříspěvekZaslal: út září 19 2023, 17:09    Předmět: Citovat

Jdu to složit Smile
Děkuji
Návrat nahoru
Zobrazit informace o autorovi Odeslat soukromou zprávu
Cowley



Založen: Feb 04, 2005
Příspěvky: 3569

PříspěvekZaslal: út září 19 2023, 17:11    Předmět: Citovat

dj_Paul: Jasná věc... Smile
Návrat nahoru
Zobrazit informace o autorovi Odeslat soukromou zprávu
dj_Paul



Založen: Sep 19, 2004
Příspěvky: 2643
Bydliště: Laškov

PříspěvekZaslal: út září 19 2023, 17:12    Předmět: Citovat

tady je ještě varianta bez vypínání čidla:


Bez názvu.jpg
 Komentář:
 Velikost:  97.96 kB
 Zobrazeno:  128 krát

Bez názvu.jpg


Návrat nahoru
Zobrazit informace o autorovi Odeslat soukromou zprávu Odeslat e-mail
dj_Paul



Založen: Sep 19, 2004
Příspěvky: 2643
Bydliště: Laškov

PříspěvekZaslal: út září 19 2023, 17:14    Předmět: Citovat

ještě jedna drobnost: pokud zůstane píst z jakéhokoliv důvodu v mezipoloze, tak se to samo nerozhýbá.
Návrat nahoru
Zobrazit informace o autorovi Odeslat soukromou zprávu Odeslat e-mail
Zobrazit příspěvky z předchozích:   
Přidat nové téma   Zaslat odpověď       Obsah fóra Diskuzní fórum Elektro Bastlírny -> Řešení problémů s různými konstrukcemi Časy uváděny v GMT + 1 hodina
Jdi na stránku 1, 2  Další
Strana 1 z 2

 
Přejdi na:  
Nemůžete odesílat nové téma do tohoto fóra.
Nemůžete odpovídat na témata v tomto fóru.
Nemůžete upravovat své příspěvky v tomto fóru.
Nemůžete mazat své příspěvky v tomto fóru.
Nemůžete hlasovat v tomto fóru.
Nemůžete připojovat soubory k příspěvkům
Můžete stahovat a prohlížet přiložené soubory

Powered by phpBB © 2001, 2005 phpBB Group
Forums ©
Nuke - Elektro Bastlirna

Informace na portálu Elektro bastlírny jsou prezentovány za účelem vzdělání čtenářů a rozšíření zájmu o elektroniku. Autoři článků na serveru neberou žádnou zodpovědnost za škody vzniklé těmito zapojeními. Rovněž neberou žádnou odpovědnost za případnou újmu na zdraví vzniklou úrazem elektrickým proudem. Autoři a správci těchto stránek nepřejímají záruku za správnost zveřejněných materiálů. Předkládané informace a zapojení jsou zveřejněny bez ohledu na případné patenty třetích osob. Nároky na odškodnění na základě změn, chyb nebo vynechání jsou zásadně vyloučeny. Všechny registrované nebo jiné obchodní známky zde použité jsou majetkem jejich vlastníků. Uvedením nejsou zpochybněna z toho vyplývající vlastnická práva. Použití konstrukcí v rozporu se zákonem je přísně zakázáno. Vzhledem k tomu, že původ předkládaných materiálů nelze žádným způsobem dohledat, nelze je použít pro komerční účely! Tento nekomerční server nemá z uvedených zapojení či konstrukcí žádný zisk. Nezodpovídáme za pravost předkládaných materiálů třetími osobami a jejich původ. V případě, že zjistíte porušení autorského práva či jiné nesrovnalosti, kontaktujte administrátory na diskuzním fóru EB.


PHP-Nuke Copyright © 2005 by Francisco Burzi. This is free software, and you may redistribute it under the GPL. PHP-Nuke comes with absolutely no warranty, for details, see the license.
Čas potřebný ke zpracování stránky 0.22 sekund