Vítejte na Elektro Bastlírn?
Nuke - Elektro Bastlirna
  Vytvořit účet Hlavní · Fórum · DDump · Profil · Zprávy · Hledat na fóru · Příspěvky na provoz EB

Vlákno na téma KORONAVIRUS - nutná registrace


Nuke - Elektro Bastlirna: Diskuzní fórum

 FAQFAQ   HledatHledat   Uživatelské skupinyUživatelské skupiny   ProfilProfil   Soukromé zprávySoukromé zprávy   PřihlášeníPřihlášení 

Optočlen - relé (ESP32)

 
Přidat nové téma   Zaslat odpověď       Obsah fóra Diskuzní fórum Elektro Bastlírny -> Řešení problémů s různými konstrukcemi
Zobrazit předchozí téma :: Zobrazit následující téma  
Autor Zpráva
ondyy



Založen: Sep 11, 2023
Příspěvky: 35

PříspěvekZaslal: st září 13 2023, 12:18    Předmět: Optočlen - relé (ESP32) Citovat

Zdravím,

chtěl bych se zeptat, zda je vhodné použít optočlen (PC817) mezi ESP32 a relé. Konkrétně plánují použít kvalitní Omron, izolační pevnost 3000 VAC. https://www.gme.cz/v/1496596/omron-g6d-1a-asi-dc5-rele-civka-5vdc-kontakt-250vac-5a-1x-spinaci

Takže o izolaci mi tak nejde (je to určeno spíše pro spínání výkonovějších DC zátěží), spíše jsem se zde: https://www.hwkitchen.cz/4-x-rele-modul-s-optoclenem-5vdc-250vac-10a/ dočetl, že použití optočelnu zapříčiní snížení proudu z GPIO.

Je to tak?, doporučili byste použití optočlenu?

Aby to zase naopak zbytečně nezvyšovalo spotřebu celé desky..

Děkuji
Návrat nahoru
Zobrazit informace o autorovi Odeslat soukromou zprávu
Valdano



Založen: Jan 01, 2023
Příspěvky: 2806
Bydliště: Česká Lípa

PříspěvekZaslal: st září 13 2023, 12:36    Předmět: Citovat

ondyy napsal(a):
je to určeno spíše pro spínání výkonnějších DC zátěží

A nebylo by pro vás použitelné spíš nějaké SSR relé? To můžete ovládat s nízkým zatížením přímo z ESP32 i bez optočlenu a je to bezkontaktní spínání. Třeba u této DC verze levného SSR relé píše kupující, že prověřil funkčnost s ESP32 (na 3,3V). Tyhle levné SSR relé sice nebudou nic moc tj. určitě bych je nedoporučoval trápit na max. deklarované proudy, ale jinak můžou být v pohodě použitelné řekněme třeba tak do 50% tj. v daném případě cca do 20A přičemž bude potřeba k tomu relé doplnit chladič jinak ho brzy upečete. Wink


Naposledy upravil Valdano dne st září 13 2023, 13:13, celkově upraveno 1 krát.
Návrat nahoru
Zobrazit informace o autorovi Odeslat soukromou zprávu
ondyy



Založen: Sep 11, 2023
Příspěvky: 35

PříspěvekZaslal: st září 13 2023, 13:12    Předmět: Citovat

Raději bych běžné elektromagnetické relé - mám to vyzkoušené. Jde mi spíš o ten optočlen.
Návrat nahoru
Zobrazit informace o autorovi Odeslat soukromou zprávu
HF_Tech



Založen: Apr 25, 2022
Příspěvky: 1844

PříspěvekZaslal: st září 13 2023, 13:16    Předmět: Citovat

A z jakého zdroje bude napájena cívka relé?
Pokud bude tento zdroj spojen s napájením ESP32, tak ten optočlen bude zcela zbytečný.
Návrat nahoru
Zobrazit informace o autorovi Odeslat soukromou zprávu
ondyy



Založen: Sep 11, 2023
Příspěvky: 35

PříspěvekZaslal: st září 13 2023, 13:17    Předmět: Citovat

Ano, bude to napájené z 5V pinu ESP32. A jak tedy ten odběr proudu, omezí to ten optočlen, něž když druhý kontakt cívky dám přímo na GPIO?
Návrat nahoru
Zobrazit informace o autorovi Odeslat soukromou zprávu
Valdano



Založen: Jan 01, 2023
Příspěvky: 2806
Bydliště: Česká Lípa

PříspěvekZaslal: st září 13 2023, 13:19    Předmět: Citovat

Psal jste obavy o spotřebu celé desky a elektromagnetické relé Vám nevadí i když bude mít větší odběr a kratší životnost než SSR a bez ohledu na to zda použijete optočlen nebo ne? Pokud to chcete zkusit s tím optočlenem no tak to s ním zkuste. V tom si to sám vyzkoušet Vám přece nic nebrání. PC817 koupíte za pár kaček pokud ho už rovnou nemáte doma. Nejlepší zkušenost je ta vlastní získaná při osobním testování. Wink

Naposledy upravil Valdano dne st září 13 2023, 13:22, celkově upraveno 1 krát.
Návrat nahoru
Zobrazit informace o autorovi Odeslat soukromou zprávu
ondyy



Založen: Sep 11, 2023
Příspěvky: 35

PříspěvekZaslal: st září 13 2023, 13:21    Předmět: Citovat

Jasně, dát ho tam můžu nebo ne, ale jde ti o to, že tady píšou, že když je to s optočlenem, tak to bude brát jen 3,8 mA. Normálně přece relé bere tak 40 mA ne?
Návrat nahoru
Zobrazit informace o autorovi Odeslat soukromou zprávu
Valdano



Založen: Jan 01, 2023
Příspěvky: 2806
Bydliště: Česká Lípa

PříspěvekZaslal: st září 13 2023, 13:28    Předmět: Citovat

To jste asi trochu nesprávně pochopil. Ty 3,8 mA nebere relé, ale LED dioda uvnitř optočlenu. Podobně a ještě s menším proudem na bázi přes odpor z výstupu ESP32 by zvládl spínat cívku elektromagnetického relé třeba tranzistor i bez optočlenu. Cívka elektromagnetického relé bude samozřejmě vyžadovat na druhé straně optočlenu k napájení víc než 3,8 mA stejně jako by vyžadovala i při spínání s tranzistorem bez optočlenu.

Takže pokud má být cívka toho relé napájená také z desky celého toho zařízení, na kterém máte mimo jiné desku ESP32 tak tím optočlenem rozhodně neušetříte zatímco při použití SSR relé byste ušetřil. Pokud chcete mít nízkou spotřebu tak nesmí být cívka elektromagnetického relé napájena z desky toho zařízení a pokud to není možné v takovém případě bez diskuse doporučuji pouze SSR relé.

Podobně ta vámi odkazovaná relé s optočleny mají externí napájení tj. řídící strana před optočlenem má odběr 3,8mA pouze za předpokladu, že cívka relé je napájena z externího zdroje. Pokud má být zdroj napájení totožný pro ESP32 a pro cívku relé v takovém případě to znamená proud cívkou relé plus ještě navíc k tomu těch 3,8mA na optočlenu což je pro vaše účely k ničemu, protože jak už jste zmínil galvanické oddělení nepotřebujete a jde vám hlavně o to snížit odběr což znamená použít SSR relé.
Návrat nahoru
Zobrazit informace o autorovi Odeslat soukromou zprávu
ondyy



Založen: Sep 11, 2023
Příspěvky: 35

PříspěvekZaslal: st září 13 2023, 14:13    Předmět: Citovat

Dobře, děkuji Vám za přehledné a pochopitelné vysvětlení Wink
Návrat nahoru
Zobrazit informace o autorovi Odeslat soukromou zprávu
Valdano



Založen: Jan 01, 2023
Příspěvky: 2806
Bydliště: Česká Lípa

PříspěvekZaslal: st září 13 2023, 14:18    Předmět: Citovat

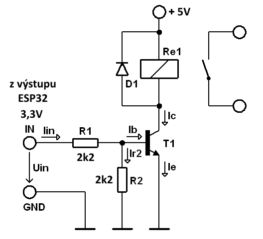
Pokud by vám nešlo o to snížit odběr celého zařízení, ale pouze o to snížit odběr samotného výstupu ESP32 a nepotřebujete galvanické oddělení tak je zbytečné používat optočlen a mělo by stačit použít tranzistor jehož báze bude přes odpor připojena na výstup ESP32 a přes kolektor se bude spínat cívka elektromagnetického relé. Paralelně k cívce doporučuji připojit diodu v opačné polaritě ať vám cívka relé neodrovná tranzistor. Ukázky podobných zapojení viz tento odkaz.
Návrat nahoru
Zobrazit informace o autorovi Odeslat soukromou zprávu
workhard



Založen: Jul 07, 2006
Příspěvky: 5471
Bydliště: Plzeň

PříspěvekZaslal: st září 13 2023, 14:35    Předmět: Citovat

Nebo použij optotriak a můžeš s ním spínat cívku relé na 230V. V podstatě je to takové malé SSR relé. Třeba tenhle má i spínání v nule:

https://www.ame.cz/Elektronika/Aktivni-soucastky-IC-diody/Optocleny/MOC3062-TLP3062-d6692939

_________________
Věci,které fungují,se ZÁSADNĚ neopravují...
Návrat nahoru
Zobrazit informace o autorovi Odeslat soukromou zprávu
ondyy



Založen: Sep 11, 2023
Příspěvky: 35

PříspěvekZaslal: st září 13 2023, 14:39    Předmět: Citovat

Valdano napsal(a):
Pokud by vám nešlo o to snížit odběr celého zařízení, ale pouze o to snížit odběr samotného výstupu ESP32 a nepotřebujete galvanické oddělení tak je zbytečné používat optočlen a mělo by stačit použít tranzistor jehož báze bude přes odpor připojena na výstup ESP32 a přes kolektor se bude spínat cívka elektromagnetického relé. Paralelně k cívce doporučuji připojit diodu v opačné polaritě ať vám cívka relé neodrovná tranzistor. Ukázky podobných zapojení viz tento odkaz.


Ano, tak bych to měl mít (jen vyhodím ten optočlen), přikládám schéma.
Prosím kdyžtak ještě o kontrolu, díky.



schema_Rele.PNG
 Komentář:
 Velikost:  59.25 kB
 Zobrazeno:  145 krát

schema_Rele.PNG


Návrat nahoru
Zobrazit informace o autorovi Odeslat soukromou zprávu
Valdano



Založen: Jan 01, 2023
Příspěvky: 2806
Bydliště: Česká Lípa

PříspěvekZaslal: st září 13 2023, 14:50    Předmět: Citovat

Úprava dle již dříve uvedeného odkazu viz přiložený obrázek.


spinani_rele.png
 Komentář:
 Velikost:  8.06 kB
 Zobrazeno:  91 krát

spinani_rele.png


Návrat nahoru
Zobrazit informace o autorovi Odeslat soukromou zprávu
HF_Tech



Založen: Apr 25, 2022
Příspěvky: 1844

PříspěvekZaslal: čt září 14 2023, 8:13    Předmět: Citovat

A proč tam rovnou nedáš "digitální" MOSFET místo bipoláru?
Odpor mezi ESP a GATE stačí 220R a mezi GATE a GND stačí 22k a nebude to žrát skoro nic.
Návrat nahoru
Zobrazit informace o autorovi Odeslat soukromou zprávu
Zobrazit příspěvky z předchozích:   
Přidat nové téma   Zaslat odpověď       Obsah fóra Diskuzní fórum Elektro Bastlírny -> Řešení problémů s různými konstrukcemi Časy uváděny v GMT + 1 hodina
Strana 1 z 1

 
Přejdi na:  
Nemůžete odesílat nové téma do tohoto fóra.
Nemůžete odpovídat na témata v tomto fóru.
Nemůžete upravovat své příspěvky v tomto fóru.
Nemůžete mazat své příspěvky v tomto fóru.
Nemůžete hlasovat v tomto fóru.
Nemůžete připojovat soubory k příspěvkům
Můžete stahovat a prohlížet přiložené soubory

Powered by phpBB © 2001, 2005 phpBB Group
Forums ©
Nuke - Elektro Bastlirna

Informace na portálu Elektro bastlírny jsou prezentovány za účelem vzdělání čtenářů a rozšíření zájmu o elektroniku. Autoři článků na serveru neberou žádnou zodpovědnost za škody vzniklé těmito zapojeními. Rovněž neberou žádnou odpovědnost za případnou újmu na zdraví vzniklou úrazem elektrickým proudem. Autoři a správci těchto stránek nepřejímají záruku za správnost zveřejněných materiálů. Předkládané informace a zapojení jsou zveřejněny bez ohledu na případné patenty třetích osob. Nároky na odškodnění na základě změn, chyb nebo vynechání jsou zásadně vyloučeny. Všechny registrované nebo jiné obchodní známky zde použité jsou majetkem jejich vlastníků. Uvedením nejsou zpochybněna z toho vyplývající vlastnická práva. Použití konstrukcí v rozporu se zákonem je přísně zakázáno. Vzhledem k tomu, že původ předkládaných materiálů nelze žádným způsobem dohledat, nelze je použít pro komerční účely! Tento nekomerční server nemá z uvedených zapojení či konstrukcí žádný zisk. Nezodpovídáme za pravost předkládaných materiálů třetími osobami a jejich původ. V případě, že zjistíte porušení autorského práva či jiné nesrovnalosti, kontaktujte administrátory na diskuzním fóru EB.


PHP-Nuke Copyright © 2005 by Francisco Burzi. This is free software, and you may redistribute it under the GPL. PHP-Nuke comes with absolutely no warranty, for details, see the license.
Čas potřebný ke zpracování stránky 0.16 sekund