Vítejte na Elektro Bastlírn?
Nuke - Elektro Bastlirna
  Vytvořit účet Hlavní · Fórum · DDump · Profil · Zprávy · Hledat na fóru · Příspěvky na provoz EB

Vlákno na téma KORONAVIRUS - nutná registrace


Nuke - Elektro Bastlirna: Diskuzní fórum

 FAQFAQ   HledatHledat   Uživatelské skupinyUživatelské skupiny   ProfilProfil   Soukromé zprávySoukromé zprávy   PřihlášeníPřihlášení 

smd dioda

 
Přidat nové téma   Zaslat odpověď       Obsah fóra Diskuzní fórum Elektro Bastlírny -> Součástky
Zobrazit předchozí téma :: Zobrazit následující téma  
Autor Zpráva
fizby



Založen: Apr 29, 2015
Příspěvky: 166
Bydliště: trutnov

PříspěvekZaslal: st srpen 09 2023, 18:28    Předmět: smd dioda Citovat

Zdravím. Mohl by mi někdo poradit jestli šedé diody na obrázku, které mají jako popis číslo s pomlčkou ( např. 24-, 15- ....), jsou zenerky a to číslo je zenerovo napětí? Děkuji.


diody.jpg
 Komentář:
 Velikost:  299.65 kB
 Zobrazeno:  148 krát

diody.jpg


Návrat nahoru
Zobrazit informace o autorovi Odeslat soukromou zprávu
rnbw



Založen: Mar 21, 2006
Příspěvky: 36899
Bydliště: Bratislava

PříspěvekZaslal: st srpen 09 2023, 18:50    Předmět: Citovat

Je to mozne. Z coho to je? Vyzera to ako nieco japonske.
Návrat nahoru
Zobrazit informace o autorovi Odeslat soukromou zprávu
fizby



Založen: Apr 29, 2015
Příspěvky: 166
Bydliště: trutnov

PříspěvekZaslal: st srpen 09 2023, 18:54    Předmět: Citovat

Je to zdroj telefonní ústředny Panasonic.
Návrat nahoru
Zobrazit informace o autorovi Odeslat soukromou zprávu
rnbw



Založen: Mar 21, 2006
Příspěvky: 36899
Bydliště: Bratislava

PříspěvekZaslal: st srpen 09 2023, 19:07    Předmět: Citovat

K tomu by sa mala dat zohnat aj schema a z nej to bude jasne.
Návrat nahoru
Zobrazit informace o autorovi Odeslat soukromou zprávu
fizby



Založen: Apr 29, 2015
Příspěvky: 166
Bydliště: trutnov

PříspěvekZaslal: st srpen 09 2023, 19:17    Předmět: Citovat

Víš nějaký odkaz?
Návrat nahoru
Zobrazit informace o autorovi Odeslat soukromou zprávu
Cowley



Založen: Feb 04, 2005
Příspěvky: 3569

PříspěvekZaslal: st srpen 09 2023, 19:30    Předmět: Citovat

fizby napsal(a):
Je to zdroj telefonní ústředny Panasonic.

Jaké?
Návrat nahoru
Zobrazit informace o autorovi Odeslat soukromou zprávu
fizby



Založen: Apr 29, 2015
Příspěvky: 166
Bydliště: trutnov

PříspěvekZaslal: st srpen 09 2023, 19:44    Předmět: Citovat

Mám ji v práci. Ale je to snad KX-TDA0104XJ
Návrat nahoru
Zobrazit informace o autorovi Odeslat soukromou zprávu
rnbw



Založen: Mar 21, 2006
Příspěvky: 36899
Bydliště: Bratislava

PříspěvekZaslal: st srpen 09 2023, 19:49    Předmět: Citovat

Tu je nieco, ale nechce sa mi v tom hrabat: https://elektrotanya.com/panasonic_kx-tda0103x_tda0103xj_tda0104x_tda0104xj_tda0108x_tda0108xj.rar/download.html
Návrat nahoru
Zobrazit informace o autorovi Odeslat soukromou zprávu
fizby



Založen: Apr 29, 2015
Příspěvky: 166
Bydliště: trutnov

PříspěvekZaslal: st srpen 09 2023, 20:03    Předmět: Citovat

Dík, zkusím se na to podívat.
Návrat nahoru
Zobrazit informace o autorovi Odeslat soukromou zprávu
fizby



Založen: Apr 29, 2015
Příspěvky: 166
Bydliště: trutnov

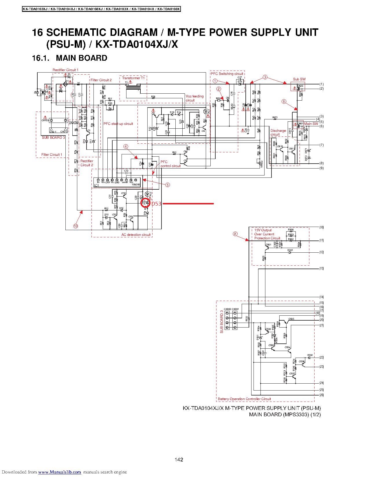
PříspěvekZaslal: čt srpen 10 2023, 11:20    Předmět: Citovat

Tak jsem koukal a našel. Je to ZD a jestli údaj na ní je napětí, tak 11Voltová. Neměl by někdo teorii proč dioda odešla ( přerušná )? Ostatní součástky jsou OK a zdroj funguje.


panasonic.png
 Komentář:
 Velikost:  86.77 kB
 Zobrazeno:  117 krát

panasonic.png



panasonic1.jpg
 Komentář:
 Velikost:  211.54 kB
 Zobrazeno:  118 krát

panasonic1.jpg


Návrat nahoru
Zobrazit informace o autorovi Odeslat soukromou zprávu
Zobrazit příspěvky z předchozích:   
Přidat nové téma   Zaslat odpověď       Obsah fóra Diskuzní fórum Elektro Bastlírny -> Součástky Časy uváděny v GMT + 1 hodina
Strana 1 z 1

 
Přejdi na:  
Nemůžete odesílat nové téma do tohoto fóra.
Nemůžete odpovídat na témata v tomto fóru.
Nemůžete upravovat své příspěvky v tomto fóru.
Nemůžete mazat své příspěvky v tomto fóru.
Nemůžete hlasovat v tomto fóru.
Nemůžete připojovat soubory k příspěvkům
Můžete stahovat a prohlížet přiložené soubory

Powered by phpBB © 2001, 2005 phpBB Group
Forums ©
Nuke - Elektro Bastlirna

Informace na portálu Elektro bastlírny jsou prezentovány za účelem vzdělání čtenářů a rozšíření zájmu o elektroniku. Autoři článků na serveru neberou žádnou zodpovědnost za škody vzniklé těmito zapojeními. Rovněž neberou žádnou odpovědnost za případnou újmu na zdraví vzniklou úrazem elektrickým proudem. Autoři a správci těchto stránek nepřejímají záruku za správnost zveřejněných materiálů. Předkládané informace a zapojení jsou zveřejněny bez ohledu na případné patenty třetích osob. Nároky na odškodnění na základě změn, chyb nebo vynechání jsou zásadně vyloučeny. Všechny registrované nebo jiné obchodní známky zde použité jsou majetkem jejich vlastníků. Uvedením nejsou zpochybněna z toho vyplývající vlastnická práva. Použití konstrukcí v rozporu se zákonem je přísně zakázáno. Vzhledem k tomu, že původ předkládaných materiálů nelze žádným způsobem dohledat, nelze je použít pro komerční účely! Tento nekomerční server nemá z uvedených zapojení či konstrukcí žádný zisk. Nezodpovídáme za pravost předkládaných materiálů třetími osobami a jejich původ. V případě, že zjistíte porušení autorského práva či jiné nesrovnalosti, kontaktujte administrátory na diskuzním fóru EB.


PHP-Nuke Copyright © 2005 by Francisco Burzi. This is free software, and you may redistribute it under the GPL. PHP-Nuke comes with absolutely no warranty, for details, see the license.
Čas potřebný ke zpracování stránky 0.27 sekund