Vítejte na Elektro Bastlírn?
Nuke - Elektro Bastlirna
  Vytvořit účet Hlavní · Fórum · DDump · Profil · Zprávy · Hledat na fóru · Příspěvky na provoz EB

Vlákno na téma KORONAVIRUS - nutná registrace


Nuke - Elektro Bastlirna: Diskuzní fórum

 FAQFAQ   HledatHledat   Uživatelské skupinyUživatelské skupiny   ProfilProfil   Soukromé zprávySoukromé zprávy   PřihlášeníPřihlášení 

Indikátor úrovně stereofonního signálu

 
Přidat nové téma   Zaslat odpověď       Obsah fóra Diskuzní fórum Elektro Bastlírny -> Audiotechnika
Zobrazit předchozí téma :: Zobrazit následující téma  
Autor Zpráva
mlhosi



Založen: May 29, 2013
Příspěvky: 14

PříspěvekZaslal: ne červenec 02 2023, 8:31    Předmět: Indikátor úrovně stereofonního signálu Citovat

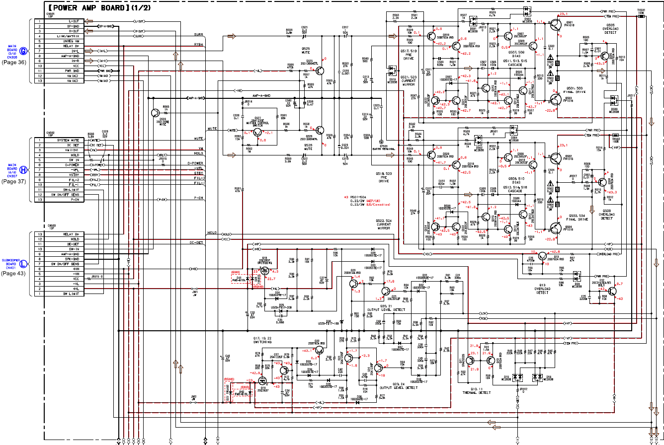
Ahoj idem si sem pre radu mam vezu Sony hcd rg440 a chcel by som si do nej prirobit Indikátor úrovně stereofonního signálu nevie nikto poradit odkial vytiahnut ten NF signal? V prilohe prikladam aj schema. Dik.


1 (1)_11zon.png
 Komentář:
 Velikost:  238.31 kB
 Zobrazeno:  101 krát

1 (1)_11zon.png



1 (2).png
 Komentář:
 Velikost:  131.92 kB
 Zobrazeno:  133 krát

1 (2).png



3.png
 Komentář:
 Velikost:  258.35 kB
 Zobrazeno:  116 krát

3.png


Návrat nahoru
Zobrazit informace o autorovi Odeslat soukromou zprávu
AdamVarga



Založen: Nov 04, 2018
Příspěvky: 473

PříspěvekZaslal: ne červenec 02 2023, 9:53    Předmět: Citovat

A signál potrebuješ PFL AFL? (Prefader- pred volume, Afterfader- za volume) lebo vidím to celkom jednoducho že by som sa proste napichol na vstup koncáku IN-L IN-R
Návrat nahoru
Zobrazit informace o autorovi Odeslat soukromou zprávu
mlhosi



Založen: May 29, 2013
Příspěvky: 14

PříspěvekZaslal: ne červenec 02 2023, 10:34    Předmět: Citovat

AdamVarga napsal(a):
A signál potrebuješ PFL AFL? (Prefader- pred volume, Afterfader- za volume) lebo vidím to celkom jednoducho že by som sa proste napichol na vstup koncáku IN-L IN-R
to je na tom konektore G?
Návrat nahoru
Zobrazit informace o autorovi Odeslat soukromou zprávu
AdamVarga



Založen: Nov 04, 2018
Příspěvky: 473

PříspěvekZaslal: ne červenec 02 2023, 11:41    Předmět: Citovat

Hej
Návrat nahoru
Zobrazit informace o autorovi Odeslat soukromou zprávu
mlhosi



Založen: May 29, 2013
Příspěvky: 14

PříspěvekZaslal: ne červenec 02 2023, 12:02    Předmět: Citovat

AdamVarga napsal(a):
Hej
Dik
Návrat nahoru
Zobrazit informace o autorovi Odeslat soukromou zprávu
EKKAR



Založen: Mar 16, 2005
Příspěvky: 34827
Bydliště: Česká Třebová, JN89FW21

PříspěvekZaslal: ne červenec 02 2023, 13:53    Předmět: Citovat

Vzal bych to z emitorů "mutovacích" tranzistorů, označení je kvůli mizernýmu rozlišení komprimovanýho obrázku nečitelný, ale jsou to ty dva co jsem červeně orámoval na mnou upraveným schématu. A určitě oddělit kondíkama a za kondíky posadit operák zapojenej jako sledovač, postačí TL072 - tím se docítí toho, že další připojený obvody nebudou mít měřitelnej vliv na signál vstupující dáldo koncovýho zešilovače.


3_183.png
 Komentář:
 Velikost:  69.46 kB
 Zobrazeno:  114 krát

3_183.png



_________________
Nasliněný prst na svorkovnici domovního rozvaděče: Jó, paninko, máte tam ty Voltíky všecky...
A kutilmile - nelituju tě Mr. Green Mr. Green !!!
Návrat nahoru
Zobrazit informace o autorovi Odeslat soukromou zprávu Odeslat e-mail
AdamVarga



Založen: Nov 04, 2018
Příspěvky: 473

PříspěvekZaslal: po červenec 03 2023, 1:22    Předmět: Citovat

ak to vezmeš spoza emitorov mutovacích tranzistorov tak je väčšia šanca že obvod ovpllivníš záťažou nech už akoukolvek pretože sa nadpájaš na signál za resistorom dosť vysokej hodnoty. Preto som ja osobne odpooručil sa radšej pripojiť pred na signálovú cestu ešte pred tým ako jeho impedancia je zvýšená rezistormi v sérií.

Ale buffer by hádam mal byť samozrejmosť nech už je to pred alebo za.
Návrat nahoru
Zobrazit informace o autorovi Odeslat soukromou zprávu
EKKAR



Založen: Mar 16, 2005
Příspěvky: 34827
Bydliště: Česká Třebová, JN89FW21

PříspěvekZaslal: po červenec 03 2023, 3:13    Předmět: Citovat

AdamVarga napsal(a):
ak to vezmeš spoza emitorov mutovacích tranzistorov tak je väčšia šanca že obvod ovpllivníš záťažou nech už akoukolvek pretože sa nadpájaš na signál za resistorom dosť vysokej hodnoty. ...
No, jestli jseš tak moc přesvědčenej tím, že za odporem pokud dobře čtu 3k9 paralelně připojenej neinvertující vstup operáku s j-FETama jako prvním trandem něco ovlivní na procházejícím signálu, nechám to na tobě ... Jestli ty slyšíš zeslabení signálu o díl menší než 1% ... Já to nechci brát "za emitorama" těch mutovacích trandů, já to radím brát přímo z nich - ty trandy se chovají pro nf signál jako vysoká imprdelance, pokud má signál procházet dál do koncovýho stupně => to jsou uzavřený, před nima je v sérii malej odpor v řádu kiloohmů a kondík s poměrně velkou kapacitou 2µ2 - pak už je přímo emitor toho "mutovacího" tranzistoru - a světe podrž se, paralelně k němu je 47kΩ odpor ...!!!! Dál už je pak v cestě nf signálu (jestli to čtu dobře) kondík 1µF/50V a pak už jen 100Ω odpor a první tranzistor koncáku. Neboli v tom místě těch emitorů je imprdelance proti společnýmu vodiči maximálně těch 47kΩ - když do toho místa připojíš vstup zesilovače/sledovače s vlastní imprdelancí v řádu megaohmů = tu imprdelanci připojíš paralelně k tomu 47kΩ odporu, kolikpak toho asi tak ovlivníš na celkovým chování signálu? A navíc, když se aktivuje funkce "Mute" neboli ztišení reprodukce, v tom místě právě ty trandy zkratujou signál = i případně připojenej indikátor v tu chvíli spadne na nulu, takže nebude ukazovat žádný vybuzení, zatímco kdekoliv jince před tímhle bodem zůstane i v režimu "Mute" indikátor poblikávat ...
_________________
Nasliněný prst na svorkovnici domovního rozvaděče: Jó, paninko, máte tam ty Voltíky všecky...
A kutilmile - nelituju tě Mr. Green Mr. Green !!!
Návrat nahoru
Zobrazit informace o autorovi Odeslat soukromou zprávu Odeslat e-mail
Zobrazit příspěvky z předchozích:   
Přidat nové téma   Zaslat odpověď       Obsah fóra Diskuzní fórum Elektro Bastlírny -> Audiotechnika Časy uváděny v GMT + 1 hodina
Strana 1 z 1

 
Přejdi na:  
Nemůžete odesílat nové téma do tohoto fóra.
Nemůžete odpovídat na témata v tomto fóru.
Nemůžete upravovat své příspěvky v tomto fóru.
Nemůžete mazat své příspěvky v tomto fóru.
Nemůžete hlasovat v tomto fóru.
Nemůžete připojovat soubory k příspěvkům
Můžete stahovat a prohlížet přiložené soubory

Powered by phpBB © 2001, 2005 phpBB Group
Forums ©
Nuke - Elektro Bastlirna

Informace na portálu Elektro bastlírny jsou prezentovány za účelem vzdělání čtenářů a rozšíření zájmu o elektroniku. Autoři článků na serveru neberou žádnou zodpovědnost za škody vzniklé těmito zapojeními. Rovněž neberou žádnou odpovědnost za případnou újmu na zdraví vzniklou úrazem elektrickým proudem. Autoři a správci těchto stránek nepřejímají záruku za správnost zveřejněných materiálů. Předkládané informace a zapojení jsou zveřejněny bez ohledu na případné patenty třetích osob. Nároky na odškodnění na základě změn, chyb nebo vynechání jsou zásadně vyloučeny. Všechny registrované nebo jiné obchodní známky zde použité jsou majetkem jejich vlastníků. Uvedením nejsou zpochybněna z toho vyplývající vlastnická práva. Použití konstrukcí v rozporu se zákonem je přísně zakázáno. Vzhledem k tomu, že původ předkládaných materiálů nelze žádným způsobem dohledat, nelze je použít pro komerční účely! Tento nekomerční server nemá z uvedených zapojení či konstrukcí žádný zisk. Nezodpovídáme za pravost předkládaných materiálů třetími osobami a jejich původ. V případě, že zjistíte porušení autorského práva či jiné nesrovnalosti, kontaktujte administrátory na diskuzním fóru EB.


PHP-Nuke Copyright © 2005 by Francisco Burzi. This is free software, and you may redistribute it under the GPL. PHP-Nuke comes with absolutely no warranty, for details, see the license.
Čas potřebný ke zpracování stránky 0.37 sekund