Vítejte na Elektro Bastlírn?
Nuke - Elektro Bastlirna
  Vytvořit účet Hlavní · Fórum · DDump · Profil · Zprávy · Hledat na fóru · Příspěvky na provoz EB

Vlákno na téma KORONAVIRUS - nutná registrace


Nuke - Elektro Bastlirna: Diskuzní fórum

 FAQFAQ   HledatHledat   Uživatelské skupinyUživatelské skupiny   ProfilProfil   Soukromé zprávySoukromé zprávy   PřihlášeníPřihlášení 

LG FB161-DOU

 
Přidat nové téma   Zaslat odpověď       Obsah fóra Diskuzní fórum Elektro Bastlírny -> Audiotechnika
Zobrazit předchozí téma :: Zobrazit následující téma  
Autor Zpráva
Duvsan



Založen: Feb 21, 2009
Příspěvky: 6120
Bydliště: Okres Nitra

PříspěvekZaslal: čt červen 01 2023, 18:10    Předmět: LG FB161-DOU Citovat

Ahojte
Snažím sa pre suseda opraviť uvedený mikrosystém. Závada je v zdroji v napájaní výkonového zosilňovača. Táto časť zdroja je osadená čipom STR-X6757. Nedávno som riešil obdobný prípad, tam bol 6759 a bol vadný. Tak som rovno vymenil i ten v tomto. Závada ale zostala. Až som zistil, že sa ten IO dá naštartovať jedným z nasledujúcich spôsobov:
-poštrachám skrutkovačom niektorý z pinov 1-3;
-multimeter prepnem do režimu voltmetra, jeden hrot oprem o napätie 325V a druhý o pin 6 alebo 7, zdroj naštartuje cez odpor meráka;
-na okamžik skratnem optočlen.
Čip naštartuje a beží až do vypnutia.
Pomeral som, čo mi dávalo zmysel. Jeden elektrolyt som preventívne vymenil pre mierne zvýšený ESR, ale mám za to, že by ešte vyhovel a to na dlho.
Došli mi nápady.

Prikladám schému. Je z iného modelu, ale podľa všetkého pasuje.
Tak ak by niekto chcel poradiť. P.



Bez názvu.gif
 Komentář:
 Velikost:  265.49 kB
 Zobrazeno:  237 krát

Bez názvu.gif


Návrat nahoru
Zobrazit informace o autorovi Odeslat soukromou zprávu
rnbw



Založen: Mar 21, 2006
Příspěvky: 36899
Bydliště: Bratislava

PříspěvekZaslal: čt červen 01 2023, 18:56    Předmět: Citovat

Napatie na VCC (pin 4) mas?
Návrat nahoru
Zobrazit informace o autorovi Odeslat soukromou zprávu
Duvsan



Založen: Feb 21, 2009
Příspěvky: 6120
Bydliště: Okres Nitra

PříspěvekZaslal: čt červen 01 2023, 19:38    Předmět: Citovat

20V a keď maká, tak 18V. Bez neho by asi nepostačilo pošrachať skrutkovačom, nie? Akoby mal nejakú histerézu a tie ruchy ho rozbehnú.

Ešte som zabudol. Po zapnutí sa taktrochu rozbehne a v priebehu pár sekúnd zmĺkne. A ďalej som to už popísal. Možno by stačilo posunúť niektoré hodnoty (vymeniť niektorý odpor alebo nejaký doplniť), ale to už je zásah do zapojenia a nevyhnutne vystáva otázka, že doteraz to fungovalo. Tak či ide o kurvítko počítajúce s posunom vlastností niektorých súčiastok, alebo som kúpil blbý kus (čip), alebo niečo iné.

Ešte jedna zaujímavosť. Čip, ktorý som pooužil ako náhadu, mal ináč povyhíňané piny. Musel som ich prerovnať. Usúdil som, že ide o verziu do iného návrhu dosky. Iné ma nenapadlo.
Návrat nahoru
Zobrazit informace o autorovi Odeslat soukromou zprávu
jezevec
Hlavní moderátor


Založen: Jun 13, 2004
Příspěvky: 6092
Bydliště: Břeclavsko

PříspěvekZaslal: čt červen 01 2023, 19:55    Předmět: Citovat

V první řadě vyměň elyt C920.
Návrat nahoru
Zobrazit informace o autorovi Odeslat soukromou zprávu Zobrazit autorovy WWW stránky
rnbw



Založen: Mar 21, 2006
Příspěvky: 36899
Bydliště: Bratislava

PříspěvekZaslal: čt červen 01 2023, 20:29    Předmět: Citovat

Tych 20V sa mi zda malo. Maximalna hodnota "Operation start voltage" je podla datasheetu 19,9V. Takze skontrolovat este C921 aj C909.
Návrat nahoru
Zobrazit informace o autorovi Odeslat soukromou zprávu
Duvsan



Založen: Feb 21, 2009
Příspěvky: 6120
Bydliště: Okres Nitra

PříspěvekZaslal: so červen 03 2023, 16:54    Předmět: Citovat

Prepáčte čakanie. C921 má zvýšený ESR, ale po jeho výmene závada zostala. Napätia som nameral 20,11V v nefunkčnom stave a po naštrachaní 19,57V, v stand-by 20,48V. C909 som po zmeraní vrátil ako vyhovujúci. Na ňom je vyp/19,7/18,88V. IO sa občas rozbehne sám a občas mu musím pomôcť.
Návrat nahoru
Zobrazit informace o autorovi Odeslat soukromou zprávu
Duvsan



Založen: Feb 21, 2009
Příspěvky: 6120
Bydliště: Okres Nitra

PříspěvekZaslal: st červen 07 2023, 17:28    Předmět: Citovat

Na skúšku som k C909 pripojil paralelne zo strany spojov druhý (zmeraný) kondenzátor 100uF a tuším to funguje. Napätie som nameral 19,7V. Žeby ma ošidil merák, keď som meral ten C909?

Dal som ten 100uF namiesto toho pôvodného 50uF a zdá sa, že opravené.

Ešte je druhý problém, že údajne neprehráva cez USB. Nameral som 5V a ďalej som to nechcel riešiť. Až teraz ma napadlo pripojiť k tomu malú lampičku k počítaču a ona nesvieti. Tých 5V tam má byť trvale, že by z toho šlo nabiť mobil, alebo ich pripája len pre tú kľúčenku a v prípade neúspechu ich odpojí? Nepoznám tieto systémy, nikdy som to neriešil.
Návrat nahoru
Zobrazit informace o autorovi Odeslat soukromou zprávu
keemo



Založen: Sep 10, 2007
Příspěvky: 5492
Bydliště: Ostrava, Bratislava

PříspěvekZaslal: čt červen 08 2023, 13:35    Předmět: Citovat

tak tam vraz nejaky maly usb kluc naformatovany na fat s par mp3 subormi a vyskusaj...
Návrat nahoru
Zobrazit informace o autorovi Odeslat soukromou zprávu
rnbw



Založen: Mar 21, 2006
Příspěvky: 36899
Bydliště: Bratislava

PříspěvekZaslal: čt červen 08 2023, 13:44    Předmět: Citovat

5V tam musi byt trvalo, bez toho nemoze fungovat detekcia pripojeneho USB zariadenia.
Návrat nahoru
Zobrazit informace o autorovi Odeslat soukromou zprávu
Duvsan



Založen: Feb 21, 2009
Příspěvky: 6120
Bydliště: Okres Nitra

PříspěvekZaslal: čt červen 08 2023, 16:34    Předmět: Citovat

Mám starú USB kartu, nenačítalo ju. Ale telefón mi nabíjalo a i ho skúmalo (ale nezahralo). Pripadá mi, že to nestačí prúdovo. Teraz je otázka, či je to vlastnosť a potrebuje nejaké úsporné karty alebo čo, alebo tedy to je závada.


Chcel som to ukončiť, ale nedalo mi to a pokračujem.

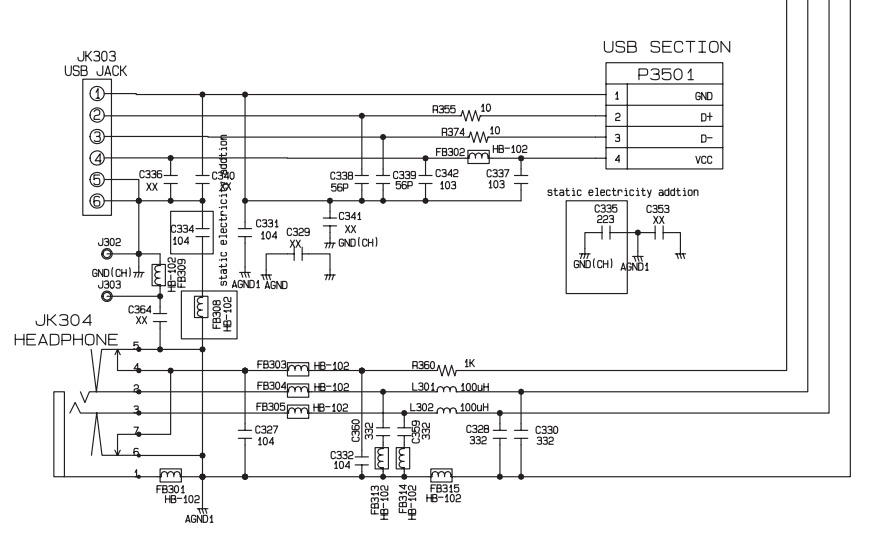
Závada nájdená, spálená FB302. A netuším, čo tam dať.
IC957 nemá ochranu v prípade skratu?



Webové snímanie_11-6-2023_133513_.jpeg
 Komentář:
 Velikost:  74.35 kB
 Zobrazeno:  93 krát

Webové snímanie_11-6-2023_133513_.jpeg


Návrat nahoru
Zobrazit informace o autorovi Odeslat soukromou zprávu
Duvsan



Založen: Feb 21, 2009
Příspěvky: 6120
Bydliště: Okres Nitra

PříspěvekZaslal: st červen 21 2023, 16:19    Předmět: Citovat

Ten zdroj znovu nefunguje. Resp. ho musím naštrachať ako predtým. Zmieňované tri kondenzátory sú vymenené. Má niekto nápad?

Piny 4 a 6 som prepojil odporom 39k. Napätie na optrone vzrástlo z 11,44V na 13,3V. Nevidím v tom problém. Hlavne to (zatiaľ) funguje.
Návrat nahoru
Zobrazit informace o autorovi Odeslat soukromou zprávu
Zobrazit příspěvky z předchozích:   
Přidat nové téma   Zaslat odpověď       Obsah fóra Diskuzní fórum Elektro Bastlírny -> Audiotechnika Časy uváděny v GMT + 1 hodina
Strana 1 z 1

 
Přejdi na:  
Nemůžete odesílat nové téma do tohoto fóra.
Nemůžete odpovídat na témata v tomto fóru.
Nemůžete upravovat své příspěvky v tomto fóru.
Nemůžete mazat své příspěvky v tomto fóru.
Nemůžete hlasovat v tomto fóru.
Nemůžete připojovat soubory k příspěvkům
Můžete stahovat a prohlížet přiložené soubory

Powered by phpBB © 2001, 2005 phpBB Group
Forums ©
Nuke - Elektro Bastlirna

Informace na portálu Elektro bastlírny jsou prezentovány za účelem vzdělání čtenářů a rozšíření zájmu o elektroniku. Autoři článků na serveru neberou žádnou zodpovědnost za škody vzniklé těmito zapojeními. Rovněž neberou žádnou odpovědnost za případnou újmu na zdraví vzniklou úrazem elektrickým proudem. Autoři a správci těchto stránek nepřejímají záruku za správnost zveřejněných materiálů. Předkládané informace a zapojení jsou zveřejněny bez ohledu na případné patenty třetích osob. Nároky na odškodnění na základě změn, chyb nebo vynechání jsou zásadně vyloučeny. Všechny registrované nebo jiné obchodní známky zde použité jsou majetkem jejich vlastníků. Uvedením nejsou zpochybněna z toho vyplývající vlastnická práva. Použití konstrukcí v rozporu se zákonem je přísně zakázáno. Vzhledem k tomu, že původ předkládaných materiálů nelze žádným způsobem dohledat, nelze je použít pro komerční účely! Tento nekomerční server nemá z uvedených zapojení či konstrukcí žádný zisk. Nezodpovídáme za pravost předkládaných materiálů třetími osobami a jejich původ. V případě, že zjistíte porušení autorského práva či jiné nesrovnalosti, kontaktujte administrátory na diskuzním fóru EB.


PHP-Nuke Copyright © 2005 by Francisco Burzi. This is free software, and you may redistribute it under the GPL. PHP-Nuke comes with absolutely no warranty, for details, see the license.
Čas potřebný ke zpracování stránky 0.16 sekund