Vítejte na Elektro Bastlírn?
Nuke - Elektro Bastlirna
  Vytvořit účet Hlavní · Fórum · DDump · Profil · Zprávy · Hledat na fóru · Příspěvky na provoz EB

Vlákno na téma KORONAVIRUS - nutná registrace


Nuke - Elektro Bastlirna: Diskuzní fórum

 FAQFAQ   HledatHledat   Uživatelské skupinyUživatelské skupiny   ProfilProfil   Soukromé zprávySoukromé zprávy   PřihlášeníPřihlášení 

USB logický analyzátor

 
Přidat nové téma   Zaslat odpověď       Obsah fóra Diskuzní fórum Elektro Bastlírny -> Poradna
Zobrazit předchozí téma :: Zobrazit následující téma  
Autor Zpráva
BigSandy



Založen: Jul 28, 2015
Příspěvky: 874

PříspěvekZaslal: pá květen 26 2023, 22:55    Předmět: USB logický analyzátor Citovat

Zdravím.
Manželka má renaulta a začalo ji blbnout čidlo vačkové hřídele.
Po výměně čidla furt stejný problém.
Když mám doma USB logický analyzátor, který je na 5V, půjde přes něco připojit k čidlu a zjistit zda s mého jdou impulsy?
https://www.hadex.cz/r209a-usb-logicky-analyzator-8-kanalovy-24mhz-sealae/
Návrat nahoru
Zobrazit informace o autorovi Odeslat soukromou zprávu
voitano



Založen: Dec 02, 2009
Příspěvky: 513

PříspěvekZaslal: pá květen 26 2023, 23:45    Předmět: Citovat

Ano, přes odpor(y)
Návrat nahoru
Zobrazit informace o autorovi Odeslat soukromou zprávu Odeslat e-mail
BigSandy



Založen: Jul 28, 2015
Příspěvky: 874

PříspěvekZaslal: so květen 27 2023, 5:34    Předmět: Citovat

Mužeš vice info?
Neni nějaky rychlý optočlen?
Děkují.
Návrat nahoru
Zobrazit informace o autorovi Odeslat soukromou zprávu
kulikus



Založen: Dec 10, 2009
Příspěvky: 3037

PříspěvekZaslal: so květen 27 2023, 9:56    Předmět: Citovat

I rychlé optočleny jsou buzeny proudově a mívají na vstupu obvykle napětí kolem 1,2 až 1,4V. Sériový odpor musíš spočítat. A ještě zapojit výstup optočlenu přes odpor na napájení. To je kupa práce a ryzika navíc, nejspíš si odpálíš analyzátor.
Změř výstup obyčejným voltmetrem, nejlépe ručkovým. Pokud za chodu naměříš 0 nebo 12V, je to špatně. Má tam být něco mezi, voltmert ukazuje pulzy jako nižší napětí.

_________________
pro mládež - Hamíkův koutek
Návrat nahoru
Zobrazit informace o autorovi Odeslat soukromou zprávu Zobrazit autorovy WWW stránky
Zaky



Založen: Oct 30, 2010
Příspěvky: 6945
Bydliště: Praha

PříspěvekZaslal: so květen 27 2023, 18:26    Předmět: Citovat

Chce to osciloskop.
_________________
Krátce před tím, než se to rozbilo, tak to ještě fungovalo...
Návrat nahoru
Zobrazit informace o autorovi Odeslat soukromou zprávu
BigSandy



Založen: Jul 28, 2015
Příspěvky: 874

PříspěvekZaslal: ne květen 28 2023, 6:02    Předmět: Citovat

No ja myslel, že když jde přes dělič napěti udělat přes arduino i 30V voltmetr, tak nebude problem přes ten USB logický analyzátor měřit vyžší napěti jak 5V

https://forum.arduino.cc/t/detecting-12v-dc/5158
citace:
Catching diodes only duplicate protection diodes on the chip - try using a potential divider using a 10k resistor and a 4.3V or 3.9V zener - this will protect against much higher voltages than 12 (say a 24V truck), work when the vehicle battery is low (starter motor), and the zener acts as a protection diode for reverse polarity too.


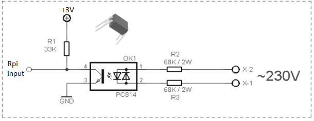
PC814 jsem už viděl připojenou na AC.



PC814.png
 Komentář:
 Velikost:  28.06 kB
 Zobrazeno:  54 krát

PC814.png


Návrat nahoru
Zobrazit informace o autorovi Odeslat soukromou zprávu
petrfilipi



Založen: Sep 13, 2005
Příspěvky: 2884

PříspěvekZaslal: ne květen 28 2023, 7:20    Předmět: Citovat

Potřebuješ napěťový dělič. Princip děliče je (zjednodušeně) takový, že mezi měřené napětí a kostru připojíš dva rezistory. Když budou mít stejnou hodnotu (např. 10k Ohmů), tak na každém z nich naměříš napětí poloviční velikosti než měřené napětí (proud, který přes tyto rezistory prochází, vyvolá na každém z nich napětí úměrně součinu právě tohoto proudu a odporu rezistorů). Když bude mít jeden rezistor poloviční hodnotu než ten druhý, naměříš na něm 1/3 měřeného napětí. Atd.
Najdi si na webu výpočet odporových děličů nebo se podívej sem.
Nevýhodou děliče je to, že zatíží měřený obvod. Těch pár mA, které do děliče potečou, by nemuselo čidlu vadit, ale kdo ví, jaký má výkon na výstupu.
Osciloskop by byl mnohem jednodušší řešení. Nemusíš nic počítat a obvod zatížíš minimálně.

PF
Návrat nahoru
Zobrazit informace o autorovi Odeslat soukromou zprávu Odeslat e-mail
Zaky



Založen: Oct 30, 2010
Příspěvky: 6945
Bydliště: Praha

PříspěvekZaslal: ne květen 28 2023, 17:15    Předmět: Citovat

Skoro bych šel troch jinou cestou. Za předpokladu, že vyměněné čidlo je funkční, se dá předpokládat, že problém je jinde. Proto je potřeba zkontrolovat kabeláž, tedy odpojit to, co je na druhé straně, což je nejspíš ECU, zkontrolovat vodiče, že jsou celistvé a nemají svod a pokud tomu tak bude, hledat jinde. Motory většinou běží i bez čidla vačky. Pokud se objevují závady čidla, může to taky být vytahanými rozvody, obzvlášť, pokud má motor řetěz. Nebo, pokud je použito, tak závadou ve variabilním časování. Jak se problém projevuje?
_________________
Krátce před tím, než se to rozbilo, tak to ještě fungovalo...
Návrat nahoru
Zobrazit informace o autorovi Odeslat soukromou zprávu
Sandal



Založen: May 22, 2006
Příspěvky: 2828
Bydliště: Posázaví (JN79LT)

PříspěvekZaslal: po květen 29 2023, 20:40    Předmět: Citovat

Vytahej dráty z husích krků, a prohlídni je. Ty dráty bejvaj hodně často od těch korugovanejch trubek prožraný. Na to už zdechlo milion francouzů.
_________________
Lepší jednou ukázat, než desetkrát vysvětlovat Smile
Návrat nahoru
Zobrazit informace o autorovi Odeslat soukromou zprávu
Zobrazit příspěvky z předchozích:   
Přidat nové téma   Zaslat odpověď       Obsah fóra Diskuzní fórum Elektro Bastlírny -> Poradna Časy uváděny v GMT + 1 hodina
Strana 1 z 1

 
Přejdi na:  
Nemůžete odesílat nové téma do tohoto fóra.
Nemůžete odpovídat na témata v tomto fóru.
Nemůžete upravovat své příspěvky v tomto fóru.
Nemůžete mazat své příspěvky v tomto fóru.
Nemůžete hlasovat v tomto fóru.
Nemůžete připojovat soubory k příspěvkům
Můžete stahovat a prohlížet přiložené soubory

Powered by phpBB © 2001, 2005 phpBB Group
Forums ©
Nuke - Elektro Bastlirna

Informace na portálu Elektro bastlírny jsou prezentovány za účelem vzdělání čtenářů a rozšíření zájmu o elektroniku. Autoři článků na serveru neberou žádnou zodpovědnost za škody vzniklé těmito zapojeními. Rovněž neberou žádnou odpovědnost za případnou újmu na zdraví vzniklou úrazem elektrickým proudem. Autoři a správci těchto stránek nepřejímají záruku za správnost zveřejněných materiálů. Předkládané informace a zapojení jsou zveřejněny bez ohledu na případné patenty třetích osob. Nároky na odškodnění na základě změn, chyb nebo vynechání jsou zásadně vyloučeny. Všechny registrované nebo jiné obchodní známky zde použité jsou majetkem jejich vlastníků. Uvedením nejsou zpochybněna z toho vyplývající vlastnická práva. Použití konstrukcí v rozporu se zákonem je přísně zakázáno. Vzhledem k tomu, že původ předkládaných materiálů nelze žádným způsobem dohledat, nelze je použít pro komerční účely! Tento nekomerční server nemá z uvedených zapojení či konstrukcí žádný zisk. Nezodpovídáme za pravost předkládaných materiálů třetími osobami a jejich původ. V případě, že zjistíte porušení autorského práva či jiné nesrovnalosti, kontaktujte administrátory na diskuzním fóru EB.


PHP-Nuke Copyright © 2005 by Francisco Burzi. This is free software, and you may redistribute it under the GPL. PHP-Nuke comes with absolutely no warranty, for details, see the license.
Čas potřebný ke zpracování stránky 0.35 sekund