Vítejte na Elektro Bastlírn?
Nuke - Elektro Bastlirna
  Vytvořit účet Hlavní · Fórum · DDump · Profil · Zprávy · Hledat na fóru · Příspěvky na provoz EB

Vlákno na téma KORONAVIRUS - nutná registrace


Nuke - Elektro Bastlirna: Diskuzní fórum

 FAQFAQ   HledatHledat   Uživatelské skupinyUživatelské skupiny   ProfilProfil   Soukromé zprávySoukromé zprávy   PřihlášeníPřihlášení 

Z nostalgie - KV prijímač AR 1977/9
Jdi na stránku 1, 2, 3  Další
 
Přidat nové téma   Zaslat odpověď       Obsah fóra Diskuzní fórum Elektro Bastlírny -> Bezdrátová technika a technologie, VF technika
Zobrazit předchozí téma :: Zobrazit následující téma  
Autor Zpráva
robos



Založen: Dec 28, 2017
Příspěvky: 618

PříspěvekZaslal: út duben 18 2023, 20:02    Předmět: Z nostalgie - KV prijímač AR 1977/9 Citovat

Ahojte,

rozhodol som sa postaviť tento prijímač. Bude to môj prvý amatérsky prijímač. Snažím sa prekonávať rôzne menšie a väčšie problémy (tie skutočne veľké ešte len prídu).

V rámci riešenia tých menších problémov mám teraz dve otázky.

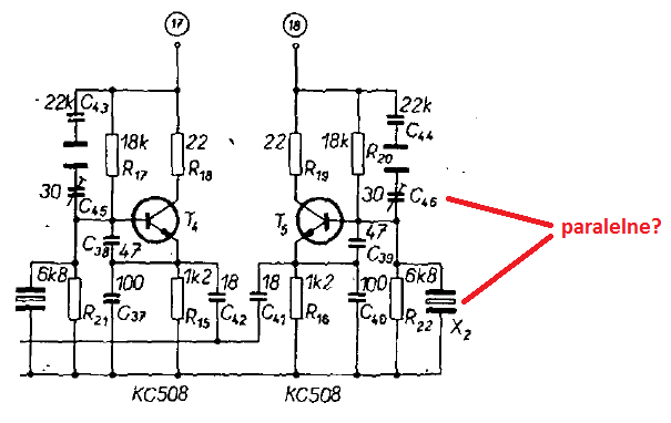
1. Zapojenie kryštálov v BFO. Už som to riešil v inom svojom príspevku. V Clappovom oscilátore sa používa sériový rezonančný obvod. Pri použití kryštálu sa dáva do série s kryštálom sériový dolaďovací kondenzátor. Pripadá mi to logické a mám to overené aj z iných schém. V tomto prijímači je ale dolaďovací kondenzátor paralelne. Je to tak správne?

Viem, že existuje sériová rezonania a rezonancia na paralelnú kapacitu a podľa toho sa kupujú kryštály. Z HK mi ponúkli nasledovné:

Krystal 8998.4 kHz Cp=30 pF
Krystal 9001.6 kHz Cp=30 pF

Bude dané zapojenie s týmito kryštálmi (t.j. s paralelným trimrom) ladiť tie USB/LSB frekvencie? Alebo mám očakávať zmenu na DPS - trimre do série s kryštálmi. Alebo s týmito kryštálmi vôbec nenastavím USB/LSB frekvencie v Clappovom oscilátore, a budem musieť zohnať XTAL-y so sériovou rezonanciou??

2. Druhý problém je s MF filtrom. Filtre z HK sú moc drahé do takejto konštrukie, takže som sa rozhodol skúsiť šťastie, teda použiť zásoby. Mám tu originál TESLA PKF 9MHz 2,4/8Q. Na krabičke má červenou bodkou označený výstup (je to uvedené v katalógu). Ale na fotke toho originálneho prijímača je zaletovaný naopak, t.j. do červenej bodky je privedený výstup zmiešavača. Viď obálka AR 1977/9. Záleží na správnom pripojení vstupu/výstupu, alebo je ten filter plne reciproký? Zatiaľ som ho nezaletoval, je len vloženy do dosky na tej fotke.

Vďaka za pripomienky.



RX_KV_77_9.jpg
 Komentář:
 Velikost:  176.85 kB
 Zobrazeno:  302 krát

RX_KV_77_9.jpg



BFO.png
 Komentář:
 Velikost:  20.5 kB
 Zobrazeno:  158 krát

BFO.png


Návrat nahoru
Zobrazit informace o autorovi Odeslat soukromou zprávu
ok1hga



Založen: Nov 28, 2006
Příspěvky: 12581
Bydliště: Česká Třebová

PříspěvekZaslal: út duben 18 2023, 21:58    Předmět: Citovat

řešíš kraviny dopředu . . .
1. nevíš jak přesně se v Hradci trefili s frekvencí . . . dej je tam a změř to,
pak teprve budeš vědět jestli to půjde, nebo budeš muset bastlit.

2. další neznámá . . . krystalový filtr po létech může sám trochu odcestovat . . .
teď to neřeš !
dej to do desky a při oživování pořádně měřit (spektrák s generátorem nutnost)
ten filtr by měl být z obou stran stejný, ale jen bůh ví v jakém je stavu a platí to co jsem napsal výše !
. . . sestavit a měřit !

slova klasika:
nač stahovat kalhoty, když brod je ještě daleko ?!?
Návrat nahoru
Zobrazit informace o autorovi Odeslat soukromou zprávu
robos



Založen: Dec 28, 2017
Příspěvky: 618

PříspěvekZaslal: st duben 19 2023, 15:39    Předmět: Citovat

-> ok1hga: riešim na doske rôzne menšie problémy, ktorými tu nebudem nikoho zdržiavať. Ale zrovna tie dve veci, na ktoré som sa pýtal, mi prídu dôležité. Keď už pre nič iné, tak aspoň aby som pochopil, ako to má fungovať.

Neostáva, než nechať to na experiment. Nemám doma žiadne potrebné vybavenie, ani spektro ani oscilo. Oživím to na kolene a úspech posúdim posluchom. Ako naši starí, resp. prastarí otcovia, keď bolo rádio v kolíske...

Osciloskop mám v práci, takže nejaké veľmi obmedzené meranie môžem urobiť občas tam. Z Hadexu si objednávam stavebnicu čínskeho čítača - a dúfam, že bude dostatočne presný, aby mi ukázal aspoň na stovky Hz, či je BFO nad alebo pod 9 MHz. MF budem testovat pomocou VFO vlastného prijímača - naladím ho na 9 MHz a privediem na vstup MF. Na výstupe MF detekčnú sondu, voltmeter a kmitočet merať tým čítačom. Bod po bode zmeriam frekvenčnú charakteristiku MF. Potom pomocou čítača nastavím rozsahy VFO, osadím cievky vstupných obvodov, občas niečo skontrolujem na tom osciloskope a to je tak zhruba plán. bez potrebného vercajchu to bude na dlho. Na prístrojoch by to bolo za jednu nedeľu...
Návrat nahoru
Zobrazit informace o autorovi Odeslat soukromou zprávu
ZdenekHQ
Administrátor


Založen: Jul 21, 2006
Příspěvky: 25741
Bydliště: skoro Brno

PříspěvekZaslal: st duben 19 2023, 16:14    Předmět: Citovat

A kolik těch vláken kvůli jednomu oscilátoru ještě vznikne?
_________________
Pro moje oslovení klidně použijte jméno Zdeněk
Správně navržené zapojení je jako recept na dobré jídlo.
Můžete vynechat půlku ingrediencí, nebo přidat jiné,
ale jste si jistí, že vám to bude chutnat[?
]
Návrat nahoru
Zobrazit informace o autorovi Odeslat soukromou zprávu Zobrazit autorovy WWW stránky
robos



Založen: Dec 28, 2017
Příspěvky: 618

PříspěvekZaslal: st duben 19 2023, 20:37    Předmět: Citovat

ZdenekHQ napsal(a):
A kolik těch vláken kvůli jednomu oscilátoru ještě vznikne?


Toto vlákno je o celom tom RX. Mal som to dať všetko do jedného vlákna. Vtedy ma nenapadlo to tak urobiť.
Návrat nahoru
Zobrazit informace o autorovi Odeslat soukromou zprávu
Crifodo



Založen: Oct 11, 2005
Příspěvky: 15004

PříspěvekZaslal: čt duben 20 2023, 7:46    Předmět: Citovat

Přijímač jsem nestavěl (skoro bych řekl naštěstí), takže svoje zkušenosti nemám, ty jsou třeba zde http://www.ebastlirna.cz/modules.php?name=Forums&file=viewtopic&p=473674
Jen podle schématu bych si tipnul, že anténní vazba jediným společným provlečeným drátem skrz toroid pro pásma 1,7 až 28 MHz bude nutně kompromisní. Slabé místo asi bude známý MAA661 s jeho proměnlivou kvalitou a hlavně množství těch polystyrenových kapacitních trimrů, jejich spolehlivost je "pověstná". Trimry obecně do VFO je diskutabilní nápad, dolaďování varikapem taky. Uváděl někdo někdy vůbec parametry toho přijímače?
Návrat nahoru
Zobrazit informace o autorovi Odeslat soukromou zprávu Odeslat e-mail
barnodaj



Založen: Apr 16, 2011
Příspěvky: 968
Bydliště: Vodňansko

PříspěvekZaslal: čt duben 20 2023, 9:44    Předmět: Citovat

Pokud jsi objednával tento čítač z Hadexu:
https://www.hadex.cz/w665-citac-1hz-50mhztester-krystalu-stavebnice/
tak ten nemá vstupní zesilovač, čili vstupní úrovně jsou TTL nebo mírně vyšší.
Návrat nahoru
Zobrazit informace o autorovi Odeslat soukromou zprávu
ok1hga



Založen: Nov 28, 2006
Příspěvky: 12581
Bydliště: Česká Třebová

PříspěvekZaslal: čt duben 20 2023, 10:50    Předmět: Citovat

nechci být za nějakého kverulanta . . .
ale mám kamaráda, co tento přijímač tehdy stavěl a moc se mu to nedařilo . . .
. . . z mnoha různých důvodů, které nemá smysl dál rozebírat.
a nakonec si pořídil z druhé ruky přijímač ODRA a myslím, že ho provozuje do dnešních dnů.
je tam i odkaz na dokumentaci v pdf
tento přijímač je na o dost lepší součástkové základně, kde se vyhneš právě problémům s MAA661 a MA0403 . . . oba obvody byly už ve své době docela problematické a zmíněný NF zesilovač MA0403 se snad ani v žádném komerčním zařízení pro své vlastnosti nikdy neobjevil.



RX-ODRA.jpg
 Komentář:
 Velikost:  146.52 kB
 Zobrazeno:  150 krát

RX-ODRA.jpg




Naposledy upravil ok1hga dne so červen 21 2025, 20:04, celkově upraveno 1 krát.
Návrat nahoru
Zobrazit informace o autorovi Odeslat soukromou zprávu
robos



Založen: Dec 28, 2017
Příspěvky: 618

PříspěvekZaslal: čt duben 20 2023, 21:18    Předmět: Citovat

->Crifodo" Dobré postrehy. Nad tým všetkým som tiež dumal ešte pre začatím práce. Ešte by som pridal z môjho pohľadu bizarné hodnoty LC v oscilátore, kde sa používa na celý rozsah BFO indukčnosť 0,5 uH v kombinácii s kapacitou do 500 pF. Taktiež som osadil odpory TR212, pretože mi ide z nejakého vnútorného dôvodu aj o dobovú vernosť, a neviem, či som nemal osadiť radšej kovové. MAA661 mám niekoľko kusov, pre istoru z rôznych zdrojov. Dôvody výberu tohoto RXu sú rôzne, je to na pomedzí nedosýtenosti, nostalgie a toho, že autor sľubuje ľahké oživenie a parametre, ktoré spĺňajú "súčasné požiadavky".

Skrátka som sa rozhodol pre túto konštrukciu a nečakám nič svetoborného. Budem rád, keď zachytím nejaké stanice, ktoré budú ďalej, než kde končia naše humná. To bude úspech. Aj tak nemám poriadnu anténu. Keď bude čas, príležitosť, dôvod a možnosť, skúsim aj niečo iné, lepšie. Húževnatosti, generovanej zatemnením mysle mám dosť (len keby boli aj tie možnosti...) Jednak treba začať od píky a jednak treba nakŕmiť tú hladnú nostalgiu, nech už dá pokoj a nech už môžem žiť ako normálny človek Wink

K tým poystyrénovým vietnamským trimrom - počítal som s "kvalitou" a preto som urobil footprint univerzálny, aby sa dali osadiť aj štandardné keramické trimre. Doska plošných spojov tým trochu utrpela na kráse, ale trimre môžem vymeniť.


Naposledy upravil robos dne čt duben 20 2023, 21:46, celkově upraveno 2 krát.
Návrat nahoru
Zobrazit informace o autorovi Odeslat soukromou zprávu
robos



Založen: Dec 28, 2017
Příspěvky: 618

PříspěvekZaslal: čt duben 20 2023, 21:40    Předmět: Citovat

barnodaj napsal(a):
Pokud jsi objednával tento čítač z Hadexu:
https://www.hadex.cz/w665-citac-1hz-50mhztester-krystalu-stavebnice/

Áno, to je ten čítač. V mojej situácii sa mi to javí ako výhodný nákup. S dorábkou vstupného zos./tvarovača počítam. Viac ma zaujíma presnosť a stabilita. Špecifikácia k tomu samozrejme žiadna, ale je to riadené štandardným kryštálom, tak snáď to nebude katastrofa. Podľa videa na YB je údaj celkom stabilný aj na poslednom mieste. Možno budem mať príležitosť to skalibrovať.

ok1hga napsal(a):
nechci být za nějakého kverulanta . . .

To je v pohode, ja chápem tvoj mentoring. Snažíš sa ma dokopať to toho, aby som nerobil zbytočné nezmysly. A múdry muž nerobí nezmysly Smile
Dúfam, že to s tými MAA661 nejako rozchodím. Ten ODRA je samozrejme iná káva, na tú dobu asi skoro na hranici čs. možností. Na to teraz nemám možnosti, ani meracie prístroje. Moje prístrojové vybavenie momentálne tvorí mixér, kalkulačka a písací stroj.
Návrat nahoru
Zobrazit informace o autorovi Odeslat soukromou zprávu
Celeron



Založen: Apr 02, 2011
Příspěvky: 20103
Bydliště: Nový Bydžov

PříspěvekZaslal: pá duben 21 2023, 0:45    Předmět: Citovat

robos napsal(a):
barnodaj napsal(a):
Pokud jsi objednával tento čítač z Hadexu:
https://www.hadex.cz/w665-citac-1hz-50mhztester-krystalu-stavebnice/

Áno, to je ten čítač. V mojej situácii sa mi to javí ako výhodný nákup.

Já bych ho za výhodný nákup nepovažoval. Ty velký proudy do Led displeje je příšerná rušička. Jestli ho chceš použít na stupnici tak vřele nedoporučuju. Dával jsem ho dohromady jednomu mladýmu, mikrospoj na plošáku.
Koukni na genezi Zajícočítačů. Proč asi přešel z Ledkových na LCD?

_________________
Jirka

Proč mi nemůže všechno chodit hned ?!!
Návrat nahoru
Zobrazit informace o autorovi Odeslat soukromou zprávu
rnbw



Založen: Mar 21, 2006
Příspěvky: 36833
Bydliště: Bratislava

PříspěvekZaslal: pá duben 21 2023, 7:50    Předmět: Citovat

Kupil som to na eBay z Ciny aj s plexi krabickou. Na testovanie krystalov dobre. Zapojenie aj program pochadzaju z nejakeho open source projektu, akurat je k tomu doplneny oscilator.
Návrat nahoru
Zobrazit informace o autorovi Odeslat soukromou zprávu
Crifodo



Založen: Oct 11, 2005
Příspěvky: 15004

PříspěvekZaslal: pá duben 21 2023, 8:13    Předmět: Citovat

robos napsal(a):

K tým poystyrénovým vietnamským trimrom - počítal som s "kvalitou"

Aha. To jsem ani nevěděl, já myslel poznatky o tradičních lanškrounských.
K zapojení by toho bylo víc ale jak říkám, osobní zkušenost nemám tak by to bylo dost plané tlachání.
K oscilátorové cívce: asi to autorovi nějak vyšlo s průběhem Q na nejnižších rozsazích, takže s přeladěním moc nekolísá výstupní napětí, no a na těch vyšších je relativní přeladění už tak malé, že se to dá skoro považovat za jeden kmitočet. Ujíždění o 600 Hz by dneska asi bylo diskvalifikační, hlavně jak autor zmiňuje přestavbu na transceiver. No jak říkáš, tvůrčímu přetlaku se upustí trochu pára a až bude hotovo, budeš vědět víc.
Návrat nahoru
Zobrazit informace o autorovi Odeslat soukromou zprávu Odeslat e-mail
robos



Založen: Dec 28, 2017
Příspěvky: 618

PříspěvekZaslal: ne červen 29 2025, 17:22    Předmět: Citovat

Takže VFO sa podarilo naladiť na všetkých rozsahoch. Jadro je zatiaľ ferivové, ale asi sa nájde aj ferokartové riešenie. Hodnota C82 sa musela zmeniť na 100 pF, aby VFO kmital až dolu pod 10,5 MHz.

Potom už "len" nájsť správne hodnoty paralelných kondenzátorov na každom rozsahu a postupne oditerovať dolaďovaním kondenzátorov + niekedy viacnásobná vymena Cp, až na požadované rozsahy. Bola to babračka a dosť na dlho. To je daň za to, že na všetkých rozsahoch je jedna cievka a rozličné rozladenie.

Bol to dosť veľký problém naladiť kmitočny presne s plastovými trimrami. Jednak nie sú mechaniky pevné a pohyb bežcom nie je plynulý. A jednak som tam dal trimre s hodnotemi 50-60 pF. To bola chyba. Trafiť 23,000 MHz je naozaj nemožné. Chce to keramické stabilné trimre a menšie hodnoty.

Na čo vlastne sa vyrábali tie plastové trimre s hodnotou 60 pF? Vzhľadom na ich mechanickú kvalitu, hodili by sa to bežných komerčných rádií. Ale čo tá veľká hodnota 60 pF? Kde je niečo také potrebné?
http://www.hezkyden.cz/shop/kapacitni-trimr-60pf-tesla/?add-to-cart=11022



VFO.png
 Komentář:
 Velikost:  44.84 kB
 Zobrazeno:  36 krát

VFO.png


Návrat nahoru
Zobrazit informace o autorovi Odeslat soukromou zprávu
robos



Založen: Dec 28, 2017
Příspěvky: 618

PříspěvekZaslal: ne červen 29 2025, 19:45    Předmět: Citovat

Premeral som charakteristiku VF zosilňovača a vypadá dosť príšerne. Čo iného sa dá čakávať, keď v záťaži je indukčnosť 100 uH s vlastnou kapacitou a má to zosilňovať až do 30 MHz... Zvýšením regulačného napätia na G2 možno zdvihnem zosilnenie na hodnotu 2 na 30 MHz. Ale skôr o tom pochybujem. Na 3 MHz cievka rezonuje a stupeň má obrovské zosilnenie. Na 25 MHz skoro bez prenosu. Je možné, že vzhľadom na jednoduchosť konštrukcie to bol zámer - v každom pásme si človek nastaví alebo stiahne zosilnenie podľa potreby. Na 80m stiahne veľmi, na 10m vytiahne naplno. Je treba to nejako vyrovnať. Ďaľšia prekážka pri oživovaní tohoto prijímača...

Tlmivku T1 som dal približne rovnakú. Je síce vzduchová, ale myslím, že cievka nasadená na odpore (oirg v texte) bude mať rovnaké vlastnosti.

Zosilnenie v grafe je v absolútnych číslach. Na x-osi je frekvencia v MHz.



schema_VFZ.png
 Komentář:
 Velikost:  41.46 kB
 Zobrazeno:  37 krát

schema_VFZ.png



Tl1_VFZ.jpg
 Komentář:
 Velikost:  133.73 kB
 Zobrazeno:  45 krát

Tl1_VFZ.jpg



char_VF_zos.png
 Komentář:
 Velikost:  4.68 kB
 Zobrazeno:  33 krát

char_VF_zos.png


Návrat nahoru
Zobrazit informace o autorovi Odeslat soukromou zprávu
Zobrazit příspěvky z předchozích:   
Přidat nové téma   Zaslat odpověď       Obsah fóra Diskuzní fórum Elektro Bastlírny -> Bezdrátová technika a technologie, VF technika Časy uváděny v GMT + 1 hodina
Jdi na stránku 1, 2, 3  Další
Strana 1 z 3

 
Přejdi na:  
Nemůžete odesílat nové téma do tohoto fóra.
Nemůžete odpovídat na témata v tomto fóru.
Nemůžete upravovat své příspěvky v tomto fóru.
Nemůžete mazat své příspěvky v tomto fóru.
Nemůžete hlasovat v tomto fóru.
Nemůžete připojovat soubory k příspěvkům
Můžete stahovat a prohlížet přiložené soubory

Powered by phpBB © 2001, 2005 phpBB Group
Forums ©
Nuke - Elektro Bastlirna

Informace na portálu Elektro bastlírny jsou prezentovány za účelem vzdělání čtenářů a rozšíření zájmu o elektroniku. Autoři článků na serveru neberou žádnou zodpovědnost za škody vzniklé těmito zapojeními. Rovněž neberou žádnou odpovědnost za případnou újmu na zdraví vzniklou úrazem elektrickým proudem. Autoři a správci těchto stránek nepřejímají záruku za správnost zveřejněných materiálů. Předkládané informace a zapojení jsou zveřejněny bez ohledu na případné patenty třetích osob. Nároky na odškodnění na základě změn, chyb nebo vynechání jsou zásadně vyloučeny. Všechny registrované nebo jiné obchodní známky zde použité jsou majetkem jejich vlastníků. Uvedením nejsou zpochybněna z toho vyplývající vlastnická práva. Použití konstrukcí v rozporu se zákonem je přísně zakázáno. Vzhledem k tomu, že původ předkládaných materiálů nelze žádným způsobem dohledat, nelze je použít pro komerční účely! Tento nekomerční server nemá z uvedených zapojení či konstrukcí žádný zisk. Nezodpovídáme za pravost předkládaných materiálů třetími osobami a jejich původ. V případě, že zjistíte porušení autorského práva či jiné nesrovnalosti, kontaktujte administrátory na diskuzním fóru EB.


PHP-Nuke Copyright © 2005 by Francisco Burzi. This is free software, and you may redistribute it under the GPL. PHP-Nuke comes with absolutely no warranty, for details, see the license.
Čas potřebný ke zpracování stránky 0.31 sekund