Vítejte na Elektro Bastlírn?
Nuke - Elektro Bastlirna
  Vytvořit účet Hlavní · Fórum · DDump · Profil · Zprávy · Hledat na fóru · Příspěvky na provoz EB

Vlákno na téma KORONAVIRUS - nutná registrace


Nuke - Elektro Bastlirna: Diskuzní fórum

 FAQFAQ   HledatHledat   Uživatelské skupinyUživatelské skupiny   ProfilProfil   Soukromé zprávySoukromé zprávy   PřihlášeníPřihlášení 

Invertor na sváření - schema
Jdi na stránku Předchozí  1, 2
 
Přidat nové téma   Zaslat odpověď       Obsah fóra Diskuzní fórum Elektro Bastlírny -> Svářečky, UPS, nabíječe, měniče, zdroje, trafa a další
Zobrazit předchozí téma :: Zobrazit následující téma  
Autor Zpráva
kulikus



Založen: Dec 10, 2009
Příspěvky: 3085

PříspěvekZaslal: ne červen 03 2018, 12:49    Předmět: Citovat

čekal bych, že je-li primár buzen 35% periody při středním výstupním proudu 80A, musí diodami kolem D3 téci max. proud větší než 80A.

Jinak to vypadá to na 18/2/5 závitů. Primár má indukčnost 14,2mH. Ještě tu frekvenci změřím.

_________________
pro mládež - Hamíkův koutek
Návrat nahoru
Zobrazit informace o autorovi Odeslat soukromou zprávu Zobrazit autorovy WWW stránky
elektrosvit



Založen: Jun 27, 2016
Příspěvky: 2515

PříspěvekZaslal: ne červen 03 2018, 12:54    Předmět: Citovat

Když do zátěže teče konstantní proud 80 A, tak diodami tečou proudové pulsy s výškou 80 A. Střední proud usměrňovacích diod má velikost 28 A, nulových 52 A. Efektivní hodnoty jsou 47,3 A a 64,5 A.
Návrat nahoru
Zobrazit informace o autorovi Odeslat soukromou zprávu
kulikus



Založen: Dec 10, 2009
Příspěvky: 3085

PříspěvekZaslal: ne červen 03 2018, 13:34    Předmět: Citovat

OK.
C1,2 maji po 470uF/400V zatím je nebudu zvětšovat.
Co je kritériem pro volbu indukčnosti tlumivky? Ta stávající má 640uH. Při periodě spínání 56kHz je ve fázi napájení ze sekundáru max. 1/2 periody tj. 0.5/56kHz = 9us. Při napětí 68V vzroste proud za tento čas o 68V.9us/640uH = 0.94A podle dt.U/L = -dI
I větší zvlnění asi nebude vadit. Chci použít původní toroid, takže abych tlumivku nepřesitil při 100A, snížím počet závitů z 11 na 80A/100A*11 = 9 závitů. To dá indukčnost 428uH a zvlnění proudu 1,43A.
Je to akceptovatelné?

_________________
pro mládež - Hamíkův koutek


Naposledy upravil kulikus dne ne červen 03 2018, 16:59, celkově upraveno 2 krát.
Návrat nahoru
Zobrazit informace o autorovi Odeslat soukromou zprávu Zobrazit autorovy WWW stránky
elektrosvit



Založen: Jun 27, 2016
Příspěvky: 2515

PříspěvekZaslal: ne červen 03 2018, 16:27    Předmět: Citovat

Nejprve změř osciloskopem, při jaké střídě měnič dává těch 80 A. Třeba z budicího signálu pro výkonový tranzistor Q2 jako podíl délky budicího impulsu ku celkové periodě budicího signálu. Výstupní proud pak můžeš "nahnat" zvětšením střídy až do limitní hodnoty 50 %. Dokud tato hodnota nebude překročena, trafo se nepřesytí. Protože doba magnetizace a demagnetizace je stejně dlouhá a při střídě 50 % je součet obou dob stejně dlouhý jako pracovní perioda. Při střídě větší než 50 % už by se trafo nestíhalo demagnetovat a přesytilo by se. Nějaký omezovač použít můžeš, já používal i šoupací odpor.
Návrat nahoru
Zobrazit informace o autorovi Odeslat soukromou zprávu
kulikus



Založen: Dec 10, 2009
Příspěvky: 3085

PříspěvekZaslal: ne červen 03 2018, 17:16    Předmět: Citovat

UC2844B má střídu 0-50%. Přivinul jsem pár závitů zvonkáče a mrkl na to osciloskopem. Mám jen analog a klema ze svářecího drátu nezi kleštěma žhnula do ruda, tak jsem neměl čas na přesné měření. Střída začíná někde na 15% při 10A a při 80A to bylo hodně blízko 50%. Frekvence 56kHz.
Při stávajícím primáru 18z 14,2 mH bude potřeba pro 100A na výstupu prodloužit dobu alespoň na 10/8 původní (teď možná plácám). 56kHz*8/10 = 44,5kHz tj. zvětšit konstantu R14.C7 u U1. Tím se ale zvětší syceni trafa.

Co kdybych v poměru odvinul část všech vinutí trafa a zvětšil přípustný max. Isens U1, jsem ve stejné situaci?

_________________
pro mládež - Hamíkův koutek
Návrat nahoru
Zobrazit informace o autorovi Odeslat soukromou zprávu Zobrazit autorovy WWW stránky
elektrosvit



Založen: Jun 27, 2016
Příspěvky: 2515

PříspěvekZaslal: po červen 04 2018, 0:53    Předmět: Citovat

Nic neodvíjej: V meziobvodu máš napětí U (zhruba 300 V), spínací kmitočet f, toroidní jádro s maximální indukcí Bmax (zhruba 0,3 až 0,35 T) a průřezem S, na primáru je N1 závitů. Mezi těmito veličinami platí vztah: U = 2*f*N1*ΔB*S, kde ΔB je zdvih indukce z remanentní hodnoty Br na maximální hodnotu Bmax. Snížením počtu závitů by se naopak indukce v jádře zvedla. To samé platí při snížení spínací frekvence.

Při daném výstupním napětí a rostoucím proudu roste přenášený výkon a s ním i tzv. elektromagnetická velikost transformátoru: Při určité proudové hustotě roste s proudem i průřez vodičů a tím pádem musí růst i plocha okna, aby se do jádra ty vodiče vešly. V návodu uvádějí, že naprázdno je na výstupu 68 V, při 10 A 20,4 V a při 80 A 23,2 V. Pro dosažení 100 A bude potřeba na výstupu ještě o zhruba 1 až 2 V víc, takže bude naopak nutné přidat nějaký ten závit na sekundár.

Jestli chceš, stáhni si tuto knihu. V ní je popsán jak návrh tlumivky (od str. 272), tak i měniče (od str. 416).

Dále jsem ještě zapomněl na silový usměrňovací můstek a DPS- obojí bude rovněž více zatíženo. A samozřejmě chlazení. Při větším proudu se zvětší ztrátový výkon ve spínacích prvcích, který bude potřeba odvést. Otázkou je, jak velkou rezervu mají stávající chladiče. Troufnu si tvrdit, že moc velkou ne, aby svářečka byla pokud možno co nejlevnější. Když uvážím všechny úpravy, postavíš ji ve výsledku skoro celou znovu.
Návrat nahoru
Zobrazit informace o autorovi Odeslat soukromou zprávu
kulikus



Založen: Dec 10, 2009
Příspěvky: 3085

PříspěvekZaslal: pá červen 08 2018, 5:55    Předmět: Citovat

Díky za tip. O těch skriptech ujsem už slyšel. Projdu je a přepočítám tlumivku.
A hlavně zkusím změřit, jakou snese její jádro magnetickou indukci tj. proud se stávajícím vinutím.
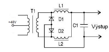
Mám aktivní usměrňovač navržený jako dvojdiodu se společnnou anodou . Je to vhodné pro zdvojovač proudu (viz obrázek). Znamená to sehnat dva stejné toridy na dvě tlumivky, zato budu moci použít poloviční průřez drátu u každé.
Materiál toroidu tlumivky zvolím asi N97 železoprach. Je něco vhodnějčího? U jakého dodavatele to zkusit? Semic, Farnell? Nebo počkat na burzu v Holicích?

Vnitřek invertoru je provedený profesionálně. Vodič vinutí je ovinut kaptonovou páskou. Vodič v té kaptonové pásce sice vypadá jako složený z mnoha měděnných drátků, ale je neadekvátně tvrdý. Klíčí ve mně podezření, že to bude něco s hliníkem. Uvidím.



2L-rectif.jpg
 Komentář:
 Velikost:  14.42 kB
 Zobrazeno:  166 krát

2L-rectif.jpg



_________________
pro mládež - Hamíkův koutek
Návrat nahoru
Zobrazit informace o autorovi Odeslat soukromou zprávu Zobrazit autorovy WWW stránky
elektrosvit



Založen: Jun 27, 2016
Příspěvky: 2515

PříspěvekZaslal: pá červen 08 2018, 11:03    Předmět: Citovat

Proudový zdvojovač je pěkná věc, ale v této aplikaci nepoužitelná. Protože se jedná o usměrňovač pro dvojčinné měniče, kdežto ve svářečce je měnič jednočinný. A u něj nelze využít záporný primární napěťový puls k přenosu energie na sekundár kvůli demagnetizaci jádra.

Jádro tlumivky bude ze železoprachu, protože tlumivka musí mít vzduchovou mezeru. Železoprachové jádro už ji má v sobě "zakomponovanou". Indukci můžeš spočítat: spočítáš závity, změříš průřez jádra a měřákem indukčnost. A pak pro 80 A indukci v jádře podle rovnice, kterou už jsem ti někde výše napsal.

Kolega kupuje jádra ze Semicu i z Farnellu podle toho, jaká kde zrovna mají k dispozici. V Holicích jsem nikdy nebyl, takže nemohu posoudit, jaký materiál se dá koupit tam. Nikde jsem nepsal, že by invertor nemohl být vyroben profesionálně, ale z ekonomických důvodů bude uvnitř vše napočítáno na 80 A, ne na 100. Vinutí trafa určitě bude mít vodiče složené z mnoha drátků kvůli skinefektu.

Přečti si napřed část o měničích ve zmiňované knížce, je tam vše potřebné. Pak teprve začni dělat nějaké úpravy.
Návrat nahoru
Zobrazit informace o autorovi Odeslat soukromou zprávu
Atlan



Založen: May 10, 2004
Příspěvky: 4514
Bydliště: Košice

PříspěvekZaslal: pá červen 08 2018, 17:51    Předmět: Citovat

Mas nejaky speci dovod vrtat do tej zvaracky. Dufam ze si ju dostal darom,lebo nikto s rozumom si zvaraxku s 80A nekúpi, hlavne po vynasobeni cinskym koeficientom vykonu.

Obavam sa ze tam vykonova rezerva nebude... A bud pojdu po lo vodice alebo trafo.
Návrat nahoru
Zobrazit informace o autorovi Odeslat soukromou zprávu
elektrosvit



Založen: Jun 27, 2016
Příspěvky: 2515

PříspěvekZaslal: so červen 09 2018, 12:20    Předmět: Citovat

Podle označení je to svářečka Parkside z Lidlu za pár tisíc. I kdyby se mu úprava nezdařila, zásadní škoda nevznikne. Tak ať si bastlí...
Návrat nahoru
Zobrazit informace o autorovi Odeslat soukromou zprávu
samponek



Založen: May 11, 2015
Příspěvky: 3907

PříspěvekZaslal: pá duben 14 2023, 18:36    Předmět: Citovat

N97 není železoprach, na tlumivku použij materiál 52 nebo 26.
Návrat nahoru
Zobrazit informace o autorovi Odeslat soukromou zprávu
Zobrazit příspěvky z předchozích:   
Přidat nové téma   Zaslat odpověď       Obsah fóra Diskuzní fórum Elektro Bastlírny -> Svářečky, UPS, nabíječe, měniče, zdroje, trafa a další Časy uváděny v GMT + 1 hodina
Jdi na stránku Předchozí  1, 2
Strana 2 z 2

 
Přejdi na:  
Nemůžete odesílat nové téma do tohoto fóra.
Nemůžete odpovídat na témata v tomto fóru.
Nemůžete upravovat své příspěvky v tomto fóru.
Nemůžete mazat své příspěvky v tomto fóru.
Nemůžete hlasovat v tomto fóru.
Nemůžete připojovat soubory k příspěvkům
Můžete stahovat a prohlížet přiložené soubory

Powered by phpBB © 2001, 2005 phpBB Group
Forums ©
Nuke - Elektro Bastlirna

Informace na portálu Elektro bastlírny jsou prezentovány za účelem vzdělání čtenářů a rozšíření zájmu o elektroniku. Autoři článků na serveru neberou žádnou zodpovědnost za škody vzniklé těmito zapojeními. Rovněž neberou žádnou odpovědnost za případnou újmu na zdraví vzniklou úrazem elektrickým proudem. Autoři a správci těchto stránek nepřejímají záruku za správnost zveřejněných materiálů. Předkládané informace a zapojení jsou zveřejněny bez ohledu na případné patenty třetích osob. Nároky na odškodnění na základě změn, chyb nebo vynechání jsou zásadně vyloučeny. Všechny registrované nebo jiné obchodní známky zde použité jsou majetkem jejich vlastníků. Uvedením nejsou zpochybněna z toho vyplývající vlastnická práva. Použití konstrukcí v rozporu se zákonem je přísně zakázáno. Vzhledem k tomu, že původ předkládaných materiálů nelze žádným způsobem dohledat, nelze je použít pro komerční účely! Tento nekomerční server nemá z uvedených zapojení či konstrukcí žádný zisk. Nezodpovídáme za pravost předkládaných materiálů třetími osobami a jejich původ. V případě, že zjistíte porušení autorského práva či jiné nesrovnalosti, kontaktujte administrátory na diskuzním fóru EB.


PHP-Nuke Copyright © 2005 by Francisco Burzi. This is free software, and you may redistribute it under the GPL. PHP-Nuke comes with absolutely no warranty, for details, see the license.
Čas potřebný ke zpracování stránky 0.48 sekund