Vítejte na Elektro Bastlírn?
Nuke - Elektro Bastlirna
  Vytvořit účet Hlavní · Fórum · DDump · Profil · Zprávy · Hledat na fóru · Příspěvky na provoz EB

Vlákno na téma KORONAVIRUS - nutná registrace


Nuke - Elektro Bastlirna: Diskuzní fórum

 FAQFAQ   HledatHledat   Uživatelské skupinyUživatelské skupiny   ProfilProfil   Soukromé zprávySoukromé zprávy   PřihlášeníPřihlášení 

Miniaturní fyziologie s laciným potenciometrem
Jdi na stránku 1, 2  Další
 
Přidat nové téma   Zaslat odpověď       Obsah fóra Diskuzní fórum Elektro Bastlírny -> Audiotechnika
Zobrazit předchozí téma :: Zobrazit následující téma  
Autor Zpráva
ransom



Založen: Jul 19, 2020
Příspěvky: 3639
Bydliště: Náchod

PříspěvekZaslal: pá březen 31 2023, 20:46    Předmět: Miniaturní fyziologie s laciným potenciometrem Citovat

Thales kdysi na fórech zpopularizoval téměř dokonale chodící fyziologický regulátor. Nebudu znova dopodrobna rozebírat, jestli fyziologie je nebo není potřeba, že chodí opravdu správně pouze za dodržení správné vstupní úrovně a to ještě ve vztahu ke zbytku sestavy atd. Vrátím se pouze k tomu, že když už se fyziologie používá, tak běžné zapojení s jednou jednoduchou RC korekcí v odbočce potenciometru je nedostačující.
Těch zapojení s TP289 jsem nadělal několik, k naprosté spokojenosti uživatelů včetně mě (mám ho třeba ve svém monstru na dílně). Má to ale několik drobných nevýhod. Pominu dostupnost a cenu TP289. Koupit se pořád dá a ty tři kila s poštovným slušnou audio sestavu podle mého nijak neprodraží.
TP289 ale nemá nijak luxusní mechanický chod. Což si člověk uvědomí pokaždé když vezme knoflík do ruky. Je trochu náchylný na stárnutí, takže potřebuje občas prostříknout. No a je to velké. Při zástavbě do zesilovače běžných HiFi rozměrů to nevadí.
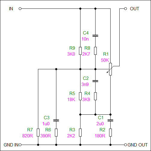
Teď jsem ale narazil na potřebu vestavby do velmi stísněného prostoru. Kombinace určená do pracovny, na večerní pianko poslech s nepříliš výkonným mini zesilovačem a malými dvoupásmy si sama řekla o fyziologickou regulaci. A do stísněné krabičky by se už nevešel ani samotný TP289, natož součástky okolo. Menší výkon zesilovače spolu s menší citlivostí bedýnek žádaly odbočku uprostřed dráhy. Použil jsem relativně kvalitní a nikoli drahý TP169. Na Aliexpressu jsou ale k dostání za naprosto směšnou cenu dobře použitelné miniaturní potenciometry s odbočkou uprostřed vyvedenou na piny do DPS, drážkovanou 6mm hřídelí a rohatkovým krokováním. Před časem jsem jich koupil pár do zásoby a tak jsem zapojení ještě upravil i pro ně. A navrhnul plošný spoj.

Topologie je pořád podobná - ono na tom není co vymýšlet jinak. Je potřeba vycházet z jiného rozložení odporu dráhy nad a pod odbočkou. Na rozdíl od tuzemských TP jde o lineární potenciometr, odbočka dělí dráhu na polovinu jak mechanicky, tak elektricky. Nezdržoval jsem se simulacemi, protože takovouhle věc umím střelit od oka a doladit poslechem (bylo nakonec potřeba pouze změnit jeden rezistor). S výsledkem jsem spokojený. Tichý poslech je přiměřeně dobarvený a při protáčení potenciometru mezi krajními polohami se zabarvení pocitově příliš nemění. Souběh samotného potenciometru není špatný (díky jeho průběhu) a navíc je stabilizovaný součástmi okolo.

Pár důležitých poznámek:

- Je to optimalizované pro tyto konkrétní potenciometry a žádné jiné.
- Právě tak je to optimalizované pro zmíněnou koncepci "pár wattů výkonu plus malé bedýnky". Regulace nechodí do nulové hlasitosti a při větších výkonech s citlivějšími repráky by to v dolní poloze hrálo už moc nahlas. Ladil jsem si to přímo pro svoje potřeby, níž chodit nepotřebuju, a menší rozsah regulace se odmění plynulejším průběhem. Tak jak to tu prezentuju, není regulátor bez úpravy vhodný pro výkonnější zesilovač krmící citlivější bedny! U toho bude potřeba nasazení korekce při větším útlumu, a zároveň větší útlum na dolním konci dráhy. Nebo by se musel fyziologický regulátor zkombinovat ještě s další regulací bez korekce. Vypadá to sice divně, ale právě tak se to dělalo v začátcích HiFi, a právě tak dodnes funguje třeba dělená regulace u zesilovačů Yamaha. To je ale nad rámec mého příspěvku. Tu máte zapojení vhodné pro kombinaci s menšími regálovými bedýnkami o citlivosti kolem 85dB a se zesilovačem dejme tomu do 2x25W.
- Úmyslně používám potenciometry menších hodnot. Mám v oblibě minimalismus. Většina současných zdrojů signálu nemá žádný problém s menší zatěžovací impedancí. Výstup zvukovky, DACu, Bluetooth přijímače, DVD přehrávače, nedejbože telefonu, nic z toho nepotřebuje vysokou vstupní impedanci následného zařízení. Právě tak vynechávám korekční předzesilovače jako nepotřebné. Za potenciometr s malým odporem lze přímo, bez potřeby bufferu zapojit koncový stupeň. Pokud se omezíme na zapojení potenciometr plus koncový zesilovač, nic si nekomplikujeme a jenom tím získáme.
Běžně tedy používám na Volume potenciometry 5k – 10k, nebo 25k s odbočkou. Tyhle čínské mají jmenovitých 50k, reálných 46k a zapojením se součástmi okolo to vychází tak, že lze na běžec potenciometru pověsit koncák se vstupní impedancí 22k nebo víc.

Deska má rozměry 34x36mm, montáž na panel za závit potenciometru, vstup a výstup přes Duponty nebo trojpólové konektory JST-XH 2,54 (nebo prostě připájet dráty). Tady je podklad DPS dělaný ve Sprint Layoutu.

V principu si může změnami hodnot součástí každý upravit průběh podle potřeby. Při návrhu se dá začít odspodu, protože tam jsou velké hodnoty kondenzátorů. Sermež na vzorce, ty si znalý jistě sám domyslí. Pro méně znalé vystačíme s polopatickým popisem. "Polovinou dráhy potenciometru" myslím tady jeho část od odbočky k hornímu či dolnímu konci dráhy.

Za C1 zvolíme dva paralelní 1u0. Je to levné a rozumně velké rozměrově. Jinak se ale v tomto půdorysu a s RM5 dají sehnat svitky od WIMA až 4u7. Ty už ale něco stojí.
R1 spolu s C1 určí kmitočet, pod kterým se začne zvedat dolní pásmo (typicky mezi 300-500Hz)
R3 určuje největší zdvih na basovém pásmu.
R3 paralelně s R2 určují minimální impedanci dolní části děliče. Určíme si požadovaný útlum dolní poloviny dráhy potenciometru, z něho a z paralelní kombinace R2//R3 vyjde potřebná horní impedance. Ta by měla být menší než je odpor poloviny dráhy potenciometru. Na potřebnou velikost se doladí paralelním rezistorem R5.
Z impedance R5 paralelně k dolní polovině potenciometru se odvíjí velikost kondenzátoru C2 pro výškovou korekci (nasazuje někde kolem 3kHz) a velikost R4, který omezuje maximální zdvih téhle části na výškách.

Přesně stejně je navržená horní polovina regulace nad odbočkou.

Zjednodušeně se dá říct:

Chci přidávat na basech jen nižší kmitočty? Zvětším C1 nebo C3 (podle toho, jestli upravuju horní nebo dolní část regulace).
Chci menší zdvih? Zmenším paralelní rezistory.
Chci na výškách posunout korekci k vyšším kmitočtům? Zmenším C2 nebo C4.
Chci zmenšit zdvih na výškách? Zvětším R4 nebo R8.

Základní změna je asi tak zdvojnásobení nebo polovina - frekvence se posune o oktávu, útlum se změní o 6dB.

Pořád jde o to, že univerzálně navržený obvod nemůže pokrýt všechny situace. Tak si to může každý přeladit po libosti. Opakovaně zdůrazním, že méně výrazná korekce nadělá méně škody než přemrštěná. Proto taky nezmiňuju jak na ní ještě víc přidat. Ale samozřejmě lze i to.
Číslování součástí ze schématu je použito pro pravý kanál. Pro levý jsou čísla zvýšená o deset.



Fyziologie čína 50k.png
 Komentář:
 Velikost:  13.16 kB
 Zobrazeno:  80 krát

Fyziologie čína 50k.png



loudchinamini.png
 Komentář:
 Velikost:  91.7 kB
 Zobrazeno:  63 krát

loudchinamini.png



Fyzionáhled.JPG
 Komentář:
 Velikost:  140.67 kB
 Zobrazeno:  62 krát

Fyzionáhled.JPG




Naposledy upravil ransom dne so duben 01 2023, 6:32, celkově upraveno 1 krát.
Návrat nahoru
Zobrazit informace o autorovi Odeslat soukromou zprávu
JirkaZ



Založen: Feb 26, 2021
Příspěvky: 3731

PříspěvekZaslal: pá březen 31 2023, 21:11    Předmět: Citovat

Regulace hlasitosti lineárním potenciometrem?
_________________
Kdo chce, hledá způsob;
kdo ne - hledá důvod.

Ze dvou možností často volím tu třetí.
Návrat nahoru
Zobrazit informace o autorovi Odeslat soukromou zprávu
EKKAR



Založen: Mar 16, 2005
Příspěvky: 34824
Bydliště: Česká Třebová, JN89FW21

PříspěvekZaslal: pá březen 31 2023, 21:17    Předmět: Citovat

A máš něco proti? Když je ti jednak jasně řečeno, že to je na malý výkony a poslech v blízkým poli - a druhak je výslednej průběh závislosti odporu na úhlu natočení těžce ovlivněnej okolo připojenýma dalšíma součástkama?
_________________
Nasliněný prst na svorkovnici domovního rozvaděče: Jó, paninko, máte tam ty Voltíky všecky...
A kutilmile - nelituju tě Mr. Green Mr. Green !!!
Návrat nahoru
Zobrazit informace o autorovi Odeslat soukromou zprávu Odeslat e-mail
Hill
Administrátor


Založen: Sep 10, 2004
Příspěvky: 20922
Bydliště: Jičín, Český ráj

PříspěvekZaslal: pá březen 31 2023, 22:16    Předmět: Citovat

Jistě, že to jde. /LSice ten průběh má do logaritmického ještě dost daleko, ale lineární je tak v první a poslední čtvrtině dráhy. Kolem středu se charakteristika lomí v důsledku zátěže připojenými součástkami, ale ne skokem, dráha má k odbočce konečný odpor a vytvoří tak na zlomu a kolem něj celkem pozvolný ohyb charakteristiky. Pro ucho to zase tolik neruší, jak by se dalo čekat na základě naměřeného průběhu.
S miniaturními TP169 25k/L jsem už taky fyziologii dělal, jeho průběh se blíží logaritmickému: odbočka uprostřed dráhy, 5 kΩ od zemního konce (rozptyl max ±1 kΩ), odpor celé dráhy se pohyboval mezi 22 a 26 kΩ.
Návrat nahoru
Zobrazit informace o autorovi Odeslat soukromou zprávu
samec



Založen: Dec 19, 2017
Příspěvky: 5963

PříspěvekZaslal: pá březen 31 2023, 22:43    Předmět: Citovat

Pre akú zaťažovaciu impedanciu je to navrhnuté? Neskúšal si to zjednodušiť? Niektoré súčiastky sú paralelne.
Návrat nahoru
Zobrazit informace o autorovi Odeslat soukromou zprávu
EKKAR



Založen: Mar 16, 2005
Příspěvky: 34824
Bydliště: Česká Třebová, JN89FW21

PříspěvekZaslal: pá březen 31 2023, 23:37    Předmět: Citovat

samec napsal(a):
...Neskúšal si to zjednodušiť? Niektoré súčiastky sú paralelne.
A to jako který?
_________________
Nasliněný prst na svorkovnici domovního rozvaděče: Jó, paninko, máte tam ty Voltíky všecky...
A kutilmile - nelituju tě Mr. Green Mr. Green !!!
Návrat nahoru
Zobrazit informace o autorovi Odeslat soukromou zprávu Odeslat e-mail
ransom



Založen: Jul 19, 2020
Příspěvky: 3639
Bydliště: Náchod

PříspěvekZaslal: so duben 01 2023, 5:46    Předmět: Citovat

JirkaZ:

Ano, lineární. Pouhý lineární potenciometr dovede regulovat jemně, ale jen v celkovém rozsahu málo přes 20 dB.
Jenomže podívej se na toto zapojení pořádně. V odbočce máš útlum kolem 20dB. Na dolním konci pak kolem 50dB. Výsledný průběh je přibližně logaritmický. Úplně stejně jako u jakéhokoli jiného potenciometru s odbočkou. Ty jsou totiž taky složené ze dvou či tří lineárních sekcí. Protože ale třeba TP169 s průběhem L má sekce v poměru odporů kolem 80/20, použijí se pro dosažení potřebného průběhu regulace jiné hodnoty součástí.

Když se používaly trojodbočkové potenciometry RFT, ty byly rovněž lineární. A volbou součástí v odbočkách bylo možno získat perfektní logaritmický průběh.

Běžný logaritmický potenciometr pro řízení hlasitosti je ve skutečnosti taky složený jen ze dvou nebo ze třech lineárních úseků. To poznal každý, kdo se pokusil postavit RC generátor s přeladěním celého akustického pásma v jednom rozsahu.

Pro regulaci hlasitosti se čistě logaritmický průběh ve skutečnosti úplně nehodí. Když se podíváš na krokový atenuátor s cejchovanou stupnicí, tak ta stupnice není rovnoměrná. Nahoře začíná kroky třeba po 1dB, kolem třetiny se krok zvětší na 2dB, pak na 3, na 4 a před dolním koncem už je krok 6 dB. "Logaritmický" potenciometr nebo tohle zapojení s odbočkou udělají průběh ne snad ideální, ale dost podobný. Pro vnímání různých hlasitostí reprodukovaného zvuku to vyhovuje líp.

Samec:

Máš to v textu. Zjednodušit? Můžeš použít dražší svitek 2u2 místo dvou levných 1u0. To je tak asi všechno.

Máte tady navrženou dostatečně malou desku a tip na levný potenciometr. Jde jen o účelovou úpravu osvědčeného a perfektně chodícího zapojení. Robte si s tím co libo.
Pro výkonnější aparaturu nebo náročnější nasazení samozřejmě máme i vymakanější hejblátka - myšleno co do mechaniky, přesnosti, souběhu ve zlomcích procent atd. Toto je za pár korun použitelné pro většinu běžných uživatelů.

Do prvního příspěvku jsem ještě vetknul odkaz na DPS. Je to ve Sprint Layoutu, takže to umí vyrobit kdokoli.
Návrat nahoru
Zobrazit informace o autorovi Odeslat soukromou zprávu
Hill
Administrátor


Založen: Sep 10, 2004
Příspěvky: 20922
Bydliště: Jičín, Český ráj

PříspěvekZaslal: so duben 01 2023, 8:46    Předmět: Citovat

Jak jsi správně podotkl v úvodním příspěvku, fyziologický průběh závisí na mnoha dalších podmínkách, jestli má plně kompenzovat frekvenční závislost sluchu při různě velkém akustickém tlaku. Různě složitých zapojení vzniklo mnoho, ale univerzální neexistuje: jejich hlavní smysl je v tom, aby se reprodukce při nižších hlasitostech nezdála příliš kmitočtově ořezaná. Vždyť stačí vyměnit bedny za větší či menší, jinak účinné reproduktory, jinou úroveň signálu před potenciometrem s fyziologickou korekcí, která si vyžádá změnu polohy běžce, konečně ani uši nám neslyší všem stejně, a je všechno jinak.
Vždyť ty známé křivky stejných hladin hlasitosti byly zkoumané v různých podmínkách podle většího vzorku posluchačů, nejčastěji se hovoří o Fletcher-Munsonových křivkách stejných hladin hlasitosti, ale ony existují také Robinson-Dadsonovy a norma ISO 226:2000 stanoví průběhy zase odlišně (kdysi jsme se tu tím zabývali, ale to ta norma ještě neexistovala).
Máme uši různých forem, málokdo však podle norem.
Málokdy a málokde je příležitost poslouchat reprodukovaný zvuk v dostatečně velkém prostoru při zařízením vytvořeném dostatečném akustickém tlaku, abychom využili maximálně frekvenčně nezávislého průběhu celého řetězce. Takže to individuální doladění průběhu pro konkrétní zařízení a nejběžněji používaný rozsah hlasitostí v konkrétních podmínkách "na ucho" bývá užitečnější, než nějaké přesné dodržení charakteristik.
Zapojení je jednou z možností, jak to udělat, hodnoty součástek lze vyzkoušet různé, prostě podle mne to zvukovému vjemu ze zařízení, poslouchaného při nijak oslnivém výstupním výkonu, vůbec neublíží, spíše naopak.
Návrat nahoru
Zobrazit informace o autorovi Odeslat soukromou zprávu
Bernard



Založen: May 27, 2005
Příspěvky: 3655

PříspěvekZaslal: so duben 01 2023, 12:23    Předmět: Citovat

Hrubá simulace (bez zátěže výstupu) je tu:


fyzio-korekce.png
 Komentář:
 Velikost:  143.18 kB
 Zobrazeno:  173 krát

fyzio-korekce.png




Naposledy upravil Bernard dne so duben 01 2023, 16:24, celkově upraveno 1 krát.
Návrat nahoru
Zobrazit informace o autorovi Odeslat soukromou zprávu
ransom



Založen: Jul 19, 2020
Příspěvky: 3639
Bydliště: Náchod

PříspěvekZaslal: so duben 01 2023, 15:33    Předmět: Citovat

Tak to asi neee! Máš ve schématu pěknou chybičku. Kampak patří kondenzátor C4?
S takovouhle hrůzou by mě kolegové kopli do rozkroku. Dva už to postavili a spokojeně poslouchají taky.


Naposledy upravil ransom dne so duben 01 2023, 16:02, celkově upraveno 1 krát.
Návrat nahoru
Zobrazit informace o autorovi Odeslat soukromou zprávu
ransom



Založen: Jul 19, 2020
Příspěvky: 3639
Bydliště: Náchod

PříspěvekZaslal: so duben 01 2023, 16:00    Předmět: Citovat

Hill:
Ano, žádný jednoznačný recept neexistuje. Já sám používám fyziologii v práci na dílně - zesilovač 2x110W (s citlivostí přesně odpovídající vstupnímu signálu), 15" dobře odladěné bedny s citlivostí kolem 91 dB a prostor cca 7x5x3m. Tam sedla ta v úvodu zmíněná regulace s odbočkou ve třetině naprosto přesně.
Naopak doma v bytovkovém obýváčku mám zesilovač 2x60W, taky přizpůsobená vstupní citlivost, taky dobře odladěná trojpásma s 6,5" a s citlivostí kolem 85 dB - a poslouchám tam výhradně bez fyziologie. Nemusím snad připomínat že všude hraju bez korekcí.
Na venkovní (kultivovaný a poklidný) poslech mám v podobném duchu 10" kompakty, bez fyziologie i na šeptandu.
No a do pracovny ke kutění jsem aktuálně řešil toto.
Návrat nahoru
Zobrazit informace o autorovi Odeslat soukromou zprávu
Bernard



Založen: May 27, 2005
Příspěvky: 3655

PříspěvekZaslal: so duben 01 2023, 16:28    Předmět: Citovat

ransom napsal(a):
Tak to asi neee! Máš ve schématu pěknou chybičku. Kampak patří kondenzátor C4?
S takovouhle hrůzou by mě kolegové kopli do rozkroku. Dva už to postavili a spokojeně poslouchají taky.

Moc se omlouvám, přílohu jsem opravil. Mně se to taky zdálo hrozný, tak jsem to radši nekomentoval. Vůbec mne nenapadlo (jako obvykle), že by to mohla být moje chyba. Embarassed
Návrat nahoru
Zobrazit informace o autorovi Odeslat soukromou zprávu
ransom



Založen: Jul 19, 2020
Příspěvky: 3639
Bydliště: Náchod

PříspěvekZaslal: so duben 01 2023, 16:42    Předmět: Citovat

V pohodě.
Takhle ti to hraje o dost líp!
V čem simuluješ?
A díky za náhled. Já byl totálně línej to simulovat, tak jsem to střelil fakt od oka a po poslechu změnil jeden rezistor...
Takto to přesně odpovídá tomu co slyším. Kamarádi byli rovněž spokojeni.
A jak jsem psal: minimální hlasitost na dolním konci by byla pro výkonnější sestavu už moc vysoko. Já to mám přesně tak, že níž už nepotřebuju.
Návrat nahoru
Zobrazit informace o autorovi Odeslat soukromou zprávu
Bernard



Založen: May 27, 2005
Příspěvky: 3655

PříspěvekZaslal: so duben 01 2023, 17:58    Předmět: Citovat

Simulátor je LTspice XVII.
Ty průběhy ukazují vliv lineárního potenciometru, nárůst hlasitosti v první čtvrtině je největší ze všech. Což nemusí vadit.
Návrat nahoru
Zobrazit informace o autorovi Odeslat soukromou zprávu
teufel



Založen: Feb 09, 2017
Příspěvky: 489
Bydliště: Na dohled od Spolany

PříspěvekZaslal: ne duben 02 2023, 8:50    Předmět: Citovat

Mněš se to líbí! Používal jsem zapojení bez odbočky (schéma) ale tohle vypadá líp. Vyzkouším.


fyz-sch.jpg
 Komentář:
zesilovač je PAM8403
 Velikost:  39.76 kB
 Zobrazeno:  66 krát

fyz-sch.jpg



fyz-graf.jpg
 Komentář:
Basy lze vylepšit zvětšením C1 a C7. Bylo to pro malé repráky, přebasovat je při plném výkonu nebylo žádoucí
 Velikost:  99.32 kB
 Zobrazeno:  56 krát

fyz-graf.jpg


Návrat nahoru
Zobrazit informace o autorovi Odeslat soukromou zprávu
Zobrazit příspěvky z předchozích:   
Přidat nové téma   Zaslat odpověď       Obsah fóra Diskuzní fórum Elektro Bastlírny -> Audiotechnika Časy uváděny v GMT + 1 hodina
Jdi na stránku 1, 2  Další
Strana 1 z 2

 
Přejdi na:  
Nemůžete odesílat nové téma do tohoto fóra.
Nemůžete odpovídat na témata v tomto fóru.
Nemůžete upravovat své příspěvky v tomto fóru.
Nemůžete mazat své příspěvky v tomto fóru.
Nemůžete hlasovat v tomto fóru.
Nemůžete připojovat soubory k příspěvkům
Můžete stahovat a prohlížet přiložené soubory

Powered by phpBB © 2001, 2005 phpBB Group
Forums ©
Nuke - Elektro Bastlirna

Informace na portálu Elektro bastlírny jsou prezentovány za účelem vzdělání čtenářů a rozšíření zájmu o elektroniku. Autoři článků na serveru neberou žádnou zodpovědnost za škody vzniklé těmito zapojeními. Rovněž neberou žádnou odpovědnost za případnou újmu na zdraví vzniklou úrazem elektrickým proudem. Autoři a správci těchto stránek nepřejímají záruku za správnost zveřejněných materiálů. Předkládané informace a zapojení jsou zveřejněny bez ohledu na případné patenty třetích osob. Nároky na odškodnění na základě změn, chyb nebo vynechání jsou zásadně vyloučeny. Všechny registrované nebo jiné obchodní známky zde použité jsou majetkem jejich vlastníků. Uvedením nejsou zpochybněna z toho vyplývající vlastnická práva. Použití konstrukcí v rozporu se zákonem je přísně zakázáno. Vzhledem k tomu, že původ předkládaných materiálů nelze žádným způsobem dohledat, nelze je použít pro komerční účely! Tento nekomerční server nemá z uvedených zapojení či konstrukcí žádný zisk. Nezodpovídáme za pravost předkládaných materiálů třetími osobami a jejich původ. V případě, že zjistíte porušení autorského práva či jiné nesrovnalosti, kontaktujte administrátory na diskuzním fóru EB.


PHP-Nuke Copyright © 2005 by Francisco Burzi. This is free software, and you may redistribute it under the GPL. PHP-Nuke comes with absolutely no warranty, for details, see the license.
Čas potřebný ke zpracování stránky 0.60 sekund