Vítejte na Elektro Bastlírn?
Nuke - Elektro Bastlirna
  Vytvořit účet Hlavní · Fórum · DDump · Profil · Zprávy · Hledat na fóru · Příspěvky na provoz EB

Vlákno na téma KORONAVIRUS - nutná registrace


Nuke - Elektro Bastlirna: Diskuzní fórum

 FAQFAQ   HledatHledat   Uživatelské skupinyUživatelské skupiny   ProfilProfil   Soukromé zprávySoukromé zprávy   PřihlášeníPřihlášení 

Záhadný Obvod
Jdi na stránku 1, 2  Další
 
Přidat nové téma   Zaslat odpověď       Obsah fóra Diskuzní fórum Elektro Bastlírny -> Řešení problémů s různými konstrukcemi
Zobrazit předchozí téma :: Zobrazit následující téma  
Autor Zpráva
zdarsky



Založen: Mar 06, 2023
Příspěvky: 7

PříspěvekZaslal: po březen 06 2023, 11:12    Předmět: Záhadný Obvod Citovat

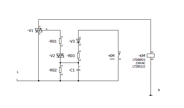
Zdravím všechny. Prosím vás nevíte někdo, co může dělat obvod znázorněný v příloze? Díky.


záhadný obvod.png
 Komentář:
Neplatná verze
 Velikost:  9.55 kB
 Zobrazeno:  213 krát

záhadný obvod.png



záhadný obvod_V2.png
 Komentář:
Nová verze
 Velikost:  15.65 kB
 Zobrazeno:  111 krát

záhadný obvod_V2.png




Naposledy upravil zdarsky dne po březen 06 2023, 14:40, celkově upraveno 2 krát.
Návrat nahoru
Zobrazit informace o autorovi Odeslat soukromou zprávu
Ivan_01



Založen: Sep 15, 2018
Příspěvky: 1408
Bydliště: BB SK

PříspěvekZaslal: po březen 06 2023, 11:15    Předmět: Citovat

tá schéma je určite dobre? Vyzerá to podľa použiatia diaku na nejaký obvod oneskorujúci zopnutie relé
Návrat nahoru
Zobrazit informace o autorovi Odeslat soukromou zprávu
JirkaZ



Založen: Feb 26, 2021
Příspěvky: 3735

PříspěvekZaslal: po březen 06 2023, 11:20    Předmět: Citovat

Tak, jak je to nakreslené, to nemůže dělat nic.

Buď nedbalostní, či z blbosti, nebo úmyslná chyba. Vyber si dle okolností vzniku a účelu.

_________________
Kdo chce, hledá způsob;
kdo ne - hledá důvod.

Ze dvou možností často volím tu třetí.
Návrat nahoru
Zobrazit informace o autorovi Odeslat soukromou zprávu
zdarsky



Založen: Mar 06, 2023
Příspěvky: 7

PříspěvekZaslal: po březen 06 2023, 12:03    Předmět: Citovat

Ivan_01 napsal(a):
tá schéma je určite dobre? Vyzerá to podľa použiatia diaku na nejaký obvod oneskorujúci zopnutie relé

To si také nejsem jistý, je to kreslené z fotek. Ale obvod je předřazený k jednomu ze dvou stykačů, které zajišťují reverzní chod motoru a dochází k tomu, že se oba stykače sepnou současně(i přes el.blokaci) a vypadne hlavní napájení motoru. To znamená, že teoreticky by ten obvod mohl zpožďovat jeden ze stykačů, aby k tomu nedocházelo.
Návrat nahoru
Zobrazit informace o autorovi Odeslat soukromou zprávu
p32



Založen: Jan 13, 2007
Příspěvky: 16545
Bydliště: Olomouc

PříspěvekZaslal: po březen 06 2023, 12:31    Předmět: Citovat

Něco ti tam chybí.
Návrat nahoru
Zobrazit informace o autorovi Odeslat soukromou zprávu
zdarsky



Založen: Mar 06, 2023
Příspěvky: 7

PříspěvekZaslal: po březen 06 2023, 12:36    Předmět: Citovat

p32 napsal(a):
Něco ti tam chybí.

Jestli máš představu co, tak se nestyď a napiš mi to.
Návrat nahoru
Zobrazit informace o autorovi Odeslat soukromou zprávu
p32



Založen: Jan 13, 2007
Příspěvky: 16545
Bydliště: Olomouc

PříspěvekZaslal: po březen 06 2023, 12:38    Předmět: Citovat

To si musíš najít sám, kde jsi to vzal. A ty kontakty 31 a 32 jsou odkud?
Návrat nahoru
Zobrazit informace o autorovi Odeslat soukromou zprávu
zdarsky



Založen: Mar 06, 2023
Příspěvky: 7

PříspěvekZaslal: po březen 06 2023, 12:47    Předmět: Citovat

p32 napsal(a):
To si musíš najít sám, kde jsi to vzal. A ty kontakty 31 a 32 jsou odkud?

Já elektronice moc nerozumím, proto se ptám. Kontakty jsou od stykače, který to spíná.
Návrat nahoru
Zobrazit informace o autorovi Odeslat soukromou zprávu
ok1hga



Založen: Nov 28, 2006
Příspěvky: 12583
Bydliště: Česká Třebová

PříspěvekZaslal: po březen 06 2023, 12:57    Předmět: Citovat

a co sem dát pěknou fotku toho krámu ?
Návrat nahoru
Zobrazit informace o autorovi Odeslat soukromou zprávu
zdarsky



Založen: Mar 06, 2023
Příspěvky: 7

PříspěvekZaslal: po březen 06 2023, 13:06    Předmět: Citovat

ok1hga napsal(a):
a co sem dát pěknou fotku toho krámu ?



IMG_6652.jpg
 Komentář:
 Velikost:  51.24 kB
 Zobrazeno:  197 krát

IMG_6652.jpg


Návrat nahoru
Zobrazit informace o autorovi Odeslat soukromou zprávu
Ivan_01



Založen: Sep 15, 2018
Příspěvky: 1408
Bydliště: BB SK

PříspěvekZaslal: po březen 06 2023, 13:27    Předmět: Citovat

ako náhradu tohoto udělátka môžeš použiť napríklad Relé - časové 80.11.0.240.000 - FINDER alebo nejaké multifunkčné od ElkoEp, alebo krabicové z rady SMR-xx
Návrat nahoru
Zobrazit informace o autorovi Odeslat soukromou zprávu
zdarsky



Založen: Mar 06, 2023
Příspěvky: 7

PříspěvekZaslal: po březen 06 2023, 13:31    Předmět: Citovat

p32 napsal(a):
Něco ti tam chybí.

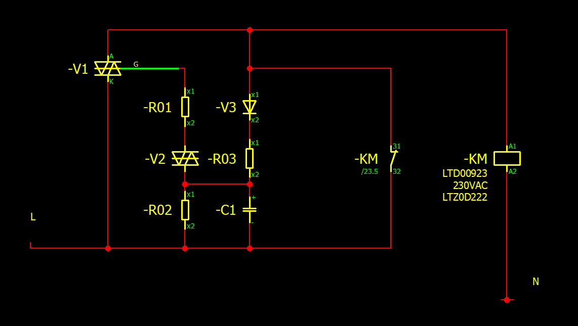
Nová verze zapojení.



záhadný obvod_V2.png
 Komentář:
 Velikost:  15.65 kB
 Zobrazeno:  131 krát

záhadný obvod_V2.png


Návrat nahoru
Zobrazit informace o autorovi Odeslat soukromou zprávu
petrfilipi



Založen: Sep 13, 2005
Příspěvky: 2888

PříspěvekZaslal: po březen 06 2023, 14:19    Předmět: Citovat

A musí to být nutně špatně?
• Na "L" není napětí, stykač KM je vypnutý, jeho kontakt 31-32 je sepnutý.
• Na "L" přivedu napětí, stykač KM je stále vypnutý, jeho kontakt 31-32 je stále sepnutý
• Přes V3 a R03 se na C1 zvyšuje napětí, až dosáhne velikosti, potřebné k sepnutí V2
• V2 sepne V1, to sepne KM a ten rozpojí kontakt 31-32, takže V1 je dále sepnutý jen přes sepnutý V1.
• Odpojením napětí z "L" vše vypnu

Pokud obvod fungoval a nyní nefunguje, možné problémy jsou:
• Malý odpor R03 (C1 se rychle nabíjí)
• Malá kapacita C1 (na V2 se rychle zvyšuje napětí)
• Vysoký odpor R02 (C1 se dostatečně nevybije před novým přivedením napětí na "L"¨

PF
Návrat nahoru
Zobrazit informace o autorovi Odeslat soukromou zprávu Odeslat e-mail
Ivan_01



Založen: Sep 15, 2018
Příspěvky: 1408
Bydliště: BB SK

PříspěvekZaslal: po březen 06 2023, 14:44    Předmět: Citovat

pri takomto zapojení sa ten triak nikdy neotvorí, pretože je preklenutý zopnutým kontaktom a po privedení napätia stykač okamžite zopne. skôr by mal byť kontakt KM spínací, aby po oneskorenom zopnutí stykača premostil triak
Návrat nahoru
Zobrazit informace o autorovi Odeslat soukromou zprávu
petrfilipi



Založen: Sep 13, 2005
Příspěvky: 2888

PříspěvekZaslal: út březen 07 2023, 8:06    Předmět: Citovat

Aha, já jsem popis funkce vytvářel podle úplně prvního obrázku, kde anoda V3 není spojena s A1 cívky stykače KM.

PF
Návrat nahoru
Zobrazit informace o autorovi Odeslat soukromou zprávu Odeslat e-mail
Zobrazit příspěvky z předchozích:   
Přidat nové téma   Zaslat odpověď       Obsah fóra Diskuzní fórum Elektro Bastlírny -> Řešení problémů s různými konstrukcemi Časy uváděny v GMT + 1 hodina
Jdi na stránku 1, 2  Další
Strana 1 z 2

 
Přejdi na:  
Nemůžete odesílat nové téma do tohoto fóra.
Nemůžete odpovídat na témata v tomto fóru.
Nemůžete upravovat své příspěvky v tomto fóru.
Nemůžete mazat své příspěvky v tomto fóru.
Nemůžete hlasovat v tomto fóru.
Nemůžete připojovat soubory k příspěvkům
Můžete stahovat a prohlížet přiložené soubory

Powered by phpBB © 2001, 2005 phpBB Group
Forums ©
Nuke - Elektro Bastlirna

Informace na portálu Elektro bastlírny jsou prezentovány za účelem vzdělání čtenářů a rozšíření zájmu o elektroniku. Autoři článků na serveru neberou žádnou zodpovědnost za škody vzniklé těmito zapojeními. Rovněž neberou žádnou odpovědnost za případnou újmu na zdraví vzniklou úrazem elektrickým proudem. Autoři a správci těchto stránek nepřejímají záruku za správnost zveřejněných materiálů. Předkládané informace a zapojení jsou zveřejněny bez ohledu na případné patenty třetích osob. Nároky na odškodnění na základě změn, chyb nebo vynechání jsou zásadně vyloučeny. Všechny registrované nebo jiné obchodní známky zde použité jsou majetkem jejich vlastníků. Uvedením nejsou zpochybněna z toho vyplývající vlastnická práva. Použití konstrukcí v rozporu se zákonem je přísně zakázáno. Vzhledem k tomu, že původ předkládaných materiálů nelze žádným způsobem dohledat, nelze je použít pro komerční účely! Tento nekomerční server nemá z uvedených zapojení či konstrukcí žádný zisk. Nezodpovídáme za pravost předkládaných materiálů třetími osobami a jejich původ. V případě, že zjistíte porušení autorského práva či jiné nesrovnalosti, kontaktujte administrátory na diskuzním fóru EB.


PHP-Nuke Copyright © 2005 by Francisco Burzi. This is free software, and you may redistribute it under the GPL. PHP-Nuke comes with absolutely no warranty, for details, see the license.
Čas potřebný ke zpracování stránky 0.46 sekund