Vítejte na Elektro Bastlírn?
Nuke - Elektro Bastlirna
  Vytvořit účet Hlavní · Fórum · DDump · Profil · Zprávy · Hledat na fóru · Příspěvky na provoz EB

Vlákno na téma KORONAVIRUS - nutná registrace


Nuke - Elektro Bastlirna: Diskuzní fórum

 FAQFAQ   HledatHledat   Uživatelské skupinyUživatelské skupiny   ProfilProfil   Soukromé zprávySoukromé zprávy   PřihlášeníPřihlášení 

Gramorádio Orchestr / TESLA TC124 - " životnost "
Jdi na stránku 1, 2  Další
 
Přidat nové téma   Zaslat odpověď       Obsah fóra Diskuzní fórum Elektro Bastlírny -> Opravy a restaurování starých elektropřístrojů
Zobrazit předchozí téma :: Zobrazit následující téma  
Autor Zpráva
wishmasterX



Založen: Apr 26, 2005
Příspěvky: 382
Bydliště: Frýdek-Místek

PříspěvekZaslal: pá březen 03 2023, 16:50    Předmět: Gramorádio Orchestr / TESLA TC124 - " životnost " Citovat

Zdravím všechny,

Mám tady dvě staré gramorádia TESLA Orchestr.

Začal jsem prvním kusem, druhý se zdá být relativně funkční ...

Všechny černé svitkové kondenzátory a černý elektrolyt 25uF byly po smrti ...
Šroubové kondenzátory 32uF ve zdroji mají svoji kapacitu, ale v reproduktorech je slyšet silný brum 50Hz ...
Ke druhému stupni, respektive k druhému elytu 32uF jsem paralelně připojil nový kondenzátor 47uF, ale žádná změna...

Elektronka 6L31 už neměla žýdný getter, koupil jsem novou a vymněnil ...

Kromě těch černých svitků je tady spousta TC-124, nikde jsem k nim nenašel nějaké info, jestli má smysl se na ně zaměřit, jako je tomu třeba v případě
"hovňáků" nebo elektrolytů zvaných "zeleniny" a podobně...

Díky Všem, Martin.
Návrat nahoru
Zobrazit informace o autorovi Odeslat soukromou zprávu
ok1hga



Založen: Nov 28, 2006
Příspěvky: 12583
Bydliště: Česká Třebová

PříspěvekZaslal: pá březen 03 2023, 17:10    Předmět: Citovat

hlavně se zaměř na změření svodů exponovaných kondíků.
ten brum v reproduktoru může způsobovat i velký svodový proud kondíků, teda některého z těch co jsi jmenoval . . .
to, že jsi tam přidával elyt a nic se nezměnilo, to jen potvrzuje.



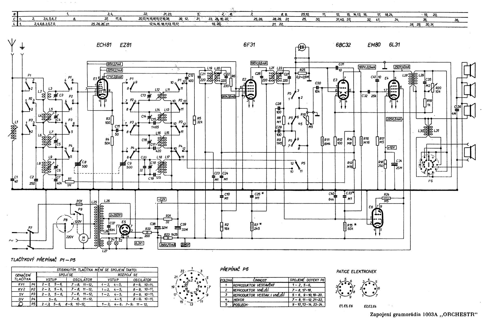
tesla Orchestr 1003A schema.jpg
 Komentář:
 Velikost:  274.32 kB
 Zobrazeno:  258 krát

tesla Orchestr 1003A schema.jpg


Návrat nahoru
Zobrazit informace o autorovi Odeslat soukromou zprávu
rudolf02



Založen: Sep 05, 2012
Příspěvky: 615
Bydliště: ústeckoorlicko

PříspěvekZaslal: pá březen 03 2023, 18:07    Předmět: Citovat

No, já nevím, ale podíval bych se na napětí. Ty nahrazené kondíky byly skutečně vadné? Není někde na kostře studeňák?
Přes kondík s krátkými vývody zkratovat G1 koncové lampy. Změní se brum?
Návrat nahoru
Zobrazit informace o autorovi Odeslat soukromou zprávu
wishmasterX



Založen: Apr 26, 2005
Příspěvky: 382
Bydliště: Frýdek-Místek

PříspěvekZaslal: pá březen 03 2023, 18:19    Předmět: Citovat

Tak koncová lampa je tam jenom jedna a ty ty černé svitky se doslova roztékaly po šasi a rezistorech a OPRAVDU byly všechny vadné, dokonce i ten krabicák pro výškové repro, který měl svod a ukazoval 82uF Very Happy

Anodové napětí je v pořádku, zkusil jsem i druhou, novou EZ81 ...
Návrat nahoru
Zobrazit informace o autorovi Odeslat soukromou zprávu
ok1hga



Založen: Nov 28, 2006
Příspěvky: 12583
Bydliště: Česká Třebová

PříspěvekZaslal: pá březen 03 2023, 18:53    Předmět: Citovat

nejdůležitější je C32,
ten když má svod dokáže zničit i úplně novou koncovku !
Návrat nahoru
Zobrazit informace o autorovi Odeslat soukromou zprávu
wishmasterX



Založen: Apr 26, 2005
Příspěvky: 382
Bydliště: Frýdek-Místek

PříspěvekZaslal: pá březen 03 2023, 19:17    Předmět: Citovat

C32 se zdá být v pohodě, kapacita sedí ...

Napadlo mě vzít 6BC32 z druhého Orchestru, byla tam Čínská 6G2, r.v.1961, vzhledem k tomu, že ten druhý kus je od mých prarodičů, kteří již dlouho nežijí, ta elektronka tam bude už nějaké desetiletí ...

S tou 6G2 brum skoro zmizí úplně, ale pro změnu ta lampa šumí jak vodní elektrárna, přesně ten zvuk, co znám, když jsem dal obyčejné 6N2P do RIAA předzesilovače na místo 6N2P-EV ...
Návrat nahoru
Zobrazit informace o autorovi Odeslat soukromou zprávu
xsc



Založen: Sep 25, 2014
Příspěvky: 8393

PříspěvekZaslal: pá březen 03 2023, 19:31    Předmět: Citovat

Kapacitu tolik neřeš. Je potřeba měřit svod. Na g1 musíš mít 0V. Zároveň zkontroluj, jestli máš na katodě 10V podle schématu, tím zjistíš, že ti neujel proud elektronkou.
Návrat nahoru
Zobrazit informace o autorovi Odeslat soukromou zprávu
wishmasterX



Založen: Apr 26, 2005
Příspěvky: 382
Bydliště: Frýdek-Místek

PříspěvekZaslal: so březen 04 2023, 12:02    Předmět: Citovat

Na g1 je 0V, na katodě 6L31 je 11V, C34 25uF jsem měnil jako první, rezistor 250R je v pořádku, už tedy zbývá jen C32, ty kondy 32uF ve zdroji můžou mít svod, ale proč to s tou čínskou lampou 6BC32 nebrumí téměř vůbec ? Navíc mám pocit, že v tom Orchestru od prarodičů to je jediná měněná lampa ...
Návrat nahoru
Zobrazit informace o autorovi Odeslat soukromou zprávu
Lukas-Peca



Založen: May 06, 2007
Příspěvky: 4414
Bydliště: Zlín

PříspěvekZaslal: so březen 04 2023, 13:03    Předmět: Citovat

Zapni to bez 6BC32, musí to být zticha. Pak ji tam vrať a zkratuj její mřížku na zem, opět to musí být zticha. Brum nebo šum je u těchto lamp dost rozšířený, nejsou moc spolehlivé.
Návrat nahoru
Zobrazit informace o autorovi Odeslat soukromou zprávu Zobrazit autorovy WWW stránky
wishmasterX



Založen: Apr 26, 2005
Příspěvky: 382
Bydliště: Frýdek-Místek

PříspěvekZaslal: so březen 04 2023, 16:32    Předmět: Citovat

Lukas-Peca napsal(a):
Zapni to bez 6BC32, musí to být zticha. Pak ji tam vrať a zkratuj její mřížku na zem, opět to musí být zticha. Brum nebo šum je u těchto lamp dost rozšířený, nejsou moc spolehlivé.


Zapnul jsem bez 6BC32, brum je stále přítomen, vložil jsem lampu zpátky, zkratoval mřížku / PIN 1 / a pořád brumí ... Takže ty původní elektrolyty ve zdroji mají svod, chápu to dobře ? Jen mě mate to odlišné chování s tou Čínskou 6G2 ...
Návrat nahoru
Zobrazit informace o autorovi Odeslat soukromou zprávu
ok1hga



Založen: Nov 28, 2006
Příspěvky: 12583
Bydliště: Česká Třebová

PříspěvekZaslal: so březen 04 2023, 16:49    Předmět: Citovat

wishmasterX napsal(a):
Šroubové kondenzátory 32uF ve zdroji mají svoji kapacitu, ale v reproduktorech je slyšet silný brum 50Hz ...
Ke druhému stupni, respektive k druhému elytu 32uF jsem paralelně připojil nový kondenzátor 47uF, ale žádná změna...

a zkusil jsi ten elyt připojit k tomu "prvnímu" ?
wishmasterX napsal(a):
a pořád brumí ... Takže ty původní elektrolyty ve zdroji mají svod, chápu to dobře ?

spíše mají velký vnitřní odpor (ESR)



6L31.jpg
 Komentář:
 Velikost:  154.17 kB
 Zobrazeno:  89 krát

6L31.jpg


Návrat nahoru
Zobrazit informace o autorovi Odeslat soukromou zprávu
wishmasterX



Založen: Apr 26, 2005
Příspěvky: 382
Bydliště: Frýdek-Místek

PříspěvekZaslal: so březen 04 2023, 17:03    Předmět: Citovat

ok1hga napsal(a):
wishmasterX napsal(a):
Šroubové kondenzátory 32uF ve zdroji mají svoji kapacitu, ale v reproduktorech je slyšet silný brum 50Hz ...
Ke druhému stupni, respektive k druhému elytu 32uF jsem paralelně připojil nový kondenzátor 47uF, ale žádná změna...

a zkusil jsi ten elyt připojit k tomu "prvnímu" ?
wishmasterX napsal(a):
a pořád brumí ... Takže ty původní elektrolyty ve zdroji mají svod, chápu to dobře ?

spíše mají velký vnitřní odpor (ESR)


Já jsem neměl odvahu k tomu "prvnímu" dát větší kapacitu, než je udávané maximum 50uF ...
Já jsem ty kondy 32uF zkoušel přes ten Multi-tester TC-1 a hodnoty byly
téměř stejné, jako u toho nového kusu ... Při prvním měření bylo ESR 60R, zkusil jsem to znova a spadlo to tuším na 5R, ten tester občas ukazuje nesmysly, tak jsem tomu nevěnoval pozornost ...
Návrat nahoru
Zobrazit informace o autorovi Odeslat soukromou zprávu
Lukas-Peca



Založen: May 06, 2007
Příspěvky: 4414
Bydliště: Zlín

PříspěvekZaslal: so březen 04 2023, 17:20    Předmět: Citovat

Ještě zkontroluj ohmmetrem vodivost spojení pouzdra elytu s kostrou. Dost často to má přechoďák. Stačí tím elytem trochu pootočit, aby se ta styčná plocha obrousila.
Návrat nahoru
Zobrazit informace o autorovi Odeslat soukromou zprávu Zobrazit autorovy WWW stránky
ok1hga



Založen: Nov 28, 2006
Příspěvky: 12583
Bydliště: Česká Třebová

PříspěvekZaslal: so březen 04 2023, 17:37    Předmět: Citovat

ten první elyt není přímo na chassis, ale má pod sebou izolační podložku a "velké pájecí očko" . . . a to může být zoxidované . . .
rozebrat, očistit . . . zkontrolovat odpor R21
Návrat nahoru
Zobrazit informace o autorovi Odeslat soukromou zprávu
wishmasterX



Založen: Apr 26, 2005
Příspěvky: 382
Bydliště: Frýdek-Místek

PříspěvekZaslal: ne březen 05 2023, 14:23    Předmět: Citovat

ok1hga napsal(a):
ten první elyt není přímo na chassis, ale má pod sebou izolační podložku a "velké pájecí očko" . . . a to může být zoxidované . . .
rozebrat, očistit . . . zkontrolovat odpor R21


Udělal jsem vše podle instrukcí, přebrousil očko jemný smirkem, očistil isoprophylem, smontoval zpátky, R21 je v pořádku, pro klid duše jsem C32 vyměnil za TC209 ...

Ten demontovaný a očištěný "první" elyt 32uF na Multi testeru ukázal 36uF a 1.2Ohm ESR ...

Vodiče s opadanou izolací jsem nahradil novými ...

Zkusil jsem i druhý kus koncové 6L31, ale brumím "vesele" dál ... Smile
Návrat nahoru
Zobrazit informace o autorovi Odeslat soukromou zprávu
Zobrazit příspěvky z předchozích:   
Přidat nové téma   Zaslat odpověď       Obsah fóra Diskuzní fórum Elektro Bastlírny -> Opravy a restaurování starých elektropřístrojů Časy uváděny v GMT + 1 hodina
Jdi na stránku 1, 2  Další
Strana 1 z 2

 
Přejdi na:  
Nemůžete odesílat nové téma do tohoto fóra.
Nemůžete odpovídat na témata v tomto fóru.
Nemůžete upravovat své příspěvky v tomto fóru.
Nemůžete mazat své příspěvky v tomto fóru.
Nemůžete hlasovat v tomto fóru.
Nemůžete připojovat soubory k příspěvkům
Můžete stahovat a prohlížet přiložené soubory

Powered by phpBB © 2001, 2005 phpBB Group
Forums ©
Nuke - Elektro Bastlirna

Informace na portálu Elektro bastlírny jsou prezentovány za účelem vzdělání čtenářů a rozšíření zájmu o elektroniku. Autoři článků na serveru neberou žádnou zodpovědnost za škody vzniklé těmito zapojeními. Rovněž neberou žádnou odpovědnost za případnou újmu na zdraví vzniklou úrazem elektrickým proudem. Autoři a správci těchto stránek nepřejímají záruku za správnost zveřejněných materiálů. Předkládané informace a zapojení jsou zveřejněny bez ohledu na případné patenty třetích osob. Nároky na odškodnění na základě změn, chyb nebo vynechání jsou zásadně vyloučeny. Všechny registrované nebo jiné obchodní známky zde použité jsou majetkem jejich vlastníků. Uvedením nejsou zpochybněna z toho vyplývající vlastnická práva. Použití konstrukcí v rozporu se zákonem je přísně zakázáno. Vzhledem k tomu, že původ předkládaných materiálů nelze žádným způsobem dohledat, nelze je použít pro komerční účely! Tento nekomerční server nemá z uvedených zapojení či konstrukcí žádný zisk. Nezodpovídáme za pravost předkládaných materiálů třetími osobami a jejich původ. V případě, že zjistíte porušení autorského práva či jiné nesrovnalosti, kontaktujte administrátory na diskuzním fóru EB.


PHP-Nuke Copyright © 2005 by Francisco Burzi. This is free software, and you may redistribute it under the GPL. PHP-Nuke comes with absolutely no warranty, for details, see the license.
Čas potřebný ke zpracování stránky 0.54 sekund