Vítejte na Elektro Bastlírn?
Nuke - Elektro Bastlirna
  Vytvořit účet Hlavní · Fórum · DDump · Profil · Zprávy · Hledat na fóru · Příspěvky na provoz EB

Vlákno na téma KORONAVIRUS - nutná registrace


Nuke - Elektro Bastlirna: Diskuzní fórum

 FAQFAQ   HledatHledat   Uživatelské skupinyUživatelské skupiny   ProfilProfil   Soukromé zprávySoukromé zprávy   PřihlášeníPřihlášení 

Proudový transformátor - spínání obvodu

 
Přidat nové téma   Zaslat odpověď       Obsah fóra Diskuzní fórum Elektro Bastlírny -> Řešení problémů s různými konstrukcemi
Zobrazit předchozí téma :: Zobrazit následující téma  
Autor Zpráva
jova1



Založen: Dec 20, 2007
Příspěvky: 1346
Bydliště: Chýnov - to je kousek od Tábora

PříspěvekZaslal: po únor 06 2023, 23:37    Předmět: Proudový transformátor - spínání obvodu Citovat

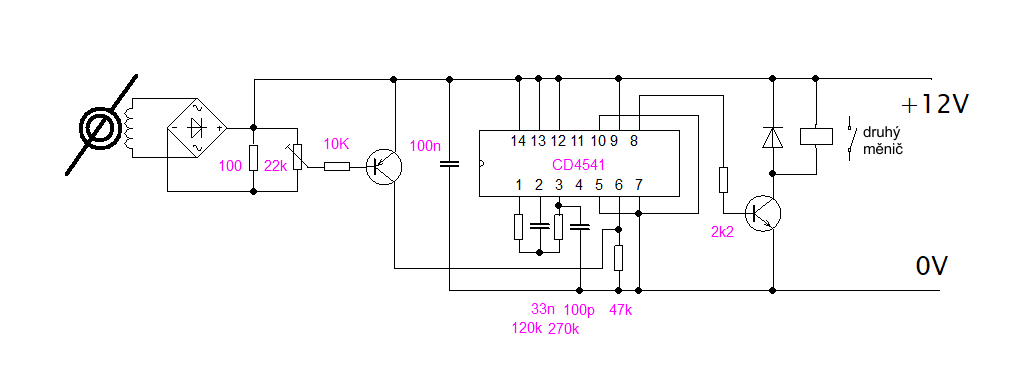
Zdravím, prosím o kontrolu schématu, jestli tam nejsou moc velké blbiny.
Mám dva solární měniče 5,5kW (každý dává cca 24A), které pracují do jedné společné fáze. Aby mi jeden měnič zbytečně neběžel při menších odběrech, potřebuji dát dohromady obvod, který při určitém odběru proudu (řekněme 10A), zapne druhý měnič a v okamžiku, kdy se celkový proud zmenší pod těch 10A, ho zase po nějaké době vypne. Cvičně jsem zkusil dát dohromady tohle zapojení, časový obvod jsem si „půjčil“ zde: https://www.belza.cz/files1/t4541.htm a zdá se, že by to mohlo být funkční, jen netuším, zda bude stačit ten jednoduchý vstupní obvod usměrňovače, rezistoru s trimrem a PNP tranzistor na spínání. Nepotřebuji tam žádnou přesnost, v podstatě je mi jedno, jestli to sepne při 10ti, nebo 12A, stejně tak i rozepnutí nemusí mít žádnou hysterezi. Jde mi jen o ten vstupní obvod, který bude muset zpracovat rozsah 0 - 48A a při cca těch 10A sepnout. Jestli tam třeba nebude muset být nějaká zenerova dioda na ochranu, kondenzátor na eliminaci špiček … Případně, jak by jste to řešili vy?



proudový transformátor.png
 Komentář:
 Velikost:  15.8 kB
 Zobrazeno:  147 krát

proudový transformátor.png


Návrat nahoru
Zobrazit informace o autorovi Odeslat soukromou zprávu Zobrazit autorovy WWW stránky
Celeron



Založen: Apr 02, 2011
Příspěvky: 20146
Bydliště: Nový Bydžov

PříspěvekZaslal: út únor 07 2023, 0:46    Předmět: Citovat

Dávej bacha u proudových traf musí být na sekundáru podle datašítu trafa celkem malej zatěžovací odpor. To asi u tohodle zapojení nebude. Pokud trafo není sekundárem připojený, třeba na cívky elektroměru s nepřímým měřením, musí se sekundár trafa zkratovat. Pokud bude sekundár nepřipojený, nebo bude mít velký odpor, tak se na jeho cívce dokáže naindukovat takový napětí, že se prorazí.
Já jsem na podobnou věc použil tohle od BMR. Ale cena se ti líbit nebude.

_________________
Jirka

Proč mi nemůže všechno chodit hned ?!!
Návrat nahoru
Zobrazit informace o autorovi Odeslat soukromou zprávu
termit256



Založen: Dec 06, 2007
Příspěvky: 10335

PříspěvekZaslal: út únor 07 2023, 8:07    Předmět: Citovat

Kup si za kilco tohle https://www.ebay.com/itm/172379257623
nebo tohle https://www.ebay.com/itm/204163384383 a nemusis resit proudove trafo.
Návrat nahoru
Zobrazit informace o autorovi Odeslat soukromou zprávu
jova1



Založen: Dec 20, 2007
Příspěvky: 1346
Bydliště: Chýnov - to je kousek od Tábora

PříspěvekZaslal: út únor 07 2023, 8:18    Předmět: Citovat

To CERELON: V tom obvodu jsem požil transformátor TELEMA AC 1010, při proudu 40A a zátěžovém rezistoru 100ohmů, jsem na něm naměřil 4V. Je to sice 4x větší proud než doporučuje výrobce, ale domnívám se, že to pro něj snad „smrtelné“ napětí nebude. https://www.tme.eu/Document/ab0848f040bbdf40850bd6d6c29dd776/AC-1010.pdf
Ten obvod co jsi zmínil, je docela zajímavý, v podstatě jsem něco obdobného hodlal řešit v další fázi vývoje. Je jen otázkou, zda se dá ten proudový rozsah DIP přepínačem měnit průběžně za „chodu“. Jde mi o to, že pokud poběží jen jeden měnič, bude muset být rozsah nastaven například na 0-20A, v okamžiku, kdy se rozeběhne druhý (trvá mu to tak 30s než naběhne), by se musel ten hlídač přepnout na rozsah 0-40A. Další neznámou je pro mě fakt, že oni mají na vstupu 3 fáze, kdežto já z měniče jen jednu a teprve pak se mi dělí na 3 měřené fáze.


Naposledy upravil jova1 dne út únor 07 2023, 8:44, celkově upraveno 1 krát.
Návrat nahoru
Zobrazit informace o autorovi Odeslat soukromou zprávu Zobrazit autorovy WWW stránky
jova1



Založen: Dec 20, 2007
Příspěvky: 1346
Bydliště: Chýnov - to je kousek od Tábora

PříspěvekZaslal: út únor 07 2023, 8:34    Předmět: Citovat

To termit256: Ty snímače znám, ale neřeší můj problém s tím případným krátkodobým přetížením, například při rozběhu lednice. To zapojení s transformátorem je v podstatě funkční, jen budu muset řešit asi nějak ty špičky. Confused
Návrat nahoru
Zobrazit informace o autorovi Odeslat soukromou zprávu Zobrazit autorovy WWW stránky
BOBOBO
Doporučuje se dohled moderátorů


Založen: Feb 25, 2008
Příspěvky: 20563
Bydliště: Rychnovsko

PříspěvekZaslal: út únor 07 2023, 9:02    Předmět: Citovat

Na to je snad toto
Návrat nahoru
Zobrazit informace o autorovi Odeslat soukromou zprávu
Celeron



Založen: Apr 02, 2011
Příspěvky: 20146
Bydliště: Nový Bydžov

PříspěvekZaslal: út únor 07 2023, 17:18    Předmět: Citovat

Hodil jsem do BMR dotaz, jestli to slízne stav DILů jen při restartu (zapnutí) nebo to dělá cyklicky případně po jaký době. A jestli ty DILy jsou galvanicky oddělený od sítě. Koukni na BMR, těhle hlídačů odběru se dělá kupa, jednofázový, vícestupňový a pod. Možná by se dala zadat i drobná úprava FW. Znám se s majitelem i konstruktérem, naposled jsem byl u nich v Lipovce v pátek.
_________________
Jirka

Proč mi nemůže všechno chodit hned ?!!
Návrat nahoru
Zobrazit informace o autorovi Odeslat soukromou zprávu
jova1



Založen: Dec 20, 2007
Příspěvky: 1346
Bydliště: Chýnov - to je kousek od Tábora

PříspěvekZaslal: út únor 07 2023, 21:55    Předmět: Citovat

Díky za informace. Ještě jednou jsem na to koukal a nepůjde to použít. Muselo by se to celé přeprogramovat, ten můj „algoritmus“, co mám v plánu, je dost odlišný od toho, co používají. Sad
Ono to přepínání citlivosti by šlo asi řešit i jinak, stačilo by pomocí relátka přidat paralelně další zatěžovací rezistory na transformátory při chodu druhého měniče.
Návrat nahoru
Zobrazit informace o autorovi Odeslat soukromou zprávu Zobrazit autorovy WWW stránky
termit256



Založen: Dec 06, 2007
Příspěvky: 10335

PříspěvekZaslal: út únor 07 2023, 22:09    Předmět: Citovat

jova1 napsal(a):
To termit256: Ty snímače znám, ale neřeší můj problém s tím případným krátkodobým přetížením, například při rozběhu lednice...

Jaky mas problem se spickami? U tech hallovych snimacu je spickovy proud nekde v radech tisicu amper, pokud si vzpominam. Limitem je jen otepleni toho medeneho pasku co vede snimacem, pokud spicku vydrzi ten, pak nic jineho ve snimaci s tim problem nema.
Návrat nahoru
Zobrazit informace o autorovi Odeslat soukromou zprávu
jova1



Založen: Dec 20, 2007
Příspěvky: 1346
Bydliště: Chýnov - to je kousek od Tábora

PříspěvekZaslal: út únor 07 2023, 22:39    Předmět: Citovat

Nejde o přetížení jako takové. Jde mi o eliminaci krátkých špiček, které vznikají například při rozběhu motoru lednice, spínaných zdrojů… Pokud se tam dá jen ten výše uvedený obvod, tak by v tom okamžiku naskočil časový odpočet a zapnul zbytečně druhý měnič. Už jsem dneska odlaboroval nějaké „vylepšení“ a zdá se, že by to tyhle špičky mohlo eliminovat. Rolling Eyes
Návrat nahoru
Zobrazit informace o autorovi Odeslat soukromou zprávu Zobrazit autorovy WWW stránky
termit256



Založen: Dec 06, 2007
Příspěvky: 10335

PříspěvekZaslal: út únor 07 2023, 22:42    Předmět: Citovat

Koupis nejaky maly MCU za 2kacky a nastavis si tam co jen budes chtit.
Návrat nahoru
Zobrazit informace o autorovi Odeslat soukromou zprávu
petr-p10



Založen: Jul 09, 2008
Příspěvky: 128

PříspěvekZaslal: st únor 08 2023, 7:58    Předmět: Citovat

Pokud jsem správně pochopil co řešíš tak lze použít ELKO EP PRI-52 0,5-25A, řeší vše včetně špiček jestli se pletu tak jsem nepochopil.
Návrat nahoru
Zobrazit informace o autorovi Odeslat soukromou zprávu
jova1



Založen: Dec 20, 2007
Příspěvky: 1346
Bydliště: Chýnov - to je kousek od Tábora

PříspěvekZaslal: st únor 08 2023, 17:44    Předmět: Citovat

Ano pochopil jsi to správně. To relé má pro mě jen dvě malé chyby. Kromě ceny, bych ten čas prodlevy potřeboval ne 10s, ale alespoň 10 minut. Jistě, dalo by se to řešit dalším časovým spínačem, ale tak nějak jsem doufal, že na tomhle fóru o elektronice mi někdo poradí, jak to vyřešit obvodovým zapojením. Snad už jsem něco dohromady dal, tak to jdu hodit na tišťák a nastane fáze testování. Tímto děkuji všem za snahu mi poradit.
Návrat nahoru
Zobrazit informace o autorovi Odeslat soukromou zprávu Zobrazit autorovy WWW stránky
Zobrazit příspěvky z předchozích:   
Přidat nové téma   Zaslat odpověď       Obsah fóra Diskuzní fórum Elektro Bastlírny -> Řešení problémů s různými konstrukcemi Časy uváděny v GMT + 1 hodina
Strana 1 z 1

 
Přejdi na:  
Nemůžete odesílat nové téma do tohoto fóra.
Nemůžete odpovídat na témata v tomto fóru.
Nemůžete upravovat své příspěvky v tomto fóru.
Nemůžete mazat své příspěvky v tomto fóru.
Nemůžete hlasovat v tomto fóru.
Nemůžete připojovat soubory k příspěvkům
Můžete stahovat a prohlížet přiložené soubory

Powered by phpBB © 2001, 2005 phpBB Group
Forums ©
Nuke - Elektro Bastlirna

Informace na portálu Elektro bastlírny jsou prezentovány za účelem vzdělání čtenářů a rozšíření zájmu o elektroniku. Autoři článků na serveru neberou žádnou zodpovědnost za škody vzniklé těmito zapojeními. Rovněž neberou žádnou odpovědnost za případnou újmu na zdraví vzniklou úrazem elektrickým proudem. Autoři a správci těchto stránek nepřejímají záruku za správnost zveřejněných materiálů. Předkládané informace a zapojení jsou zveřejněny bez ohledu na případné patenty třetích osob. Nároky na odškodnění na základě změn, chyb nebo vynechání jsou zásadně vyloučeny. Všechny registrované nebo jiné obchodní známky zde použité jsou majetkem jejich vlastníků. Uvedením nejsou zpochybněna z toho vyplývající vlastnická práva. Použití konstrukcí v rozporu se zákonem je přísně zakázáno. Vzhledem k tomu, že původ předkládaných materiálů nelze žádným způsobem dohledat, nelze je použít pro komerční účely! Tento nekomerční server nemá z uvedených zapojení či konstrukcí žádný zisk. Nezodpovídáme za pravost předkládaných materiálů třetími osobami a jejich původ. V případě, že zjistíte porušení autorského práva či jiné nesrovnalosti, kontaktujte administrátory na diskuzním fóru EB.


PHP-Nuke Copyright © 2005 by Francisco Burzi. This is free software, and you may redistribute it under the GPL. PHP-Nuke comes with absolutely no warranty, for details, see the license.
Čas potřebný ke zpracování stránky 0.24 sekund