Vítejte na Elektro Bastlírn?
Nuke - Elektro Bastlirna
  Vytvořit účet Hlavní · Fórum · DDump · Profil · Zprávy · Hledat na fóru · Příspěvky na provoz EB

Vlákno na téma KORONAVIRUS - nutná registrace


Nuke - Elektro Bastlirna: Diskuzní fórum

 FAQFAQ   HledatHledat   Uživatelské skupinyUživatelské skupiny   ProfilProfil   Soukromé zprávySoukromé zprávy   PřihlášeníPřihlášení 

Rozvod DVBT2 - SAT - FM v rodinném domku

 
Přidat nové téma   Zaslat odpověď       Obsah fóra Diskuzní fórum Elektro Bastlírny -> Příjem DVB-T, DVB-C, DVB-S, IPTV, FM a dalších
Zobrazit předchozí téma :: Zobrazit následující téma  
Autor Zpráva
vasekpetr1



Založen: Jun 20, 2005
Příspěvky: 974
Bydliště: Hospoda u Třebíče

PříspěvekZaslal: ne leden 15 2023, 13:32    Předmět: Rozvod DVBT2 - SAT - FM v rodinném domku Citovat

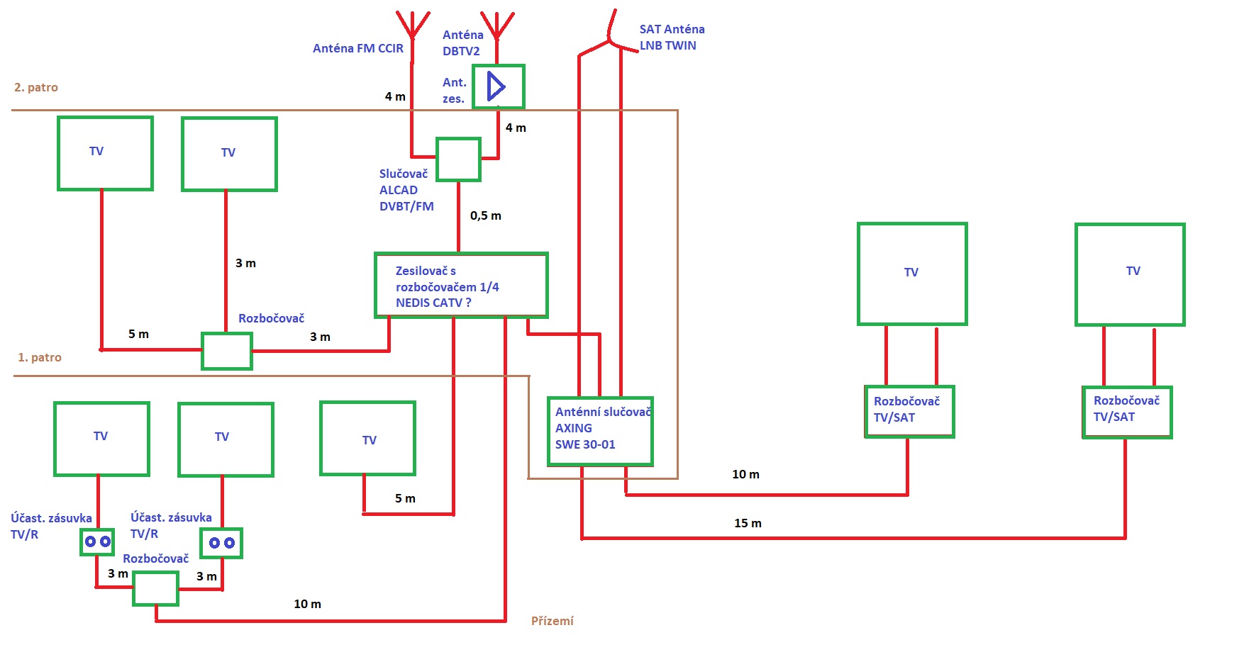
Zdravím, mám na rodinném domě jednu SAT parabolu s TWIN LNB pro příjem Skylink na dvou TV, dále klasické polské síto s anténním předzesilovačem a několik po domě roztahaných TV s HiFi věží v garáži a pod pergolou. Nyní je k TV, kde se přijímá satelit přitažen jeden koaxiál, pozemní signál není využit. Chtěl bych satelitní a pozemní signál sloučit do sebe, aby na těch dvou TV byl možný příjem obou signálů. K tomu uvažuji použít AXING SWE 30-01, pro zesílení a rozbočení DVBT signálu uvažuji nad NEDIS CATV. Je moje rozvržení v pořádku nebo myslím blbě a bude to přebuzené? Za nynějšího stavu, kdy z DBTV síta jde signál přes dva klasické rozbočovače do pergoly(délka kolem 15 metrů), tak signál už je slabý a kostičkuje. Díky za rady, případně jestli poradíte jaký slučovač FM/DBTV2 a zda existuje rozbočovač na F-konektory na způsob koncové účastnické zásuvky pro rozbočení SAT/DBTV2.
Případně jestli to mám celé překopat a zapojit jinak?



Antenní rozvod 1.jpg
 Komentář:
 Velikost:  173.91 kB
 Zobrazeno:  217 krát

Antenní rozvod 1.jpg


Návrat nahoru
Zobrazit informace o autorovi Odeslat soukromou zprávu Odeslat e-mail
vasekpetr1



Založen: Jun 20, 2005
Příspěvky: 974
Bydliště: Hospoda u Třebíče

PříspěvekZaslal: čt leden 19 2023, 16:06    Předmět: Citovat

Tak nakonec díky radám odborníka jsem se to rozhodl poskládat takto:
- nahoře antena FTE Hydra 35G(DVBT2) a Omnidirect pro FM
- u antén slučovač Alcad AM 187
- napájí to zdroj Alcad AL 105
- pozemní signál rozbočím FTE TER 3
- do satelitního signálu dostanu pozemní signál přes AXING SWE 30-01.

Tak snad to bude fungovat.



antenní rozvod 1-1.jpg
 Komentář:
 Velikost:  186.44 kB
 Zobrazeno:  154 krát

antenní rozvod 1-1.jpg


Návrat nahoru
Zobrazit informace o autorovi Odeslat soukromou zprávu Odeslat e-mail
judeware



Založen: Aug 04, 2009
Příspěvky: 1774
Bydliště: okres Písek

PříspěvekZaslal: út leden 24 2023, 20:53    Předmět: Citovat

Antény typu Hydra mi nepřijdou jako něco extra (více ráhen, více Adidas?). Zlatá Color Vaten, nebo "české" síto. Embarassed
Návrat nahoru
Zobrazit informace o autorovi Odeslat soukromou zprávu Odeslat e-mail
scorpions-cz



Založen: Mar 19, 2011
Příspěvky: 2028
Bydliště: Jižní Čechy Dačicko

PříspěvekZaslal: út leden 24 2023, 23:02    Předmět: Citovat

judeware
osobně mám radši od Vatenu antény typu VT např. VT12. Oproti COLORkám, nemají plastový díly.
Návrat nahoru
Zobrazit informace o autorovi Odeslat soukromou zprávu Odeslat e-mail
judeware



Založen: Aug 04, 2009
Příspěvky: 1774
Bydliště: okres Písek

PříspěvekZaslal: st leden 25 2023, 19:14    Předmět: Citovat

U té Hydry bych se bál mechanické nestability - subtilní hliník, plus "jakési" plasty. Kvalita těchto "sušáků" je podle mě pochybná.

Ad Vaten Color - od listopadu marně čekám na zásilku z www.antena.cz (partner výrobce). Výroba stojí kvůli ceně hliníku i energií. Co s tím? V objednávce byly údaje "koncového zákazníka" (příbuzný), ale platba šla z mého účtu. To jsem si zase přidělal práci. Embarassed

Originál Colorka z Chlumce stála tehdy o 700Kč víc.
Návrat nahoru
Zobrazit informace o autorovi Odeslat soukromou zprávu Odeslat e-mail
Zobrazit příspěvky z předchozích:   
Přidat nové téma   Zaslat odpověď       Obsah fóra Diskuzní fórum Elektro Bastlírny -> Příjem DVB-T, DVB-C, DVB-S, IPTV, FM a dalších Časy uváděny v GMT + 1 hodina
Strana 1 z 1

 
Přejdi na:  
Nemůžete odesílat nové téma do tohoto fóra.
Nemůžete odpovídat na témata v tomto fóru.
Nemůžete upravovat své příspěvky v tomto fóru.
Nemůžete mazat své příspěvky v tomto fóru.
Nemůžete hlasovat v tomto fóru.
Nemůžete připojovat soubory k příspěvkům
Můžete stahovat a prohlížet přiložené soubory

Powered by phpBB © 2001, 2005 phpBB Group
Forums ©
Nuke - Elektro Bastlirna

Informace na portálu Elektro bastlírny jsou prezentovány za účelem vzdělání čtenářů a rozšíření zájmu o elektroniku. Autoři článků na serveru neberou žádnou zodpovědnost za škody vzniklé těmito zapojeními. Rovněž neberou žádnou odpovědnost za případnou újmu na zdraví vzniklou úrazem elektrickým proudem. Autoři a správci těchto stránek nepřejímají záruku za správnost zveřejněných materiálů. Předkládané informace a zapojení jsou zveřejněny bez ohledu na případné patenty třetích osob. Nároky na odškodnění na základě změn, chyb nebo vynechání jsou zásadně vyloučeny. Všechny registrované nebo jiné obchodní známky zde použité jsou majetkem jejich vlastníků. Uvedením nejsou zpochybněna z toho vyplývající vlastnická práva. Použití konstrukcí v rozporu se zákonem je přísně zakázáno. Vzhledem k tomu, že původ předkládaných materiálů nelze žádným způsobem dohledat, nelze je použít pro komerční účely! Tento nekomerční server nemá z uvedených zapojení či konstrukcí žádný zisk. Nezodpovídáme za pravost předkládaných materiálů třetími osobami a jejich původ. V případě, že zjistíte porušení autorského práva či jiné nesrovnalosti, kontaktujte administrátory na diskuzním fóru EB.


PHP-Nuke Copyright © 2005 by Francisco Burzi. This is free software, and you may redistribute it under the GPL. PHP-Nuke comes with absolutely no warranty, for details, see the license.
Čas potřebný ke zpracování stránky 0.23 sekund