Vítejte na Elektro Bastlírn?
Nuke - Elektro Bastlirna
  Vytvořit účet Hlavní · Fórum · DDump · Profil · Zprávy · Hledat na fóru · Příspěvky na provoz EB

Vlákno na téma KORONAVIRUS - nutná registrace


Nuke - Elektro Bastlirna: Diskuzní fórum

 FAQFAQ   HledatHledat   Uživatelské skupinyUživatelské skupiny   ProfilProfil   Soukromé zprávySoukromé zprávy   PřihlášeníPřihlášení 

EMP PROTECTION / STAVBA EMP ODOLNEJ DIELNE
Jdi na stránku 1, 2, 3, 4, 5  Další
 
Přidat nové téma   Zaslat odpověď       Obsah fóra Diskuzní fórum Elektro Bastlírny -> Hvjezdná pjechota
Zobrazit předchozí téma :: Zobrazit následující téma  
Autor Zpráva
SimonHosa



Založen: Jul 22, 2014
Příspěvky: 107
Bydliště: Spišský Štiavnik

PříspěvekZaslal: pá leden 06 2023, 20:09    Předmět: EMP PROTECTION / STAVBA EMP ODOLNEJ DIELNE Citovat

Ahojte, dnešná závislosť na elektrickej energii je neskutočná. O tom snáď ani nemusíme diskutovať. Momentálna situácia na Ukrajine a hrozba slnečných erupcií ma prinútili k zváženiu stavby odolnej voči EMP. Keďže nie je mysliteľné zakaždým odkladať a presúvať veci do faradajových klietok rozhodol som sa pre stavbu EMP odolnej dielne. Zaujímam sa o praktické ale aj teoretické skúsenosti ohľadom tejto problematiky.

V dielni chcem mať samozrejme elektrinu a internet. Internet oddelím optickým káblom, no silová prípojka ma trápi oveľa viac. Ako čo najlepšie odizolovať sieť od mojej dielne tak aby nebolo možné preniesť žiadne prepätie.

Rozmýšľal som o oddeľovacom transformátore ale neviem ako by sa správal pri elektromagnetickom pulze. Teda či by preniesol nejaké rušenie ktoré by mohlo poškodiť elektroniku vo vnútri.

Napadlo ma skúsiť to ochrániť TVS diódami v kombinácii z MOV a kondenzátorom. Dve mnou navrhnuté schémy odpojovača a zvodiča prepätia prikladám nižšie. Čo si o tom myslíte?
TVS dióda
skratový prúd 200a počas 10ms
maximálne napätie 414v
reakčný čas 1ns

MOV varistor
skratový prúd 8000a počas 20ns
maximálne napätie 710v
reakčný čas 10us

Na obrázkoch nižšie je model spomínanej dielne. Vonkajšiu konštrukciu bude tvoriť plech 0,55mm pozink potom drevený rám hliníková izolačná fólia, samozrejme všetky spoje budú prelepené hliníkovou páskou a na to pôjde bukas. Skrutky budú opäť prelepene gumovou izolačnou páskou. Vonkajšia vrstva by bola uzemnená a vnútorná tvorená hliníkovou fóliou by bola neuzemnená / plávajúca. Súčasťou je aj predkomora, ktorá zabezpečí že vždy budú aspoň jedny dvere zatvorené a elektronika tak nikdy nebude exponovaná okolitým vplyvom.

Budem vďačný za každú pomoc tip a odporúčanie.



Snímka01.PNG
 Komentář:
 Velikost:  149.31 kB
 Zobrazeno:  164 krát

Snímka01.PNG



Snimka02_50.png
 Komentář:
 Velikost:  162.38 kB
 Zobrazeno:  206 krát

Snimka02_50.png



Snimka03_50.png
 Komentář:
 Velikost:  218.87 kB
 Zobrazeno:  161 krát

Snimka03_50.png



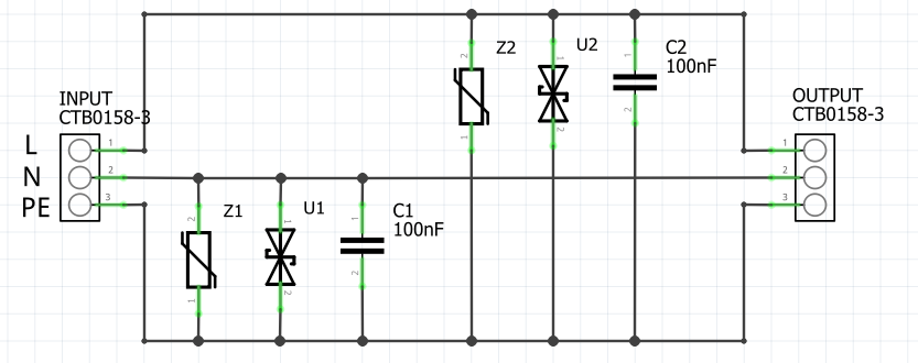
ovp.PNG
 Komentář:
Zvodič prepätia
 Velikost:  42.36 kB
 Zobrazeno:  153 krát

ovp.PNG



ovpm.PNG
 Komentář:
Odpojovač z poistkou a TVS, ktoré po prepálení poistky odpojí relé.
 Velikost:  100.21 kB
 Zobrazeno:  147 krát

ovpm.PNG


Návrat nahoru
Zobrazit informace o autorovi Odeslat soukromou zprávu Odeslat e-mail Zobrazit autorovy WWW stránky
Ivan_01



Založen: Sep 15, 2018
Příspěvky: 1404
Bydliště: BB SK

PříspěvekZaslal: pá leden 06 2023, 20:53    Předmět: Citovat

podľa mňa si málo paranoidný, chcelo by to pridať. Po technickej stránke, hliníková lepiaca páska nieje vhodná, lepiaca vrstva nieje vodivá, použi nity. Čo sa týka el. energie, potrebuješ sa úplne oddeliť od siete, použi elektrocentrálu. Ale inak aj mňa by zaujímalo, čo by sa dialo v Európe s rozvodmi energie, komunikáciami, počítačmi, autami, keby puťko šupol jednu takú rachejtľu strednej ráže niekde nad Severné more

Naposledy upravil Ivan_01 dne so leden 07 2023, 9:13, celkově upraveno 1 krát.
Návrat nahoru
Zobrazit informace o autorovi Odeslat soukromou zprávu
rnbw



Založen: Mar 21, 2006
Příspěvky: 36889
Bydliště: Bratislava

PříspěvekZaslal: pá leden 06 2023, 21:07    Předmět: Citovat

Existuju aj lepiace pasky s vodivym lepidlom, ale nebyvaju prave lacne. Vyskytuju sa napr. v LCD monitoroch.
Návrat nahoru
Zobrazit informace o autorovi Odeslat soukromou zprávu
mihal



Založen: Apr 06, 2005
Příspěvky: 1850
Bydliště: Zilina

PříspěvekZaslal: pá leden 06 2023, 21:13    Předmět: Citovat

Bežné zostavy systémov LPS sú navrhnuté pre pohltenie indukovaných prepätí od 250kA bleskových prúdov, na tvoju aplikáciu musia postačiť.
Al páskou sa vytvára kapacitné spojenie, vhodné pre vyššie frekvencie.
Dobrú inšpiráciu nájdeš v laboratóriu EMC.
EDIT: Nezabudni na vetranie, človek bez vzduchu dlho nevydrží.
Návrat nahoru
Zobrazit informace o autorovi Odeslat soukromou zprávu
SimonHosa



Založen: Jul 22, 2014
Příspěvky: 107
Bydliště: Spišský Štiavnik

PříspěvekZaslal: pá leden 06 2023, 22:06    Předmět: Citovat

Áno samozrejme vetranie cez nejaký sifónový princíp, bude sa tam spájkovať. Tá primárna vonkajšia kovová skrinka bude úplne uzavretá 0,55 pozink a plechy sa budú prekrývať. Fólia je len zicher, viem že ideálne to má byť všetko spojene. To budem dajako riešiť na mieste...

K tomu úplnému oddeleniu. Elektrocentrála bude tiež v pase (AVR) sú polovodičové aspoň tie čo som ja videl. Takže budem riešiť aj nejakú ochranu pre fotovoltaiku.

Čo sa týka uzemnenia tak asi by bolo lepšie spraviť oddelené z nejakých 5 tyčí. Máme celkom dlhé vedenie takže reálne hrozí že sa tam niečo naindukuje. Tým pádom by ta prepäťovka nemusela fungovať správne.

A keď sme už načali tu paranoju tak ako by sa podľa vás dalo chrániť auto? Nejaká TVS / MOV zostava paralelne na batériu no v riadiacej jednotke bude aj tak DC/DC na 5/3v pre senzory / komunikáciu... ktoré nebudú chránené.
Návrat nahoru
Zobrazit informace o autorovi Odeslat soukromou zprávu Odeslat e-mail Zobrazit autorovy WWW stránky
lopez



Založen: Dec 17, 2011
Příspěvky: 899

PříspěvekZaslal: so leden 07 2023, 7:35    Předmět: Citovat

No ak by sa použil lodný kontajner? - tak by sa vyriešilo veľa vecí naraz. Very Happy

Aj presun celej "dielne" na bezpečnejšie miesto.Very Happy
Návrat nahoru
Zobrazit informace o autorovi Odeslat soukromou zprávu
lopez



Založen: Dec 17, 2011
Příspěvky: 899

PříspěvekZaslal: so leden 07 2023, 8:03    Předmět: Citovat

"Súčasťou je aj predkomora, ktorá zabezpečí že vždy budú aspoň jedny dvere zatvorené a elektronika tak nikdy nebude exponovaná okolitým vplyvom."

Tam by vošla aj chemická "sprcha". Very Happy ... pre istotu
Návrat nahoru
Zobrazit informace o autorovi Odeslat soukromou zprávu
kejki



Založen: Nov 10, 2009
Příspěvky: 2885
Bydliště: u Velvar, mezi D8 a R7

PříspěvekZaslal: so leden 07 2023, 8:57    Předmět: Citovat

lopez napsal(a):
Aj presun celej "dielne" na bezpečnejšie miesto.Very Happy

A čím? Nastane apokalypsa.
Návrat nahoru
Zobrazit informace o autorovi Odeslat soukromou zprávu
Hill
Administrátor


Založen: Sep 10, 2004
Příspěvky: 20919
Bydliště: Jičín, Český ráj

PříspěvekZaslal: so leden 07 2023, 9:08    Předmět: Citovat

To by chtělo zabezpečit i dvojité stěny kontejneru samouzavírací pěnou, jakou mají štábní kontejnery NATO pro případ průstřelu, aby se dovnitř nedostaly chemické látky.
Nadzemní kontejner by se musel také důkladně ukotvit k pořádně velké základové desce, aby ho tlaková vlna následující po EMP neutrhla a neodnesla. Nejlépe obetonovat, tak dvě tři svařované armatury v 25 cm betonu stačí, a zasypat do zeminového valu. Tím by přestal být nadzemním...
Nebo kontejner přestěhovat do Karasovej diery, tu máš téměř v místě, ale ještě lépe do opálových baní. Ty jsou ze Spiše sice až za Prešovem, ale není nad nimi 250 - 300 metrů žulového masivu a asi tam nebude dostatek podzemní vody, jaký mají v archivu s nejvyšší ochranou UNESCO v bývalém stříbrném dolu Barbarastollen u Oberriedu ve Schwarzwaldu (mimochodem, tam se i vyskytuje několik zdrojů podzemní vody a spolu s vysráženou vlhkostí stékají do nádrže, z níž pak pohání minimálním průtokem 20 litrů/s vlastní elektrárnu 3x5 kW, ta živí trvale automatickou klimatizaci spínanou při zjištění odchylky relativní vlhkosti vzduchu; normálně běhá jen jedna turbína, ale krátkodobě, když tam jsou lidi, až na tři dny, co dá bazén, lze spustit druhou, třetí je rezervní, kdyby se jedna musela opravovat, takový zdroj by ti uživil vedle běžné spotřeby větrání, klimatizaci, filtraci vzduchu i případnou úpravu vody).
Aspoň by kolem Prešova mezi ty turistické atrakce přibyla další.

To, že jsi paranoidní, neznamená, že po tobě nejdou.

A teď vážně: ...kurňa, nic mě nenapadá...
Návrat nahoru
Zobrazit informace o autorovi Odeslat soukromou zprávu
Ivan_01



Založen: Sep 15, 2018
Příspěvky: 1404
Bydliště: BB SK

PříspěvekZaslal: so leden 07 2023, 9:09    Předmět: Citovat

elektrocentrála by samozrejme musela byť v chránenom priestore. A čo sa týka vozidla, taký Trabant alebo Wartburg majú minimum elektroniky a napríklad kôň, ten nemá elektroniku žiadnu, preto je k EMP absolútne necitlivý. Lodný kontajner, skúšali sme to, dá sa v ňom normálne telefonovať z mobilu, síce na len pri dverách, signál na hrane, ale dá sa.
Návrat nahoru
Zobrazit informace o autorovi Odeslat soukromou zprávu
jezevec
Hlavní moderátor


Založen: Jun 13, 2004
Příspěvky: 6091
Bydliště: Břeclavsko

PříspěvekZaslal: so leden 07 2023, 9:39    Předmět: Citovat

Měl jsem jednoho známého co měl podobnou paranoi. Jen s tím rozdílem, že si myslel, že ho někdo pořád sleduje. Dokonce podezříval manželku, že se s "nimi" spolčila.
No asi po roku a půl skončil na uzavřeném oddělení psychiatrické kliniky.
Návrat nahoru
Zobrazit informace o autorovi Odeslat soukromou zprávu Zobrazit autorovy WWW stránky
HF_Tech



Založen: Apr 25, 2022
Příspěvky: 1842

PříspěvekZaslal: so leden 07 2023, 9:48    Předmět: Citovat

Kup si obytný NATO kontejner. Dá se sehnat za podobnou cenu jako tě bude stát materiál a práce na ten plech.
Nejlepší odstínění je stejně železobeton s provařenou kari sítí.

Odfiltrování přepětí řeší filtr NEMP. Je na to norma.
Nejjednodušší je na přivod dát trubičkové pojistky a jiskřiště. Pak oddělovací transformátor s oddělenými vinutími v komůrkách. Za trafem už stačí varistory a případně jednoduchý filtr. Pak to celé můsí být vhodně umístěné v plechové bedně s oddělenými komůrkami.
Vtip je v tom, že jiskřistě pobere obrovský výkon a nedegraduje v čase jako varistor. Při velkém přepětí přehoří pojistky a oddělí zbytek od sítě. Trafo díky přesycení jádra na výstup přepětí nepustí.
Návrat nahoru
Zobrazit informace o autorovi Odeslat soukromou zprávu
BOBOBO
Doporučuje se dohled moderátorů


Založen: Feb 25, 2008
Příspěvky: 20551
Bydliště: Rychnovsko

PříspěvekZaslal: so leden 07 2023, 10:03    Předmět: Citovat

No a pokud půjde proud , může mít centrálu uvnitř jinak nezabezpečenou a vyndat po úderu . Jenomže budeš mít daleko horší starost . Kdokoliv potom půjde kolem a uslyší centrálu , půjde po tobě .
Návrat nahoru
Zobrazit informace o autorovi Odeslat soukromou zprávu
Crifodo



Založen: Oct 11, 2005
Příspěvky: 15004

PříspěvekZaslal: so leden 07 2023, 10:07    Předmět: Citovat

SimonHosa napsal(a):
Ahojte, dnešná závislosť na elektrickej energii je neskutočná. O tom snáď ani nemusíme diskutovať. Momentálna situácia na Ukrajine a hrozba slnečných erupcií ma prinútili k zváženiu stavby odolnej voči EMP.

Zajímavé myšlenkové pochody. Asi fakt něco bude na tezi ZdHQ, že EB je podrobována nějakému testování.
Za hrozbu se dá každopádně pokládat, a to dlouhodobě, jednak vlastní vlády a jednak jejich voliči. Sluneční erupce jsou proti tomu selanka.
Tak co, za jak dlouho koš?
Návrat nahoru
Zobrazit informace o autorovi Odeslat soukromou zprávu Odeslat e-mail
Hill
Administrátor


Založen: Sep 10, 2004
Příspěvky: 20919
Bydliště: Jičín, Český ráj

PříspěvekZaslal: so leden 07 2023, 10:15    Předmět: Citovat

Ještě to nechám. Koukám, jak se lidi baví (kdo chce kam...) a nenadávají si. To už tu dlouho nebylo.
Návrat nahoru
Zobrazit informace o autorovi Odeslat soukromou zprávu
Zobrazit příspěvky z předchozích:   
Přidat nové téma   Zaslat odpověď       Obsah fóra Diskuzní fórum Elektro Bastlírny -> Hvjezdná pjechota Časy uváděny v GMT + 1 hodina
Jdi na stránku 1, 2, 3, 4, 5  Další
Strana 1 z 5

 
Přejdi na:  
Nemůžete odesílat nové téma do tohoto fóra.
Nemůžete odpovídat na témata v tomto fóru.
Nemůžete upravovat své příspěvky v tomto fóru.
Nemůžete mazat své příspěvky v tomto fóru.
Nemůžete hlasovat v tomto fóru.
Nemůžete připojovat soubory k příspěvkům
Můžete stahovat a prohlížet přiložené soubory

Powered by phpBB © 2001, 2005 phpBB Group
Forums ©
Nuke - Elektro Bastlirna

Informace na portálu Elektro bastlírny jsou prezentovány za účelem vzdělání čtenářů a rozšíření zájmu o elektroniku. Autoři článků na serveru neberou žádnou zodpovědnost za škody vzniklé těmito zapojeními. Rovněž neberou žádnou odpovědnost za případnou újmu na zdraví vzniklou úrazem elektrickým proudem. Autoři a správci těchto stránek nepřejímají záruku za správnost zveřejněných materiálů. Předkládané informace a zapojení jsou zveřejněny bez ohledu na případné patenty třetích osob. Nároky na odškodnění na základě změn, chyb nebo vynechání jsou zásadně vyloučeny. Všechny registrované nebo jiné obchodní známky zde použité jsou majetkem jejich vlastníků. Uvedením nejsou zpochybněna z toho vyplývající vlastnická práva. Použití konstrukcí v rozporu se zákonem je přísně zakázáno. Vzhledem k tomu, že původ předkládaných materiálů nelze žádným způsobem dohledat, nelze je použít pro komerční účely! Tento nekomerční server nemá z uvedených zapojení či konstrukcí žádný zisk. Nezodpovídáme za pravost předkládaných materiálů třetími osobami a jejich původ. V případě, že zjistíte porušení autorského práva či jiné nesrovnalosti, kontaktujte administrátory na diskuzním fóru EB.


PHP-Nuke Copyright © 2005 by Francisco Burzi. This is free software, and you may redistribute it under the GPL. PHP-Nuke comes with absolutely no warranty, for details, see the license.
Čas potřebný ke zpracování stránky 0.52 sekund