Vítejte na Elektro Bastlírn?
Nuke - Elektro Bastlirna
  Vytvořit účet Hlavní · Fórum · DDump · Profil · Zprávy · Hledat na fóru · Příspěvky na provoz EB

Vlákno na téma KORONAVIRUS - nutná registrace


Nuke - Elektro Bastlirna: Diskuzní fórum

 FAQFAQ   HledatHledat   Uživatelské skupinyUživatelské skupiny   ProfilProfil   Soukromé zprávySoukromé zprávy   PřihlášeníPřihlášení 

Fázování dvou frekvencí
Jdi na stránku 1, 2  Další
 
Přidat nové téma   Zaslat odpověď       Obsah fóra Diskuzní fórum Elektro Bastlírny -> Řešení problémů s různými konstrukcemi
Zobrazit předchozí téma :: Zobrazit následující téma  
Autor Zpráva
jova1



Založen: Dec 20, 2007
Příspěvky: 1346
Bydliště: Chýnov - to je kousek od Tábora

PříspěvekZaslal: so leden 29 2022, 20:29    Předmět: Fázování dvou frekvencí Citovat

Zdravím.
Nemáte někdo nápad jak vytvořit obvod na fázování dvou zdrojů? Stačí mi, aby v okamžiku překrytí sinusovek (žárovka zhasne), to sepnulo relé / optočlen. Jedním zdrojem je síť, druhým měnič se sinusovým výstupem. Napětí buď přímo 230V, nebo jakékoliv jiné, brané z transformátorů.
Nemusí to být na 100%, stačí klidně do nějakých 5% - 10%, stejně tam bude při přepnutí několik desítek ms prodleva.
https://www.youtube.com/watch?v=r6PfQ83kNis
Návrat nahoru
Zobrazit informace o autorovi Odeslat soukromou zprávu Zobrazit autorovy WWW stránky
kutilmil
Pod dozorem moderátorů


Založen: Nov 01, 2008
Příspěvky: 4297
Bydliště: Skalica

PříspěvekZaslal: so leden 29 2022, 20:48    Předmět: Citovat

Miesto žiarovky dať operák s oneskorovacím členom. ( aby to zoplo až ked tie sinusovky na sebe chvílu postoja) a potom rele môže ržať cez samodržny kontakt
Návrat nahoru
Zobrazit informace o autorovi Odeslat soukromou zprávu
termit256



Založen: Dec 06, 2007
Příspěvky: 10335

PříspěvekZaslal: so leden 29 2022, 20:55    Předmět: Citovat

Das tam detektory pruchodu nulou s optocleny, https://www.google.com/search?q=isolated+zero+crossing+detector vystupy do jakehokoliv MCU ktery da povel k sepnuti v okamziku v jakem uznas za vhodne. Slo by to udelat napr. i jako TTL orloj, ale tohle je nejjednodussi.
Návrat nahoru
Zobrazit informace o autorovi Odeslat soukromou zprávu
kutilmil
Pod dozorem moderátorů


Založen: Nov 01, 2008
Příspěvky: 4297
Bydliště: Skalica

PříspěvekZaslal: so leden 29 2022, 21:17    Předmět: Citovat

On potrebuje aby mal na výstupe najlepšie log1 len po dobu, keď budú sinusovky prekryté. a najlepšie ked sa tak udržia aspon sekundu.
Návrat nahoru
Zobrazit informace o autorovi Odeslat soukromou zprávu
jova1



Založen: Dec 20, 2007
Příspěvky: 1346
Bydliště: Chýnov - to je kousek od Tábora

PříspěvekZaslal: so leden 29 2022, 22:02    Předmět: Citovat

Dík za rady, něco už funguje s těmi optočleny. Zkusím zítra zvýšit napětí, zatím to napájím ze zvonkových transformátorů. Ano potřebuju v podstatě jen „podchytit“ okamžik toho překrytí. O vlastní sepnutí v nule se pak postará další obvod.
Návrat nahoru
Zobrazit informace o autorovi Odeslat soukromou zprávu Zobrazit autorovy WWW stránky
ZdenekHQ
Administrátor


Založen: Jul 21, 2006
Příspěvky: 25741
Bydliště: skoro Brno

PříspěvekZaslal: so leden 29 2022, 22:13    Předmět: Citovat

No, když jsme blbli s docela výkonným, ale nestabilním motorgenerátorem a nafázováním na síť, tak nestačila shoda kmitočtů. Ona ta potvora neuměla moc brzdit, jen přidávat. Takže se musel testovat i samotný kmitočet generátoru, aby byl níž a směrem k nafázování. Jinak lítaly deony.
_________________
Pro moje oslovení klidně použijte jméno Zdeněk
Správně navržené zapojení je jako recept na dobré jídlo.
Můžete vynechat půlku ingrediencí, nebo přidat jiné,
ale jste si jistí, že vám to bude chutnat[?
]
Návrat nahoru
Zobrazit informace o autorovi Odeslat soukromou zprávu Zobrazit autorovy WWW stránky
jova1



Založen: Dec 20, 2007
Příspěvky: 1346
Bydliště: Chýnov - to je kousek od Tábora

PříspěvekZaslal: so leden 29 2022, 22:36    Předmět: Citovat

Tohle je měnič 5kW a asi bude mít frekvenci řízenou krystalem. Momentálně trvá cca 20s mezi překrytím. Má to sloužit jen k přepínání mezi ním a sítí do zátěže. Současně oba do jedné zátěže nepůjdou nikdy. Nechci, aby třeba do roztočeného motoru, vlítla při přepnutí ta sinusovka s obrácenou polaritou
Návrat nahoru
Zobrazit informace o autorovi Odeslat soukromou zprávu Zobrazit autorovy WWW stránky
ZdenekHQ
Administrátor


Založen: Jul 21, 2006
Příspěvky: 25741
Bydliště: skoro Brno

PříspěvekZaslal: so leden 29 2022, 23:05    Předmět: Citovat

Tak pokud se nestane, že se potká v nule třeba 50Hz a 60Hz, navíc se nespojí natvrdo, tak je to poměrně jednoduchý.

Každopádně detekce shody nul a kmitočtů ještě neznamená, že tam v okamžiku přepnutí nevznikne špička, co natáhne třeba jiskru mezi kontaktama přepínacího relé u indukční zátěže.

Lepší je to přepnout sekvenčně, výpadek jedné periody nic neohrozí.

_________________
Pro moje oslovení klidně použijte jméno Zdeněk
Správně navržené zapojení je jako recept na dobré jídlo.
Můžete vynechat půlku ingrediencí, nebo přidat jiné,
ale jste si jistí, že vám to bude chutnat[?
]
Návrat nahoru
Zobrazit informace o autorovi Odeslat soukromou zprávu Zobrazit autorovy WWW stránky
jova1



Založen: Dec 20, 2007
Příspěvky: 1346
Bydliště: Chýnov - to je kousek od Tábora

PříspěvekZaslal: pá prosinec 30 2022, 21:01    Předmět: Citovat

Zdravím. Tak sfázování mi už nějakou dobu funguje, ale narazil jsem na další problém.
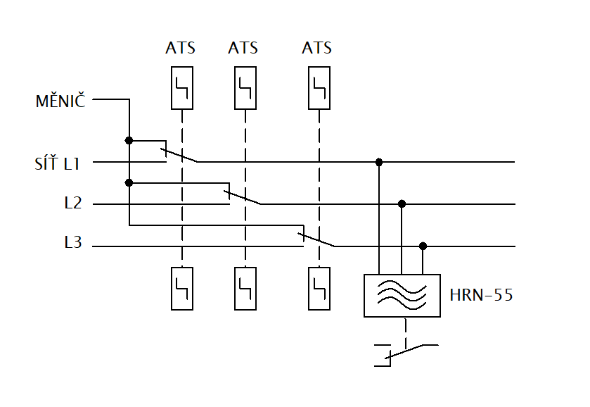
To sfázování využívám pro přepojování napětí z jednofázového měniče a 3f. sítě, na rozvod rodinného domu. Zajišťuje mi, že jednotlivé přepínače ATS (jsou to v podstatě klopná relé, se dvěma cívkami, řízená impulsem), přepnou ze sítě na měnič, nebo opačně, pouze v okamžiku, kdy je fáze měniče souhlasná s konkrétní fází sítě.
Abych se ale posunul dál, potřebuji pro další ovládání na výstupu za přepínači zjišťovat stav, zda je dům napájen třemi fázemi, nebo pouze jednofázově.
Domníval jsem se, že bude stačit na výstup zapojit 3f. relé hlídající sled a výpadky fází HRN-55, ale bohužel to nefunguje. V okamžiku, kdy jsou připojení dvě síťové fáze a třetí fázi nahrazuje ten měnič, tak relé při určitém posunu fáze měniče vyhodnotí, jako by tam byly fáze všechny 3 a po chvíli zase ne. Tím pádem mi bohužel nevysílá jednoznačný povel pro další řízení.
Nemáte někdo nějaký nápad jak jednoznačně vyhodnotit stav výstupu? V podstatě mi stačí zjisti, kdy jsou tam tři fáze ze sítě.



ATS.png
 Komentář:
 Velikost:  10.9 kB
 Zobrazeno:  96 krát

ATS.png


Návrat nahoru
Zobrazit informace o autorovi Odeslat soukromou zprávu Zobrazit autorovy WWW stránky
Mahoney



Založen: Oct 26, 2019
Příspěvky: 679

PříspěvekZaslal: pá prosinec 30 2022, 23:53    Předmět: Citovat

Je potřeba zjistit, jestli ten měnič dává čistou sinusovku, a nebo jestli je to tzv. "modifikovaný sinus" (což tipuju). Pakliže se ukáže že je to modifikovaná sinusovka, je potřeba ji za účelem měření na tom relé vyčistit, "vyhladit" (tzn. nemusíš tím napájet celý dům, jen ji přivést čistou na to měřící relé hlídající sled fází). Je s tím ovšem jistý problém, protože ten filtr ti ten signál nesmí zpozdit (tudíž nesmí obsahovat indukci).

Pokud potřebuješ vědět jen a pouze to, kdy máš všechny tři stykače přeplé na síť, tak si sestav ze tří pomocných relátek reléový AND/NAND (cívky ke stykačům, kontakty do série za sebe)… a nebo, pokud ty stykače mají pomocné kontakty a zůstaly volné, můžeš použít přímo je.
Návrat nahoru
Zobrazit informace o autorovi Odeslat soukromou zprávu
jova1



Založen: Dec 20, 2007
Příspěvky: 1346
Bydliště: Chýnov - to je kousek od Tábora

PříspěvekZaslal: so prosinec 31 2022, 8:17    Předmět: Citovat

Měnič je samozřejmě sinusový, v tom problém není. Problém v tom zapojení s hlídačem fází je, že v určitém okamžiku, pokud se jedna fáze sítě, „nahradí“ fází z toho měniče, tak se stane jako by plovoucí a oproti těm dvěma má jinou frekvenci. Díky tomu, pokud se „nasune“ do místa kde tu fázi nahradí (myšleno cca do těch 120st. oproti ostatním) tak relé vyhodnotí, že je vše OK. Pokud se vůči ostatním posune do jiného místa, tak samozřejmě relé vyhodnotí ztrátu fáze.
Pomocné kontakty ty přepínače ATS mají, ale v mém případě se bohužel nedají použít. Jsou napojené na vnitřní relé, které vyžaduje trvalé napájení toho přepínacího napětí. Tím jak přepínám pouze impulzem, tak jejich vnitřní relé přepne pouze v době toho přepínacího impulzu a pak se vrátí do klidové polohy. Napadlo mě ty jeho kontakty využít k tomu, aby při přepnutí “podržely“ to napětí na přepínači ATS, ale mám obavy, pokud by to udělaly všechny tři, tak by se vlastně ty relátka propojily do hvězdy a protože je odpojuju pomocí nulového vodiče, tak by se už nikdy nevypnuly.
Zatím se zdá, že jediný způsob je skutečně připojit ke spínačům ATS ještě paralelně, jako pomocné klopné relé a použít na vyhodnocení ta. Bohužel se mi zatím nedaří najít relé, které by mělo ovládání pomocí dvou samostatných cívek, aby opět ta výstupní informace byla jednoznačná. Jediná co to mají, jsou označovaná jako impulzní relé s centrální funkcí a ty pod 1000Kč nejdou Sad
Návrat nahoru
Zobrazit informace o autorovi Odeslat soukromou zprávu Zobrazit autorovy WWW stránky
Mahoney



Založen: Oct 26, 2019
Příspěvky: 679

PříspěvekZaslal: so prosinec 31 2022, 11:53    Předmět: Citovat

jova1 napsal(a):
Měnič je samozřejmě sinusový, v tom problém není.

To si myslet můžeš, ale chování toho měřícího relé svědčí o něčem trochu jiném. Jinými slovy, dokud se na výstupní sinus z toho měniče nepodíváš osciloskopem, nebudeš to vědět jistě (a roli může hrát i zatížení toho měniče), bez měření není vědění.

Ta pomocná relátka nemusí být bistabilní, stačí obyčejná, resp. asi dobře nechápu důvod, proč uvažuješ o bistabilních (tedy pokud je to tak jak jsi napsal, že ti stačí vědět jen stav, kdy máš všechny tři fáze na vnější síti). Na kontaktech těch relátek ani nemusí být 230V, tzn. pokud tu informaci z kontaktů potřebuješ nějak podržet, může to snadno obstarat i nějaká jednoduchá 5V (12V) elektronika (s tím ti klidně pomůžu, když bys potřeboval, pokud to není tvůj šálek kávy a chtěl bys jít touto cestou).

Bistabilní relé také můžeš, pokud bude mít to pomocné relé dva kontakty, nahradit tak, že ho zapojíš jako samodržné s rozpojením (dá se použít k zachycení té informace za těmi třemi kontakty). Do hvězdy nic propojovat nebudeš, viz obr. (nevím jestli potřebuješ spínací nebo rozpínací, nakreslil jsem spínací, a podotýkám že zde mám na mysli kontakty těch přidaných pomocných relé, nikoliv ty na ATSkách). Jinak nenapsal jsi, co s tou informací o připnutí všech tří fází do vnější sítě zamýšlíš dál.



kontakty.png
 Komentář:
 Velikost:  9.61 kB
 Zobrazeno:  96 krát

kontakty.png


Návrat nahoru
Zobrazit informace o autorovi Odeslat soukromou zprávu
jova1



Založen: Dec 20, 2007
Příspěvky: 1346
Bydliště: Chýnov - to je kousek od Tábora

PříspěvekZaslal: so prosinec 31 2022, 14:19    Předmět: Citovat

Jak ta sinusovka vypadá, je třeba vidět tady, ta trochu „hrbatá“ je z měniče a porovnává se s fází ze sítě. https://www.youtube.com/watch?v=r6PfQ83kNis
Ale znovu opakuji, problém je posun té jedné fáze z měniče oproti těm dvěma ze sítě. Může to vypadat třeba jako dole na obrázku a to relé nepozná, jestli má fázi z měniče, nebo ze sítě. Pro něj je ta fáze „na správném“ místě tak to vyhodnotí, že je vše OK, ale pro mě je to už nevyhovující stav. Ono se nedá pro to vyhodnocení použít ani třeba měření mezifázového napětí, protože když jsou dvě výstupní fáze napájené z měniče a třetí ze sítě, tak díky té rozdílné frekvenci, se mění mezifázové napětí od 0 do cca 460V. Těch 460V je i jeden z důvodů proč se mi moc nechce používat relátka, co jsou v těch ATS obvodech. Jedná se o čínské produkty a kvalita izolace mezi kontakty může být pochybná.
Jediným řešením, jsou zřejmě skutečně ta externí pomocná relátka. Ta bistabilní mi přišla jako nejjednodušší řešení, na impulz se překlopí, informaci o stavu uchovají i při vypnuté proudu, mají nulovou spotřebu... Doufal jsem, že se něco přímo na 230V vyrábí a nebude to stát ranec.
Konkrétně tato informace, o stavu přepínačů sítí, se bude dál používat pro zapínání, vypínání měniče, aby v okamžiku, kdy jsou baterky vybité, se vypnul a zbytečně je už nezatěžoval. Ono se tam bude muset zpracovat více podobných logických stavů, takže se možná nevyhnu nějakému řízení pomocí procesoru, ale rád bych se zrovna procesoru vyhnul a z důvodu spolehlivosti zůstal u nějaké jednoduché hradlové logiky.



sin.png
 Komentář:
 Velikost:  102.67 kB
 Zobrazeno:  99 krát

sin.png




Naposledy upravil jova1 dne po únor 13 2023, 13:46, celkově upraveno 1 krát.
Návrat nahoru
Zobrazit informace o autorovi Odeslat soukromou zprávu Zobrazit autorovy WWW stránky
Mahoney



Založen: Oct 26, 2019
Příspěvky: 679

PříspěvekZaslal: so prosinec 31 2022, 16:55    Předmět: Citovat

Aha… Tohle (to video) není posun fáze, posun fáze je něco jiného. Tohle znamená, že frekvence měniče není přesně stejná jako frekvence fáze, se kterou to potřebuješ sfázovat. Nevím, jestli měnič frekvenci umožnuje nějak nastavovat (třeba interně), ale i kdyby, je to pak otázka stability i třeba vůči teplotě atd. Co je to za měnič? Nemá vstup na fázový závěs?

Ta sinusovka z měniče je jinak celkem pěkná, s tím by problém být neměl.
Návrat nahoru
Zobrazit informace o autorovi Odeslat soukromou zprávu
jova1



Založen: Dec 20, 2007
Příspěvky: 1346
Bydliště: Chýnov - to je kousek od Tábora

PříspěvekZaslal: so prosinec 31 2022, 18:07    Předmět: Citovat

To ne, tyhle rozdílné frekvence měniče a fází sítě právě potřebuju. Jak už jsem psal, normálně je barák připojený na 3 fáze sítě. V okamžiku kdy je dostatečné napětí v baterkách, tak se jednotlivé přepínače ATS začnou postupně, vždy když se fáze sítě a měniče „překrývají“, přepínat a tak se celý dům přepojí na ten jednofázový měnič. V okamžiku, kdy dojde k vybití baterek, tak se zase v okamžiku toho „překrytí“frekvencí měniče a jednotlivých fází přepnou na síťové napětí. Ty frekvence se rozchází nahodile, takže celý proces přepnutí těch 3 přepínačů ATS někdy trvá několik vteřin, někdy klidně i minutu, nebo déle. A právě po tom kompletním přepnutí na síť, kdy je baterie vybitá, potřebuju vypnout i ten měnič.
Pro představu jak to cca zatím vypadá. Dole jsou ty přepínače ATS, nahoře pak za lištou 4trafa na tišťáku na jejichž výstupech se porovnávají ty fáze, nahoře pak led signalizuje okamžik shody fáze měniče s fází L3. Kdyby nebyl ATS přepnutý na manuál, tak by přepnul na měnič, jak signalizuje jeho zelená led dioda B.



fázovač.jpg
 Komentář:
 Velikost:  193.01 kB
 Zobrazeno:  137 krát

fázovač.jpg


Návrat nahoru
Zobrazit informace o autorovi Odeslat soukromou zprávu Zobrazit autorovy WWW stránky
Zobrazit příspěvky z předchozích:   
Přidat nové téma   Zaslat odpověď       Obsah fóra Diskuzní fórum Elektro Bastlírny -> Řešení problémů s různými konstrukcemi Časy uváděny v GMT + 1 hodina
Jdi na stránku 1, 2  Další
Strana 1 z 2

 
Přejdi na:  
Nemůžete odesílat nové téma do tohoto fóra.
Nemůžete odpovídat na témata v tomto fóru.
Nemůžete upravovat své příspěvky v tomto fóru.
Nemůžete mazat své příspěvky v tomto fóru.
Nemůžete hlasovat v tomto fóru.
Nemůžete připojovat soubory k příspěvkům
Můžete stahovat a prohlížet přiložené soubory

Powered by phpBB © 2001, 2005 phpBB Group
Forums ©
Nuke - Elektro Bastlirna

Informace na portálu Elektro bastlírny jsou prezentovány za účelem vzdělání čtenářů a rozšíření zájmu o elektroniku. Autoři článků na serveru neberou žádnou zodpovědnost za škody vzniklé těmito zapojeními. Rovněž neberou žádnou odpovědnost za případnou újmu na zdraví vzniklou úrazem elektrickým proudem. Autoři a správci těchto stránek nepřejímají záruku za správnost zveřejněných materiálů. Předkládané informace a zapojení jsou zveřejněny bez ohledu na případné patenty třetích osob. Nároky na odškodnění na základě změn, chyb nebo vynechání jsou zásadně vyloučeny. Všechny registrované nebo jiné obchodní známky zde použité jsou majetkem jejich vlastníků. Uvedením nejsou zpochybněna z toho vyplývající vlastnická práva. Použití konstrukcí v rozporu se zákonem je přísně zakázáno. Vzhledem k tomu, že původ předkládaných materiálů nelze žádným způsobem dohledat, nelze je použít pro komerční účely! Tento nekomerční server nemá z uvedených zapojení či konstrukcí žádný zisk. Nezodpovídáme za pravost předkládaných materiálů třetími osobami a jejich původ. V případě, že zjistíte porušení autorského práva či jiné nesrovnalosti, kontaktujte administrátory na diskuzním fóru EB.


PHP-Nuke Copyright © 2005 by Francisco Burzi. This is free software, and you may redistribute it under the GPL. PHP-Nuke comes with absolutely no warranty, for details, see the license.
Čas potřebný ke zpracování stránky 0.45 sekund